GM Service Manual Online
For 1990-2009 cars only

Automatic Transmission Controls Schematics Gas

Figure 1:

PWR and VSS Controls


Object Number: 497314  Size: FS
Automatic Transmission Components Gas
Electronic Component Description
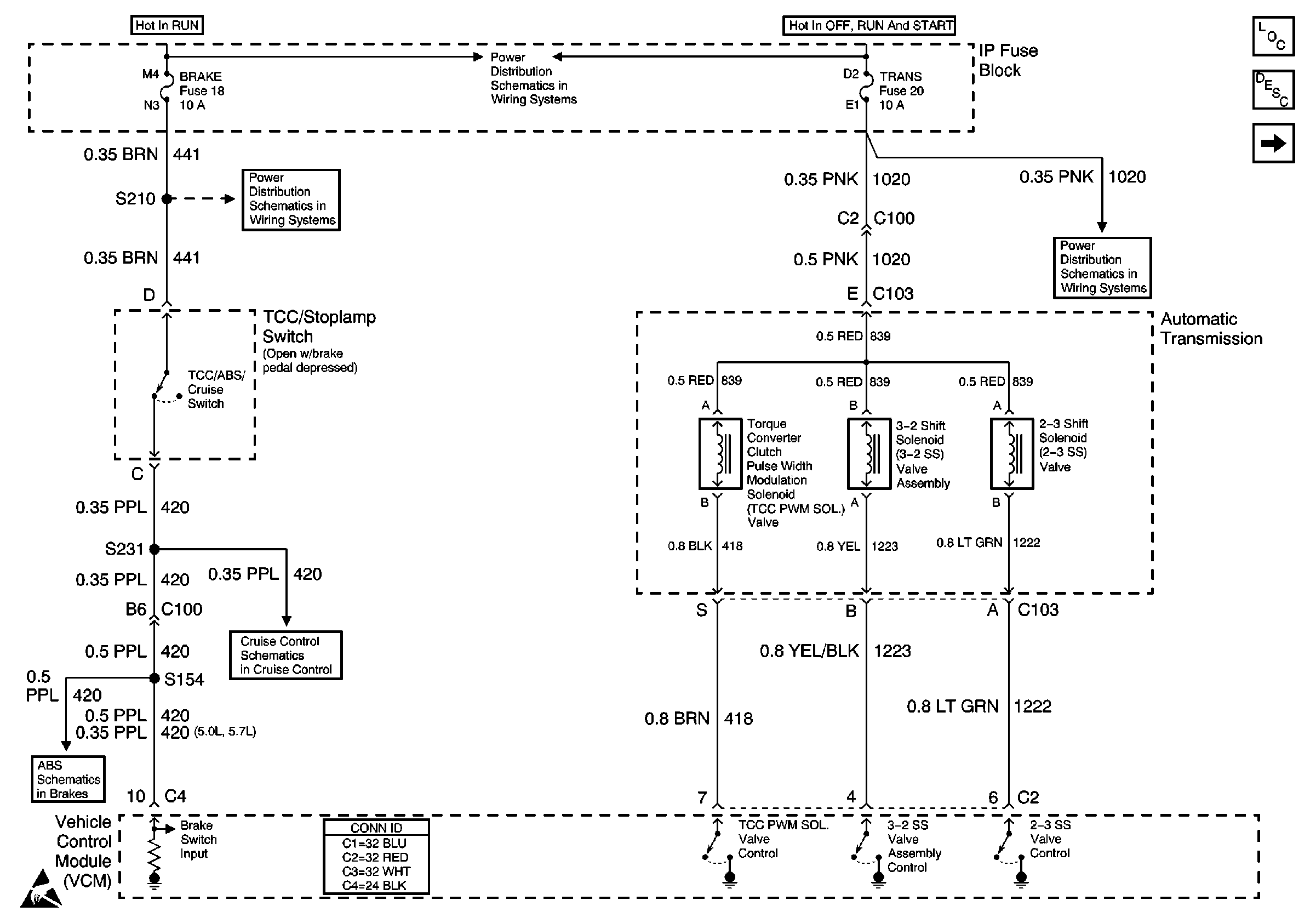
Solenoid and TCC/Stoplamp Controls
ECM 1 and IGN E Fuses (5.0L and 5.7L)
ECM B, HORN, and A/C Fuses
Handling ESD Sensitive Parts Notice
Notice: Twisted wire specifications
Battery, Auxiliary Battery, and Underhood Fuse/Relay Center
IGN A, IGN B Fuses, and Ignition Switch
ECM 1 and IGN E Fuses (4.3L)
ECM-I and IGN E Fuses (7.4L)
Figure 2:

Solenoid and TCC/Stoplamp Controls


Object Number: 497316  Size: FS
Automatic Transmission Components Gas
Electronic Component Description
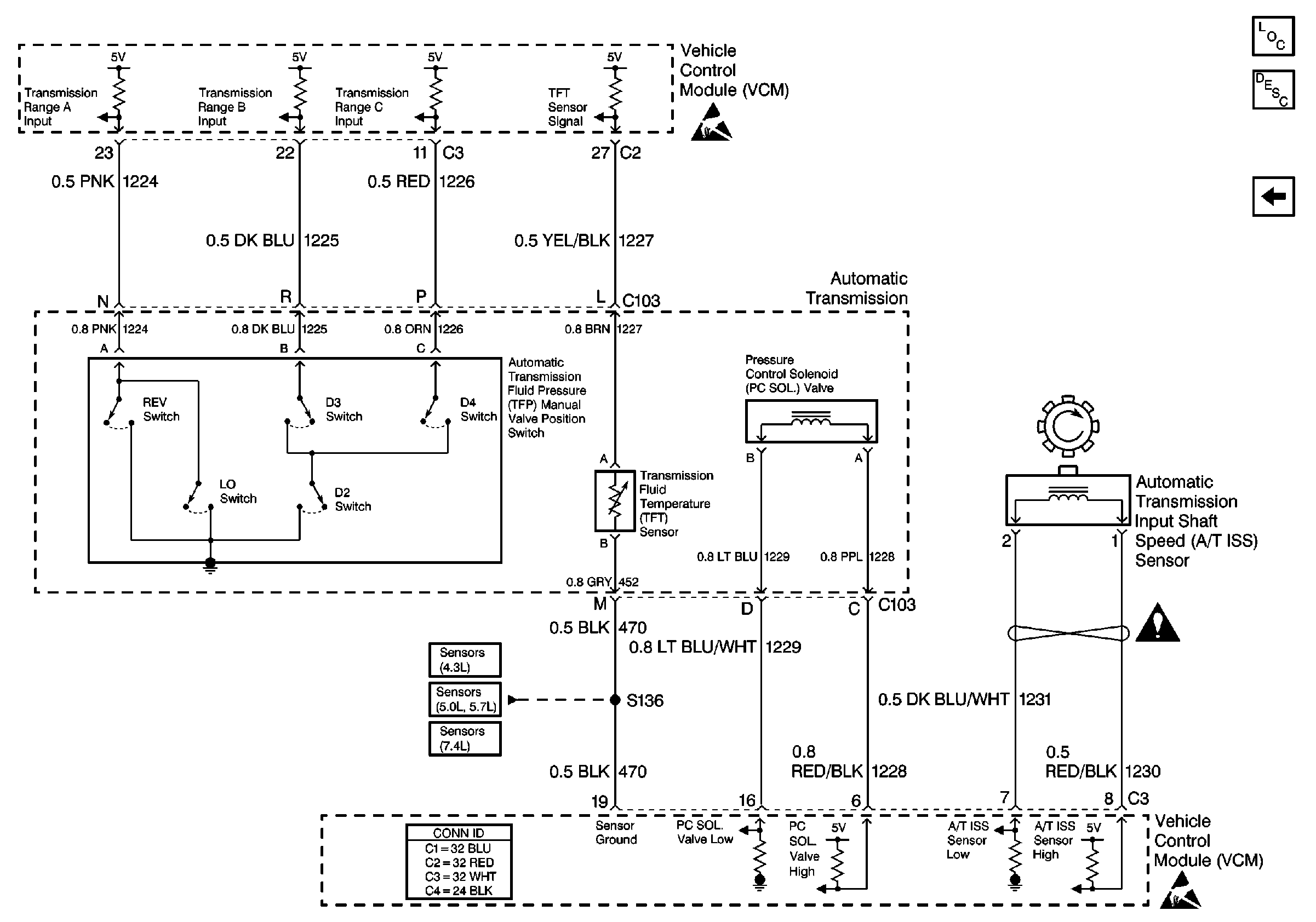
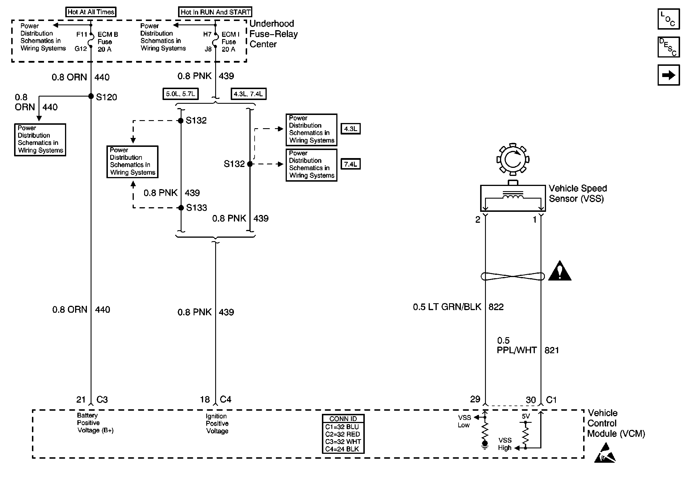
Sensor, Solenoid and GND Controls
PWR and VSS Controls
RADIO 1, WIPER, TRANS, and CRANK Fuses
ABS System Schematics (IP, VCM, EBCM, and VSS)
Cruise Control System-Gasoline Engines
CRUISE, HTR A/C, and BRAKE Fuses
IGN A, IGN B Fuses, and Ignition Switch
Handling ESD Sensitive Parts Notice
Figure 3:

Sensor, Solenoid and GND Controls


Object Number: 497319  Size: FS
Automatic Transmission Components Gas
Electronic Component Description
Solenoid and TCC/Stoplamp Controls
Sensor Controls: MAP, Fuel Tank Pressure Sensor, IAT, TP Sensor, ECT
Sensor Controls: MAP, Fuel Tank Pressure Sensor, IAT, TP Sensor, ECT
Sensor Controls: MAP, Fuel Tank Pressure Sensor, IAT, TP Sensor, ECT
Handling ESD Sensitive Parts Notice
Handling ESD Sensitive Parts Notice
Notice: Twisted wire specifications

Automatic Transmission Controls Schematics Diesel

Figure 1:

PWR, Solenoids, TCC/Stoplamp Controls


Object Number: 497368  Size: FS
Automatic Transmission Components Diesel
Electronic Component Description
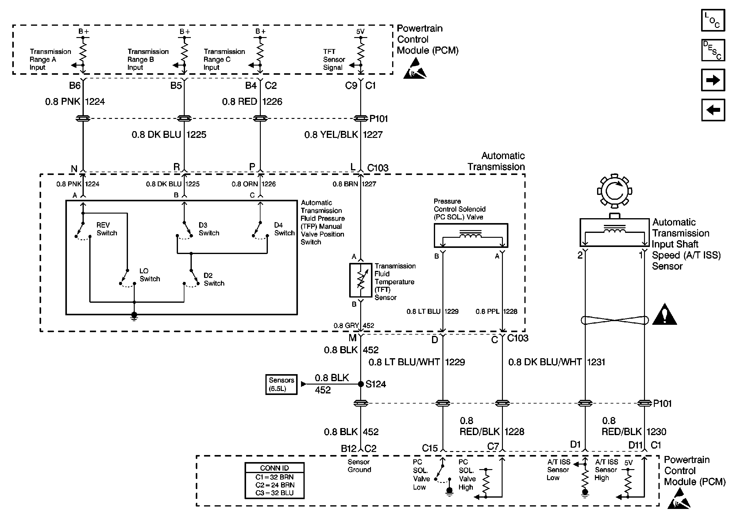
Sensor, Solenoid and GND Controls
IGN A, IGN B Fuses, and Ignition Switch
RADIO 1, WIPER, TRANS, and CRANK Fuses
ECM B, HORN, and A/C Fuses
PARK LPS, TURN B/U, HAZARD, STOP Fuses
Handling ESD Sensitive Parts Notice
Battery, Auxiliary Battery, and Underhood Fuse/Relay Center
LIGHTING and BATT Fuses
ECM 1 and IGN E Fuses (6.5L)
IGN A, IGN B Fuses, and Ignition Switch
Figure 2:

Sensor, Solenoid and GND Controls


Object Number: 497372  Size: FS
Automatic Transmission Components Diesel
Electronic Component Description
VSS and Sensor Controls
PWR, Solenoids, TCC/Stoplamp Controls
Handling ESD Sensitive Parts Notice
Handling ESD Sensitive Parts Notice
Notice: Twisted wire specifications
Sensor Controls: CKP, Boost Pressure Sensor, IAT, ECT
Figure 3:

VSS and Sensor Controls


Object Number: 497377  Size: FS
Automatic Transmission Components Diesel
Electronic Component Description
Sensor, Solenoid and GND Controls
IGN A, IGN B Fuses, and Ignition Switch
GAUGES Fuse
G101 (Diesel Engine)
G103 (6.5L Engine)
Handling ESD Sensitive Parts Notice
Handling ESD Sensitive Parts Notice
Handling ESD Sensitive Parts Notice
Handling ESD Sensitive Parts Notice
Notice: Twisted wire specifications