GM Service Manual Online
For 1990-2009 cars only
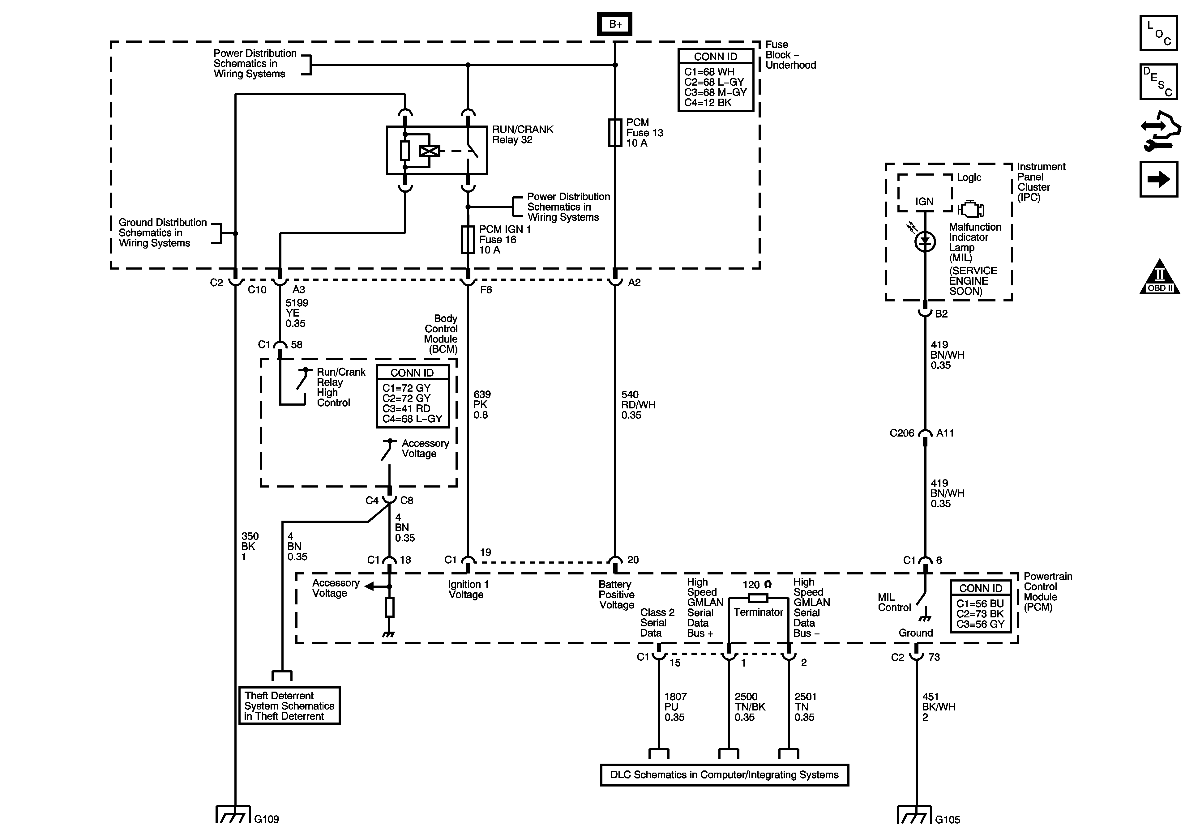
Figure 1:

Power, Ground, Serial Data and MIL


Object Number: 1458412  Size: FS
Master Electrical Component List
Powertrain Control Module Description
Control Module References
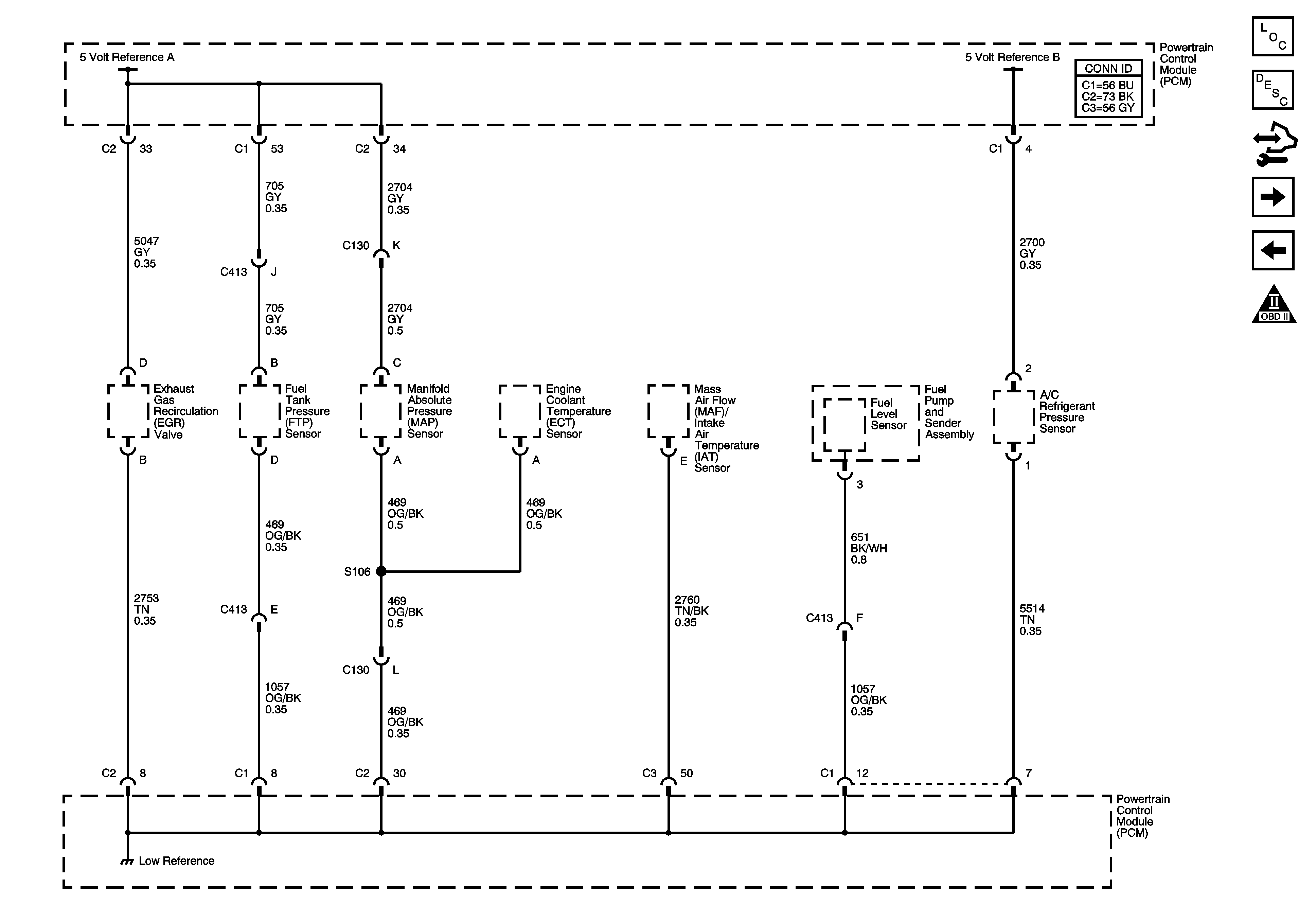
Engine Data Sensors - 5 Volt and Low Reference
Engine Controls Schematic Icons
Underhood Fuse Block PCM, ABS, EPS, IBCM 1, IBCM 2, LH LOW, RH LOW, LH HIGH and RH HIGH Fuses
G109
Underhood Fuse Block IBCM (R/C), TRANS, INJ, ABS, PCM and IGN 1 Fuses
G109
Power, Ground, Class2 and High Speed Serial Data
G103, G104 and G105
Figure 2:

Engine Data Sensors - 5-Volt and Low Reference


Object Number: 1458414  Size: FS
Master Electrical Component List
Powertrain Control Module Description
Control Module References
Engine Data Sensors - Pressure and Temperature
Power, Ground, Serial Data and MIL
Engine Controls Schematic Icons
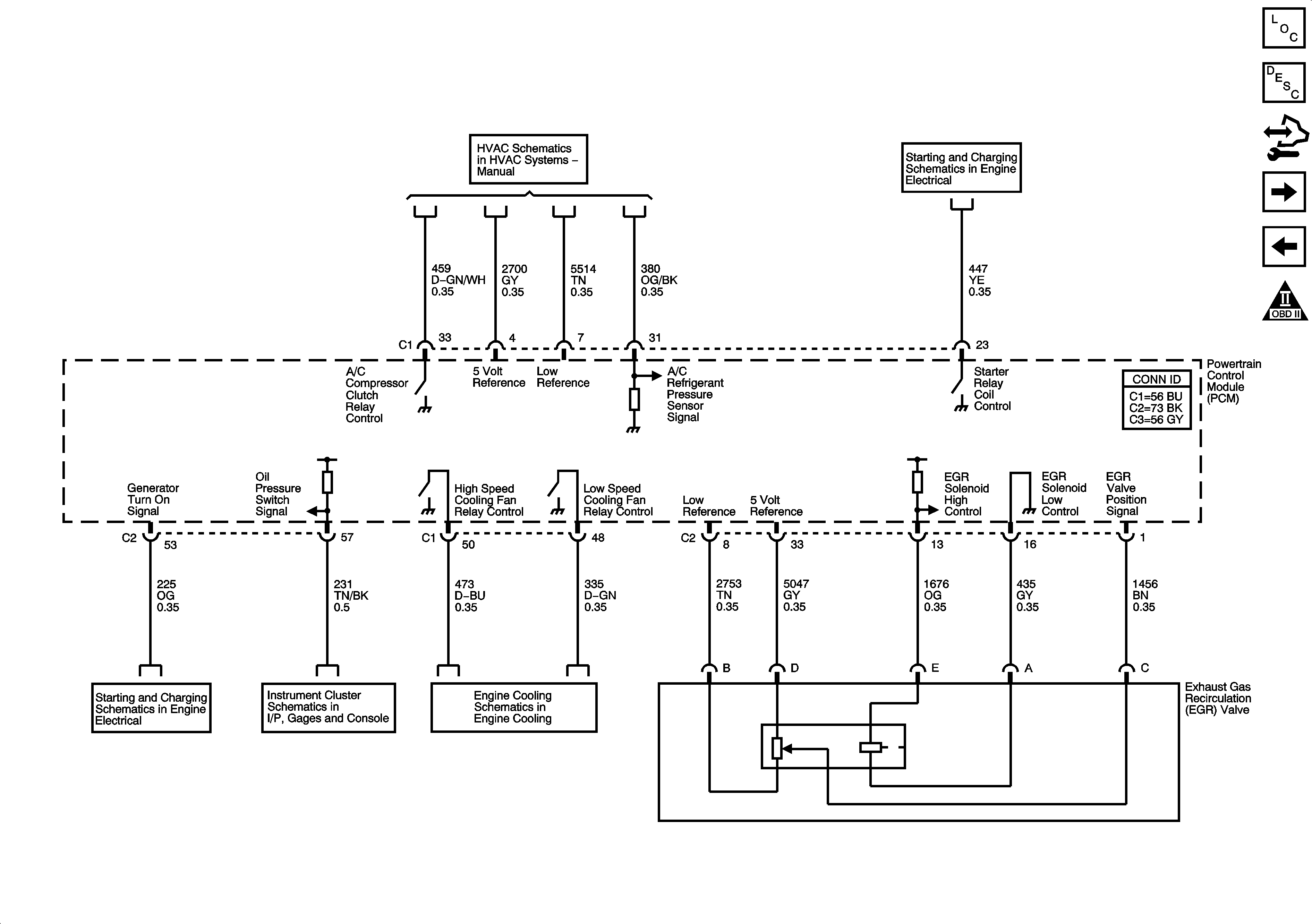
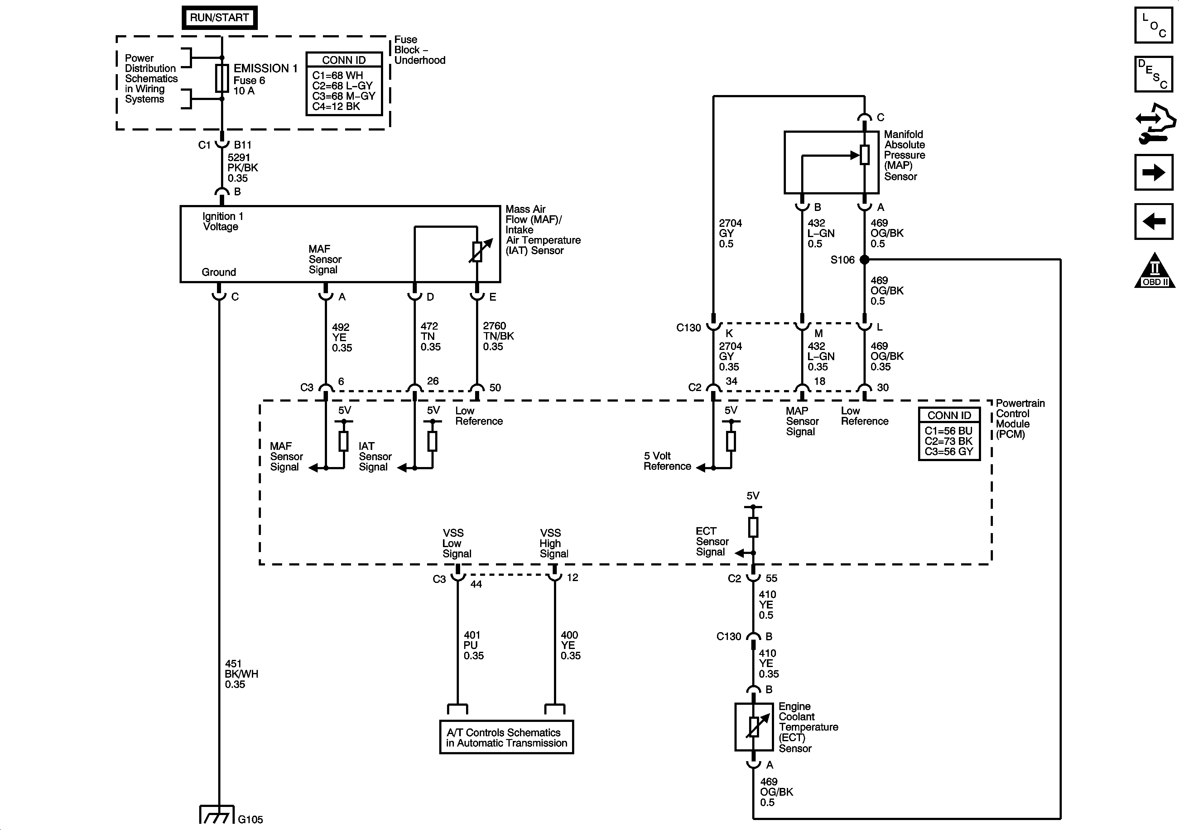
Figure 3:

Engine Data Sensors - Pressure and Temperature


Object Number: 1458417  Size: FS
Master Electrical Component List
Powertrain Control Module Description
Control Module References
Engine Data Sensors - Heated Oxygen Sensors
Engine Data Sensors - 5 Volt and Low Reference
Engine Controls Schematic Icons
Underhood Fuse Block ETC, EMISSION 1 and A/C CLU Fuses
G103, G104 and G105
Transmission Solenoids and VSS
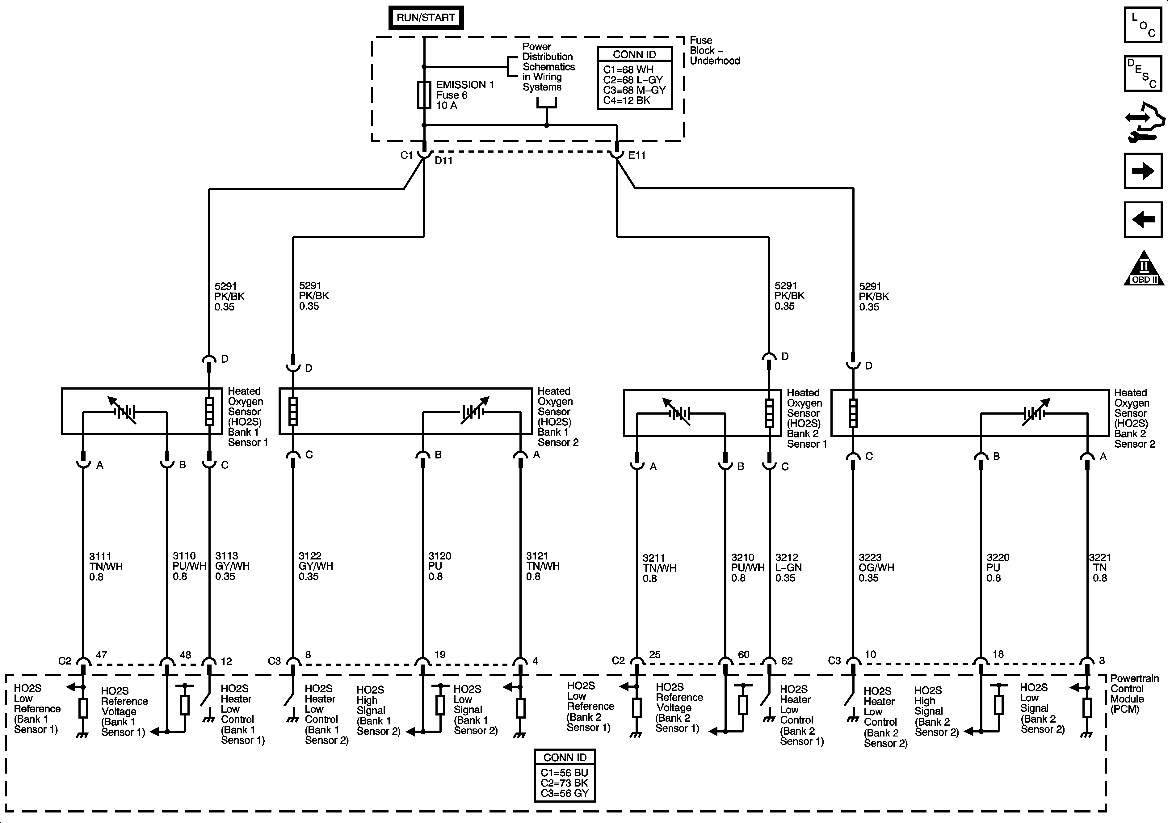
Figure 4:

Engine Data Sensors - Heated Oxygen Sensors


Object Number: 1458420  Size: FS
Master Electrical Component List
Powertrain Control Module Description
Control Module References
Engine Data Sensors - Electronic Throttle Controls
Engine Data Sensors - Pressure and Temperature
Engine Controls Schematic Icons
Underhood Fuse Block ETC, EMISSION 1 and A/C CLU Fuses
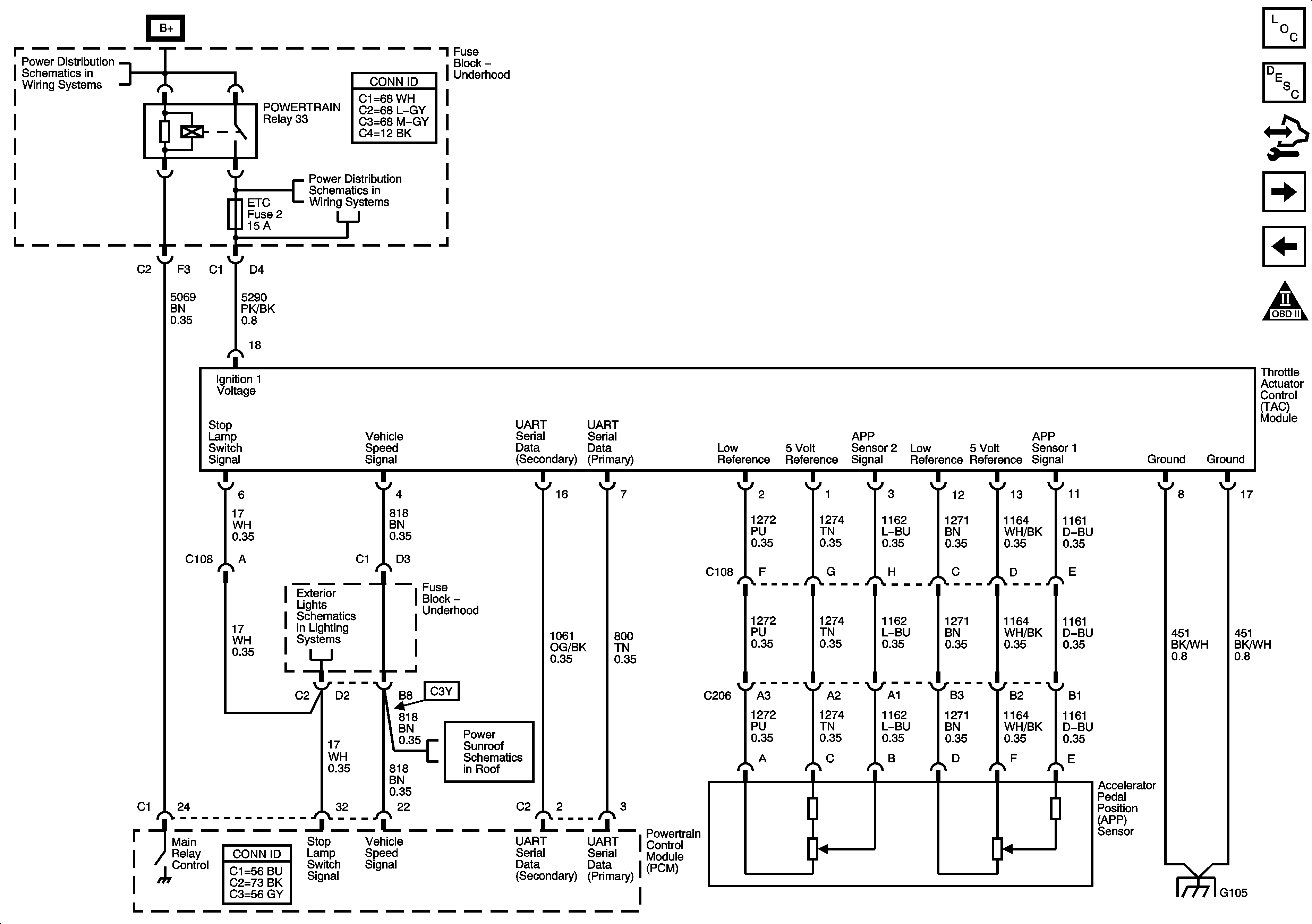
Figure 5:

Engine Data Sensors - Electronic Throttle Controls


Object Number: 1458424  Size: FS
Master Electrical Component List
Throttle Actuator Control (TAC) System Description
Control Module References
Ignition Controls - Ignition System
Engine Data Sensors - Heated Oxygen Sensors
Engine Controls Schematic Icons
Underhood Fuse Block ETC, EMISSION 1 and A/C CLU Fuses
Underhood Fuse Block ETC, EMISSION 1 and A/C CLU Fuses
Turn Signals and Stop Lamps
G103, G104 and G105
Figure 6:

Ignition Controls - Ignition System


Object Number: 1458425  Size: FS
Master Electrical Component List
Electronic Ignition (EI) System Description
Control Module References
Fuel Controls - Fuel Pump Controls
Engine Data Sensors - Electronic Throttle Controls
Engine Controls Schematic Icons
Underhood Fuse Block IBCM (R/C), TRANS, INJ, ABS, PCM and IGN 1 Fuses
Underhood Fuse Block IBCM (R/C), TRANS, INJ, ABS, PCM and IGN 1 Fuses
Engine Controls Schematic Icons
Engine Controls Schematic Icons
G106
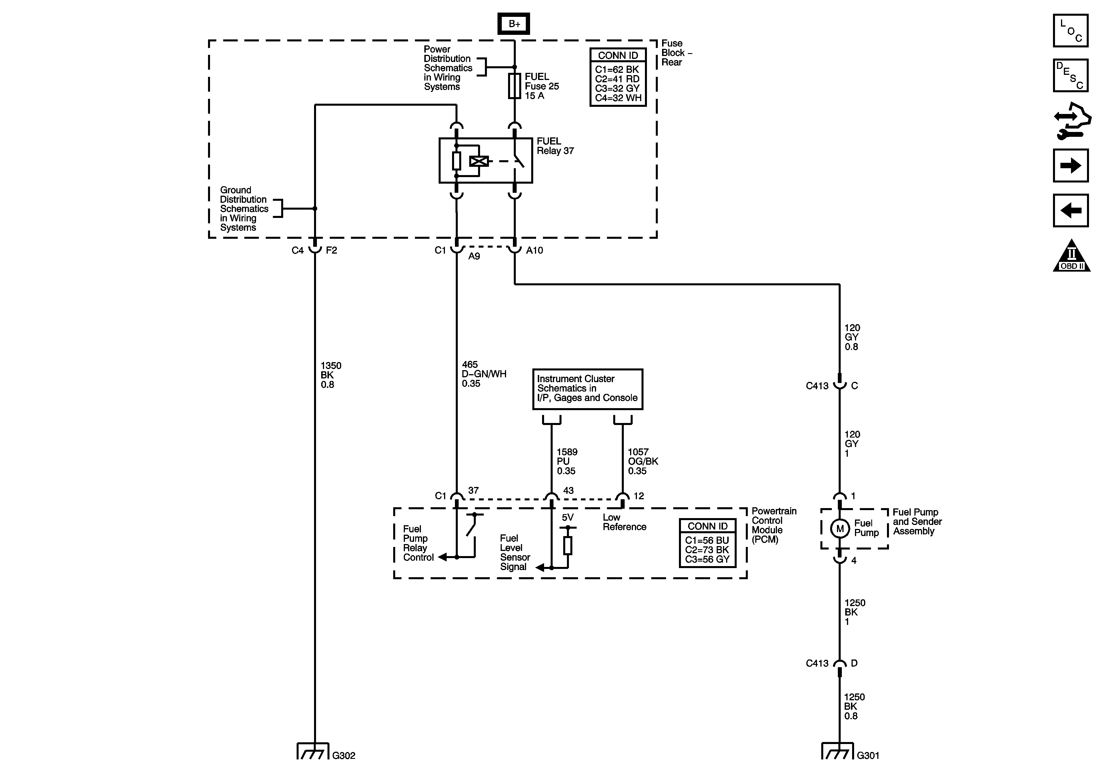
Figure 7:

Fuel Controls - Fuel Pump Controls


Object Number: 1458428  Size: FS
Master Electrical Component List
Fuel System Description
Control Module References
Fuel Controls - Fuel Injectors and EVAP
Ignition Controls - Ignition System
Engine Controls Schematic Icons
Underhood Fuse Block RUN RLY, RBEC 2, Rear Fuse Block DRV ST, FUEL, PARK LPS, TRUNK and EMISSION 2 Fuses
G302
Indicators
G302
G301
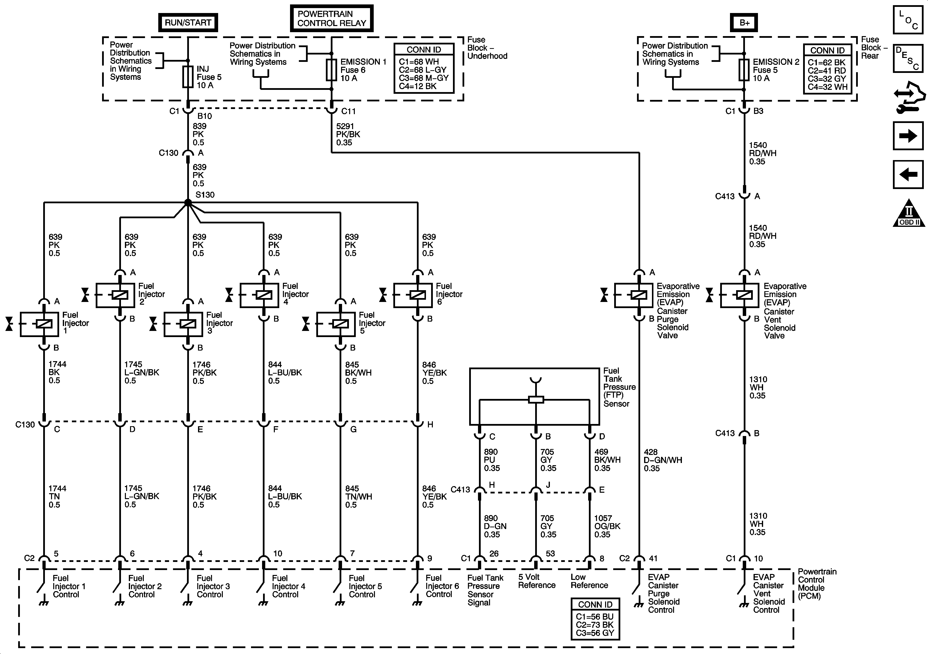
Figure 8:

Fuel Controls - Fuel Injector and EVAP


Object Number: 1458431  Size: FS
Master Electrical Component List
Evaporative Emission Control System Description
Control Module References
Controlled/Monitored Subsystem References
Fuel Controls - Fuel Pump Controls
Engine Controls Schematic Icons
Underhood Fuse Block IBCM (R/C), TRANS, INJ, ABS, PCM and IGN 1 Fuses
Underhood Fuse Block ETC, EMISSION 1 and A/C CLU Fuses
Underhood Fuse Block RUN RLY, RBEC 2, Rear Fuse Block DRV ST, FUEL, PARK LPS, TRUNK and EMISSION 2 Fuses
Figure 9:

Controlled/Monitored Subsystem References


Object Number: 1458433  Size: FS
Master Electrical Component List
Powertrain Control Module Description
Control Module References
Transmission Control References
Fuel Controls - Fuel Injectors and EVAP
Engine Controls Schematic Icons
Compressor Controls
Starting System
Charging System
Indicators
Cooling Fans
Figure 10:

Transmission Control References


Object Number: 1458434  Size: FS
Master Electrical Component List
Powertrain Control Module Description
Control Module References
Controlled/Monitored Subsystem References
Engine Controls Schematic Icons
Transmission Solenoids and VSS
Transmission Switches, TFT and A/T ISS Sensor
Tap Up/Tap Down Switch
Transmission Switches, TFT and A/T ISS Sensor
PNP Switch
Transmission Solenoids and VSS