GM Service Manual Online
For 1990-2009 cars only
Figure 1:

Park Lamp Relay, Front Park, and Marker Lamps


Object Number: 1531537  Size: FS
Master Electrical Component List
Exterior Lighting Systems Description and Operation
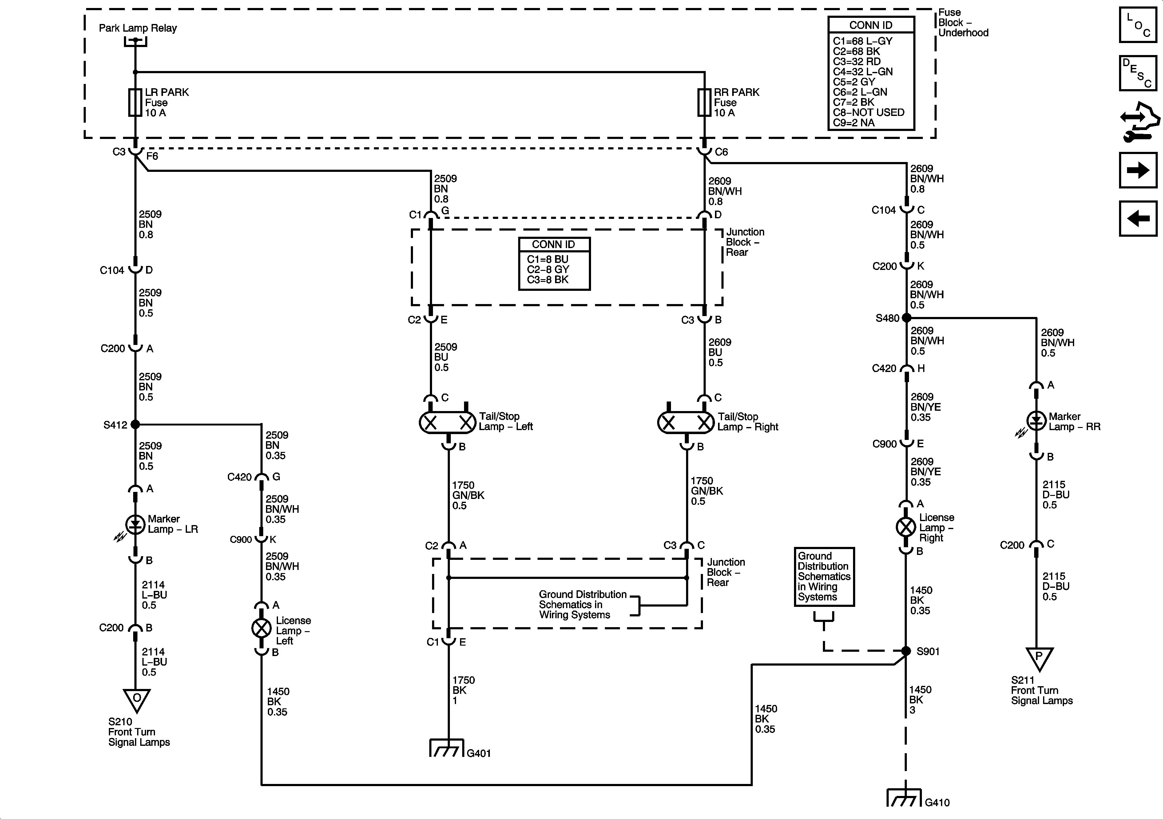
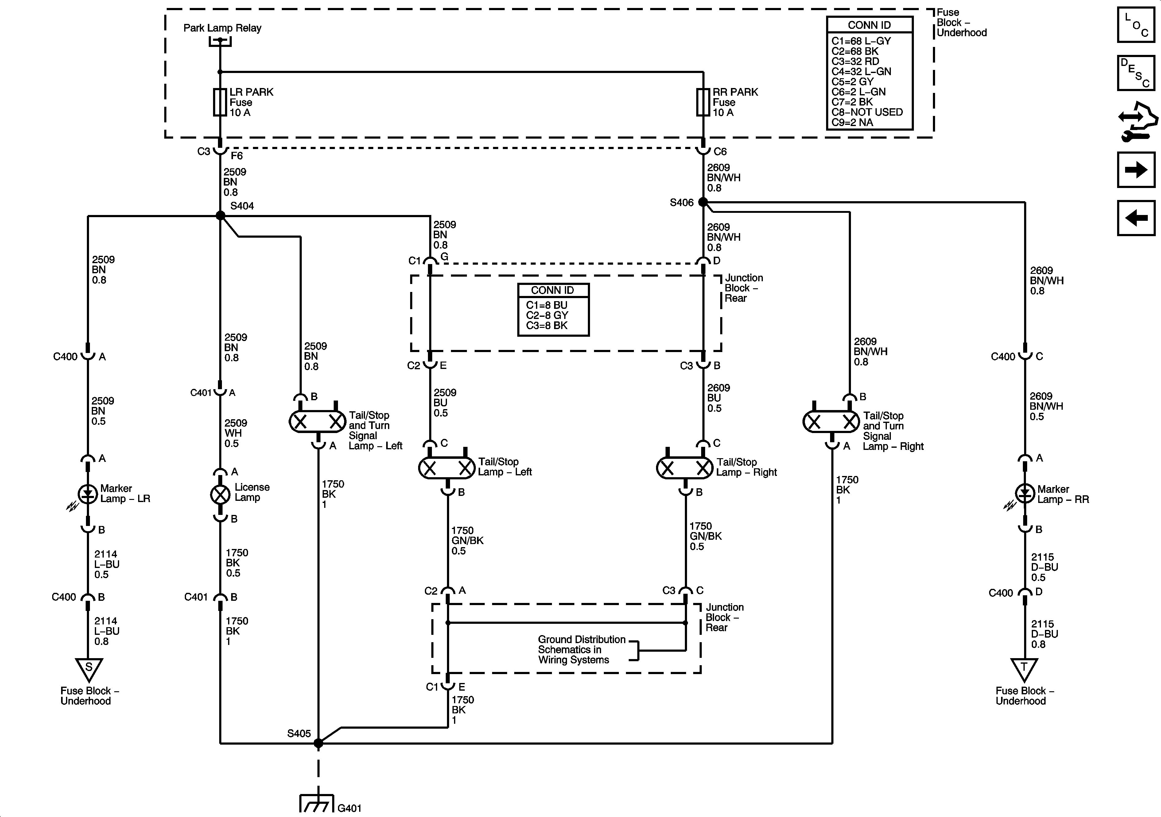
Tail Lamps, Rear Marker and License Lamps
B+Bus
Headlamp Controls, Switches, and Ambient Light Sensor
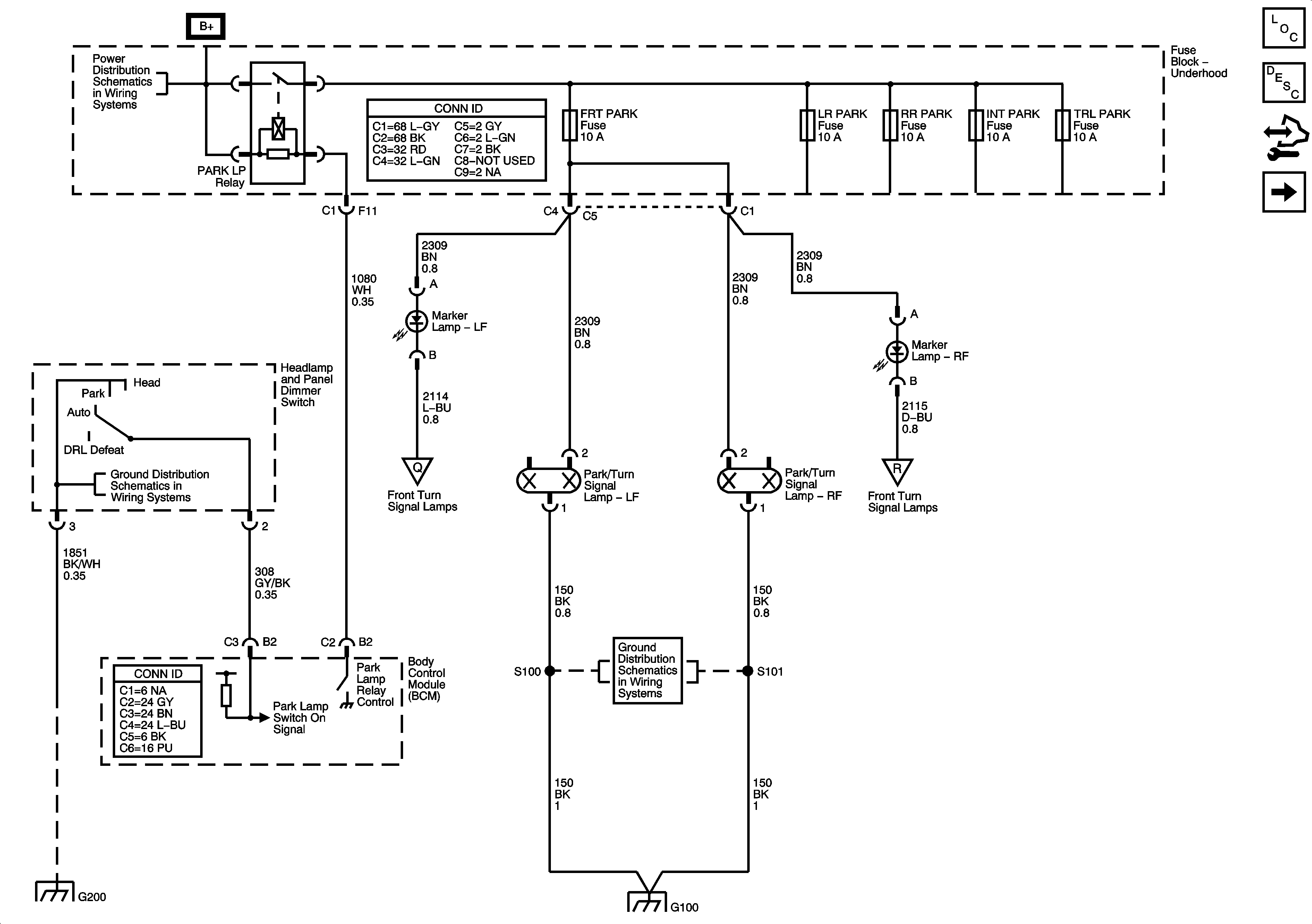
Marker Lamps, Front Turn Signal Lamps
Marker Lamps, Front Turn Signal Lamps
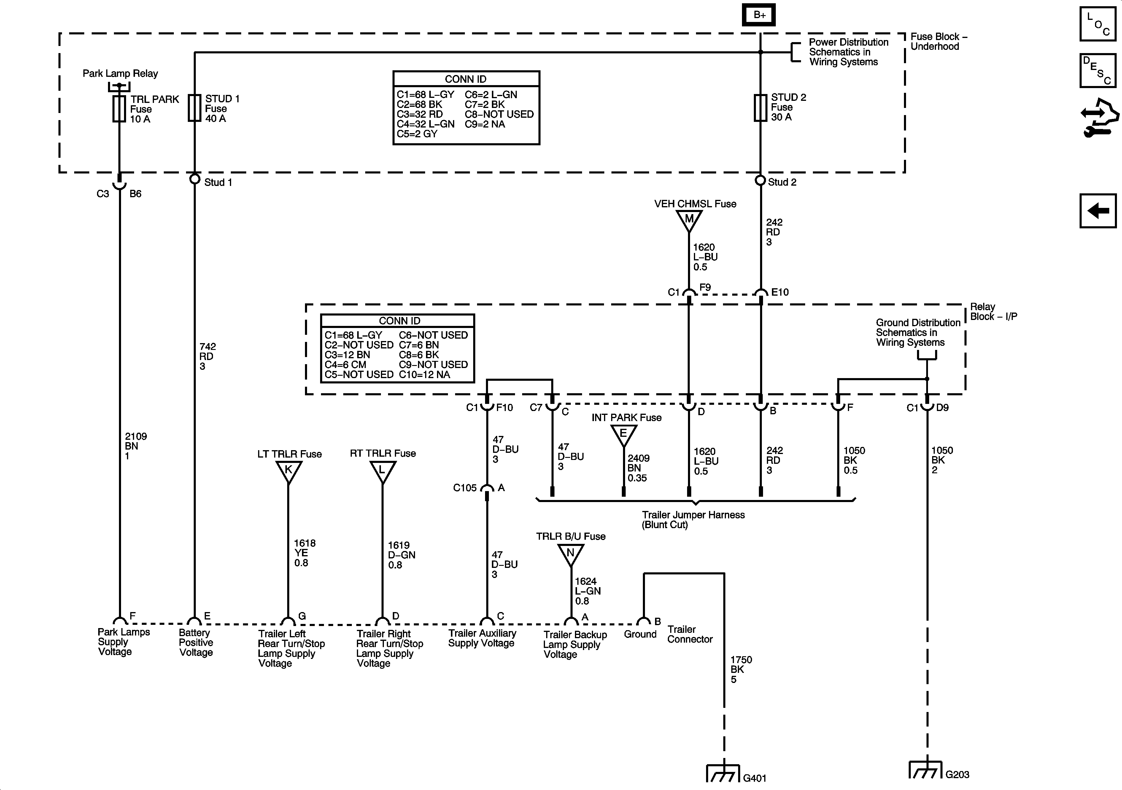
Trailer Lighting Provisions
Tail Lamps, Rear Marker and License Lamps
G100
G100
Figure 2:

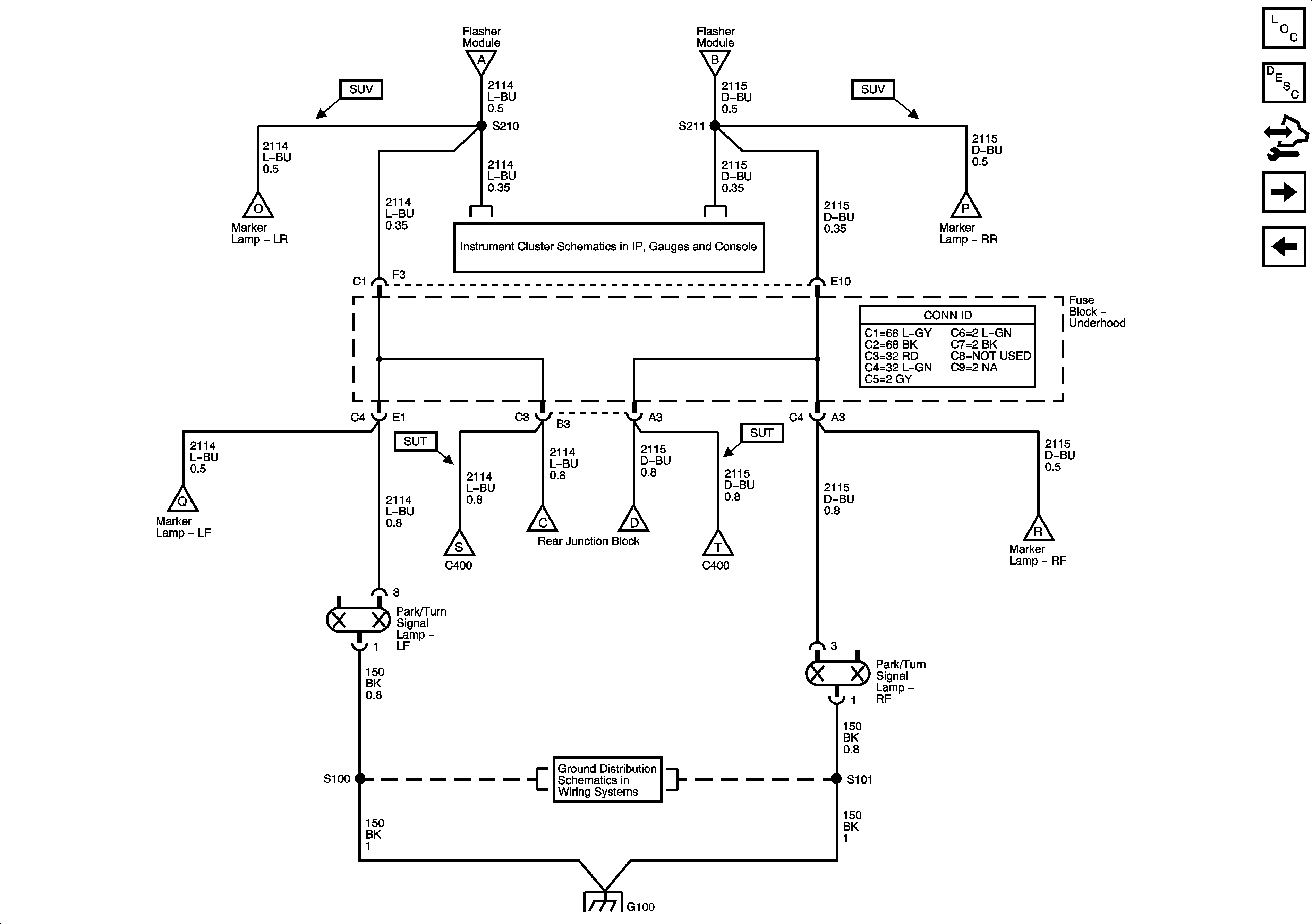
Tail Lamps, Rear Marker, and License Lamps -- SUV


Object Number: 1531540  Size: FS
Master Electrical Component List
Exterior Lighting Systems Description and Operation
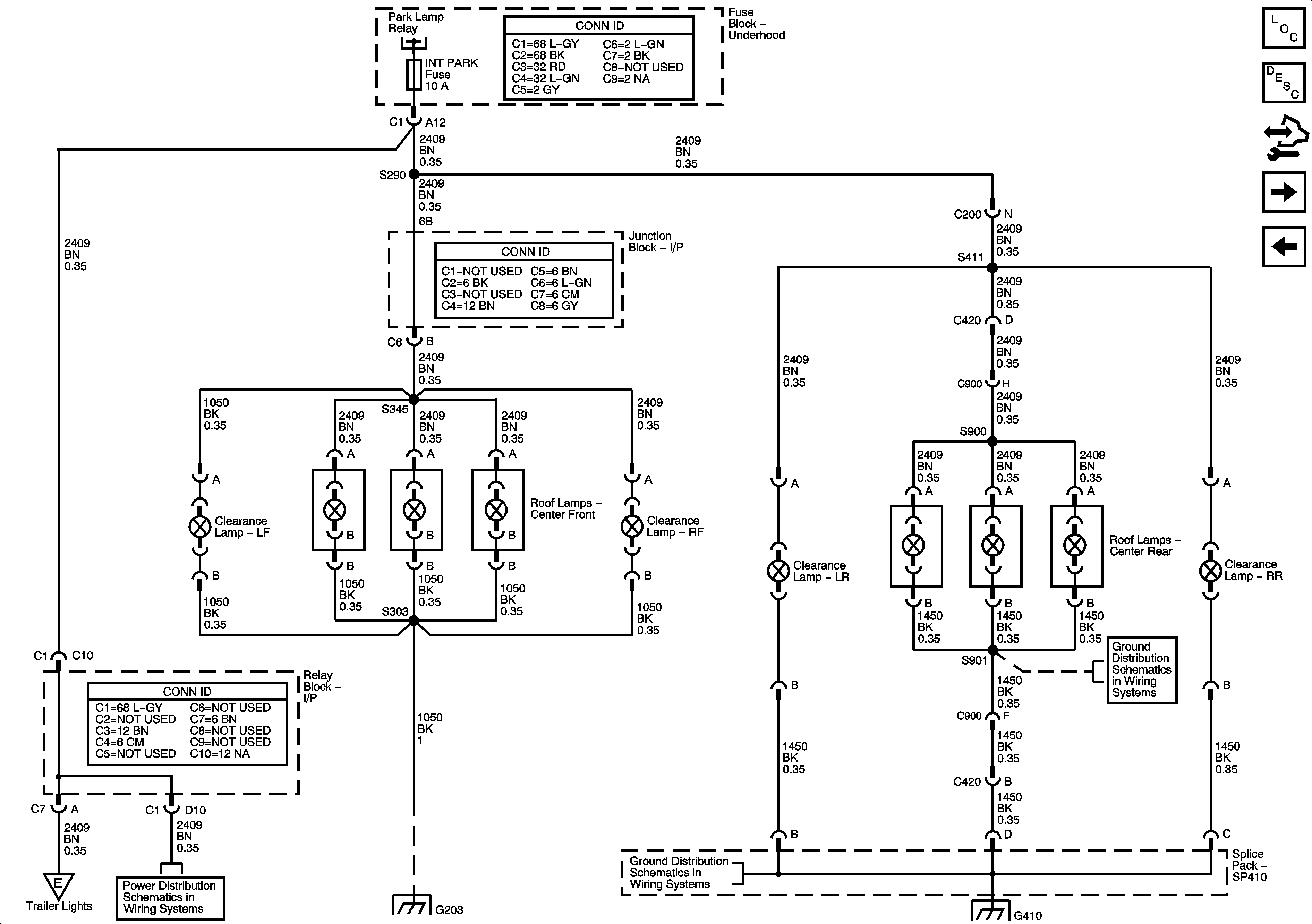
Roof Lamps
Park Lamp Relay, Front Park and Marker Lamps
Park Lamp Relay, Front Park and Marker Lamps
Stop Lamps
Roof Lamps
G402, G405, and G410
G402, G405, and G410
Marker Lamps, Front Turn Signal Lamps
G308, G310, G401, and G300
G308, G310, G401, and G300
Marker Lamps, Front Turn Signal Lamps
Figure 3:

Tail Lamps, Rear Marker, and License Lamps -- SUT


Object Number: 1760251  Size: FS
Master Electrical Component List
Exterior Lighting Systems Description and Operation
Control Module References
Roof Lamps
Tail Lamps, Rear Marker and License Lamps - SUV
FRT PARK, LR PARK, RR PARK and TRL PARK Fuses
Marker Lamps and Front Turn Signal Lamps
G300, G310, G401 and G403
G300, G310, G401 and G403
Marker Lamps and Front Turn Signal Lamps
Figure 4:

Roof Lamps


Object Number: 1531591  Size: FS
Master Electrical Component List
Exterior Lighting Systems Description and Operation
Turn Signal/Hazard Switch and Flasher Module
Tail Lamps, Rear Marker and License Lamps
Tail Lamps, Rear Marker and License Lamps
G402, G405, and G410
G402, G405, and G410
G402, G405, and G410
CKT 1050: G203, S302, S303, S351, and S215
INT PARK Fuse
Trailer Lighting Provisions
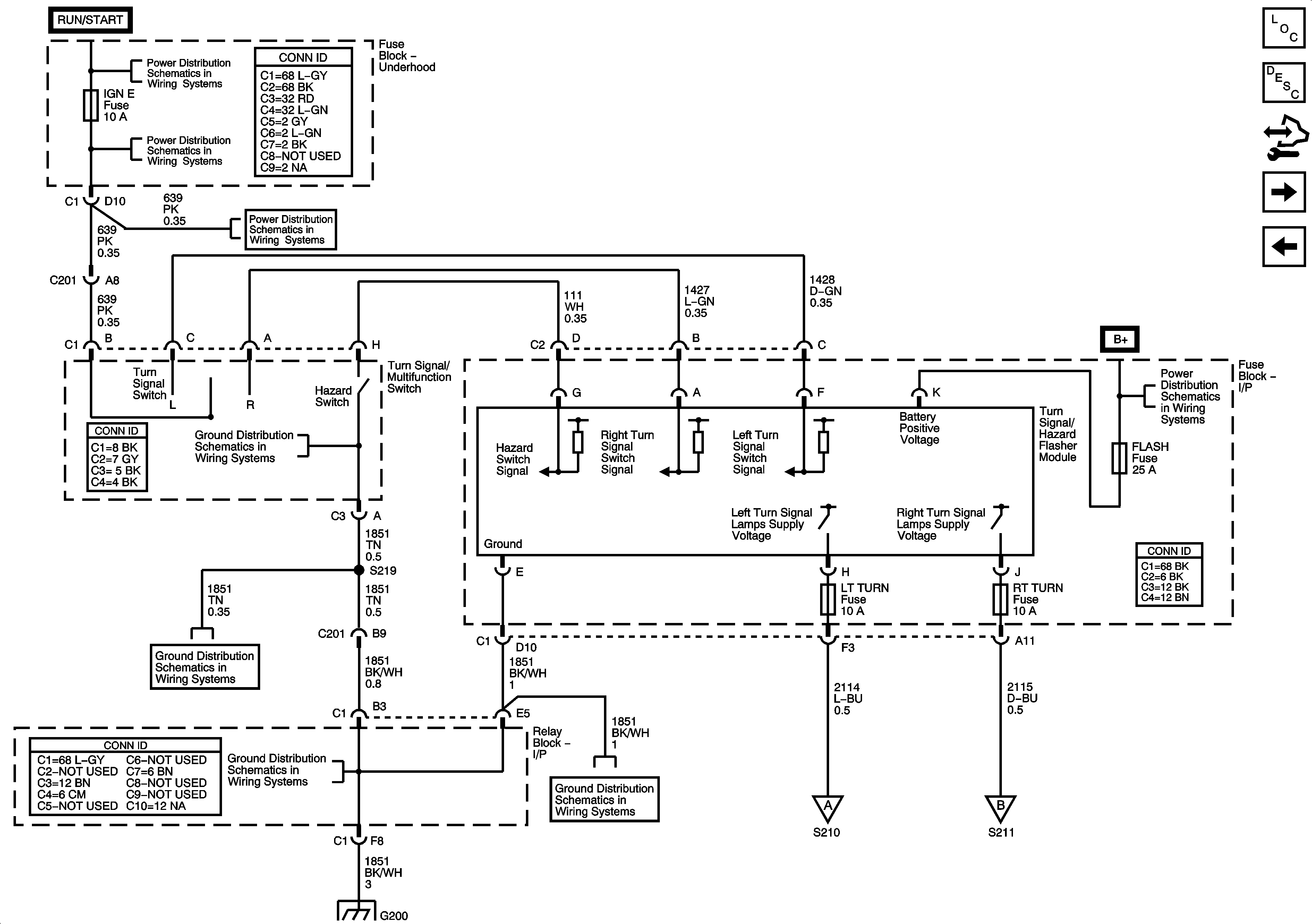
Figure 5:

Turn Signal/Hazard Switch and Flasher Module


Object Number: 1531600  Size: FS
Master Electrical Component List
Exterior Lighting Systems Description and Operation
Marker Lamps, Front Turn Signal Lamps
Roof Lamps
ACCY/RUN and RUN/START Bus Bars
SEO IGN, SIR, and IGN E Fuses
SEO IGN, SIR, and IGN E Fuses
Stop Lamps
FLASH, LT TRLR, RT TRLR, LT TURN, and RT TURN Fuses
Marker Lamps, Front Turn Signal Lamps
Trailer Lighting Provisions
G200
G200
G200
G200
G200
Figure 6:

Marker Lamps and Front Turn Signal Lamps


Object Number: 1531603  Size: FS
Master Electrical Component List
Exterior Lighting Systems Description and Operation
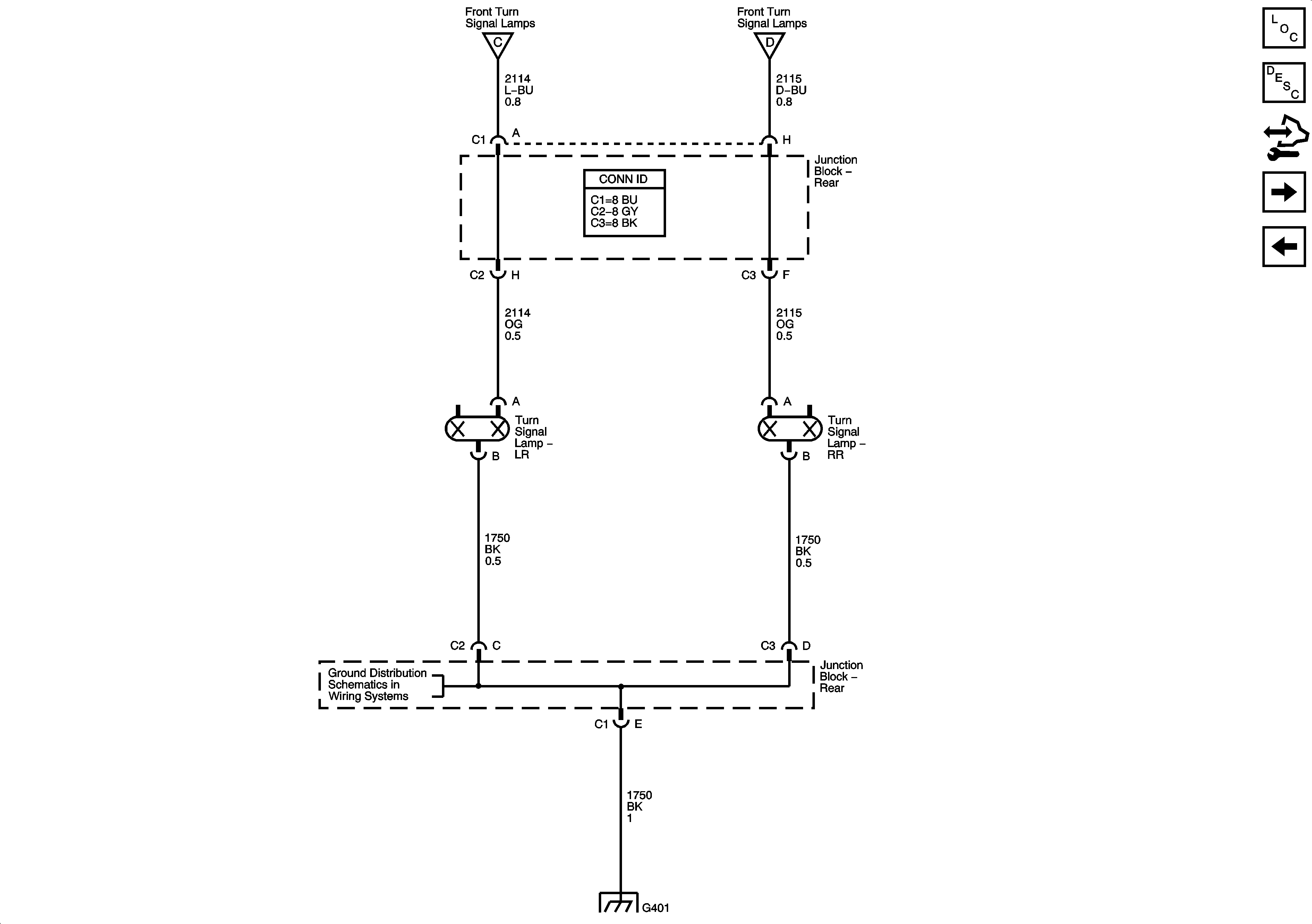
Rear Turn Signal Lamps
Turn Signal/Hazard Switch and Flasher Module
Turn Signal/Hazard Switch and Flasher Module
Indicators
Turn Signal/Hazard Switch and Flasher Module
Tail Lamps, Rear Marker and License Lamps
Park Lamp Relay, Front Park and Marker Lamps
Rear Turn Signal Lamps
G100
G100
Park Lamp Relay, Front Park and Marker Lamps
Tail Lamps, Rear Marker and License Lamps
Figure 7:

Rear Turn Signal Lamps


Object Number: 1531604  Size: FS
Master Electrical Component List
Exterior Lighting Systems Description and Operation
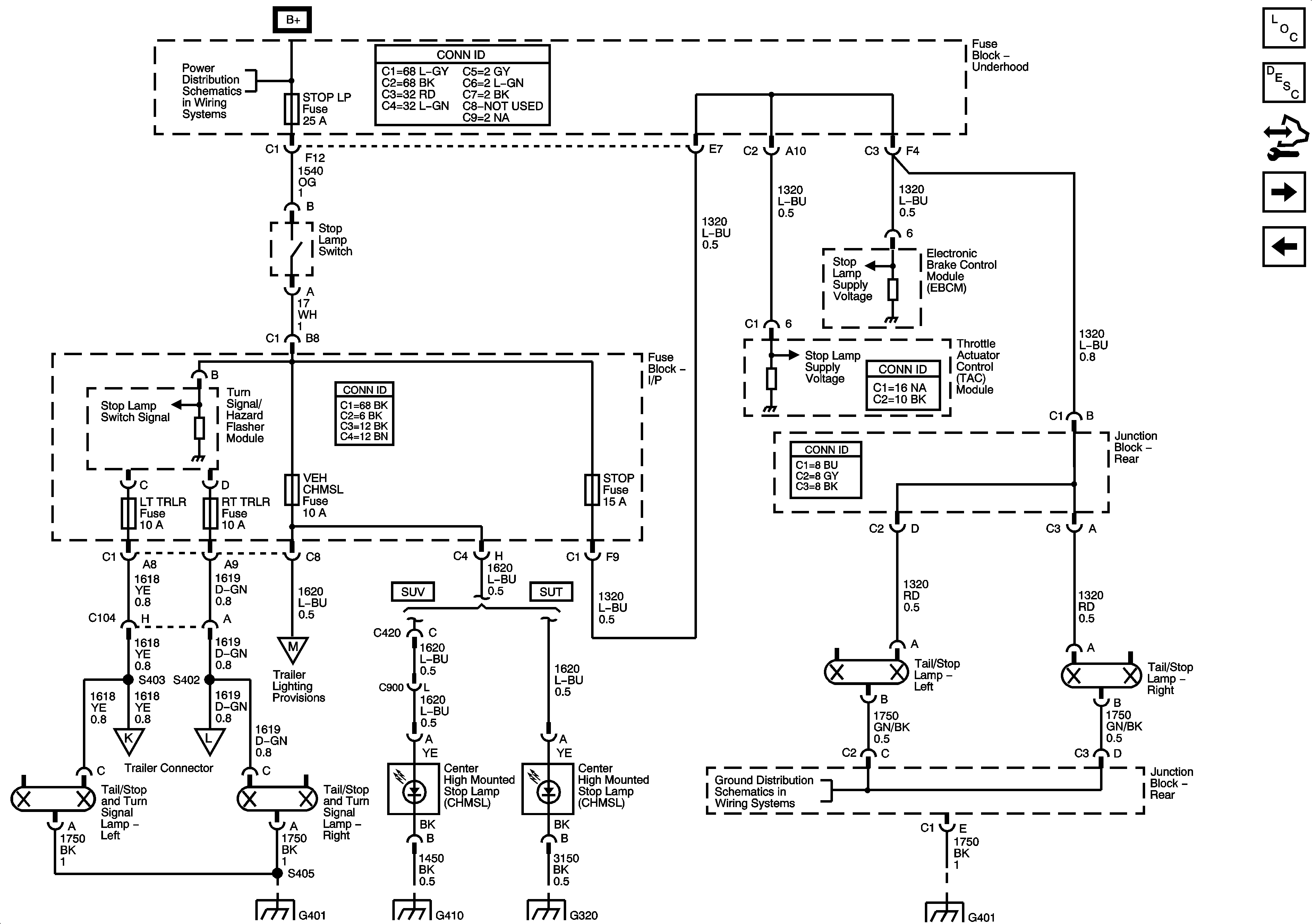
Stop Lamps
Marker Lamps, Front Turn Signal Lamps
Marker Lamps, Front Turn Signal Lamps
Marker Lamps, Front Turn Signal Lamps
G308, G310, G401, and G300
G308, G310, G401, and G300
Figure 8:

Stop Lamps


Object Number: 1566952  Size: FS
Master Electrical Component List
Exterior Lighting Systems Description and Operation
Off-Road Lighting Control
Rear Turn Signal Lamps
B+Bus
Turn Signal/Hazard Switch and Flasher Module
Tail Lamps, Rear Marker and License Lamps
G308, G310, G401, and G300
Tail Lamps, Rear Marker and License Lamps
G402, G405, and G410
Trailer Lighting Provisions
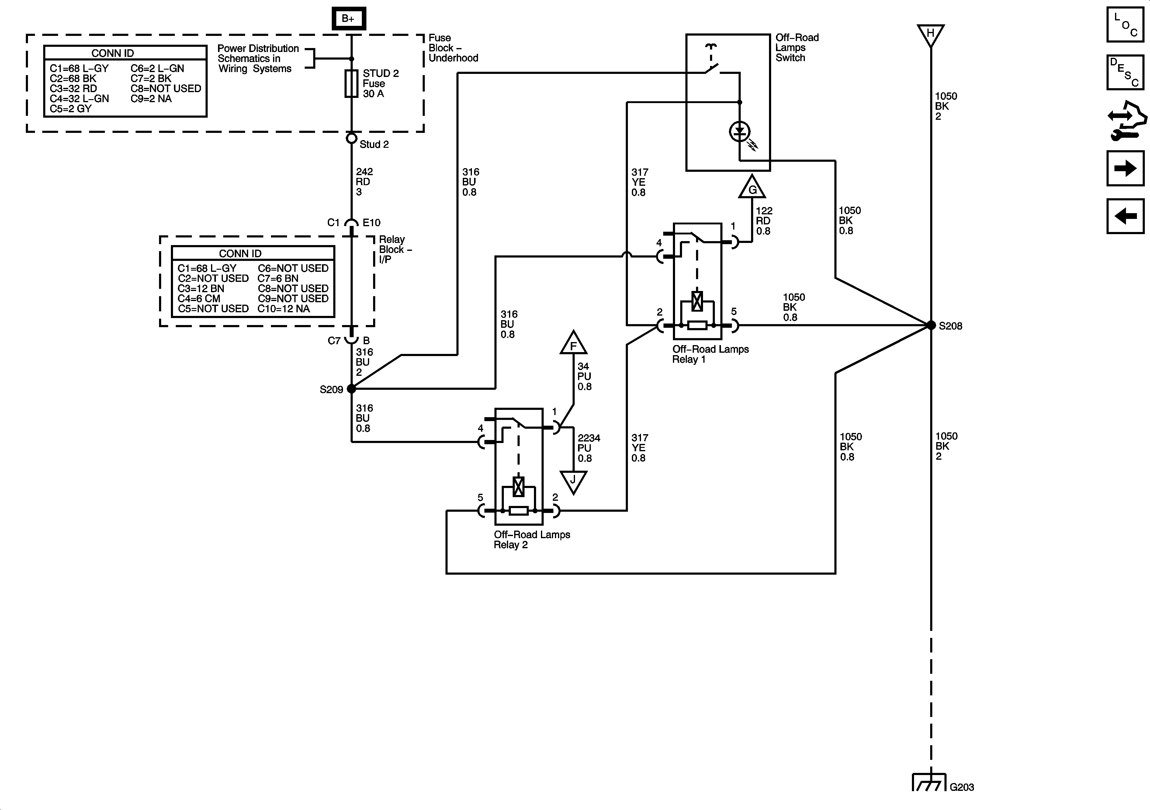
Figure 9:

Off-Road Lighting Control


Object Number: 1531607  Size: FS
Master Electrical Component List
Exterior Lighting Systems Description and Operation
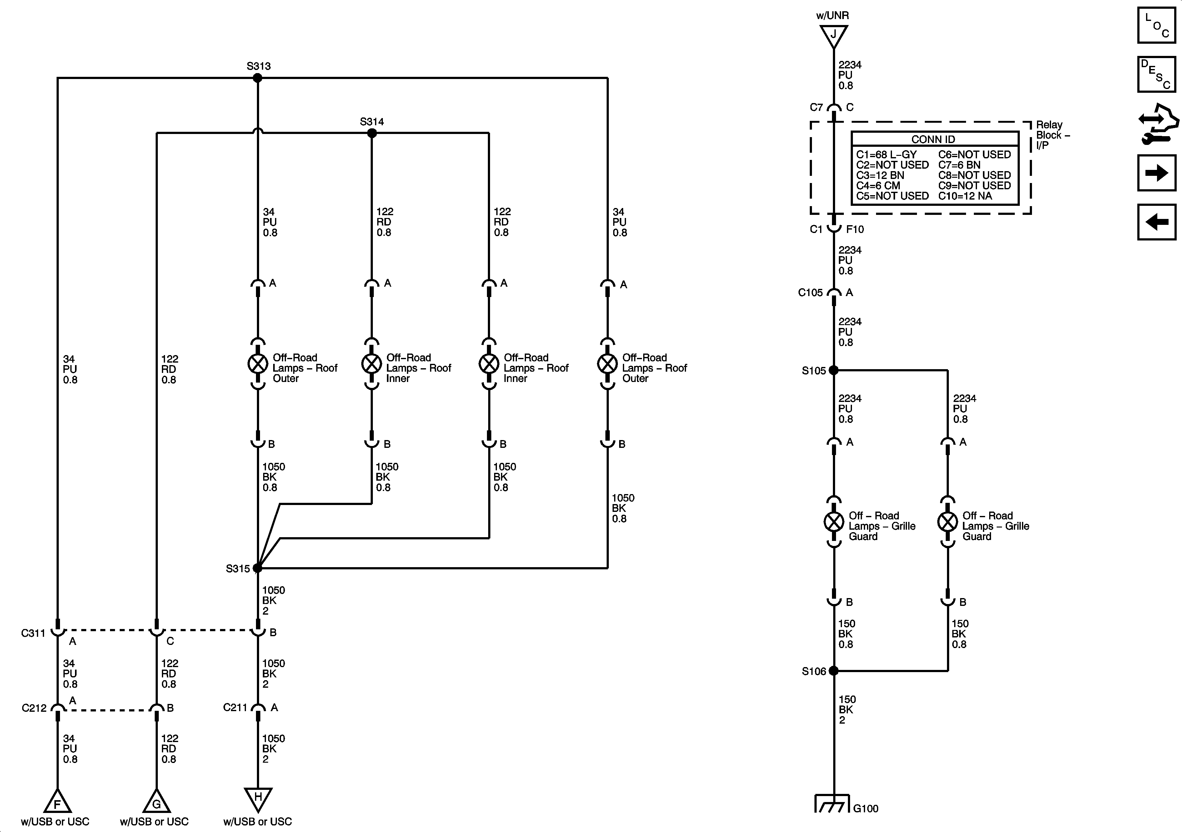
Off-Road Lights
Stop Lamps
B+Bus
Headlights /Daytime Running Lights (DRL) Schematics
Off-Road Lights
CKT 1050: G203, S302, S303, S351, and S215
Off-Road Lights
Off-Road Lights
Figure 10:

Off-Road Lights


Object Number: 1531608  Size: FS
Master Electrical Component List
Exterior Lighting Systems Description and Operation
Backup Lamps
Off-Road Lighting Control
Off-Road Lighting Control
G100
Off-Road Lighting Control
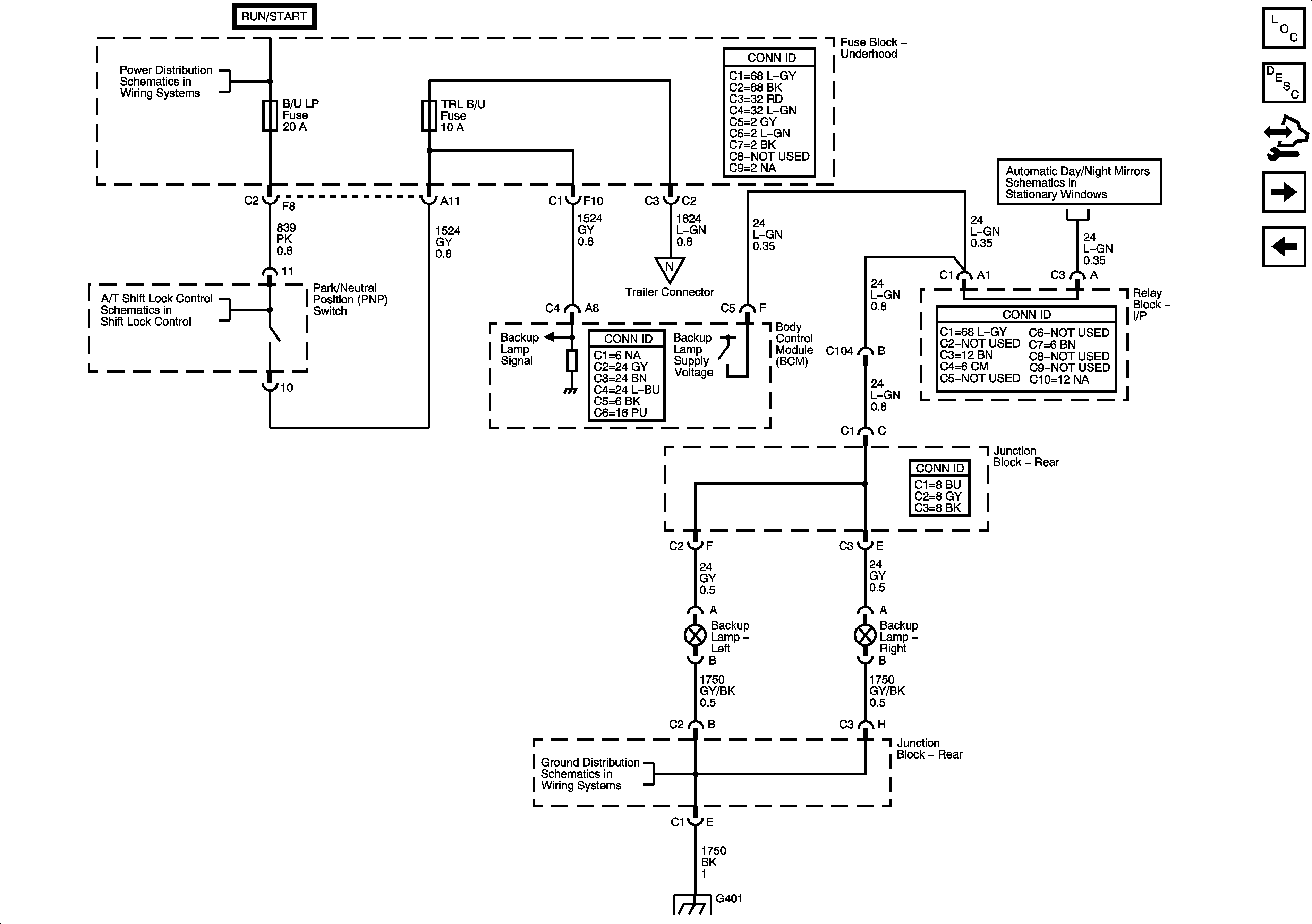
Figure 11:

Backup Lamps


Object Number: 1531610  Size: FS
Master Electrical Component List
Exterior Lighting Systems Description and Operation
Trailer Lighting Provisions
Off-Road Lights
AutomaticTransmission Shift Lock Control Schematics
B/U LP, O2A, O2B, TBC IGN 1, TRL B/U, and BTSI Fuses
Inside Rear View Mirrer Schematics
G308, G310, G401, and G300
Figure 12:

Trailer Lighting Provisions


Object Number: 1566958  Size: FS
Master Electrical Component List
Exterior Lighting Systems Description and Operation
Control Module References
Backup Lamps
FRT PARK, LR PARK, RR PARK and TRL PARK Fuses
B+ Bus
Stop Lamps
G203 - 2 of 2
G300, G310, G401 and G403
Roof Lamps
Backup Lamps
Stop Lamps