GM Service Manual Online
For 1990-2009 cars only
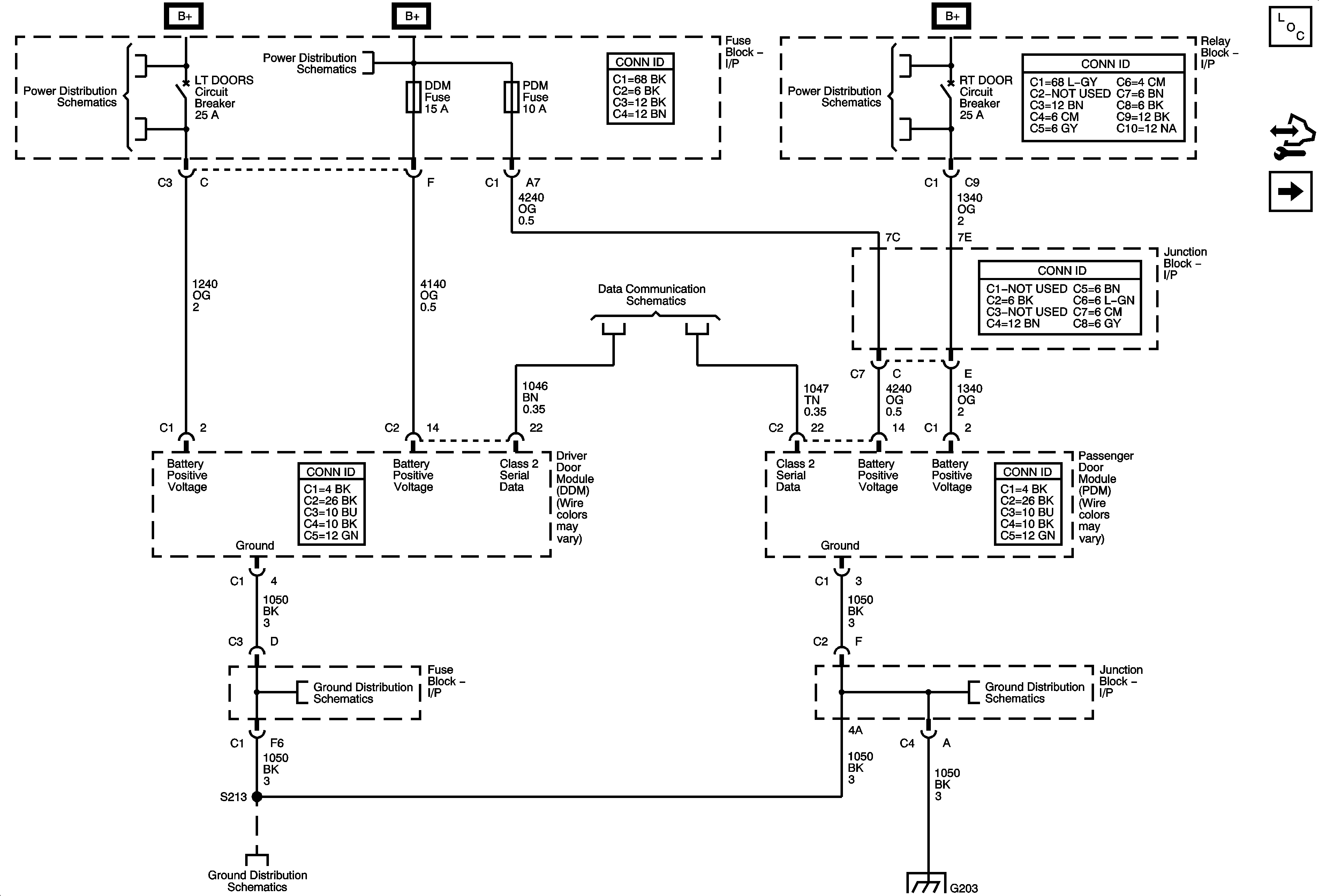
Figure 1:

Power, Ground, and Serial Data


Object Number: 1805952  Size: FS
Master Electrical Component List
Control Module References
Driver Door Module References - 1 of 2
DDM, INFO, LBEC1, LBEC2, LGATE, LOCKS, PDM, TBC 2A, TBC 2B, and TBC 2C Fuses and LEFT DOOR and MIDGATE Circuit Breakers
DDM, INFO, LBEC1, LBEC2, LGATE, LOCKS, PDM, TBC 2A, TBC 2B, and TBC 2C Fuses and LEFT DOOR and MIDGATE Circuit Breakers
Power, Ground, DLC and Splice Pack SP205
ABS, BLOWER, MBEC, STUD 1, STUD2, and VESE/ECAS Fuses and RT DOORS and SEATS Circuit Breakers
G203 - 1 of 3
G203 - 1 of 3
G203 - 2 of 3
G203 - 2 of 3
Figure 2:

Driver Door Module References 1 of 2


Object Number: 1805956  Size: FS
Master Electrical Component List
Control Module References
Driver Door Module References - 2 of 2
Power, Ground, and Serial Data
Driver and Front Passenger Door Locks and Indicator Schematics
Door Lock Schematics
Theft Deterrent Schematics
Front Door Windows
07 H2 Interior Lights Schematics - Courtesy Lamps - Front Doors, Vanity Mirrors, and I/P Compartment Lamp
Interior Lights Controls, BCM, and Door Ajar Switches
Outside Rearview Mirror Schematics
Inside Rearview Mirror Schematics
Figure 3:

Driver Door Module References 2 of 2


Object Number: 1805958  Size: FS
Master Electrical Component List
Control Module References
Passenger Door Module References - 1 of 2
Driver Door Module References - 1 of 2
Midgate Window
Front Door Windows
Instrument Panel Dimming - 5 of 5 and LED Dimming - 2 of 2
Memory Controls
Heated Driver Seat
Outside Rearview Mirror Schematics
Figure 4:

Passenger Door Module References 1 of 2


Object Number: 1805960  Size: FS
Master Electrical Component List
Control Module References
Passenger Door Module References - 2 of 2
Driver Door Module References - 2 of 2
Instrument Panel Dimming - 5 of 5 and LED Dimming - 2 of 2
07 H2 Interior Lights Schematics - Courtesy Lamps - Front Doors, Vanity Mirrors, and I/P Compartment Lamp
Interior Lights Controls, BCM, and Door Ajar Switches
Heated Passenger Seat
Outside Rearview Mirror Schematics
Figure 5:

Passenger Door Module References 2 of 2


Object Number: 1805962  Size: FS
Master Electrical Component List
Control Module References
Passenger Door Module References - 1 of 2
Door Lock Schematics
Front Door Windows
Outside Rearview Mirror Schematics