GM Service Manual Online
For 1990-2009 cars only
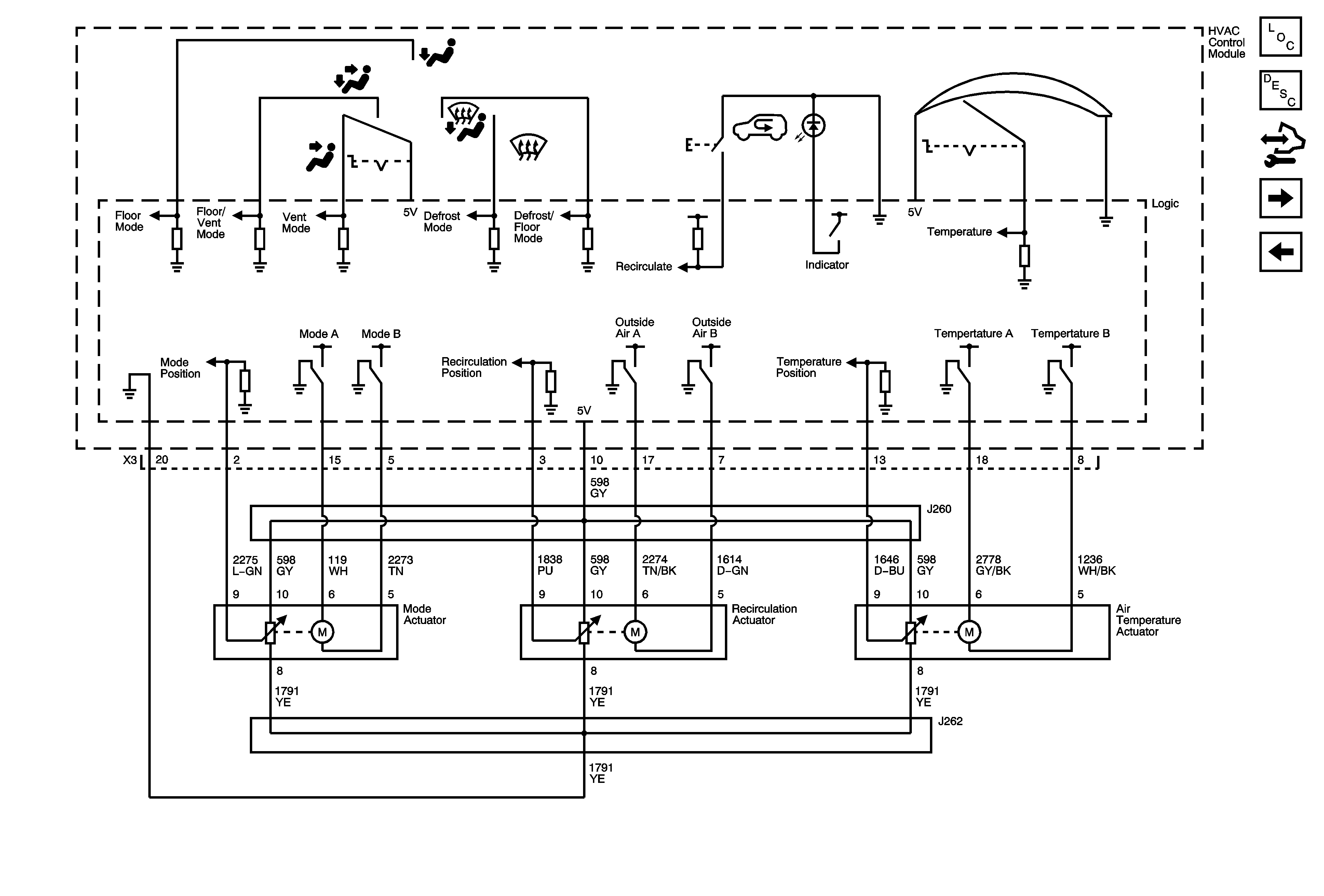
Figure 1:

Module Power and Ground, Blower Control, and Subsystem References


Object Number: 1843905  Size: FS
Master Electrical Component List
Air Delivery Description and Operation
Control Module References
Actuators
B+ Bus 1 of 2
BATT 3, DRL, DRL 2, DR/LCK, FRT/WSW, HVAC, and REAR WIPER Fuses, PWR/WNDW Circuit Breaker
Front Washers
Data Communication Schematics
Controls, I/P, and Steering Wheel LEDs
G302 1 of 3
G301 1 of 2
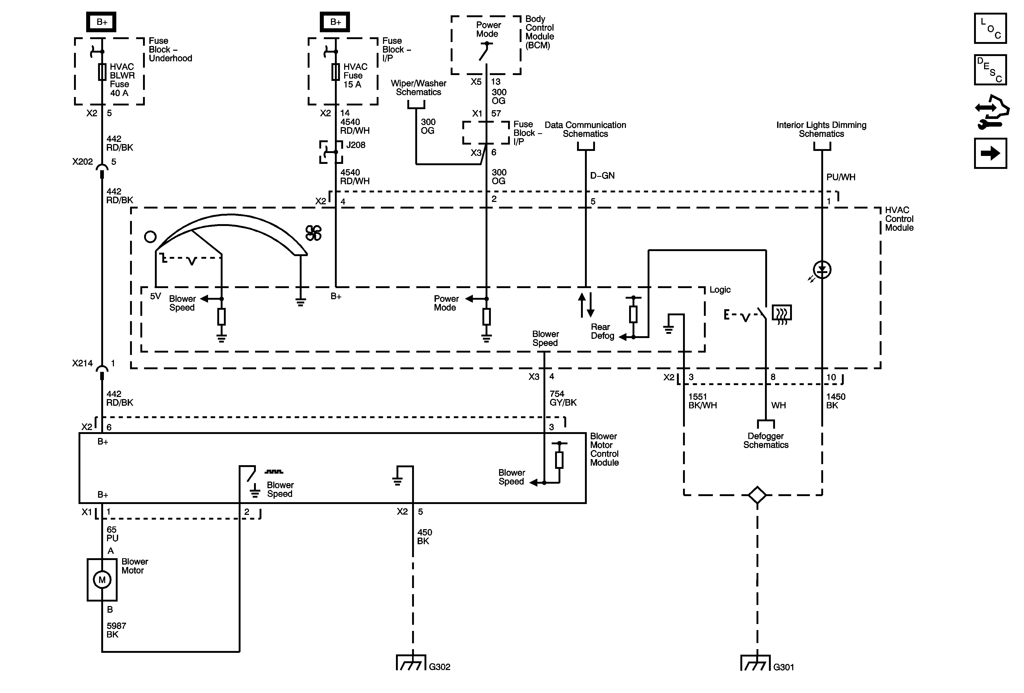
Figure 2:

Actuators


Object Number: 1843906  Size: FS
Master Electrical Component List
Air Temperature Description and Operation
Control Module References
Compressor Controls
Module Power and Ground, Blower Control, and Subsystem References
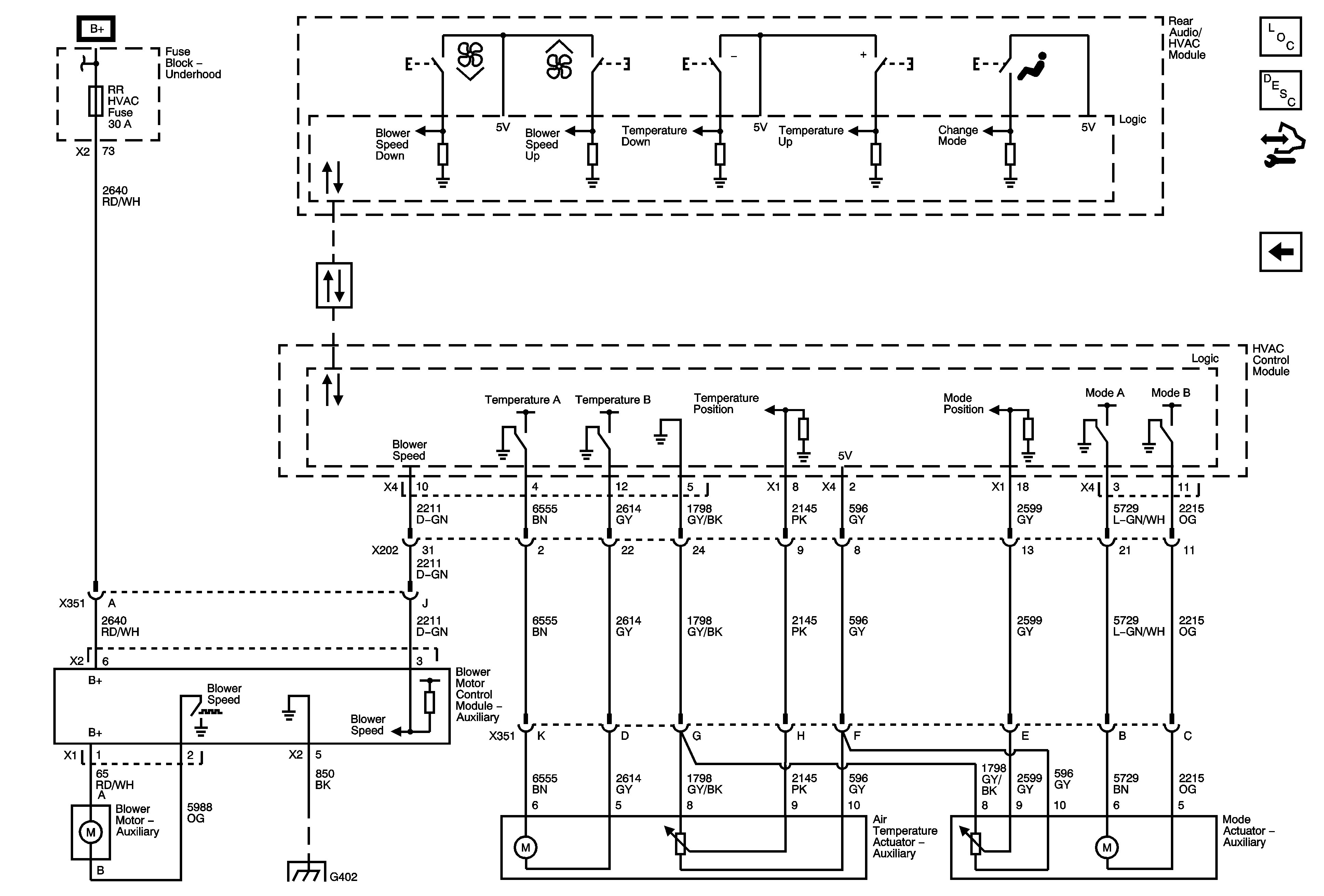
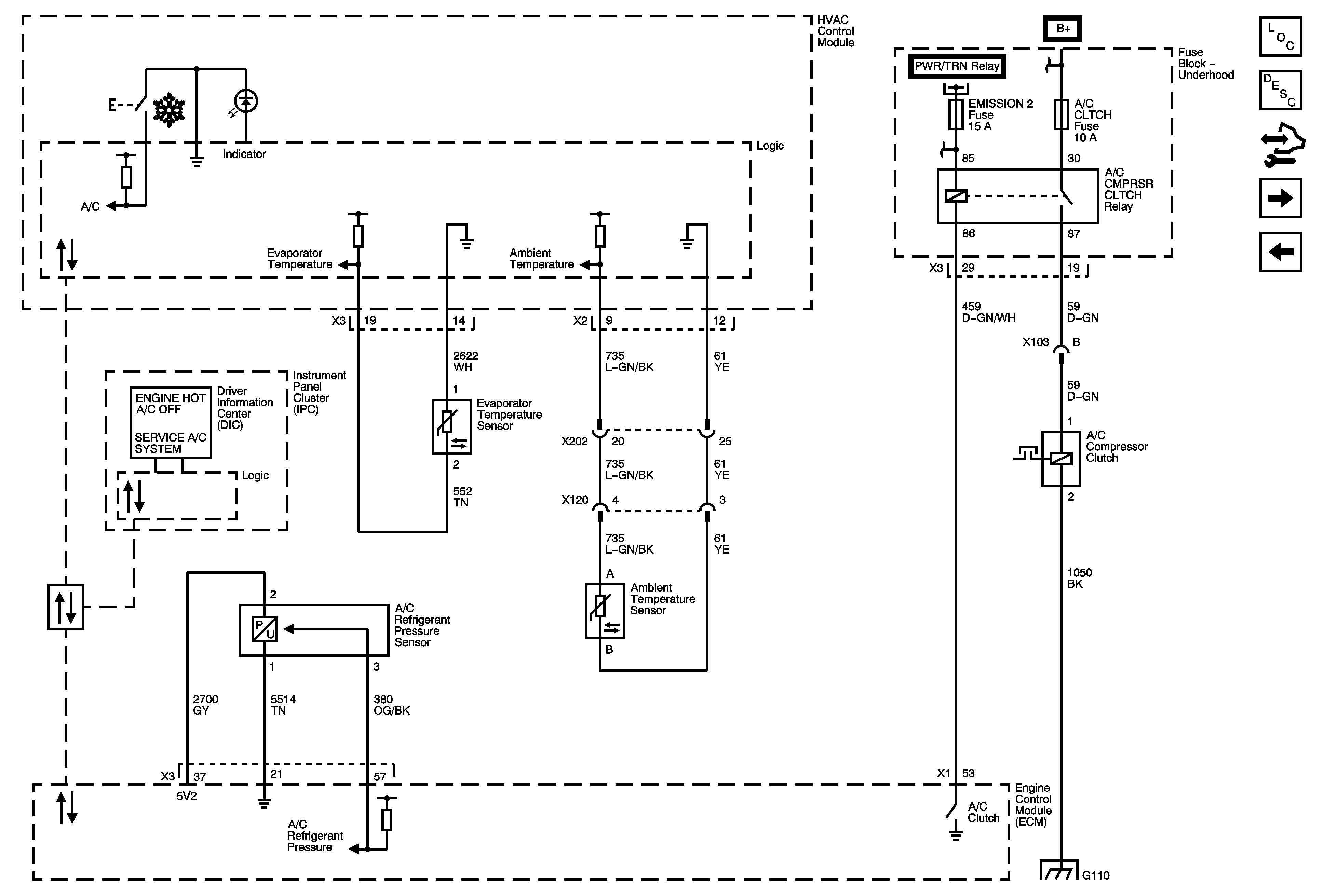
Figure 3:

Compressor Controls


Object Number: 1843907  Size: FS
Master Electrical Component List
Air Temperature Description and Operation
Control Module References
Rear HVAC without UK6
Actuators
B+ Bus 2 of 2
B+ Bus 1 of 2
Data Communication Schematics
G105 and G110
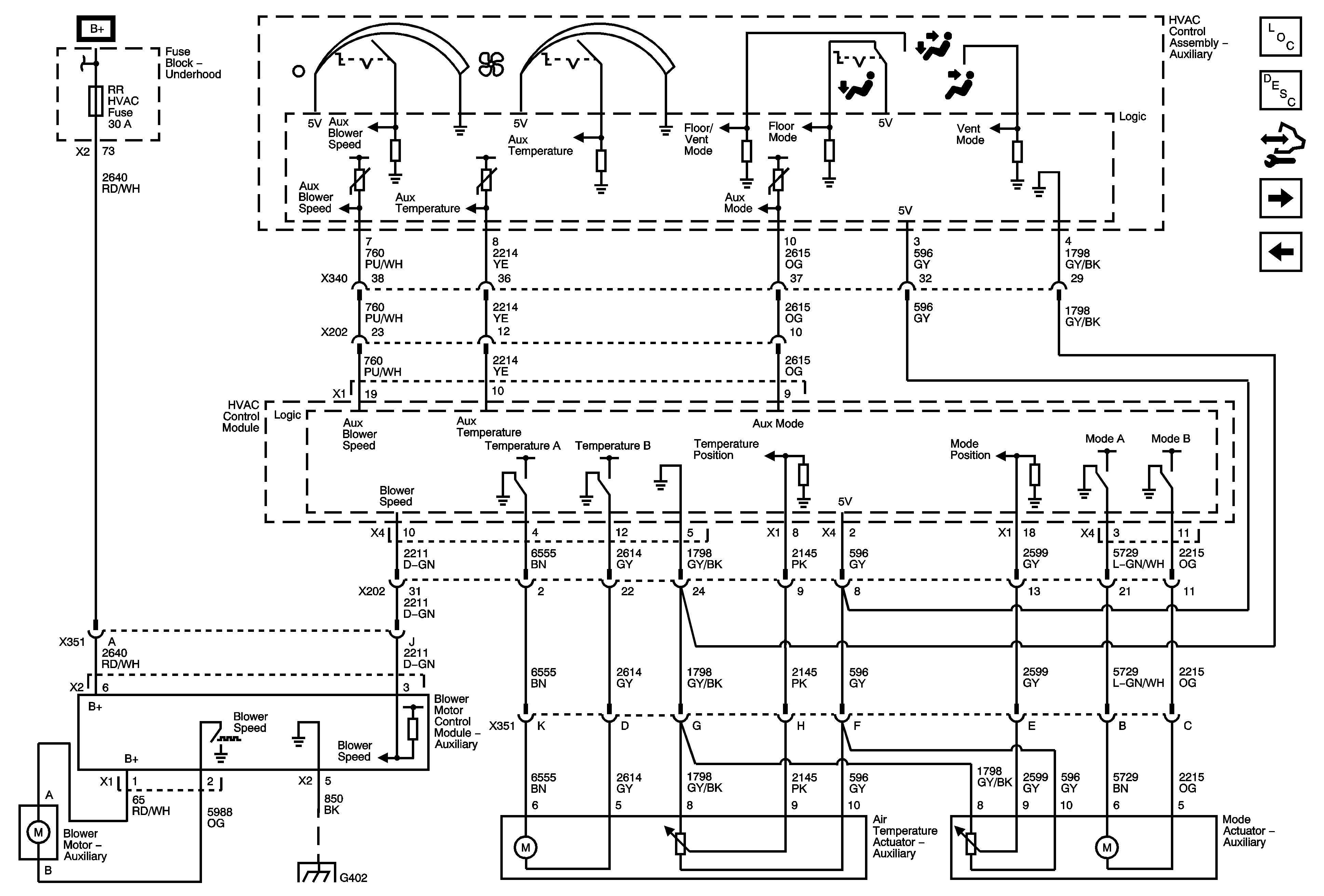
Figure 4:

Rear HVAC -UK6


Object Number: 1843908  Size: FS
Master Electrical Component List
Air Temperature Description and Operation
Control Module References
Rear HVAC with UK6
Compressor Controls
B+ Bus 1 of 2
G402 1 of 2
Figure 5:

Rear HVAC UK6


Object Number: 1843909  Size: FS
Master Electrical Component List
Air Temperature Description and Operation
Control Module References
Rear HVAC without UK6
B+ Bus 1 of 2
Data Communication Schematics
G402 1 of 2