GM Service Manual Online
For 1990-2009 cars only

Radio/Audio System Schematics Base/Uplevel Radio - UQ3/UQ5

Figure 1:

Power, Ground, Audio Signals


Object Number: 1244053  Size: FS
Master Electrical Component List
Radio/Audio System Description and Operation
Speakers
B+ Bus - 1 of 2
4WS, RADIO, RADIO AMP Fuses
G203 - 2 of 3
G203 - 1 of 3
SP205 - 2 of 2
Figure 2:

Speakers


Object Number: 1244056  Size: FS
Master Electrical Component List
Radio/Audio System Description and Operation
Digital Radio Receiver - w/ U2K/U2L
Power, Ground, Audio Signals
Figure 3:

Digital Radio Receiver - w/ U2K/U2L


Object Number: 1244057  Size: FS
Master Electrical Component List
Radio/Audio System Description and Operation
Speakers
B+ Bus - 1 of 2
4WS, RADIO, RADIO AMP Fuses
G203 - 1 of 3
G203 - 1 of 3
SP207

Radio/Audio System Schematics Radio - UQ7 w/o Y91 - non Class 2 Amp

Figure 1:

Power, Ground, Audio Signals - 1 of 2


Object Number: 1244088  Size: FS
Master Electrical Component List
Radio/Audio System Description and Operation
Power, Ground, Audio Signals - 2 of 2
B+ Bus - 1 of 2
4WS, RADIO, RADIO AMP Fuses
G203 - 2 of 3
G203 - 1 of 3
G203 - 1 of 3
SP205 - 2 of 2
Figure 2:

Power, Ground, Audio Signals - 2 of 2


Object Number: 1244090  Size: FS
Master Electrical Component List
Radio/Audio System Description and Operation
04 GMT80Amplifier Power, Ground, Inputs - w/o RSA
Power, Ground, Audio Signals - 1 of 2
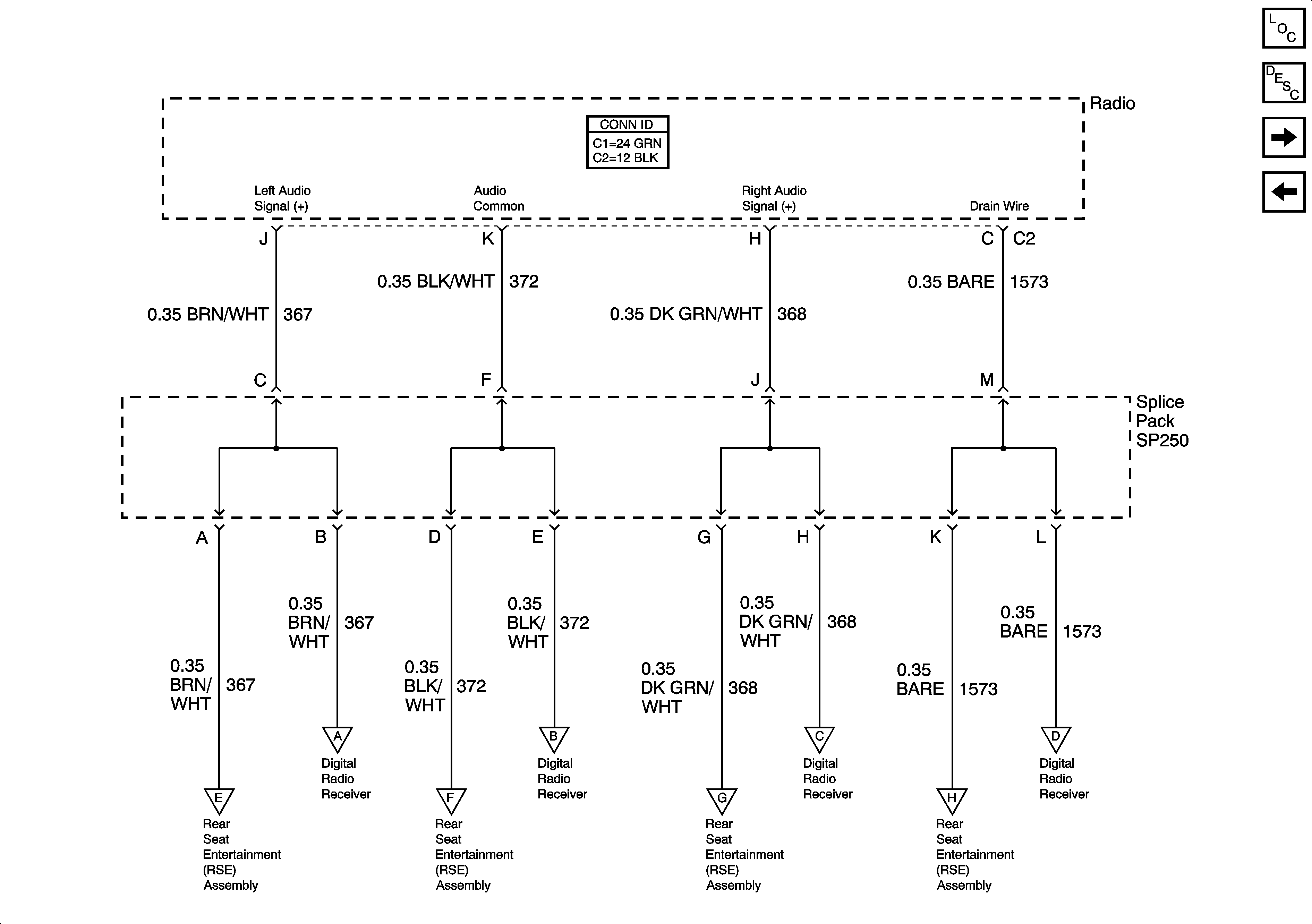
Rear Seat Entertainment - w/ U42
Digital Radio Receiver - w/ U2K/U2L
Rear Seat Entertainment - w/ U42
Digital Radio Receiver - w/ U2K/U2L
Rear Seat Entertainment - w/ U42
Digital Radio Receiver - w/ U2K/U2L
Rear Seat Entertainment - w/ U42
Digital Radio Receiver - w/ U2K/U2L
Figure 3:

Amplifier Power, Ground, Inputs - w/o RSA


Object Number: 1244092  Size: FS
Master Electrical Component List
Radio/Audio System Description and Operation
Amplifier, RSA Inputs - w/ RSA
Power, Ground, Audio Signals - 2 of 2
B+ Bus - 1 of 2
G203 - 1 of 3
G203 - 1 of 3
G203 - 1 of 3
Figure 4:

Amplifer, RSA Inputs - w/ RSA


Object Number: 1244099  Size: FS
Master Electrical Component List
Radio/Audio System Description and Operation
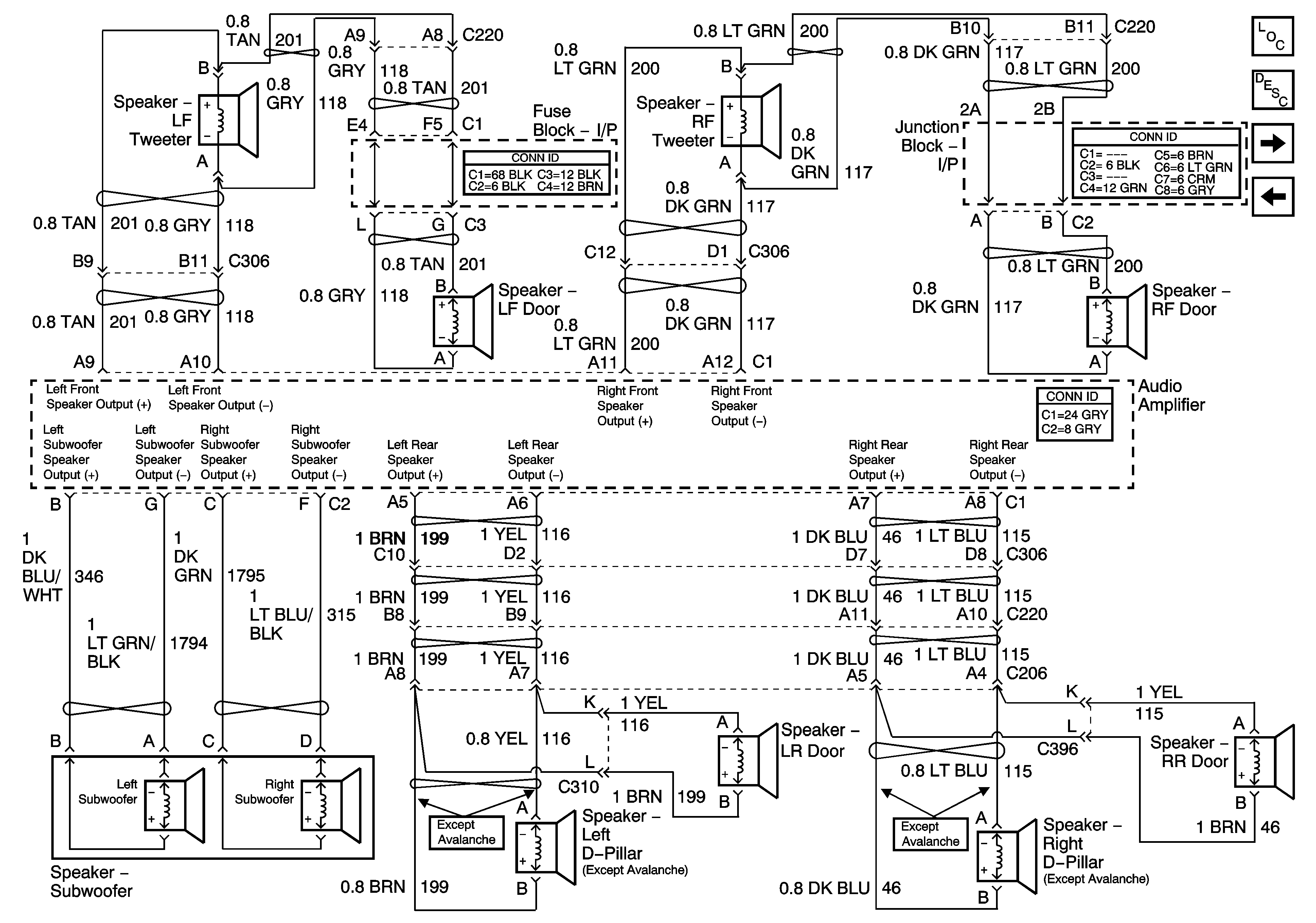
Speakers
04 GMT80Amplifier Power, Ground, Inputs - w/o RSA
B+ Bus - 1 of 2
SP207
4WS, RADIO, RADIO AMP Fuses
G203 - 1 of 3
G203 - 1 of 3
Figure 5:

Speakers


Object Number: 1244171  Size: FS
Master Electrical Component List
Radio/Audio System Description and Operation
Digital Radio Receiver - w/ U2K/U2L
Amplifier, RSA Inputs - w/ RSA
Figure 6:

Digital Radio Receiver - w/ U2K/U2L


Object Number: 1244173  Size: FS
Master Electrical Component List
Radio/Audio System Description and Operation
Rear Seat Entertainment - w/ U42
Speakers
B+ Bus - 1 of 2
4WS, RADIO, RADIO AMP Fuses
Power, Ground, Audio Signals - 2 of 2
Power, Ground, Audio Signals - 2 of 2
Power, Ground, Audio Signals - 2 of 2
Power, Ground, Audio Signals - 2 of 2
G203 - 1 of 3
G203 - 1 of 3
SP207
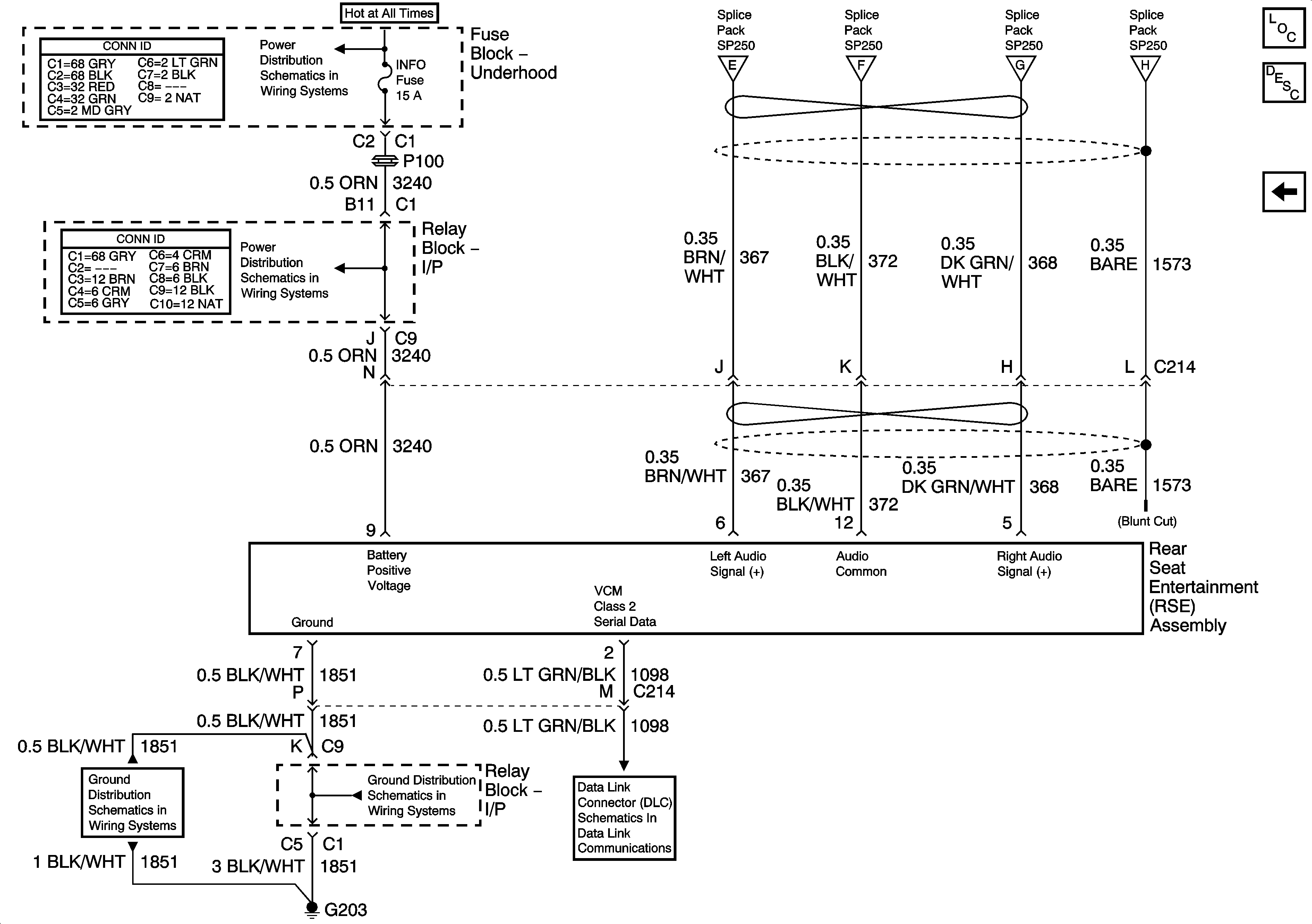
Figure 7:

Rear Seat Entertainment - w/ U42


Object Number: 1244175  Size: FS
Master Electrical Component List
Radio/Audio System Description and Operation
Digital Radio Receiver - w/ U2K/U2L
B+ Bus - 1 of 2
INFO, CIG LTR Fuses
Power, Ground, Audio Signals - 2 of 2
Power, Ground, Audio Signals - 2 of 2
Power, Ground, Audio Signals - 2 of 2
Power, Ground, Audio Signals - 2 of 2
G203 - 1 of 3
G203 - 1 of 3
SP207

Radio/Audio System Schematics Lux Radio - UQ7 w/ Y91 - Class 2 Amp

Figure 1:

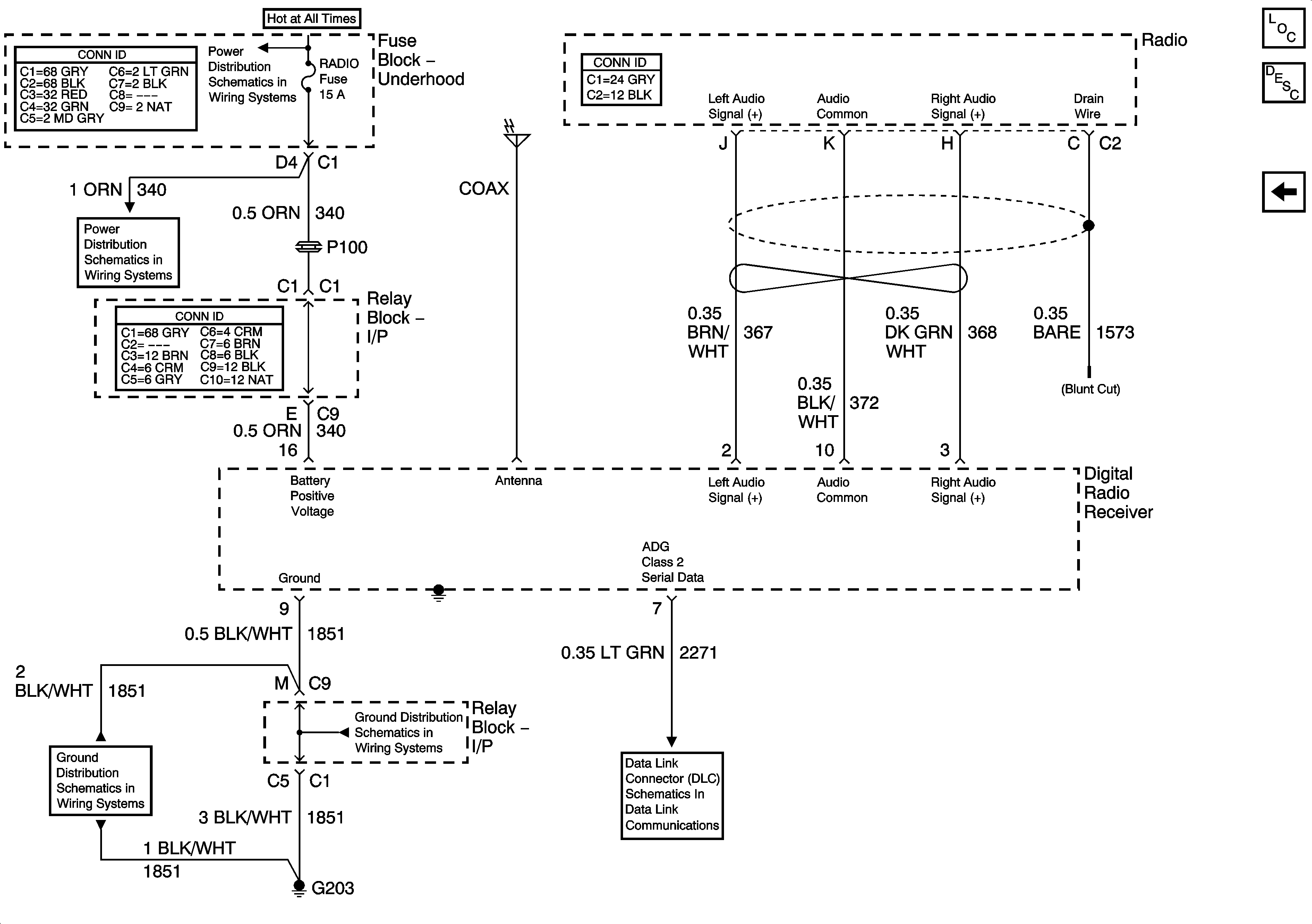
Radio Power, Ground, Audio Signals


Object Number: 1244439  Size: FS
Master Electrical Component List
Radio/Audio System Description and Operation
Audio Signals - 1 of 2
B+ Bus - 1 of 2
Remote CD Player - w/ U1S
Amplifier, RSA Power, Ground, Subsystems
Antenna Module
G203 - 2 of 3
SP205 - 2 of 2
G203 - 1 of 3
G203 - 1 of 3
Figure 2:

Audio Signals - 1 of 2


Object Number: 1244444  Size: FS
Master Electrical Component List
Radio/Audio System Description and Operation
Audio Signals - 2 of 2
Radio Power, Ground, Audio Signals
Figure 3:

Audio Signals - 2 of 2


Object Number: 1244450  Size: FS
Master Electrical Component List
Radio/Audio System Description and Operation
Amplifier, RSA Power, Ground, Subsystems
Audio Signals - 1 of 2
Remote CD Player - w/ U1S
Digital Radio Receiver - w/ U2K/U2L
Remote CD Player - w/ U1S
Digital Radio Receiver - w/ U2K/U2L
Remote CD Player - w/ U1S
Digital Radio Receiver - w/ U2K/U2L
Remote CD Player - w/ U1S
Digital Radio Receiver - w/ U2K/U2L
Rear Seat Entertainment - w/ U42
Rear Seat Entertainment - w/ U42
Rear Seat Entertainment - w/ U42
Rear Seat Entertainment - w/ U42
Figure 4:

Amplifier, RSA Power, Ground, Subsystems


Object Number: 1244454  Size: FS
Master Electrical Component List
Radio/Audio System Description and Operation
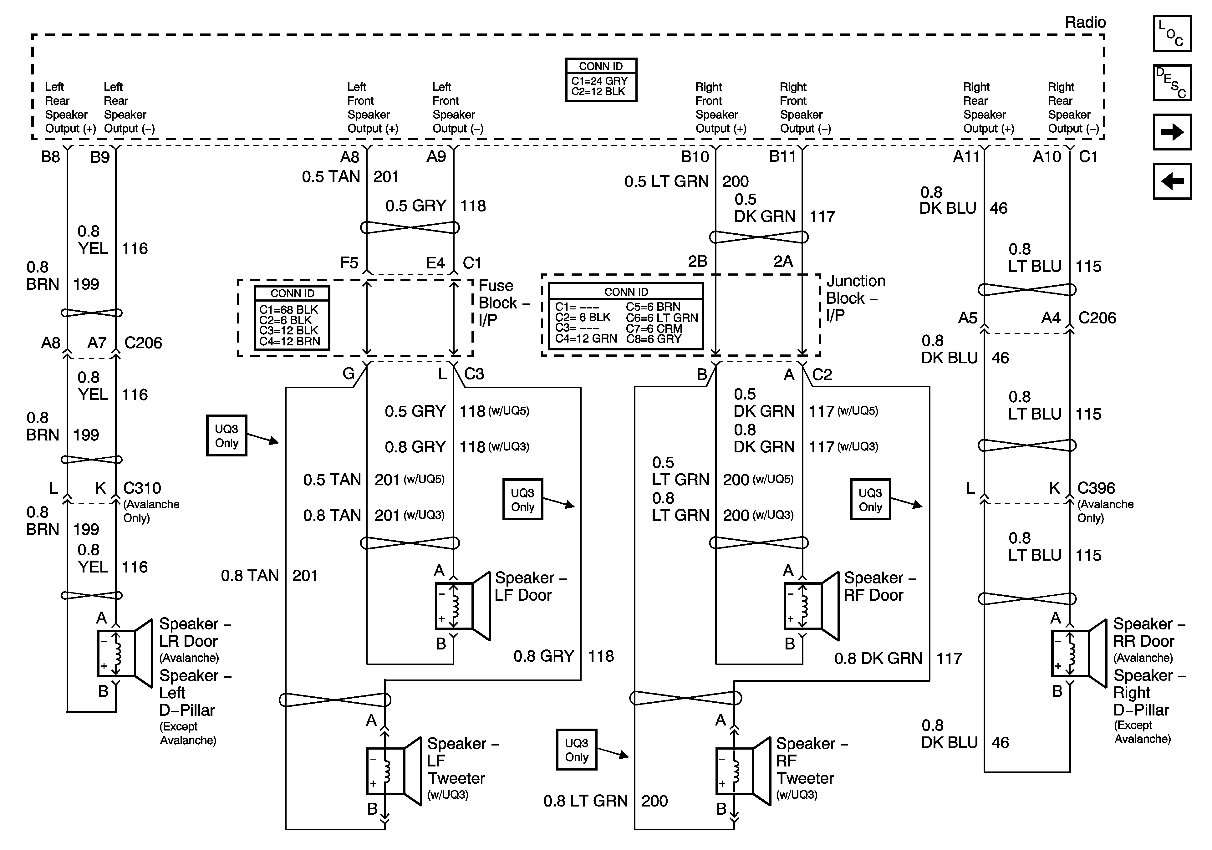
Speakers
Audio Signals - 2 of 2
B+ Bus - 1 of 2
SP207
Radio Power, Ground, Audio Signals
G203 - 1 of 3
G203 - 1 of 3
Figure 5:

Speakers


Object Number: 1244457  Size: FS
Master Electrical Component List
Radio/Audio System Description and Operation
Remote CD Player - w/ U1S
Amplifier, RSA Power, Ground, Subsystems
Figure 6:

Remote CD Player - w/ U1S


Object Number: 1244463  Size: FS
Master Electrical Component List
Radio/Audio System Description and Operation
Digital Radio Receiver - w/ U2K/U2L
Speakers
B+ Bus - 1 of 2
INFO, CIG LTR Fuses
Audio Signals - 2 of 2
Audio Signals - 2 of 2
Audio Signals - 2 of 2
Audio Signals - 2 of 2
G203 - 1 of 3
G203 - 1 of 3
SP207
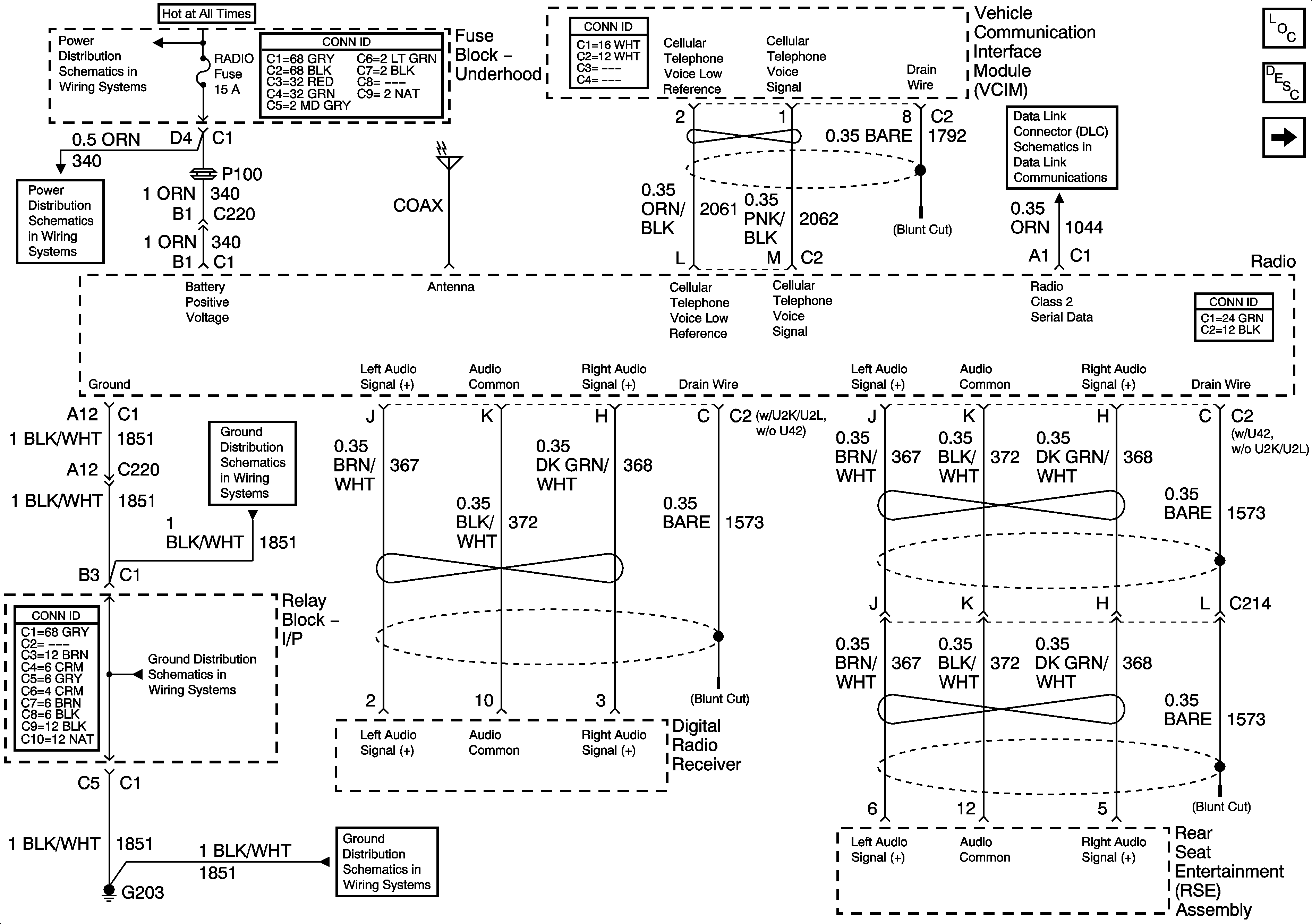
Figure 7:

Digital Radio Receiver - w/ U2K/U2L


Object Number: 1244467  Size: FS
Master Electrical Component List
Radio/Audio System Description and Operation
Rear Seat Entertainment - w/ U42
Remote CD Player - w/ U1S
Radio Power, Ground, Audio Signals
Audio Signals - 2 of 2
Audio Signals - 2 of 2
Audio Signals - 2 of 2
Audio Signals - 2 of 2
G203 - 2 of 3
G203 - 1 of 3
G203 - 1 of 3
SP207
Figure 8:

Rear Seat Entertainment - w/ U42


Object Number: 1244468  Size: FS
Master Electrical Component List
Radio/Audio System Description and Operation
Antenna Module
Digital Radio Receiver - w/ U2K/U2L
B+ Bus - 1 of 2
Audio Signals - 2 of 2
Audio Signals - 2 of 2
Audio Signals - 2 of 2
Audio Signals - 2 of 2
INFO, CIG LTR Fuses
G203 - 1 of 3
G203 - 1 of 3
SP207
Figure 9:

Antenna Module


Object Number: 1244470  Size: FS
Master Electrical Component List
Radio/Audio System Description and Operation
Rear Seat Entertainment - w/ U42
Radio Power, Ground, Audio Signals