GM Service Manual Online
For 1990-2009 cars only
Figure 1:

Power, Ground, Serial Data, and Front Blower Controls


Object Number: 1463743  Size: FS
Master Electrical Component List
Air Delivery Description and Operation
Control Module References
Mode and Recirculation Controls, Front Defrost and Rear Defog Controls
BRAKE, CRUISE, IGN 2, HTR/AC, HVAC 1, and 4WD Fuses
Mode and Recirculation Controls, Front Defrost and Rear Defog Controls
BLOWER, FLASH, HVAC/ECAS, LBEC 1, RR DEFOG, RR HVAC, TBC 2A, TBC 2B, and TBC 2C Fuses, and LT DOOR Breaker
G200 - 1 of 3
Power, Ground, DLC, and Splice Pack SP205
G203 - 1 of 3
Figure 2:

Mode and Recirculation Controls, Front Defrost and Rear Fefog Controls


Object Number: 1463744  Size: FS
Master Electrical Component List
Air Delivery Description and Operation
Control Module References
Temperature Controls and Sunload Sensors
Power, Ground, Serial Data, and Front Blower Controls
Power, Ground, DLC, and Splice Pack SP205
Power, Ground, Serial Data, and Front Blower Controls
Temperature Controls and Sunload Sensors
Temperature Controls and Sunload Sensors
Figure 3:

Temperature Controls and Sunload Sensors


Object Number: 1463745  Size: FS
Master Electrical Component List
Air Temperature Description and Operation
Control Module References
Air Temperature Sensors
Mode and Recirculation Controls, Front Defrost and Rear Defog Controls
Mode and Recirculation Controls, Front Defrost and Rear Defog Controls
Mode and Recirculation Controls, Front Defrost and Rear Defog Controls
Mode and Recirculation Controls, Front Defrost and Rear Defog Controls
Power, Ground, DLC, and Splice Pack SP205
Headlights/DRL Controls
Mode and Recirculation Controls, Front Defrost and Rear Defog Controls
Mode and Recirculation Controls, Front Defrost and Rear Defog Controls
Figure 4:

Air Temperature Sensors


Object Number: 1463747  Size: FS
Master Electrical Component List
Air Temperature Description and Operation
Control Module References
Auxiliary HVAC Controls, Long Wheelbase - 1 of 2
Temperature Controls and Sunload Sensors
G200 - 3 of 3 - S345
G200 - 3 of 3 - S345
G200 - 3 of 3 - S345
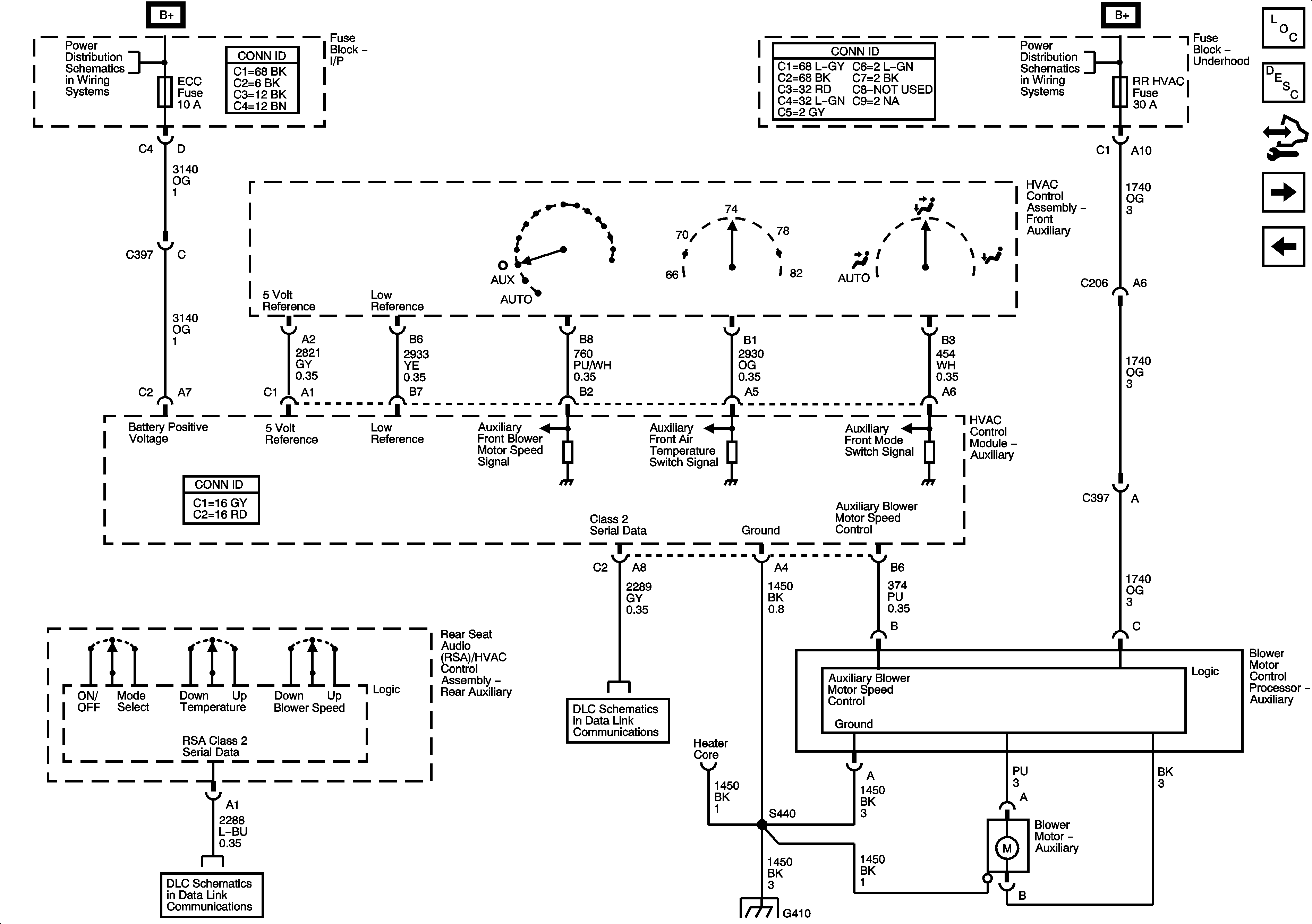
Figure 5:

Auxiliary HVAC Controls, Long Wheelbase -- 1 of 2


Object Number: 1463751  Size: FS
Master Electrical Component List
Air Delivery Description and Operation
Control Module References
Auxiliary HVAC Controls, Long Wheelbase - 2 of 2
Air Temperature Sensors
AUX PWR, AUX PWR 2, DDM, ECC, LBEC 2, LOCKS, PCM B, and PDM Fuses
BLOWER, FLASH, HVAC/ECAS, LBEC 1, RR DEFOG, RR HVAC, TBC 2A, TBC 2B, and TBC 2C Fuses, and LT DOOR Breaker
G410 - 2 of 3 Auxiliary HVAC, Long Wheelbase
Splice Pack SP206
Splice Pack SP207
Figure 6:

Auxiliary HVAC Controls -- Mode and Air Temperature Controls


Object Number: 1463752  Size: FS
Master Electrical Component List
Air Temperature Description and Operation
Control Module References
Auxiliary HVAC Controls, Short Wheelbase - 1of 2
Auxiliary HVAC Controls, Long Wheelbase - 1 of 2
IGN 3 Fuse - 1 of 2
Splice Pack SP206
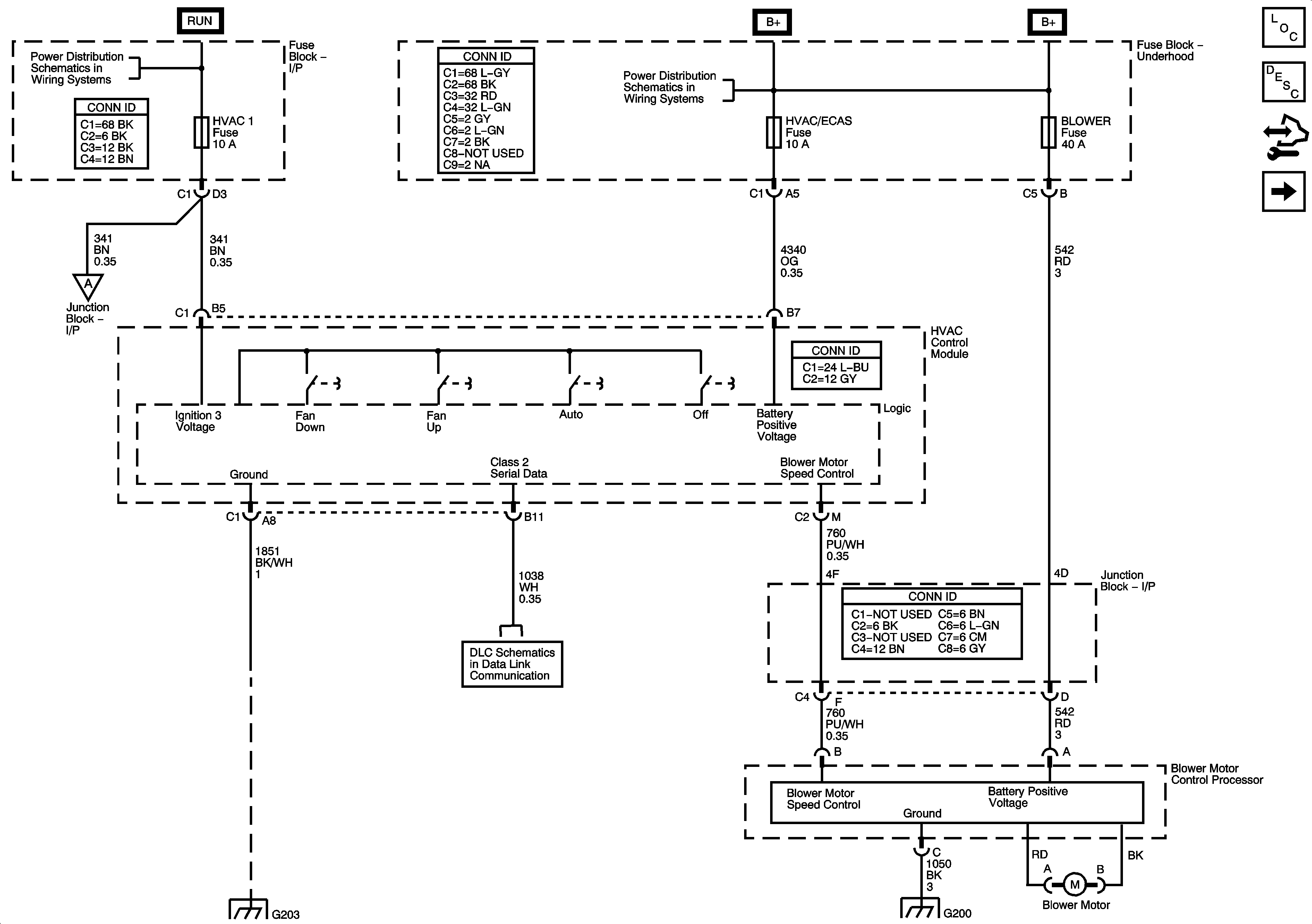
Figure 7:

Auxiliary HVAC Controls, Short Wheelbase -- 1 of 2


Object Number: 1583163  Size: FS
Master Electrical Component List
Air Delivery Description and Operation
Control Module References
Auxiliary HVAC Controls, Short Wheelbase - 2of 2
Auxiliary HVAC Controls, Long Wheelbase - 2 of 2
AUX PWR, AUX PWR 2, DDM, ECC, LBEC 2, LOCKS, PCM B, and PDM Fuses
BLOWER, FLASH, HVAC/ECAS, LBEC 1, RR DEFOG, RR HVAC, TBC 2A, TBC 2B, and TBC 2C Fuses, and LT DOOR Breaker
G410 3 of 3 Aux. HVAC Short Wheelbase
Splice Pack SP206
Splice Pack SP207
Figure 8:

Auxiliary HVAC Controls, Short Wheelbase -- 2 of 2


Object Number: 1583167  Size: FS
Master Electrical Component List
Air Temperature Description and Operation
Control Module References
Auxiliary HVAC - Air Temperature Sensors
Auxiliary HVAC Controls, Short Wheelbase - 1of 2
IGN 3 Fuse - 1 of 2
Splice Pack SP206
Figure 9:

Auxiliary HVAC Controls -- Air Temperature Sensors


Object Number: 1463755  Size: FS
Master Electrical Component List
Air Temperature Description and Operation
Control Module References
A/C Compressor Control
Auxiliary HVAC Controls, Short Wheelbase - 2of 2
G200 - 3 of 3 - S345
Figure 10:

A/C Compressor Controls


Object Number: 1463703  Size: FS
Master Electrical Component List
Air Temperature Description and Operation
Control Module References
Auxiliary HVAC - Air Temperature Sensors
B+ Bus - 1 of 2
IGN E and SIR Fuses
Power, Ground, DLC, and Splice Pack SP205
G104 and G107