GM Service Manual Online
For 1990-2009 cars only
Figure 1:

Power, Ground, and DLC


Object Number: 1899940  Size: FS
Master Electrical Component List
Body Control System Description and Operation
Control Module References
Headlights/DRL, and Exterior Lights References
Fuse Block - Underhood Bussing
BATT5, TILT/TELE SW/MEM SEAT MOD, ACCA/DRIV DR SW, IGN SW/INTR SENSR, ONSTAR, and PRK BRK SOLA Fuses
CLSTR/HUD, DECK LID CLOSE/PARK/BRK B, DR LOCKS, INTERIOR LIGHTS, HVAC/PWR SND, ISRVM/HVAC, TUTD SW STRG COL SW Fuses, and RUN/CRANK Relay
Power, Ground, and Class 2
Ignition Mode Switch
G104, and G106
G202
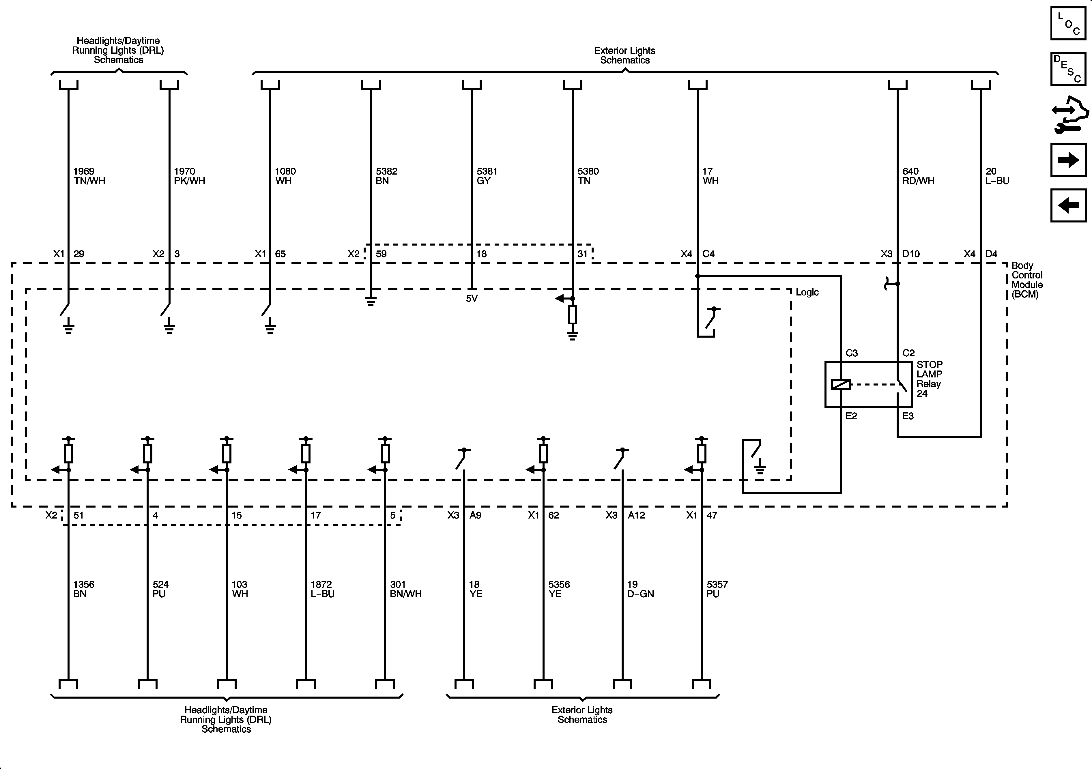
Figure 2:

Headlights/DRL and Exterior Lights References 1 of 2


Object Number: 1899942  Size: FS
Master Electrical Component List
Body Control System Description and Operation
Control Module References
Exterior Lights Continued, Interior Lights, and Fog Lights References
Power, Ground, and DLC
Headlamp/DRL Control
Switches
Headlamp/DRL Control
Tail Lamps
Figure 3:

Exterior Lights 2 of 2, Interior Lights, and Fog Lights References


Object Number: 1899945  Size: FS
Master Electrical Component List
Body Control System Description and Operation
Control Module References
Other Subsystem References
Headlights/DRL, and Exterior Lights References
Park Lamps
Lamp Controls and Courtesy, Underhood, I/P Compartment, Vanity Mirrors, Inside Rearview Mirror Lamps
Front Fog Lamps
Driver Controls
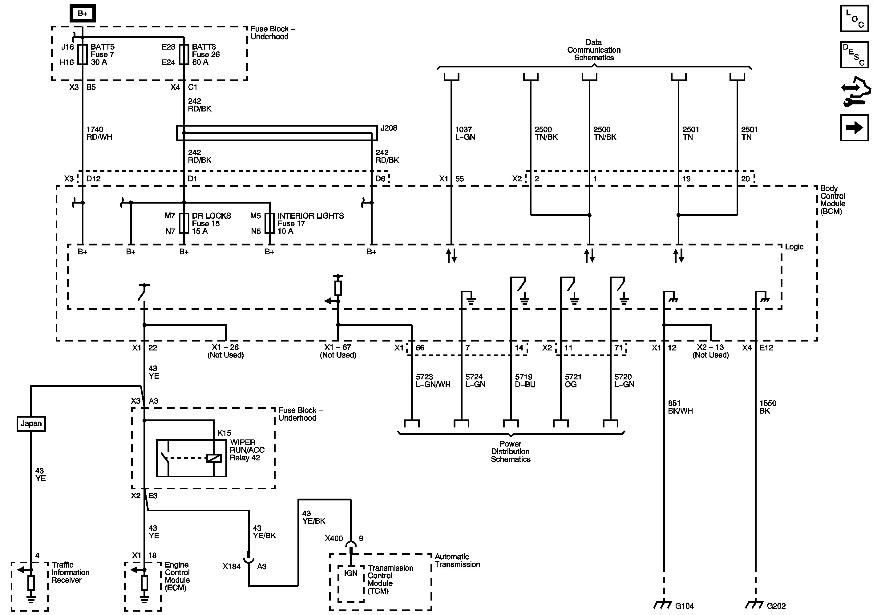
Figure 4:

Other Subsystem References


Object Number: 1899947  Size: FS
Master Electrical Component List
Body Control System Description and Operation
Control Module References
Exterior Lights Continued, Interior Lights, and Fog Lights References
Actuators and Handle Switches
Theft Deterrent System Schematics
Wiper Switch, Washers, and Outside Moisture Sensor
Power Moding Schematics
Column Lock Schematics
Horn Schematics
Fuel Door, and Rear Compartment Lid Release
Object Detection Schematics
Power, Ground, Indicators, and Brake Pressure Modulator Valve
Power, Ground, and Wiper Motor
Theft Deterrent System Schematics
Park Brake System Schematics
Indicators, Messages, and Ajar/Open/Lock Switches