GM Service Manual Online
For 1990-2009 cars only
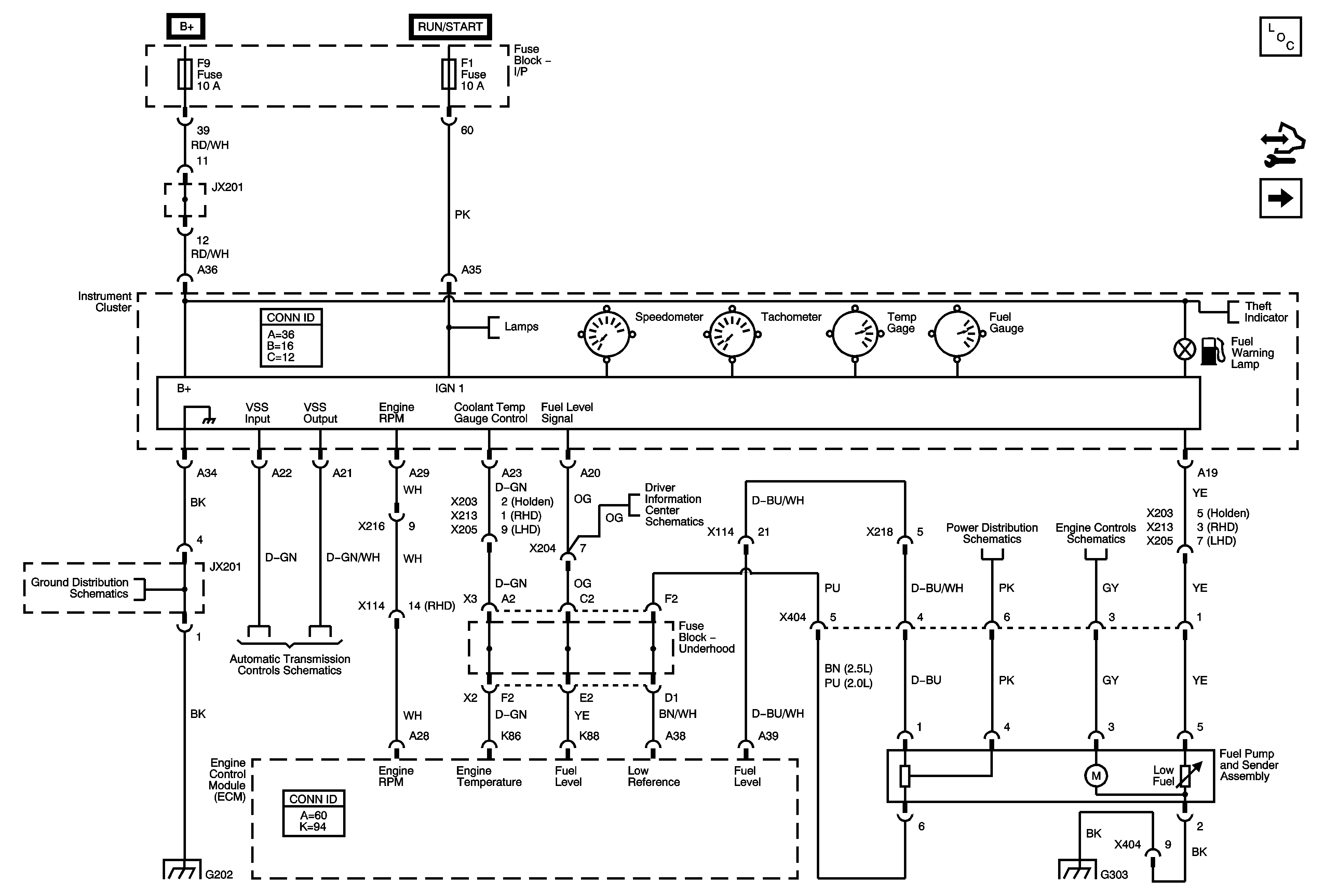
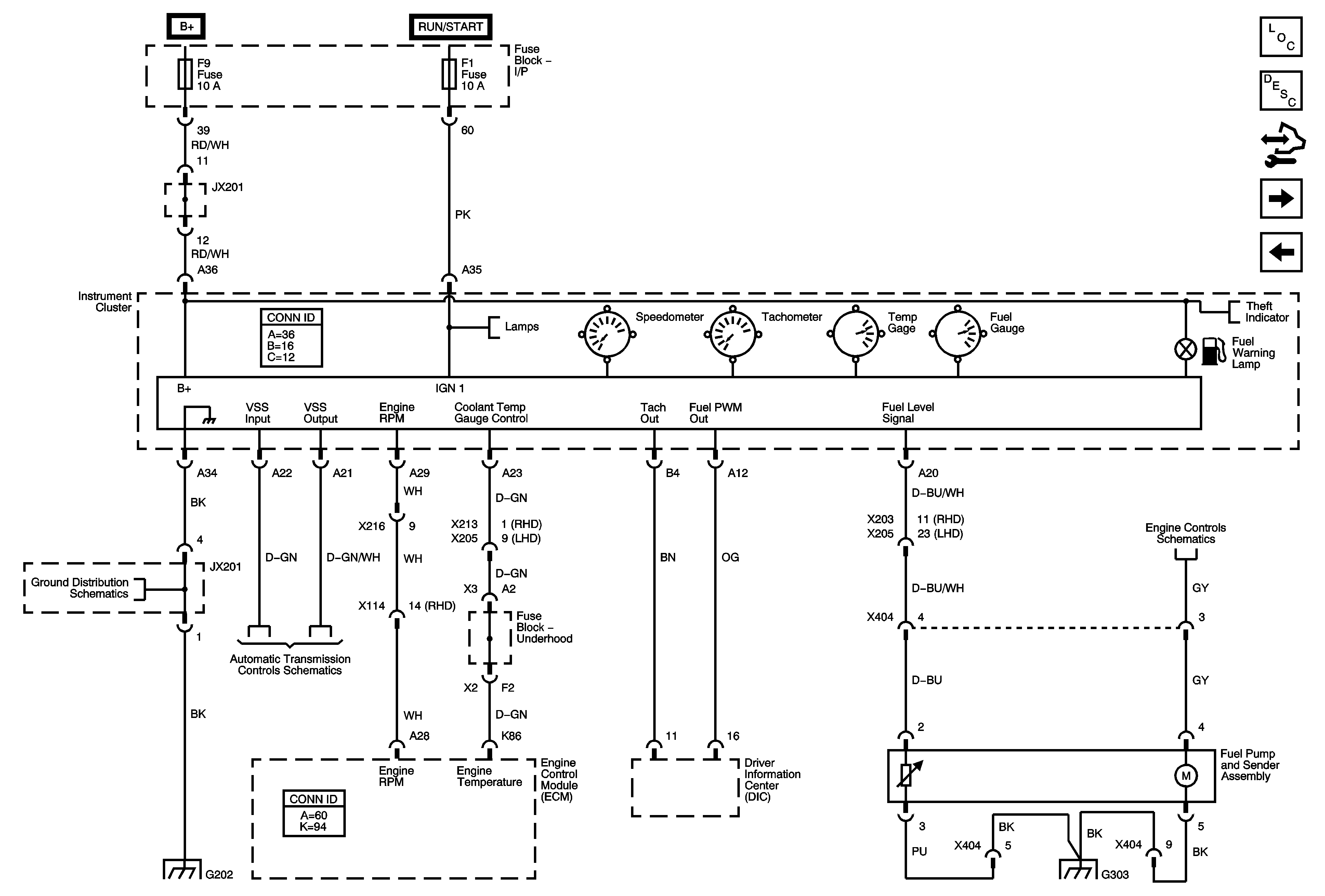
Figure 1:

Power, Ground, and Gages


Object Number: 1861257  Size: FS
Master Electrical Component List
Control Module References
Gages Power and Ground - Diesel
G101, G106, G107
Driver Information Center
Alternator, EF1, EF3, EF5, EF18, EF19, EF27, EF30, EF33 Fuses
Engine Control Module, Power and Ground, Serial Data, Malfunction Indicator Lamp
Transmission Control Module (TCM) Power, Ground, Serial Data, Hold Mode Indicator Control
G202 (1 of 2)
G303
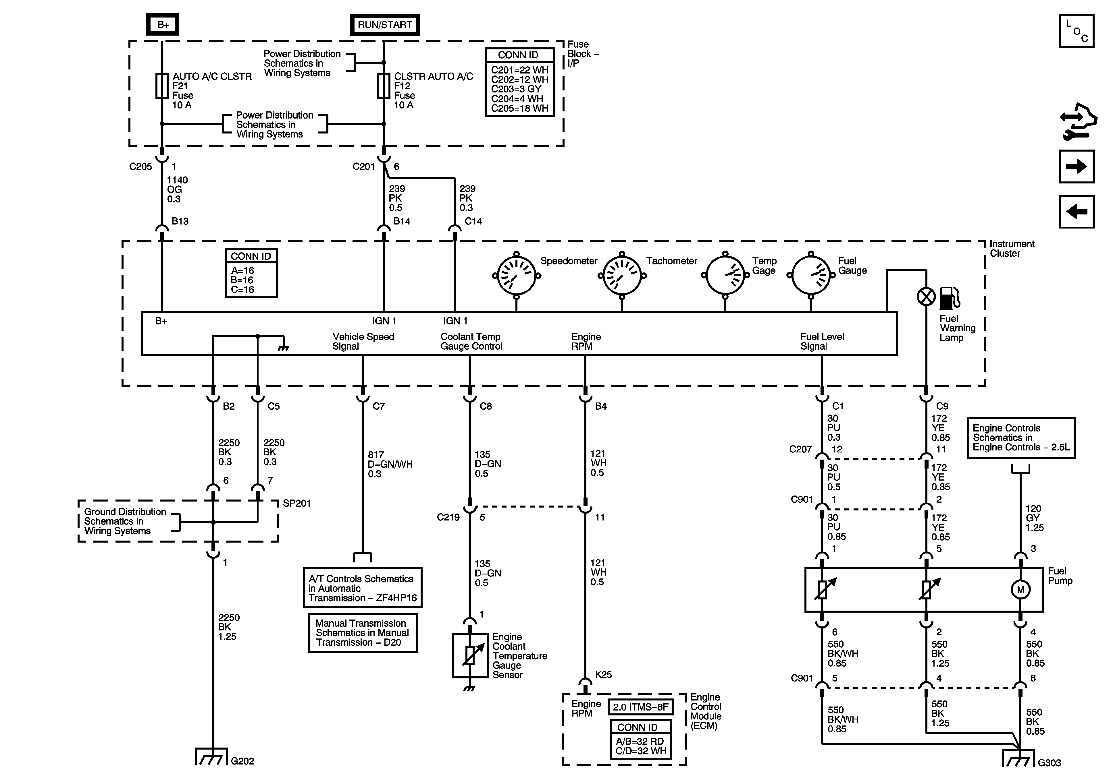
Figure 2:

Power, Ground, and Gages - Diesel


Object Number: 1866401  Size: FS
Master Electrical Component List
Instrument Cluster Description and Operation
Control Module References
Washer Fluid, ABS, Park Brake, Charge, TCS, Seat Belt, Air Bag, Oil Pressure, High Beam Indicators
Power, Ground and Gages
G101, G106, G107
Engine Control Module, Power and Ground, Serial Data, Malfunction Indicator Lamp
Transmission Control Module (TCM) Power, Ground, Serial Data, Hold Mode Indicator Control
G202 (1 of 2)
G303
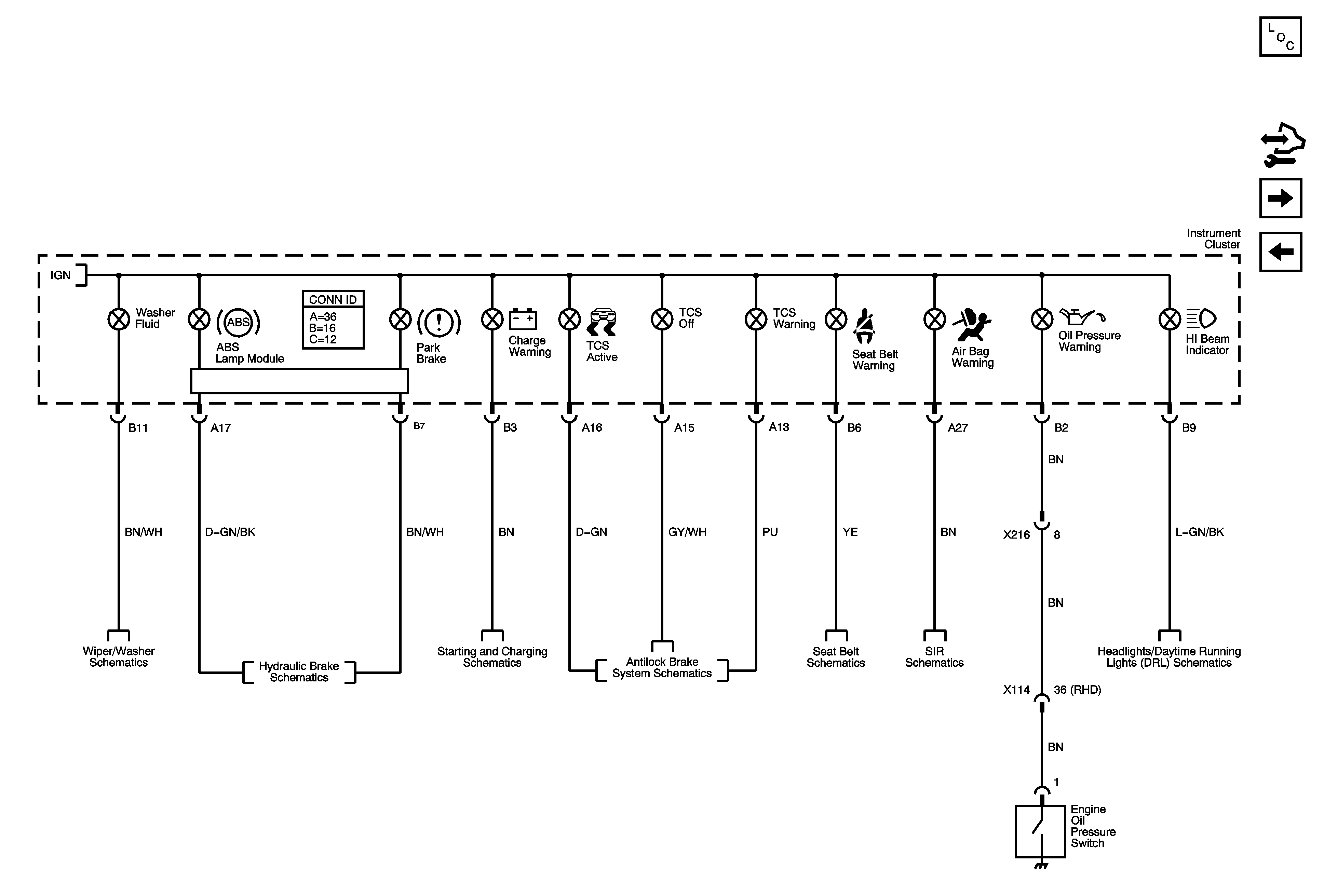
Figure 3:

Washer Fluid, ABS, Park Brake, Charge, TCS, Seat Belt, Air Bag, Oil Pressure, High Beam Indicators


Object Number: 1861260  Size: FS
Master Electrical Component List
Control Module References
Power, Ground and Gages 2.0L ITMS-6F
Gages Power and Ground - Diesel
Wiper/Washer System Schematics
Brake Warning System Schematics
Charging System
EBCM, Power, Ground, Indicator Lamps, Stop Lamp Switch, Traction Control Switch
Seat Belt Schematics
Power, Ground, Indicators, Side Impact Sensors, Seat Belt Switches, Passenger Presence Sensor
Headlights/Daytime Running Lights (DRL)
Figure 4:

Power, Ground, and Gages (2.0L ITMS-6F)


Object Number: 1685651  Size: FS
Master Electrical Component List
Control Module References
MIL, Speed Sensitive Steering, Winter Mode, Parking Assist, Cruise, Fog, Theft Deterrent Indicators
Washer Fluid, ABS, Park Brake, Charge, TCS, Seat Belt, Air Bag, Oil Pressure, High Beam Indicators
Alternator, EF1, EF3, EF5, EF18, EF19, EF27, EF30, EF33 Fuses
Alternator, EF1, EF3, EF5, EF18, EF19, EF27, EF30, EF33 Fuses
G101, G106, G107
Transmission Control Module (TCM) Power, Ground, Serial Data, Hold Mode Indicator Control
Manual Transmission Schematics - 2.0L MR-140
G202 (1 of 2)
G303
Figure 5:

Malfunction Indicator Lamp (MIL), Speed Sensitive Power Steering (SSPS), Winter Mode, Parking Assist, Cruise, Fog Theft Deterent Indicators


Object Number: 1861271  Size: FS
Master Electrical Component List
Control Module References
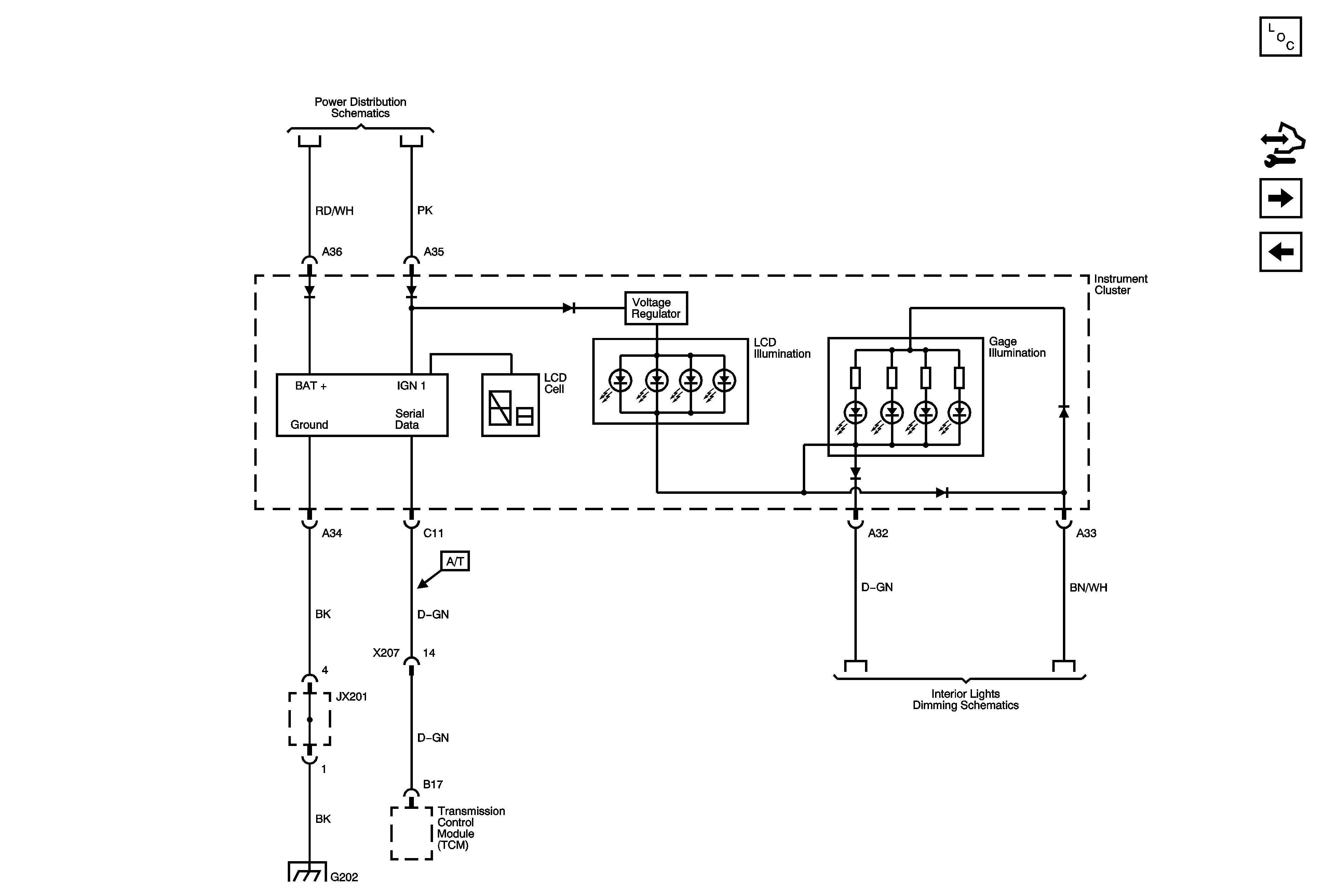
Illumination
Power, Ground and Gages 2.0L ITMS-6F
Steering Controls Schematics
Engine Control Module, Power and Ground, Serial Data, Malfunction Indicator Lamp
Cruise Control Schematics
Headlights/Daytime Running Lights (DRL)
Theft Deterrent System Schematics
Figure 6:

Illumination


Object Number: 1861273  Size: FS
Master Electrical Component List
Control Module References
Door Open, Trunk Open, Turn Indicators
MIL, Speed Sensitive Steering, Winter Mode, Parking Assist, Cruise, Fog, Theft Deterrent Indicators
Alternator, EF1, EF3, EF5, EF18, EF19, EF27, EF30, EF33 Fuses
Interior Lights Dimming Control
G202 (1 of 2)
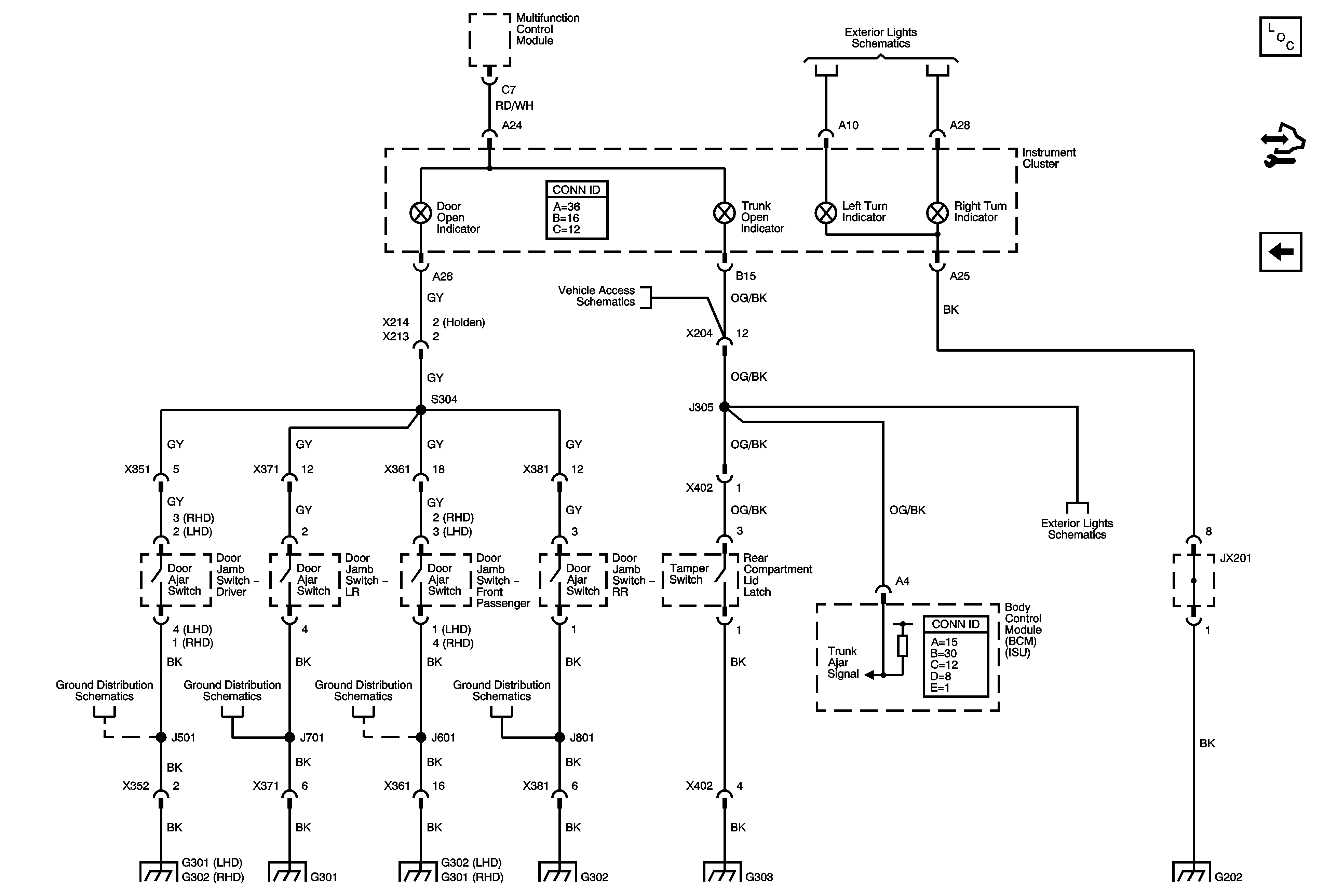
Figure 7:

Door Open, Trunk Open, Turn Indicators


Object Number: 1861274  Size: FS
Master Electrical Component List
Control Module References
Illumination
Park Lamps
Release Systems Schematics
Park Lamps
G101, G106, G107
G101, G106, G107
G101, G106, G107
G101, G106, G107
G301
G302
G301
G302
G301
G302
G303
G202 (1 of 2)