GM Service Manual Online
For 1990-2009 cars only
Figure 1:

Power, DLC, Ground, and MIL


Object Number: 1499548  Size: FS
Master Electrical Component List
Powertrain Control Module Description
Control Module References
Ignition Control, KS
BTSI (3.4L), CRUISE, IGN 1 MAIN, and TRN SIG Fuses
ABSMTR, ABS SOL, BCM, DVD, ECM (3.6L), FRT AUX, PCM (3.4L), S BAND, and VENT SOL Fuses
Ignition Switch - ACCY/RUN/START, RUN, and START Bus Bars and BLWR, IGN0, and KEY SOL Fuses
BTSI (3.4L), CRUISE, IGN 1 MAIN, and TRN SIG Fuses
Ignition Switch - ACCY/RUN/START, RUN, and START Bus Bars and BLWR, IGN0, and KEY SOL Fuses
Ignition Switch - ACCY/RUN/START, RUN, and START Bus Bars and BLWR, IGN0, and KEY SOL Fuses
G132 - LY7 and G111
G132 - LY7 and G111
Data Link Connector (DLC)
Figure 2:

5-Volt References and Low Reference


Object Number: 1528265  Size: FS
Figure 3:

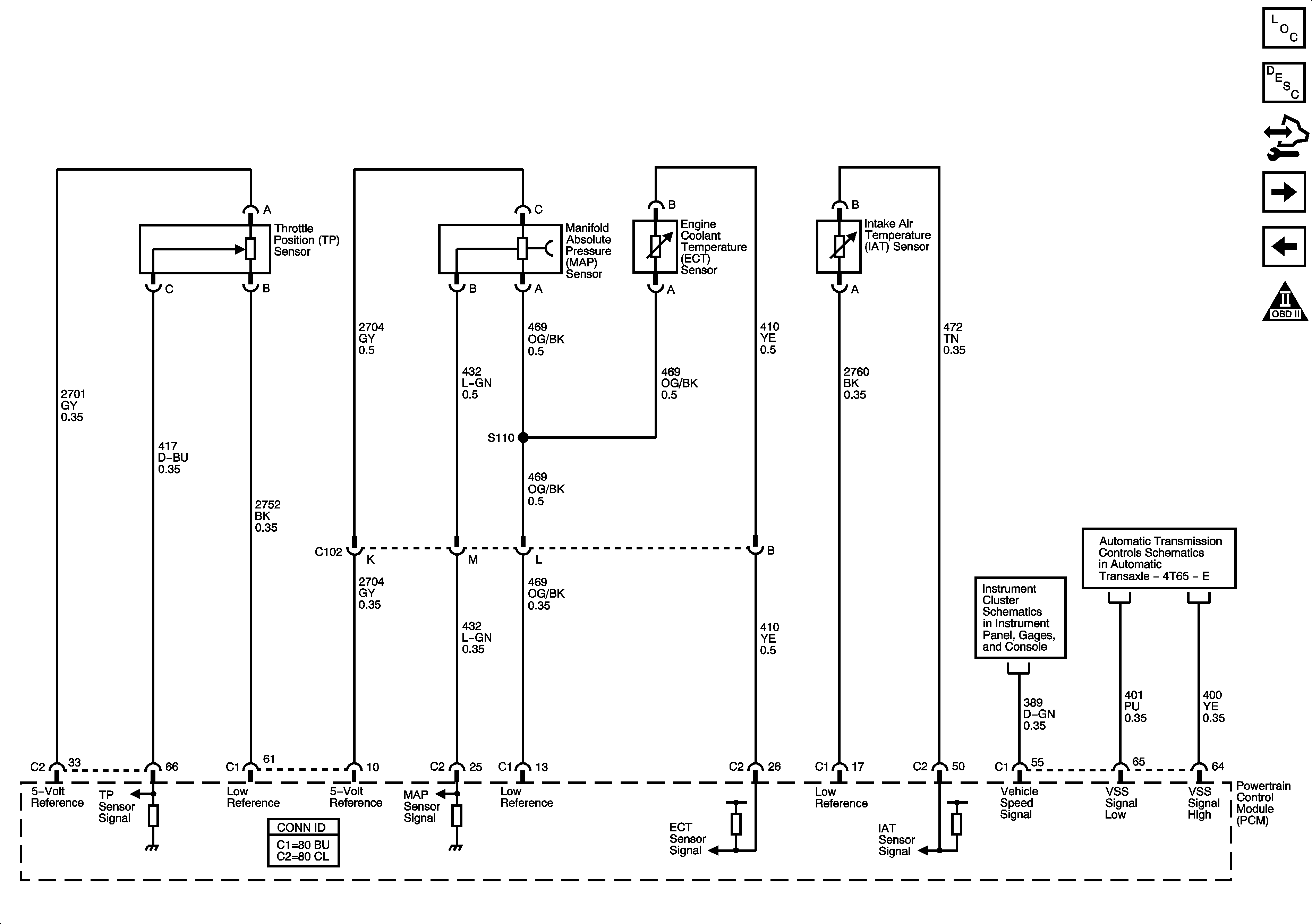
Sensors


Object Number: 1499555  Size: FS
Master Electrical Component List
Powertrain Control Module Description
Control Module References
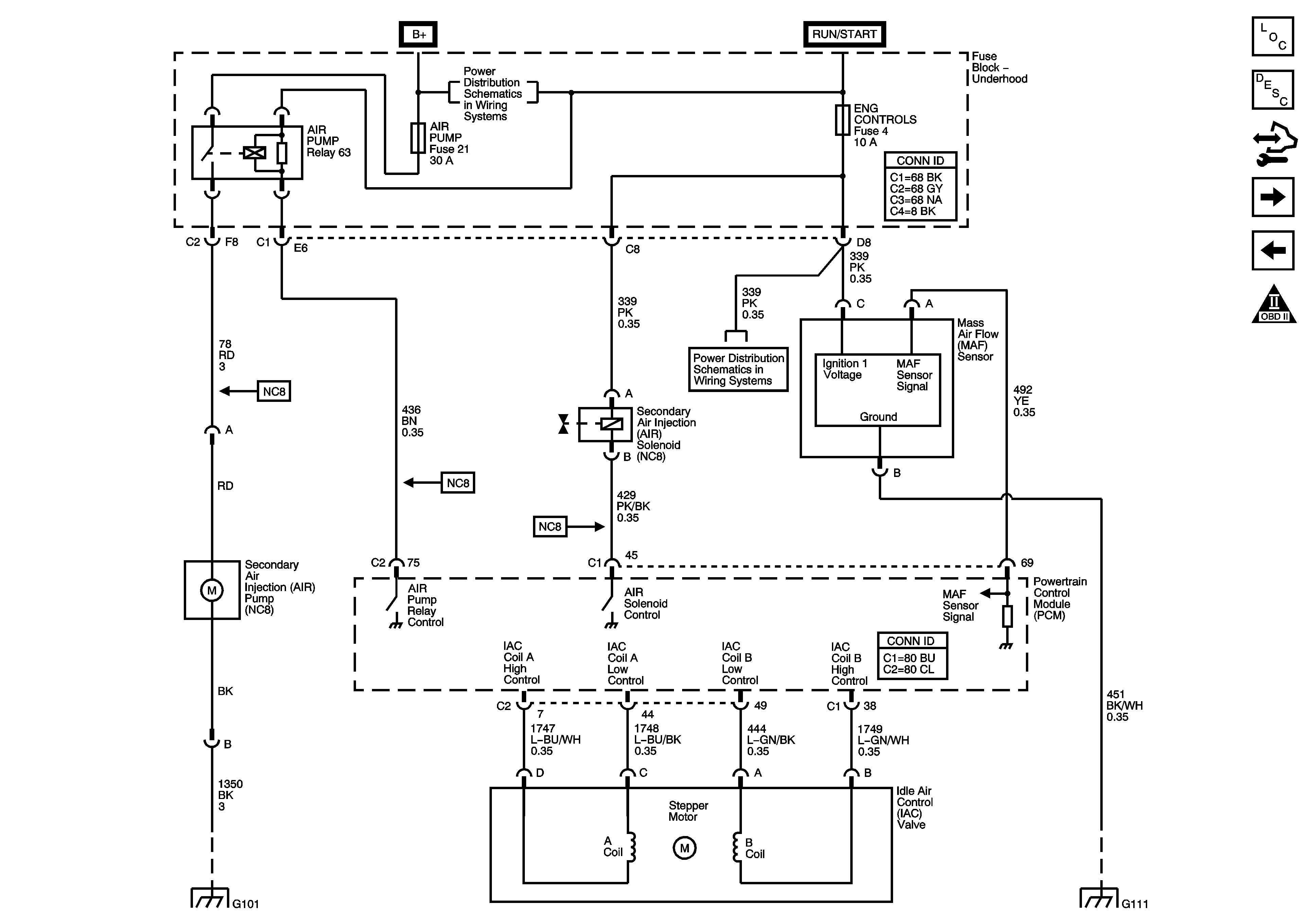
IAC and MAF
EGR, EVAP
Transaxle Range Switch and VSS - 3.4L
Gages - 3.4L
Figure 4:

IAC and MAF


Object Number: 1500023  Size: FS
Master Electrical Component List
Powertrain Control Module Description
Control Module References
PCM References, Page 1 of 2
Sensors
ABS, AWD, ELEC ENG, EMS DEV, O2 SENSORS Fuses, and IGNITION Relay - 3.4L
ABS, AWD, ELEC ENG, EMS DEV, O2 SENSORS Fuses, and IGNITION Relay - 3.4L
G132 - LY7 and G111
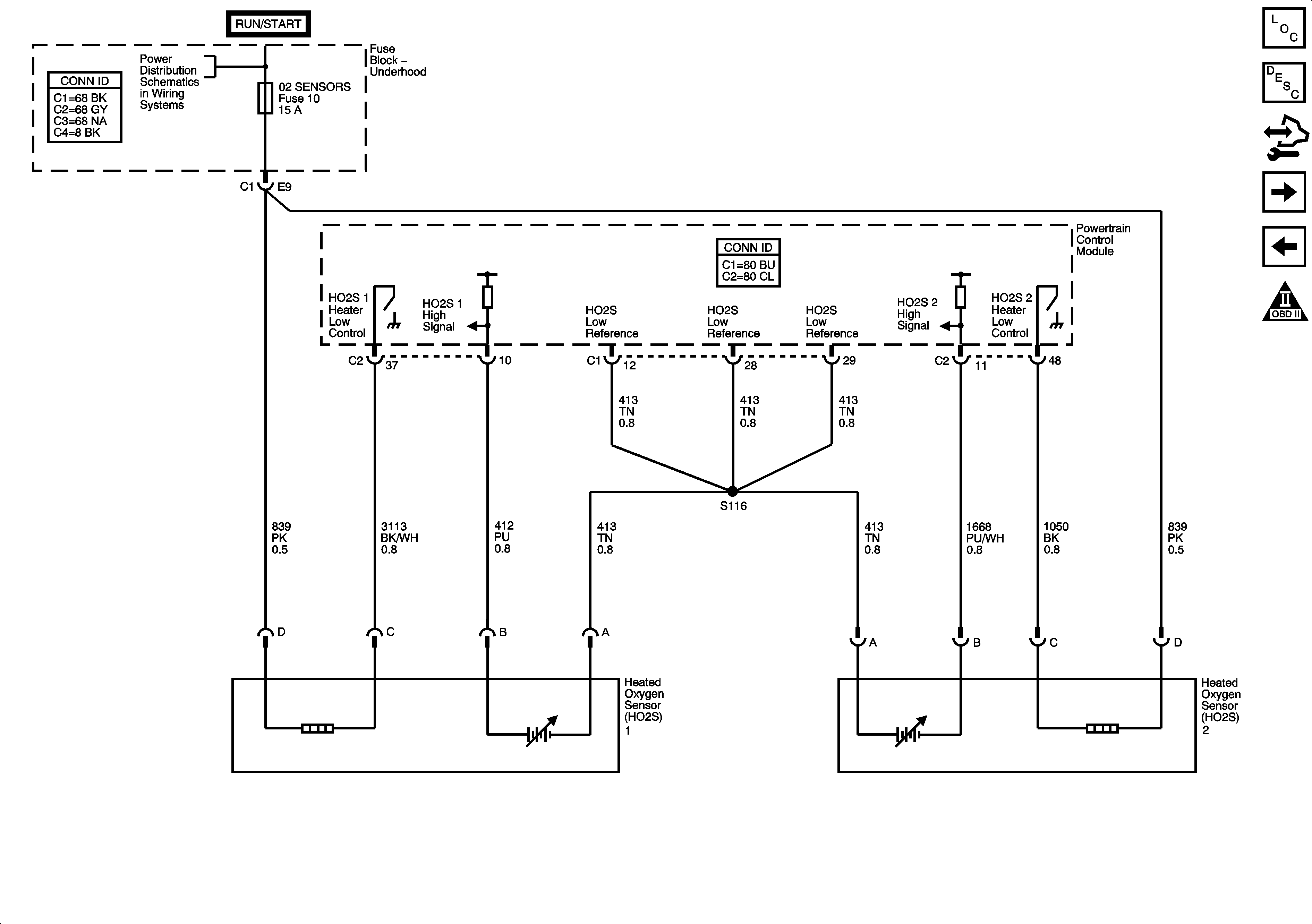
Figure 5:

HO2S


Object Number: 1499556  Size: FS
Master Electrical Component List
Fuel System Description
Control Module References
EGR, EVAP
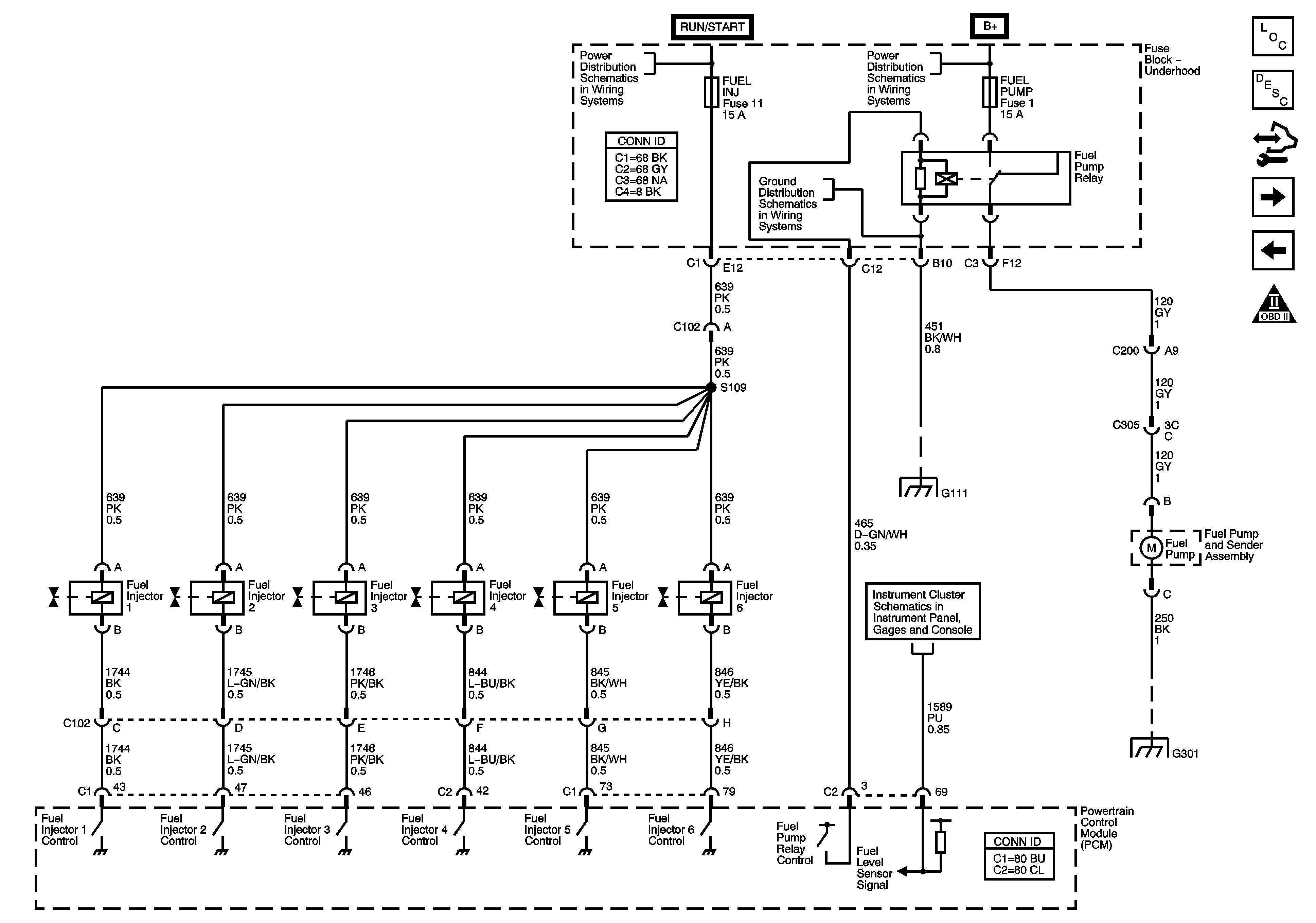
Fuel Injectors, Fuel Pump
ABS, AWD, ELEC ENG, EMS DEV, O2 SENSORS Fuses, and IGNITION Relay - 3.4L
Figure 6:

Ignition Control, KS


Object Number: 1499551  Size: FS
Master Electrical Component List
Electronic Ignition (EI) System Description
Control Module References
Fuel Injectors, Fuel Pump
Power, DLC, Ground and MIL
ABS, AWD, ELEC ENG, EMS DEV, O2 SENSORS Fuses, and IGNITION Relay - 3.4L
G132 - LY7 and G111
G132 - LY7 and G111
Figure 7:

Fuel Injectors, Fuel Pump


Object Number: 1499553  Size: FS
Master Electrical Component List
Fuel System Description
Control Module References
HO2S
Ignition Control, KS
FUEL INJ and TRANS SOL Fuses - 3.4L
B+ Bus 1 of 2
G132 - LY7 and G111
G132 - LY7 and G111
G132 - LY7 and G111
Gages - 3.4L
G301
G301
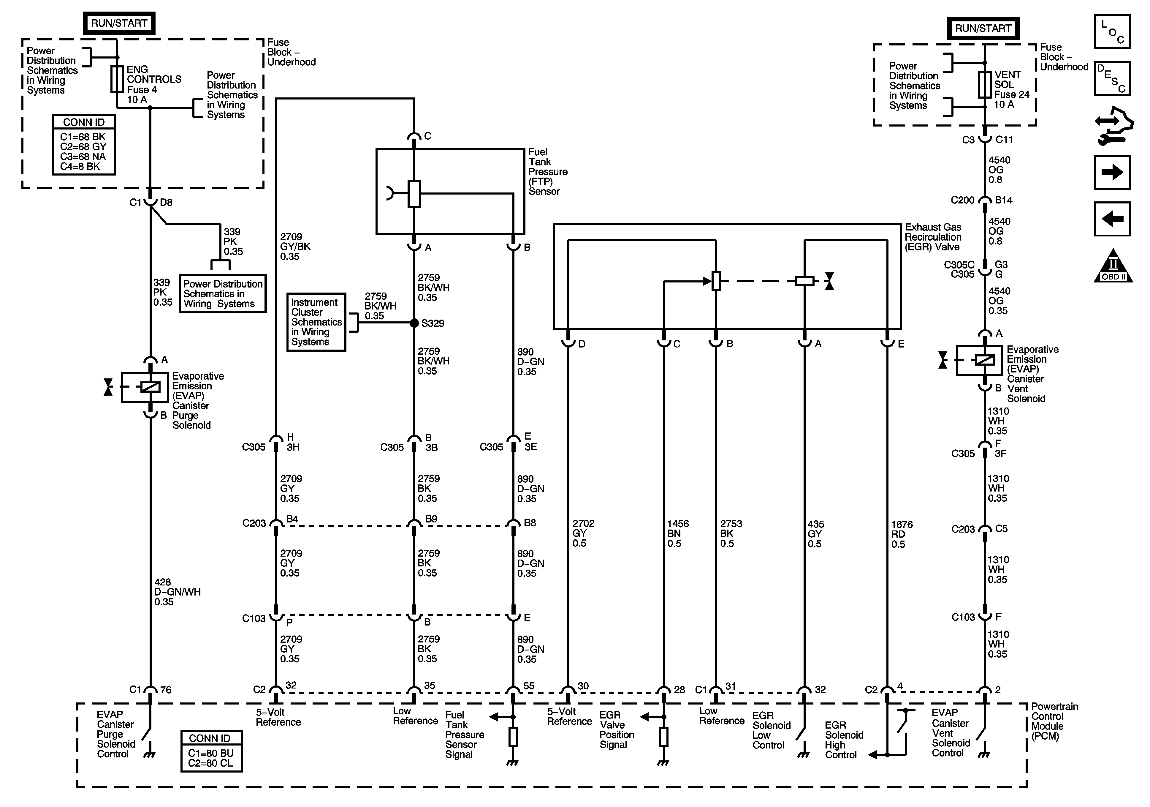
Figure 8:

EGR, EVAP


Object Number: 1499998  Size: FS
Master Electrical Component List
Evaporative Emission Control System Description
Control Module References
Sensors
HO2S
ABS, AWD, ELEC ENG, EMS DEV, O2 SENSORS Fuses, and IGNITION Relay - 3.4L
ABS, AWD, ELEC ENG, EMS DEV, O2 SENSORS Fuses, and IGNITION Relay - 3.4L
ABSMTR, ABS SOL, BCM, DVD, ECM (3.6L), FRT AUX, PCM (3.4L), S BAND, and VENT SOL Fuses
ABS, AWD, ELEC ENG, EMS DEV, O2 SENSORS Fuses, and IGNITION Relay - 3.4L
Gages - 3.4L
Figure 9:

PCM References - 1 of 2


Object Number: 1500027  Size: FS
Master Electrical Component List
Powertrain Control Module Description
Control Module References
PCM References, Page 2 of 2
IAC and MAF
Cooling Fans
Power, Ground, Serial Data and Message Center
Charging Control, Indicator
A/C Compressor Controls
Engine Cranking
Differential Lock Schematics
DLC, Indicators and Traction Control Switch 3.4L
Cruise Control Schematic - LA1
Figure 10:

PCM References - 2 of 2


Object Number: 1500028  Size: FS
Master Electrical Component List
Powertrain Control Module Description
Control Module References
PCM References, Page 1 of 2
Switches, ISS and Pressure Control - 3.4L
ICC Solenoid Control, SS Valve Cont. and TFT Sensor - 3.4L
Transaxle Range Switch and VSS - 3.4L
Transaxle Range Switch and VSS - 3.4L