GM Service Manual Online
For 1990-2009 cars only
Figure 1:

PCM Power, Ground, Serial Data, and MIL


Object Number: 873525  Size: FS
Master Electrical Component List
Powertrain Control Module Description
5 Volt and Low Reference Bussing
OBD II Symbol Description Notice
AIR, ECM SENSE, ALT SENSE, and B/U Lamp Fuses
IP-IGN, CRUISE, and ECM Fuses
IP-IGN, CRUISE, and ECM Fuses
IP-IGN, CRUISE, and ECM Fuses
IP-IGN, CRUISE, and ECM Fuses
Indicators
G100, G111, G113
DLC
Figure 2:

5 Volt and Low Reference Bussing


Object Number: 873532  Size: FS
Master Electrical Component List
Powertrain Control Module Description
TP, MAP, ECT, and IAT Sensors
PCM Power, Ground, Serial Data, and MIL
OBD II Symbol Description Notice
Figure 3:

TP, MAP, ECT, and IAT Sensors


Object Number: 775324  Size: FS
Master Electrical Component List
Powertrain Control Module Description
MAF Sensor, A/T Controls and VSS Reference
5 Volt and Low Reference Bussing
OBD II Symbol Description Notice
Figure 4:

MAF Sensor and A/T Controls VSS Reference


Object Number: 873536  Size: FS
Master Electrical Component List
Powertrain Control Module Description
Heated Oxygen Sensors
TP, MAP, ECT, and IAT Sensors
OBD II Symbol Description Notice
BATT MAIN 1, 2 IGN MAIN 1, 2 HEADLAMPS, PARK LP, HVAC/RKE BATT, AIR, ECM SENSE, ALT SENSE, B/U LAMP, COOL FAN 1, 2 FUEL PUMP, FOG LP, HORN, INJ, IGN1-UH, ELEK IGN, TCC, A/C CLU/ABS IGN Fuses
IGN 1-UH Fuse
IGN 1-UH Fuse
Gages
VSS, and ISS Sensors, Pressure Control Solenoid Valve, TCC Release Switch and Fluid Pressure Switches, FP
G100, G111, G113
G100, G111, G113
Figure 5:

Heated Oxygen Sensors


Object Number: 791653  Size: FS
Master Electrical Component List
Powertrain Control Module Description
Ignition Control Module
MAF Sensor, A/T Controls and VSS Reference
OBD II Symbol Description Notice
BATT MAIN 1, 2 IGN MAIN 1, 2 HEADLAMPS, PARK LP, HVAC/RKE BATT, AIR, ECM SENSE, ALT SENSE, B/U LAMP, COOL FAN 1, 2 FUEL PUMP, FOG LP, HORN, INJ, IGN1-UH, ELEK IGN, TCC, A/C CLU/ABS IGN Fuses
IGN 1-UH Fuse
G117
Figure 6:

Ignition Control Module


Object Number: 873543  Size: FS
Master Electrical Component List
Electronic Ignition (EI) System Description
Fuel Control
Heated Oxygen Sensors
OBD II Symbol Description Notice
TCC, ELEK IGN, and A/C CLU/ABS IGN Fuses
OBD II Symbol Description Notice
Gages
G100, G111, G113
Figure 7:

Fuel Control


Object Number: 873548  Size: FS
Master Electrical Component List
Fuel System Description
Fuel Injectors
Ignition Control Module
OBD II Symbol Description Notice
BATT MAIN 1, 2 IGN MAIN 1, 2 HEADLAMPS, PARK LP, HVAC/RKE BATT, AIR, ECM SENSE, ALT SENSE, B/U LAMP, COOL FAN 1, 2 FUEL PUMP, FOG LP, HORN, INJ, IGN1-UH, ELEK IGN, TCC, A/C CLU/ABS IGN Fuses
G100, G111, G113
Gages
G100, G111, G113
G302, S402, S406, S416
Figure 8:

Fuel Injectors


Object Number: 653553  Size: FS
Master Electrical Component List
Fuel System Description
EVAP Controls and Fuel Tank Pressure (FTP) Sensors
Fuel Control
OBD II Symbol Description Notice
BATT MAIN 1, 2 IGN MAIN 1, 2 HEADLAMPS, PARK LP, HVAC/RKE BATT, AIR, ECM SENSE, ALT SENSE, B/U LAMP, COOL FAN 1, 2 FUEL PUMP, FOG LP, HORN, INJ, IGN1-UH, ELEK IGN, TCC, A/C CLU/ABS IGN Fuses
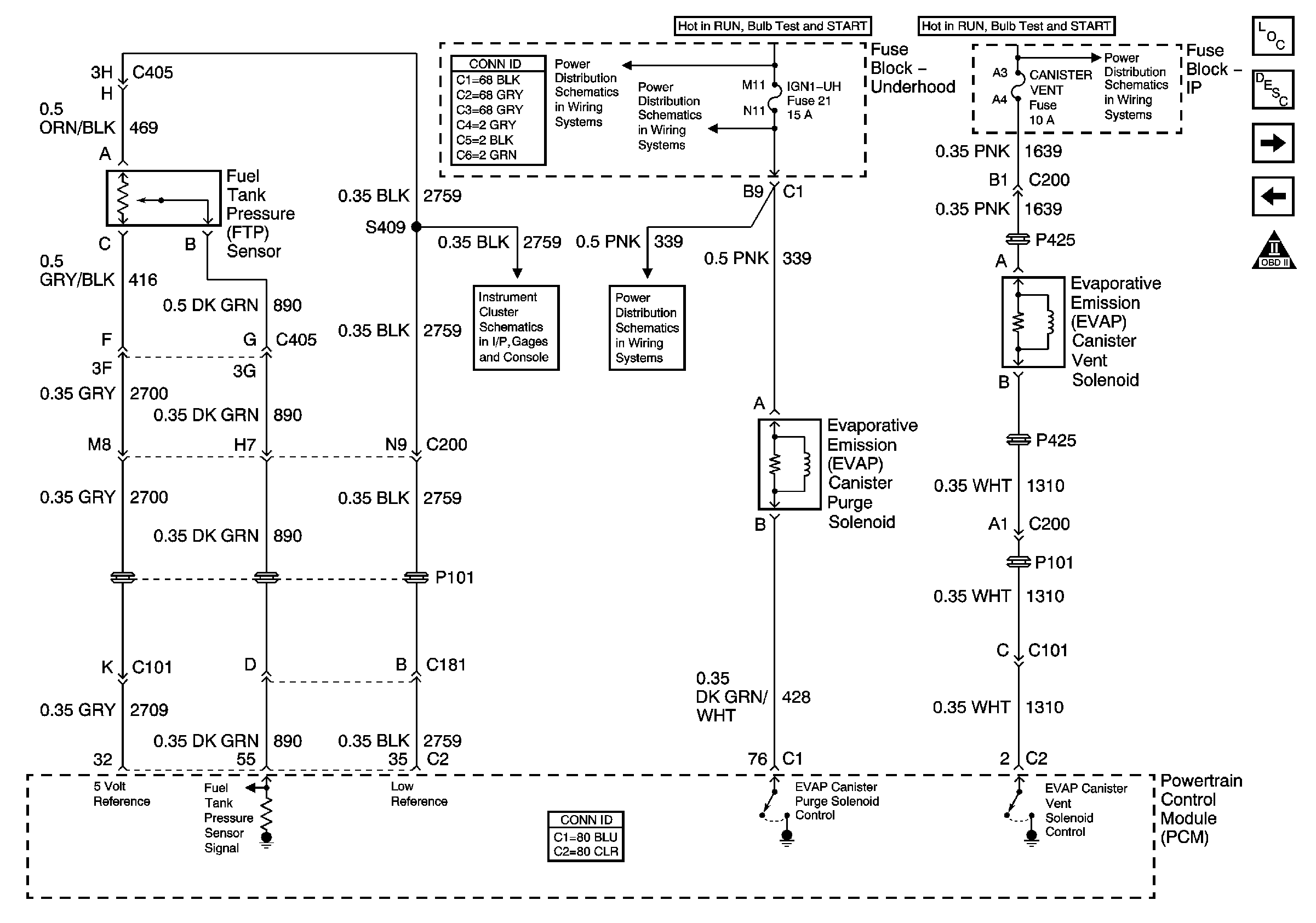
Figure 9:

EVAP Controls and Fuel Tank Pressure (FTP) Sensor


Object Number: 873552  Size: FS
Master Electrical Component List
Evaporative Emission Control System Description
IAC Valve, EGR Valve, and Secondary Air Injection (AIR)
Fuel Injectors
OBD II Symbol Description Notice
BATT MAIN 1, 2 IGN MAIN 1, 2 HEADLAMPS, PARK LP, HVAC/RKE BATT, AIR, ECM SENSE, ALT SENSE, B/U LAMP, COOL FAN 1, 2 FUEL PUMP, FOG LP, HORN, INJ, IGN1-UH, ELEK IGN, TCC, A/C CLU/ABS IGN Fuses
IGN 1-UH Fuse
IGN MAIN 1, BTSI, DRL, CANISTER VENT, PWR DROP, TURN, and SIR Fuses
Gages
IGN 1-UH Fuse
Figure 10:

Secondary Air Injection, IAC Valve, and EGR Valve


Object Number: 873562  Size: FS
Master Electrical Component List
Exhaust Gas Recirculation (EGR) System Description
Controlled/Monitored Subsystem References
EVAP Controls and Fuel Tank Pressure (FTP) Sensors
OBD II Symbol Description Notice
AIR, ECM SENSE, ALT SENSE, and B/U Lamp Fuses
BATT MAIN 1, 2 IGN MAIN 1, 2 HEADLAMPS, PARK LP, HVAC/RKE BATT, AIR, ECM SENSE, ALT SENSE, B/U LAMP, COOL FAN 1, 2 FUEL PUMP, FOG LP, HORN, INJ, IGN1-UH, ELEK IGN, TCC, A/C CLU/ABS IGN Fuses
IGN 1-UH Fuse
G101
Figure 11:

Controlled/Monitored Subsystem References


Object Number: 873570  Size: FS
Master Electrical Component List
Powertrain Control Module Description
Transmission Controls References
IAC Valve, EGR Valve, and Secondary Air Injection (AIR)
OBD II Symbol Description Notice
A/C Compressor Controls
Indicators
Indicators
Driver Information Center (DIC) (w/o U40)
Fans
Cruise Control
Generator
Figure 12:

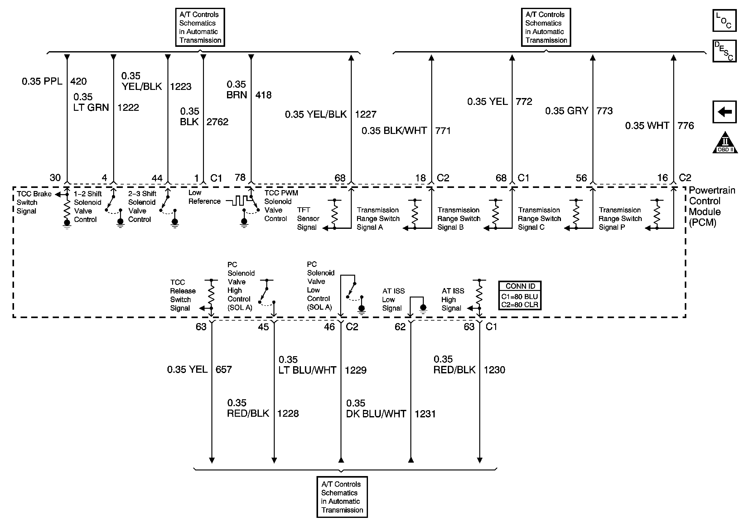
Transmission Controls References


Object Number: 873575  Size: FS
Master Electrical Component List
Powertrain Control Module Description
Controlled/Monitored Subsystem References
OBD II Symbol Description Notice
Stop lamp Switch, TCC, Shift Solenoids, and TFT Sensor
PRNDL
VSS, and ISS Sensors, Pressure Control Solenoid Valve, TCC Release Switch and Fluid Pressure Switches, FP