GM Service Manual Online
For 1990-2009 cars only
Figure 1:

Module Power, Ground, Serial Data, and MIL


Object Number: 1532774  Size: FS
Master Electrical Component List
Engine Control Module Description
Control Module References
Fuse Block Underhood - Powertrain Relay - 1 of 2
OBD II Symbol Description Notice
B+ Bus - Rear Fuse Block
Ignition Switch - ACCY/RUN/START, RUN, START Bus Bars and IGNA1 Fuse
4WD, BRK, FRT WPR, HVACI, IGN0, and TCM Fuses
G201 - 1 of 2
B+ Bus - Underhood Fuse Block - 1 of 2
G104, G105 and G107
B+ Bus - Underhood Fuse Block - 1 of 2
BACK UP, BTSI, IGN E, and TRLR B/U Fuses
BACK UP, BTSI, IGN E, and TRLR B/U Fuses
BACK UP, BTSI, IGN E, and TRLR B/U Fuses
G104, G105 and G107
Instrument Cluster Schematics
G108
SP 205
Power, Ground, Data Link Connector
Figure 2:

Fuse Block - Underhood Powertrain Relay - 1 of 2


Object Number: 1532777  Size: FS
Master Electrical Component List
Engine Control Module Description
Control Module References
Fuse Block Underhood - Powertrain Relay - 2 of 2
Module Power, Ground, Serial Data and MIL
OBD II Symbol Description Notice
B+ Bus - Underhood Fuse Block - 2 of 2
Ignition Switch - ACCY/RUN, RUN/START Bus Bars and IGNB1 Fuse
Figure 3:

Fuse Block - Underhood Powertrain Relay - 2 of 2


Object Number: 1532779  Size: FS
Master Electrical Component List
Engine Control Module Description
Control Module References
Engine Data Sensors - 5-Volt and Low References
Fuse Block Underhood - Powertrain Relay - 1 of 2
OBD II Symbol Description Notice
Ignition Switch - ACCY/RUN, RUN/START Bus Bars and IGNB1 Fuse
B+ Bus - Underhood Fuse Block - 2 of 2
Figure 4:

Engine Data Sensors - 5-Volt and Low Reference


Object Number: 1532781  Size: FS
Master Electrical Component List
Engine Control Module Description
Control Module References
Engine Data Sensors - MAF, Pressure and Temperature
Fuse Block Underhood - Powertrain Relay - 2 of 2
OBD II Symbol Description Notice
Figure 5:

Engine Data Sensors - MAF, Pressure and Temperature


Object Number: 1532783  Size: FS
Master Electrical Component List
Air Intake System Description
Control Module References
Engine Data Sensors - Oxygen Sensors
Engine Data Sensors - 5-Volt and Low References
OBD II Symbol Description Notice
Fuse Block Underhood - Powertrain Relay - 2 of 2
Ignition Switch - ACCY/RUN, RUN/START Bus Bars and IGNB1 Fuse
Gages
G108
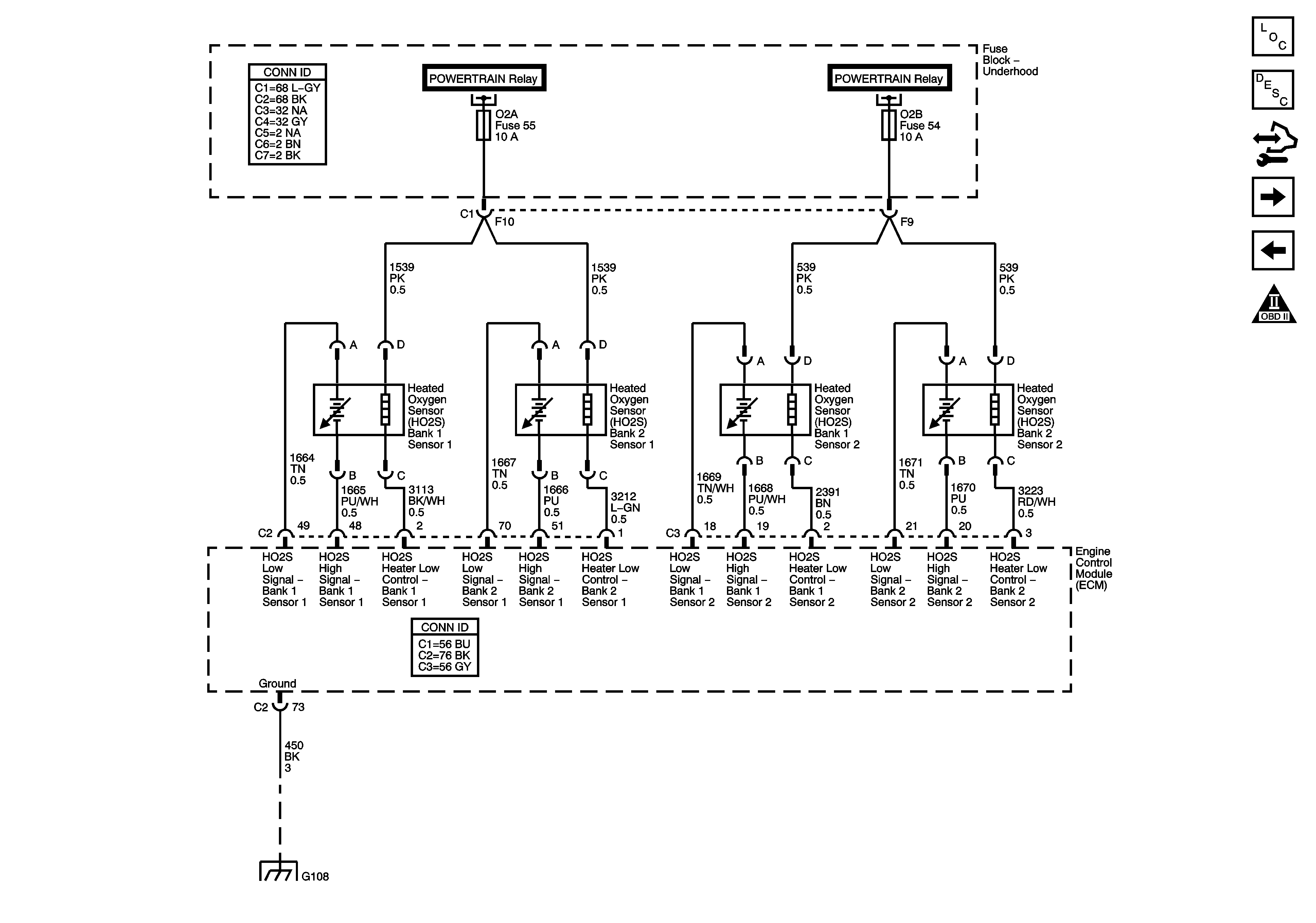
Figure 6:

Engine Data Sensors - Oxygen Sensors


Object Number: 1532786  Size: FS
Master Electrical Component List
Engine Control Module Description
Control Module References
Engine Data Sensors - Throttle Actuator Controls
Engine Data Sensors - MAF, Pressure and Temperature
OBD II Symbol Description Notice
05 S/T SAAB 9-7x Engine Controls 5.3L Schematics - Fuse Block - Underhood Powertrain Relay - 2 of 2
05 S/T SAAB 9-7x Engine Controls 5.3L Schematics - Fuse Block - Underhood Powertrain Relay - 2 of 2
G108
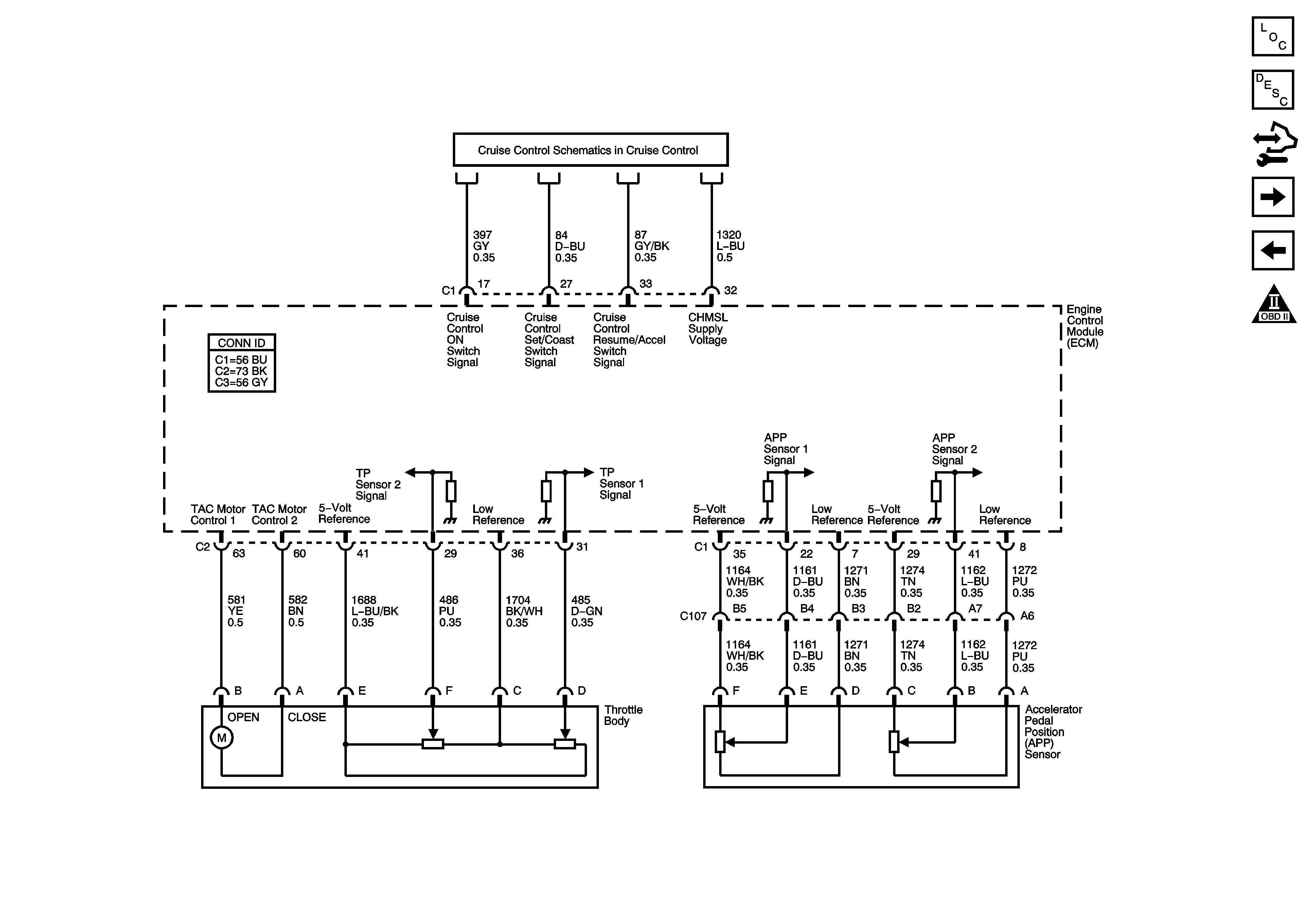
Figure 7:

Engine Data Sensors - Throttle Actuator Controls


Object Number: 1532788  Size: FS
Master Electrical Component List
Throttle Actuator Control (TAC) System Description
Control Module References
Ignition Controls - Ignition System Coils 1, 3, 5, 7
Engine Data Sensors - Oxygen Sensors
OBD II Symbol Description Notice
Cruise Control - 5.3L
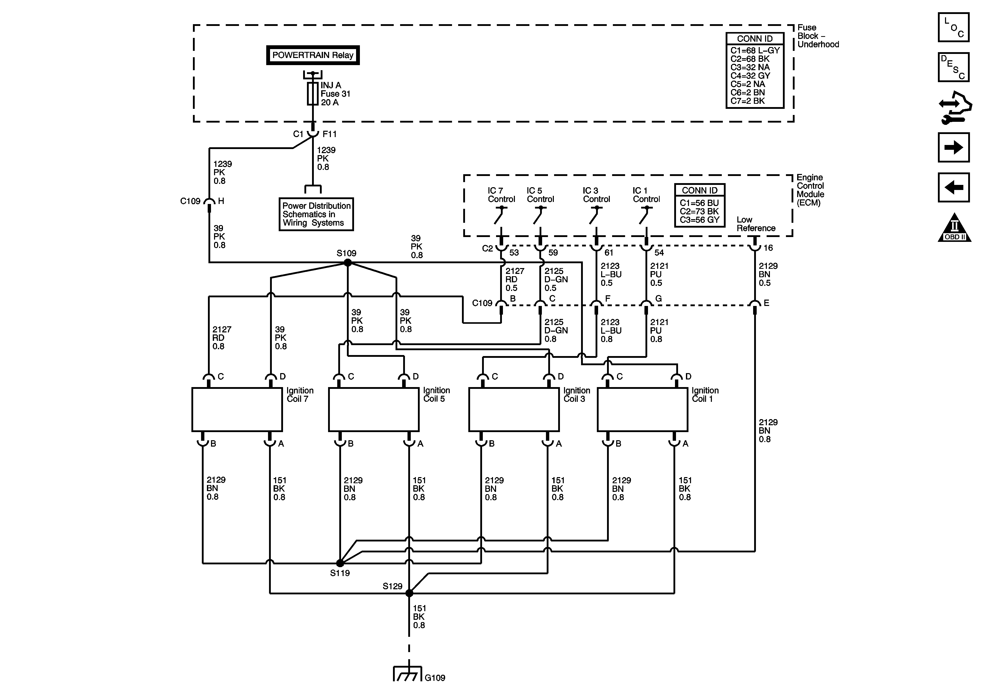
Figure 8:

Ignition Controls - Ignition System Coils 1, 3, 5, 7


Object Number: 1532790  Size: FS
Master Electrical Component List
Engine Control Module Description
Control Module References
Ignition Controls - Ignition System Coils 2, 4, 6, 8
Engine Data Sensors - Throttle Actuator Controls
OBD II Symbol Description Notice
Fuse Block Underhood - Powertrain Relay - 1 of 2
G109
Ignition Switch - ACCY/RUN, RUN/START Bus Bars and IGNB1 Fuse
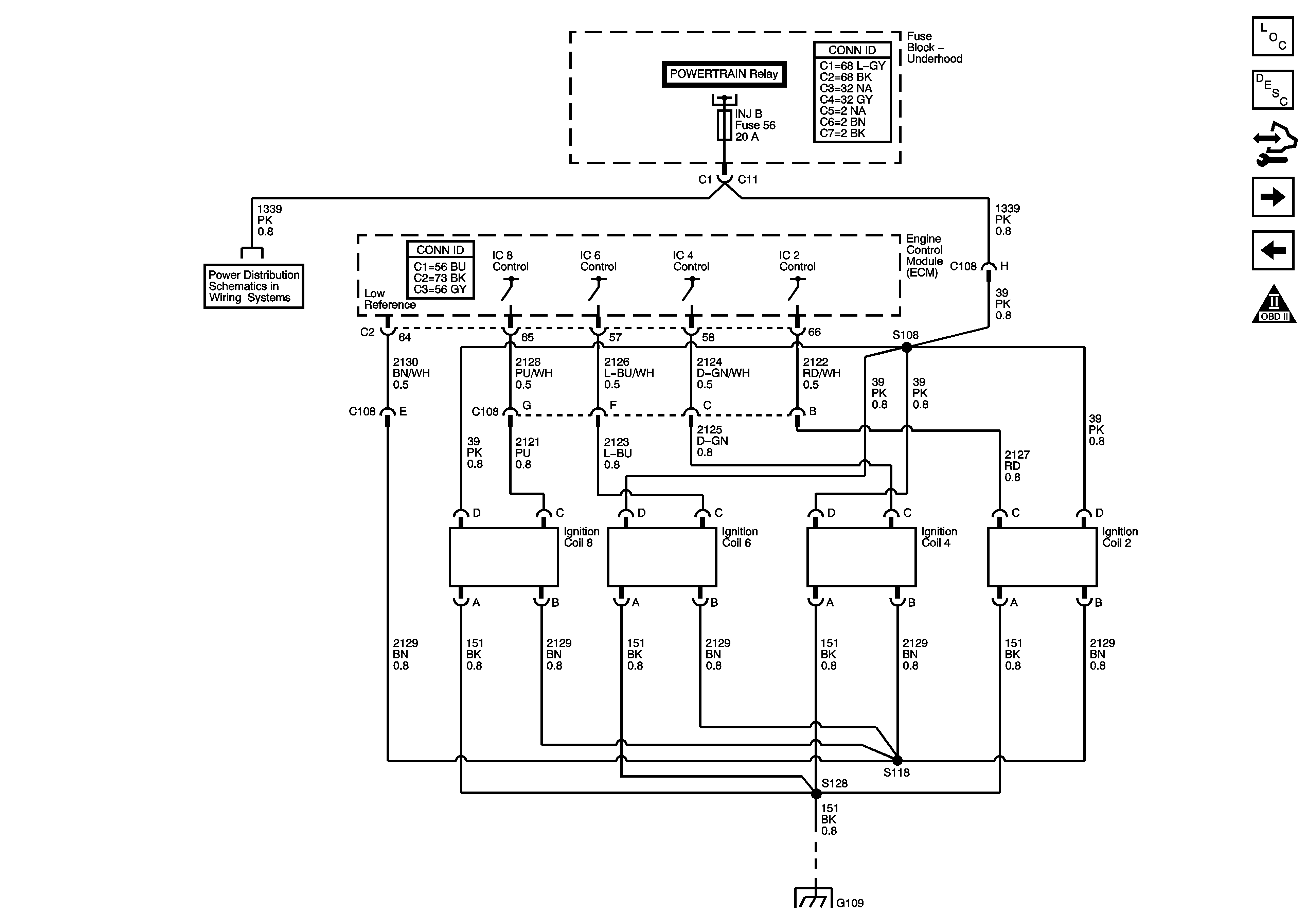
Figure 9:

Ignition Controls - Ignition System Coils 2, 4, 6, 8


Object Number: 1532792  Size: FS
Master Electrical Component List
Engine Control Module Description
Control Module References
Ignition Controls - Sensors
Ignition Controls - Ignition System Coils 1, 3, 5, 7
OBD II Symbol Description Notice
Fuse Block Underhood - Powertrain Relay - 1 of 2
Ignition Switch - ACCY/RUN, RUN/START Bus Bars and IGNB1 Fuse
G109
Figure 10:

Ignition Controls - Sensors


Object Number: 1532794  Size: FS
Master Electrical Component List
Knock Sensor (KS) System Description
Control Module References
Fuel Controls - Fuel Pump Controls and Fuel Injectors
Ignition Controls - Ignition System Coils 2, 4, 6, 8
OBD II Symbol Description Notice
Engine Controls Schematic Icons
Figure 11:

Fuel Controls - Fuel Pump Controls and Fuel Injectors


Object Number: 1532796  Size: FS
Master Electrical Component List
Fuel System Description
Control Module References
Fuel Controls - EVAP Controls
Ignition Controls - Sensors
OBD II Symbol Description Notice
Fuse Block Underhood - Powertrain Relay - 1 of 2
Fuse Block Underhood - Powertrain Relay - 1 of 2
B+ Bus - Underhood Fuse Block - 2 of 2
G104, G105 and G107
Ignition Switch - ACCY/RUN, RUN/START Bus Bars and IGNB1 Fuse
G104, G105 and G107
G201 - 2 of 2 and G305
Figure 12:

Fuel Controls - EVAP Controls


Object Number: 1532799  Size: FS
Master Electrical Component List
Evaporative Emission Control System Description
Control Module References
Controlled/Monitored Subsystem References
Fuel Controls - Fuel Pump Controls and Fuel Injectors
OBD II Symbol Description Notice
Fuel Gage
Fuse Block Underhood - Powertrain Relay - 2 of 2
Ignition Switch - ACCY/RUN, RUN/START Bus Bars and IGNB1 Fuse
B+ Bus - Underhood Fuse Block - 1 of 2
AIR, EAP, ECM, PCMB, TBC 1, and TCM/CANISTER Fuses
Figure 13:

Controlled/Monitored Subsystem References


Object Number: 1532801  Size: FS
Master Electrical Component List
Engine Control Module Description
Control Module References
Fuel Controls - EVAP Controls
OBD II Symbol Description Notice
Gages
Fuel Gage
Gages
Compressor Controls
Engine Cooling
Charging System
Starting System
EBCM Power, Ground, and Signal Circuits
Pressure Controls, Temperature, and VSS
Engine Cooling