GM Service Manual Online
For 1990-2009 cars only
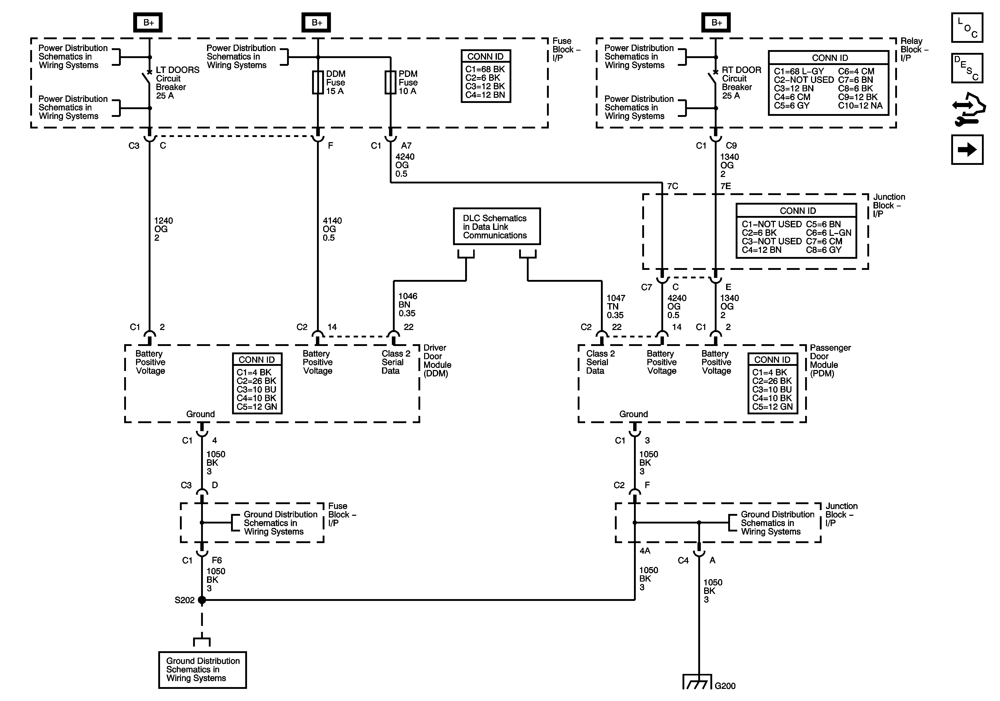
Figure 1:

Power, Ground, and Serial Data


Object Number: 1464159  Size: FS
Master Electrical Component List
Control Module References
Driver Door Module References - 1 of 2
BLOWER, FLASH, HVAC/ECAS, LBEC 1, RR DEFOG, RR HVAC, TBC 2A, TBC 2B, and TBC 2C Fuses, and LT DOOR Breaker
AUX PWR, AUX PWR 2, DDM, ECC, LBEC 2, LOCKS, PCM B, and PDM Fuses
Power, Ground, DLC, and Splice Pack SP205
ABS, MBEC 1, RTD, STUD 2, and VSES/ECAS Fuses; RT DOORS and SEATS Circuit Breakers
G200 - 1 of 3
G200 - 1 of 3
G200 - 3 of 3 - S345
G200 - 1 of 3
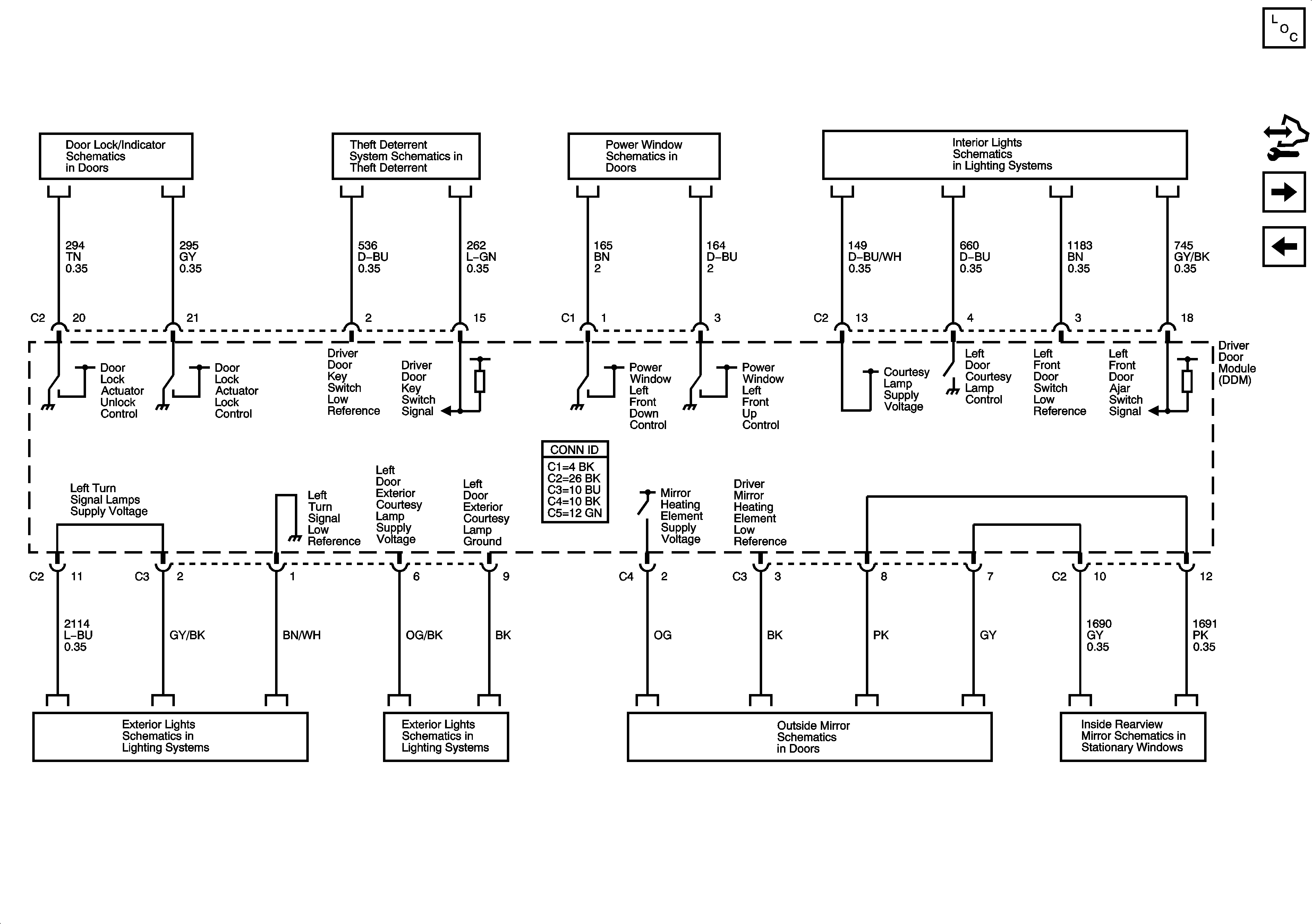
Figure 2:

Driver Door Module References 1 of 2


Object Number: 1464160  Size: FS
Master Electrical Component List
Control Module References
Driver Door Module References - 2 of 2
Power, Ground, and Serial Data
Driver and Front Passenger Door Locks and Indicator Schematics
Content Theft Deterrent - 1 of 2
Left Doors
Door Switch Inputs and Door Courtesy Lamps
Ground and Electrochromic
Outside Mirror Schematics
Exterior Illumination Lamps
Left Turn Signals - w/o VD1
Figure 3:

Driver Door Module References 2 of 2


Object Number: 1464161  Size: FS
Master Electrical Component List
Control Module References
Front Passenger Door Module References - 1 of 2
Driver Door Module References - 1 of 2
Power and Pedals Controls
Heated Seat Controls - Driver
Heated Seat Controls - Driver
Outside Mirror Schematics
Figure 4:

Front Passenger Door Module References 1 of 2


Object Number: 1464163  Size: FS
Master Electrical Component List
Control Module References
Front Passenger Door Module References - 2 of 2
Driver Door Module References - 2 of 2
Heated Seat Controls - Front Passenger
Door Switch Inputs and Door Courtesy Lamps
Heated Seat Controls - Front Passenger
Outside Mirror Schematics
Exterior Illumination Lamps
Right Turn Signals - w/o VD1
Figure 5:

Front Passenger Door Module References 2 of 2


Object Number: 1464164  Size: FS
Master Electrical Component List
Control Module References
Front Passenger Door Module References - 1 of 2
Driver and Front Passenger Door Locks and Indicator Schematics
Right Doors
Outside Mirror Schematics