GM Service Manual Online
For 1990-2009 cars only
Figure 1:

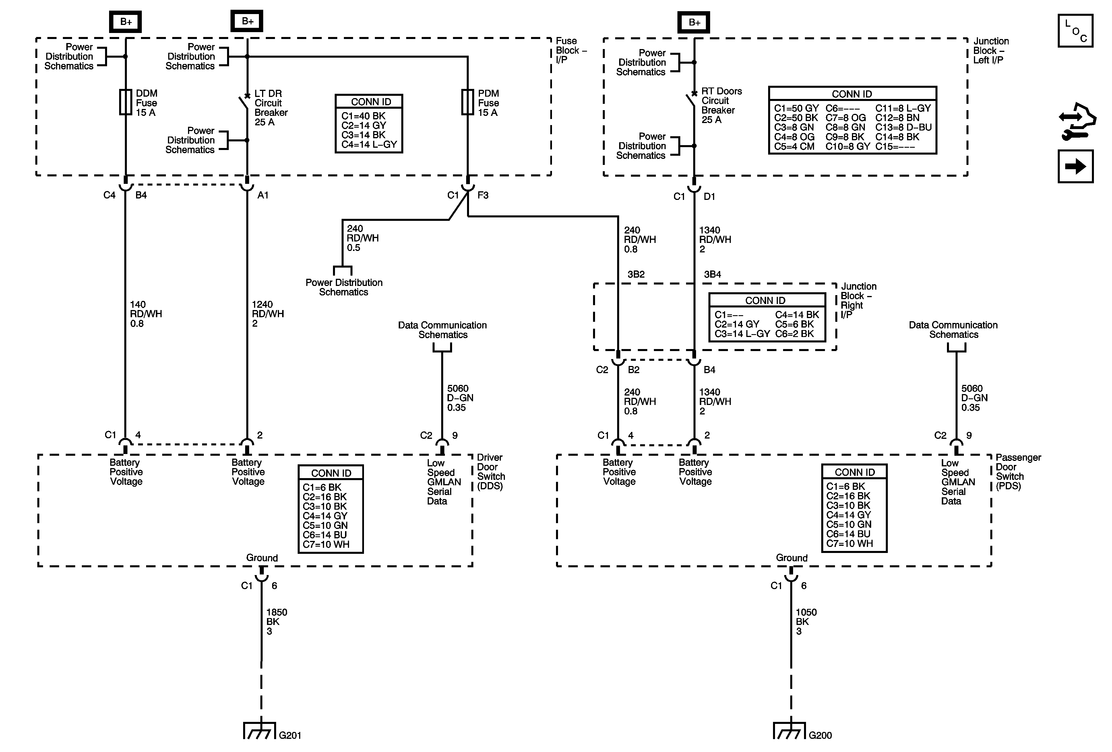
Module Power, Ground, and Serial Data


Object Number: 1740499  Size: FS
Master Electrical Component List
Control Module References
Outside Rearview Mirror References
B+ Bus - 1 of 3
B+ Bus - 1 of 3
IS LAMPS, LT STOP TRN, OBS DET, REAR SEAT, and STOP LAMPS Fuses and LT DR Circuit Breaker
AUX PWR, AUX PWR 2, LBEC 1, PDM, and REAR WPR Fuses
Low Speed Bus - SP200 - 1 of 3
G201
BCM, COOLED SEATS, CTSY, DDM, DIM, DSM, LBEC 2, MBEC 1, REAR HVAC, and RT STOP TRN Fuses and DRIVER SEAT 2, PASS SEAT 1, and RT DOORS Circuit Breakers
BCM, COOLED SEATS, CTSY, DDM, DIM, DSM, LBEC 2, MBEC 1, REAR HVAC, and RT STOP TRN Fuses and DRIVER SEAT 2, PASS SEAT 1, and RT DOORS Circuit Breakers
G200 - 1 of 2
Low Speed Bus - SP200 - 1 of 3
Figure 2:

Outside Rearview Mirror References


Object Number: 1740501  Size: FS
Master Electrical Component List
Control Module References
Door Lock, Window, and Lighting System References
Power, Ground, and Serial Data
Inside Rearview Mirror Schematics
Driver
Inside Rearview Mirror Schematics
Driver
Passenger
Passenger
Figure 3:

Door Lock, Window, and Lighting System References


Object Number: 1740504  Size: FS
Master Electrical Component List
Control Module References
Heated Seat References
Outside Rearview Mirror References
Exterior Illumination Lamps
Front Turn Signal Lamps
Courtesy Lamp Control
Front
Exterior Illumination Lamps
Front
Front Turn Signal Lamps
Door Jamb Switches
Door Jamb Switches
Left
Courtesy Lamp Control
Right
Figure 4:

Heated Seat References


Object Number: 1740507  Size: FS
Master Electrical Component List
Control Module References
Door Lock, Window, and Lighting System References
Module Power, Ground, Serial Data, and Memory Switch
Heated Seat - Passenger - Except KB6
Heated Seat - Driver - Except KB6
Heated Seat - Passenger - Except KB6
Heated Seat - Driver - Except KB6