GM Service Manual Online
For 1990-2009 cars only
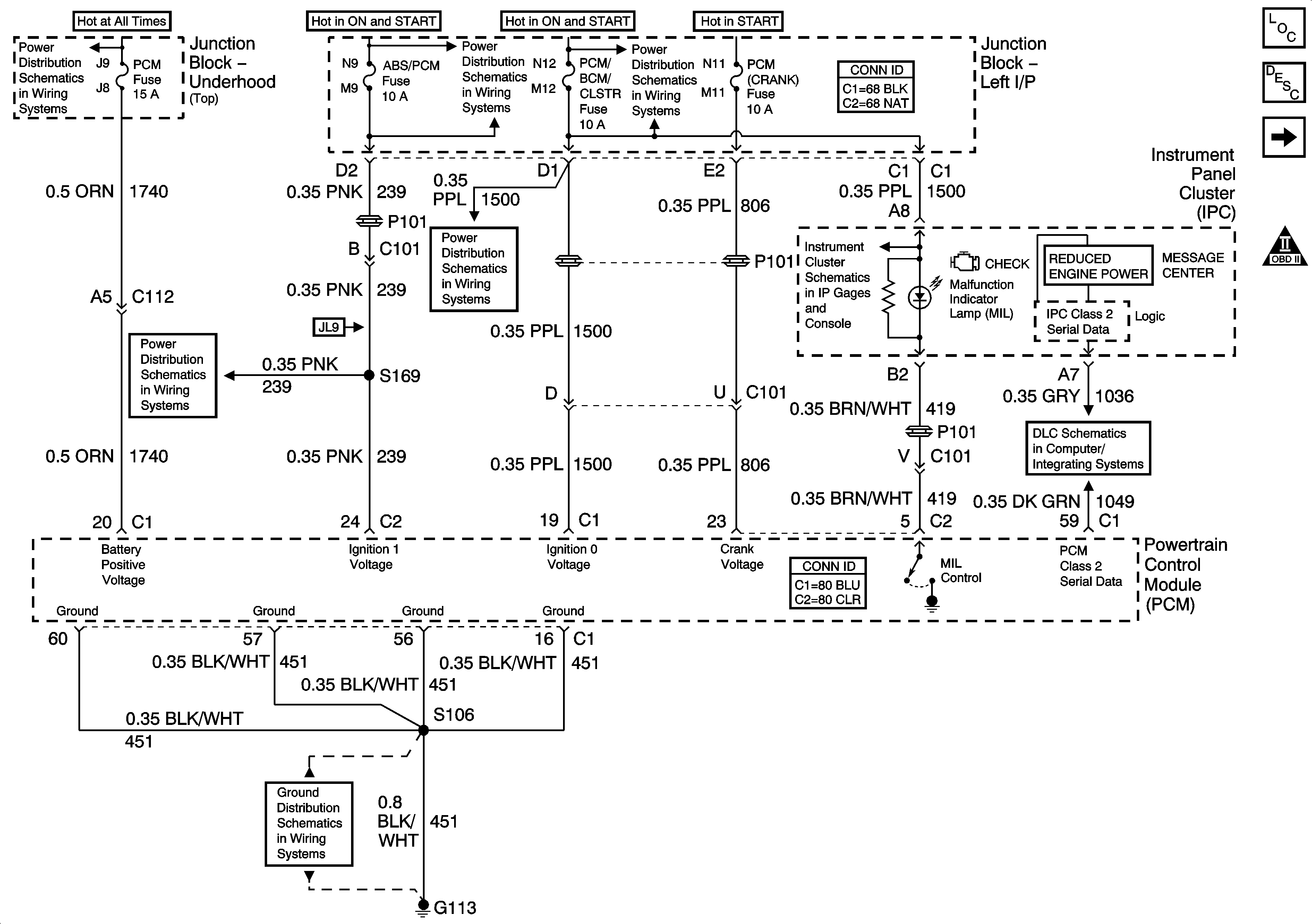
Figure 1:

DLC, Grounds, MIL, and Power


Object Number: 1551470  Size: FS
Master Electrical Component List
Powertrain Control Module Description
5 Volt, and Low Reference Bussing
OBD II Symbol Description Notice
Junction Block - Underhood (Top) Bussing
ABS/PCM, SRS, STOP, and TURN SIGNAL Fuses
A/C/CRUISE, CRUISE, PCM/BCM/CLSTR, and PCM (CRANK) Fuses
ABS/PCM, SRS, STOP, and TURN SIGNAL Fuses
A/C/CRUISE, CRUISE, PCM/BCM/CLSTR, and PCM (CRANK) Fuses
Gages, Illumination, and Indicators
DLC
G113 - 2 of 2
Figure 2:

5-volt and Low Reference Bussing


Object Number: 1284579  Size: FS
Master Electrical Component List
Powertrain Control Module Description
ECT, IAT, MAP, and TP Sensors
DLC, Grounds, MIL, and Power
OBD II Symbol Description Notice
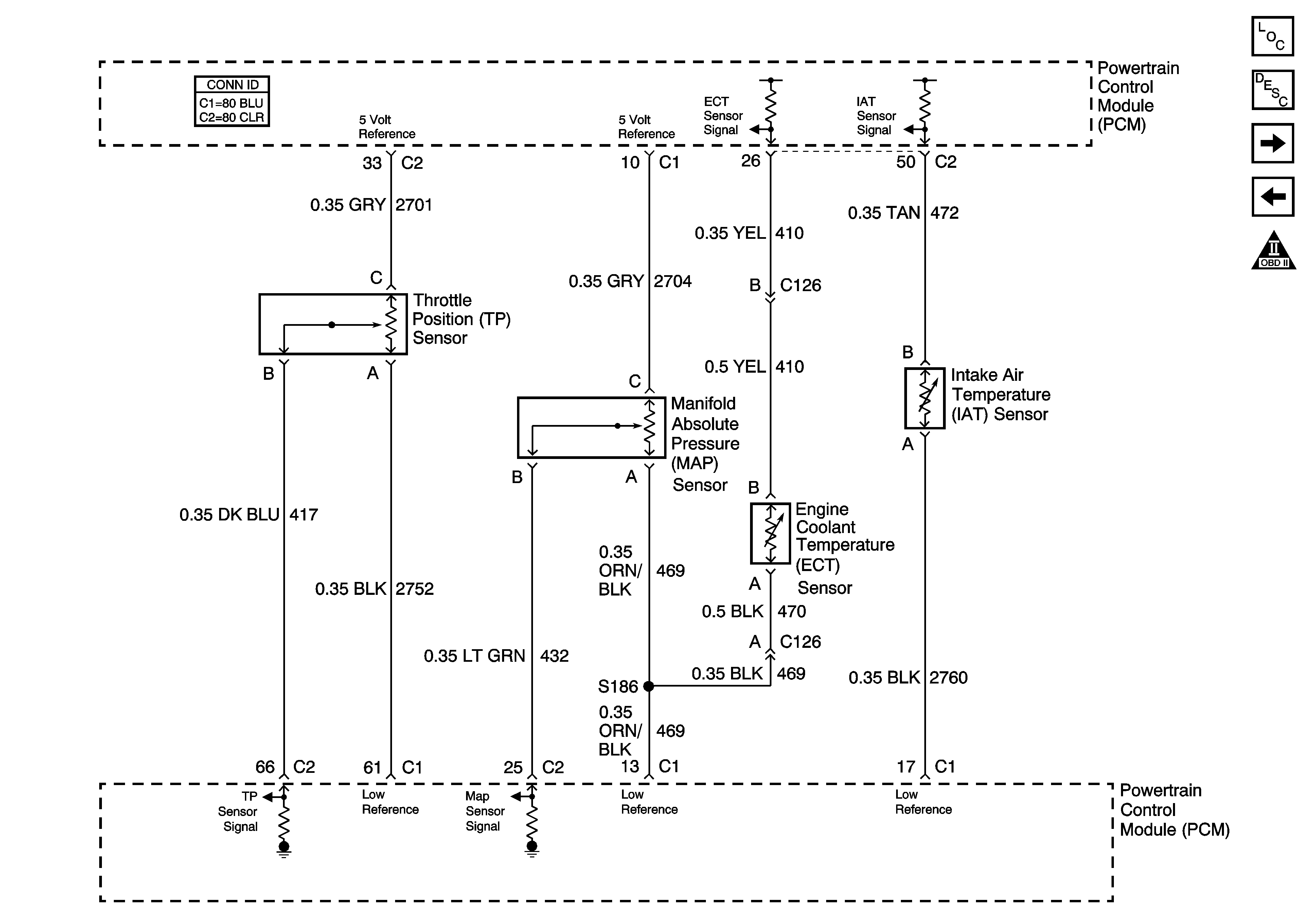
Figure 3:

ECT, IAT, MAP, and TP Sensors


Object Number: 1254722  Size: FS
Master Electrical Component List
Powertrain Control Module Description
MAF, and VSS
5 Volt, and Low Reference Bussing
OBD II Symbol Description Notice
Figure 4:

MAF and VSS


Object Number: 1284582  Size: FS
Master Electrical Component List
Powertrain Control Module Description
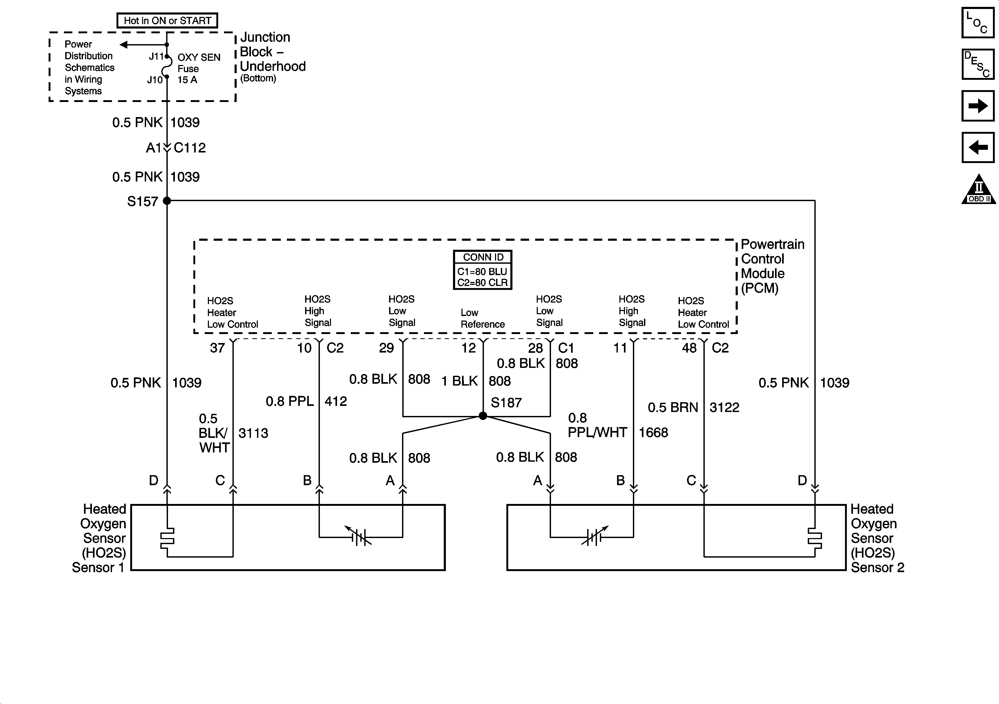
HO2S
ECT, IAT, MAP, and TP Sensors
OBD II Symbol Description Notice
Junction Block - Underhood (Bottom) Bussing
DFI MDL, ENG DEVICES, and OXY SEN Fuses
G113 - 2 of 2
DLC, Ground, Odometer/PRNDL, and VSS
ISS, Pressure Control Solenoid Valve, and VSS
Figure 5:

HO2S


Object Number: 1284583  Size: FS
Master Electrical Component List
Powertrain Control Module Description
Ignition Control
MAF, and VSS
OBD II Symbol Description Notice
Junction Block - Underhood (Bottom) Bussing
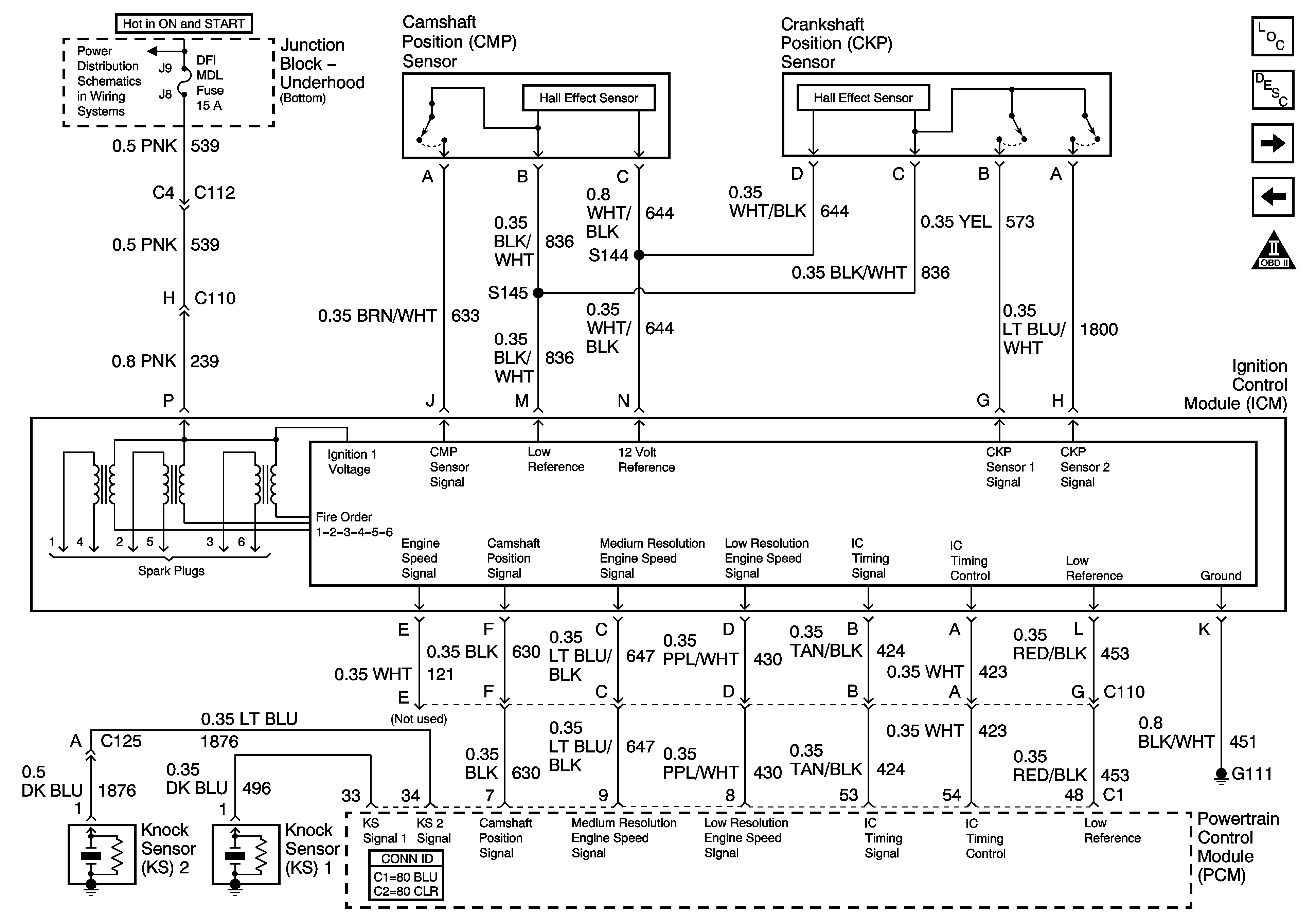
Figure 6:

Ignition Control


Object Number: 1284585  Size: FS
Master Electrical Component List
Electronic Ignition (EI) System Description
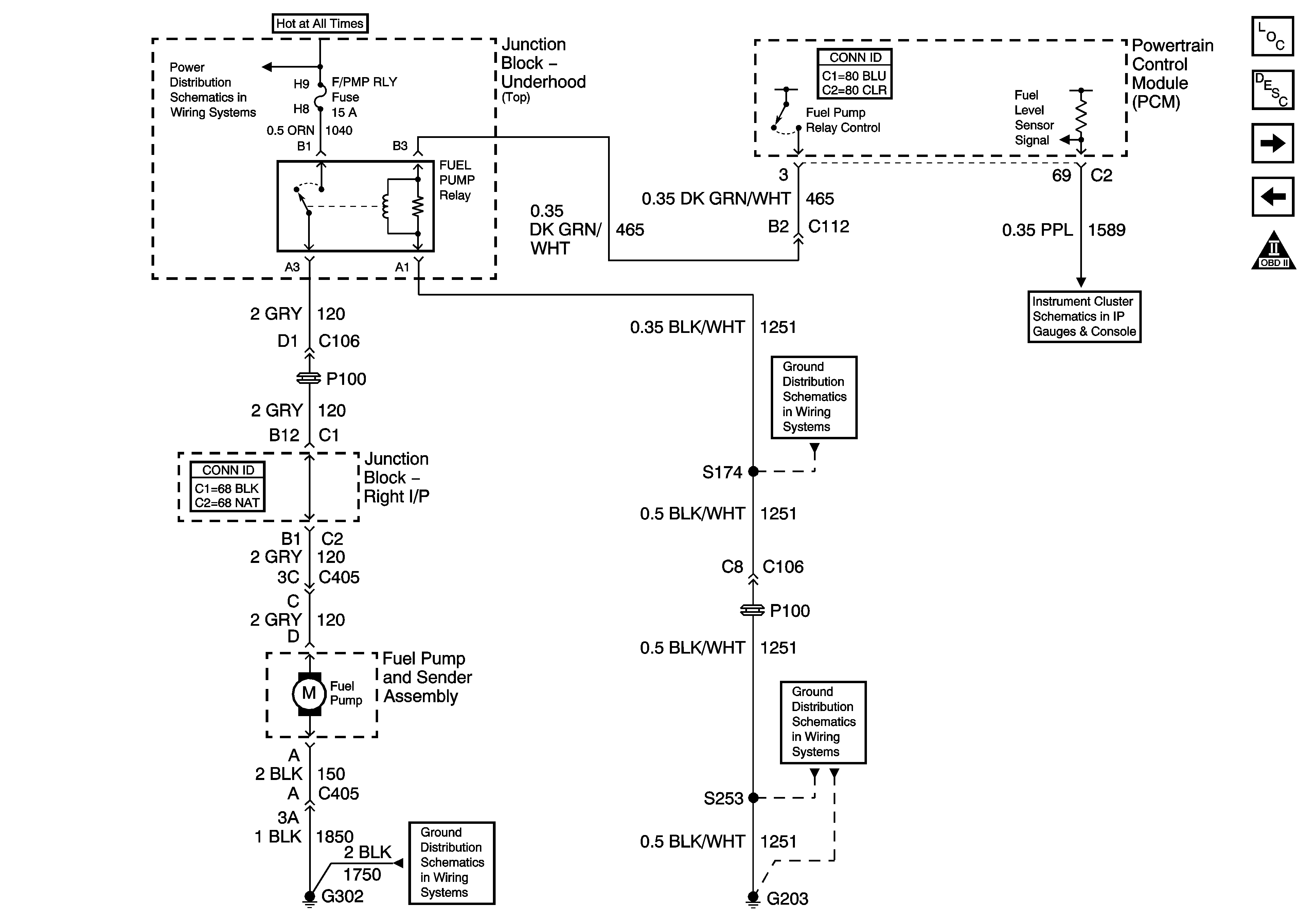
Fuel Pump
HO2S
OBD II Symbol Description Notice
Junction Block - Underhood (Bottom) Bussing
Figure 7:

Fuel Pump


Object Number: 1284611  Size: FS
Master Electrical Component List
Fuel System Description
Fuel Injectors
Ignition Control
OBD II Symbol Description Notice
Junction Block - Underhood (Top) Bussing
G203 - 3 of 3
Gages, Illumination, and Indicators
G302 - 1 of 2
G203 - 1 of 3
Figure 8:

Fuel Injectors


Object Number: 798652  Size: FS
Master Electrical Component List
Fuel System Description
Boost Control Solenoid, EVAP, and FTP
Fuel Pump
OBD II Symbol Description Notice
Junction Block - Underhood (Bottom) Bussing
Figure 9:

Boost Control Solenoid, EVAP, and FTP


Object Number: 1284615  Size: FS
Master Electrical Component List
Evaporative Emission Control System Description
EGR, and IAC
Fuel Injectors
OBD II Symbol Description Notice
Junction Block - Underhood (Bottom) Bussing
ABS/PCM, SRS, STOP, and TURN SIGNAL Fuses
DFI MDL, ENG DEVICES, and OXY SEN Fuses
Gages, Illumination, and Indicators
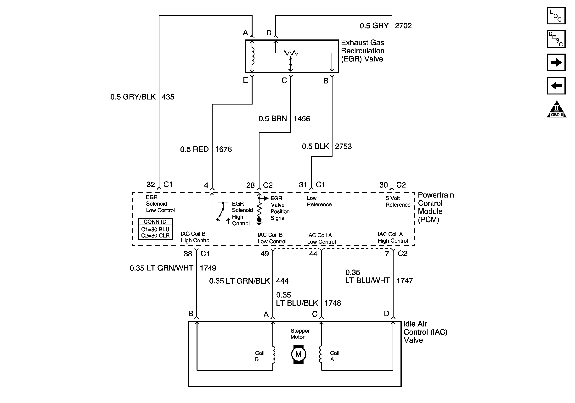
Figure 10:

EGR and IAC


Object Number: 885103  Size: FS
Master Electrical Component List
Exhaust Gas Recirculation (EGR) System Description
Subsystems Reference
Boost Control Solenoid, EVAP, and FTP
OBD II Symbol Description Notice
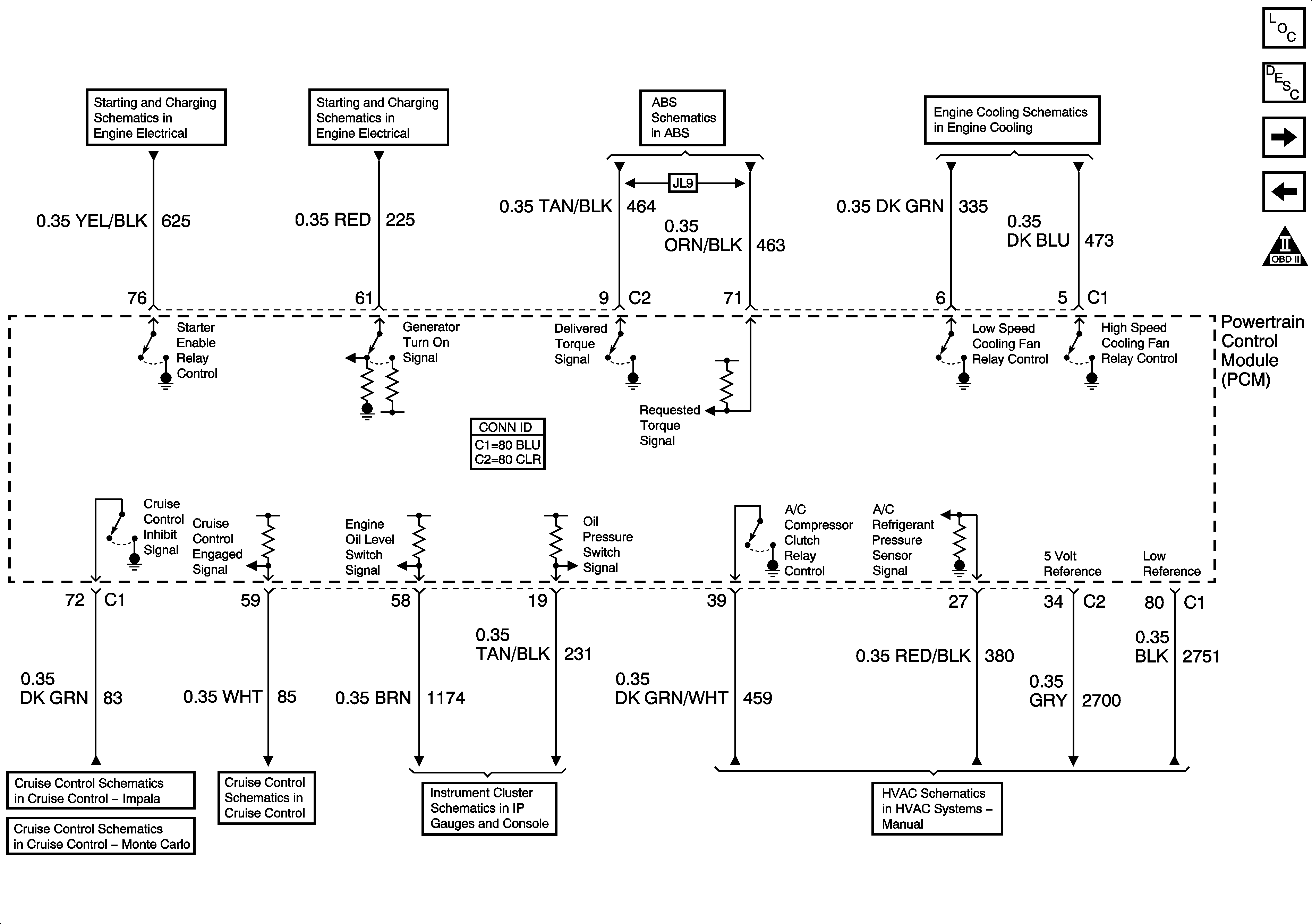
Figure 11:

Subsystem References


Object Number: 1552607  Size: FS
Master Electrical Component List
Powertrain Control Module Description
A/T References
EGR, and IAC
OBD II Symbol Description Notice
Engine Cranking
Charge Control and Indicator
Stop Lamps and Torque Signals
Engine Cooling
Impala
Monte Carlo
Indicator Control
Message Center
A/C Compressor Controls
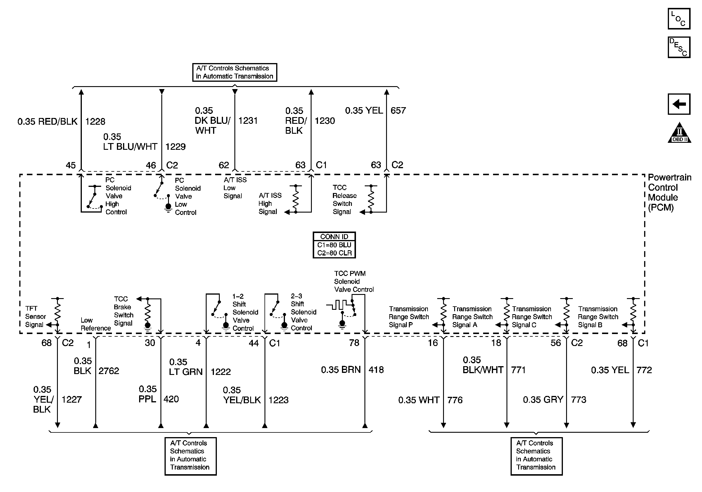
Figure 12:

A/T References


Object Number: 885104  Size: FS
Master Electrical Component List
Powertrain Control Module Description
Subsystems Reference
OBD II Symbol Description Notice
ISS, Pressure Control Solenoid Valve, and VSS
Soleniods, TCC, and TFT
Internal Mode Switch (IMS)