GM Service Manual Online
For 1990-2009 cars only
Figure 1:

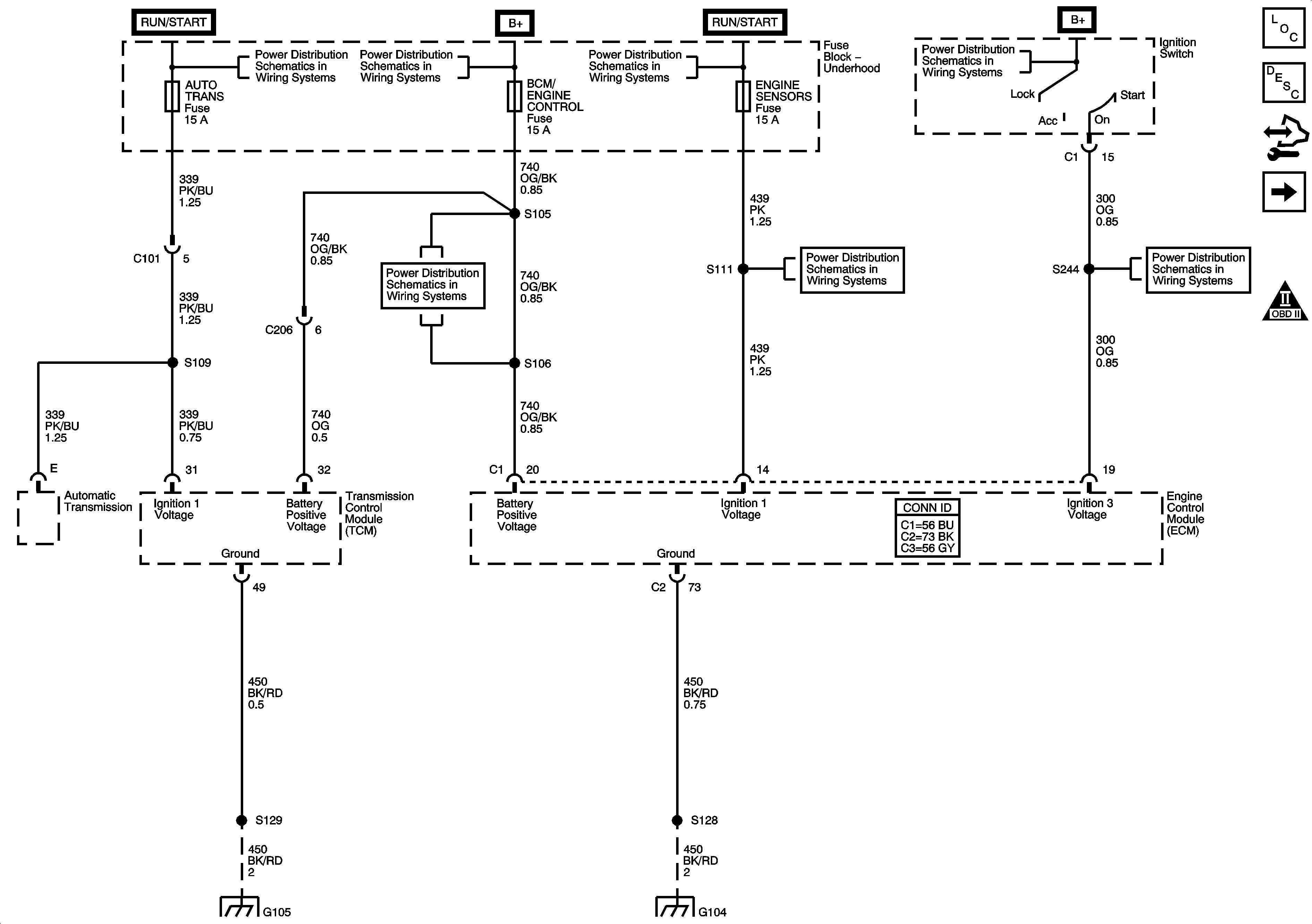
Engine Control Module (ECM), Transmission Control Module (TCM) Power and Ground


Object Number: 1519307  Size: FS
Master Electrical Component List
Control Module References
ECM/TCM Control Relays
OBD II Symbol Description Notice
EFI Relay, AUTO TRANS and ENGINE SENSORS Fuses
ENGINE, FUEL PUMP, and BCM/ENGINE CONTROL Fuses
EFI Relay, AUTO TRANS and ENGINE SENSORS Fuses
Ignition Switch
ENGINE, FUEL PUMP, and BCM/ENGINE CONTROL Fuses
EFI Relay, AUTO TRANS and ENGINE SENSORS Fuses
Ignition Switch
G104 and G105
G104 and G105
Figure 2:

ECM/TCM Control Relays


Object Number: 1519358  Size: FS
Master Electrical Component List
Control Module References
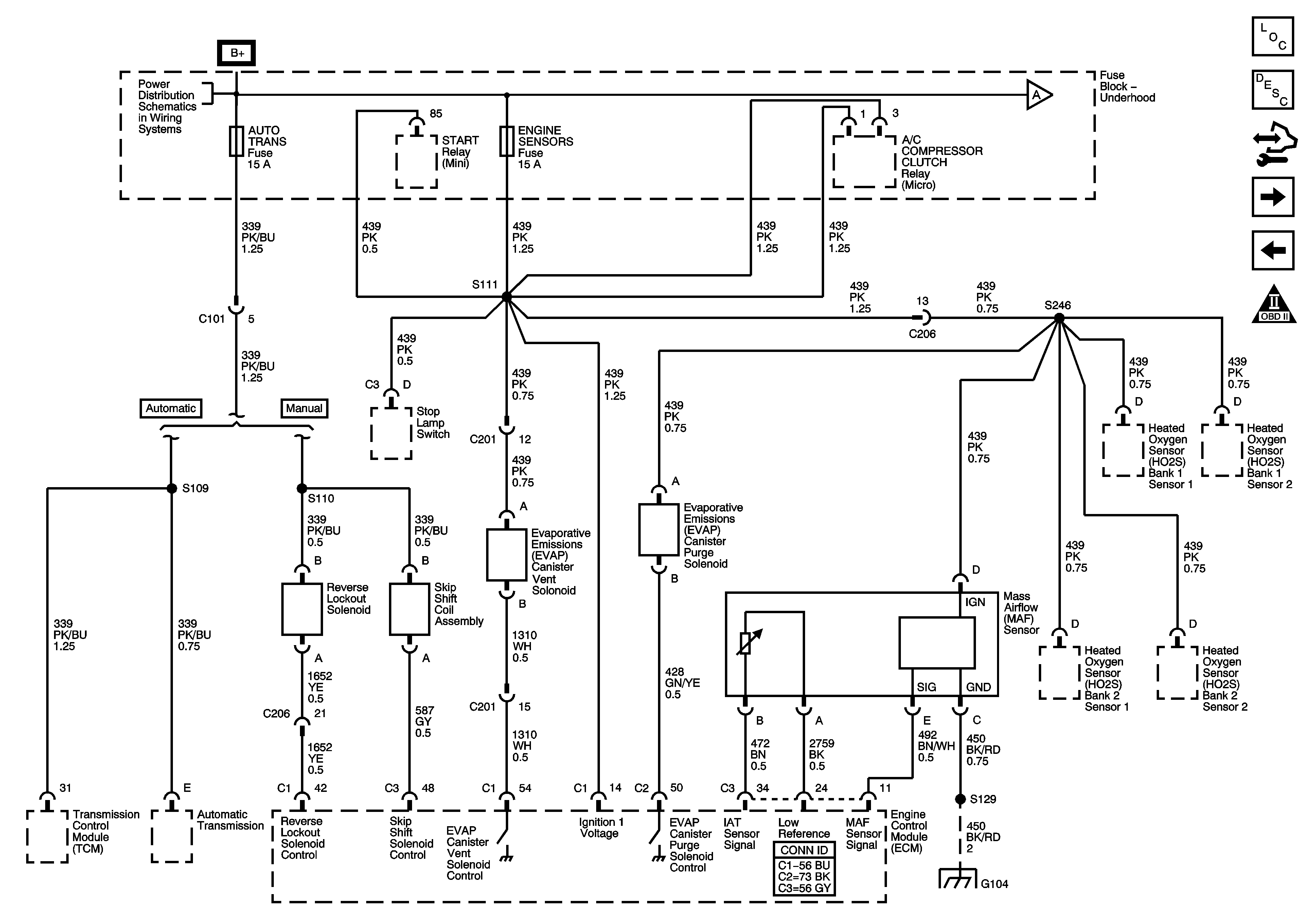
Manual Transmission Solenoids, EVAP Solenoids, and Mass Air Flow (MAF) Sensor
Engine Control Module (ECM) Power and Ground
OBD II Symbol Description Notice
Ignition Switch
Accessory Control Relay, RADIO CELLULAR PHONE, ACC SOCKET, ECM SIGNAL Fuses
G100, G101, SP100 and G102 1 of 5
Figure 3:

Manual Transmission Solenoids, EVAP Solenoids, Mass Air Flow (MAF) Sensor


Object Number: 1519308  Size: FS
Master Electrical Component List
Control Module References
Fuel Injectors
ECM/TCM Control Relays
OBD II Symbol Description Notice
EFI Relay, AUTO TRANS and ENGINE SENSORS Fuses
G104 and G105
Figure 4:

Fuel Injectors


Object Number: 1519310  Size: FS
Master Electrical Component List
Control Module References
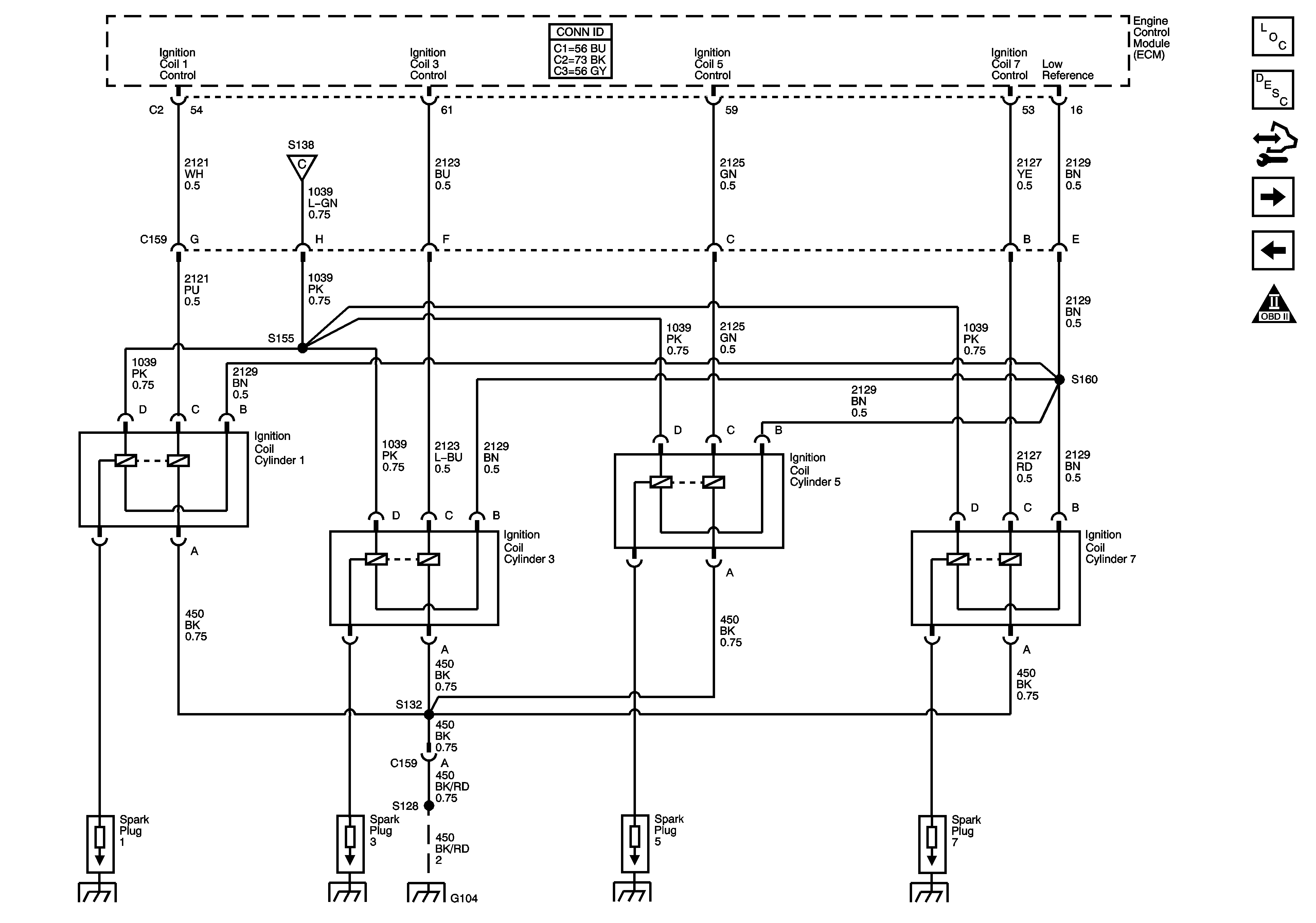
Ignition Coils - 1 of 2
Manual Transmission Solenoids, EVAP Solenoids, and Mass Air Flow (MAF) Sensor
OBD II Symbol Description Notice
Figure 5:

Ignition Coils - 1 of 2


Object Number: 1519314  Size: FS
Master Electrical Component List
Control Module References
Ignition Coils - 2 of 2
Fuel Injectors
OBD II Symbol Description Notice
G104 and G105
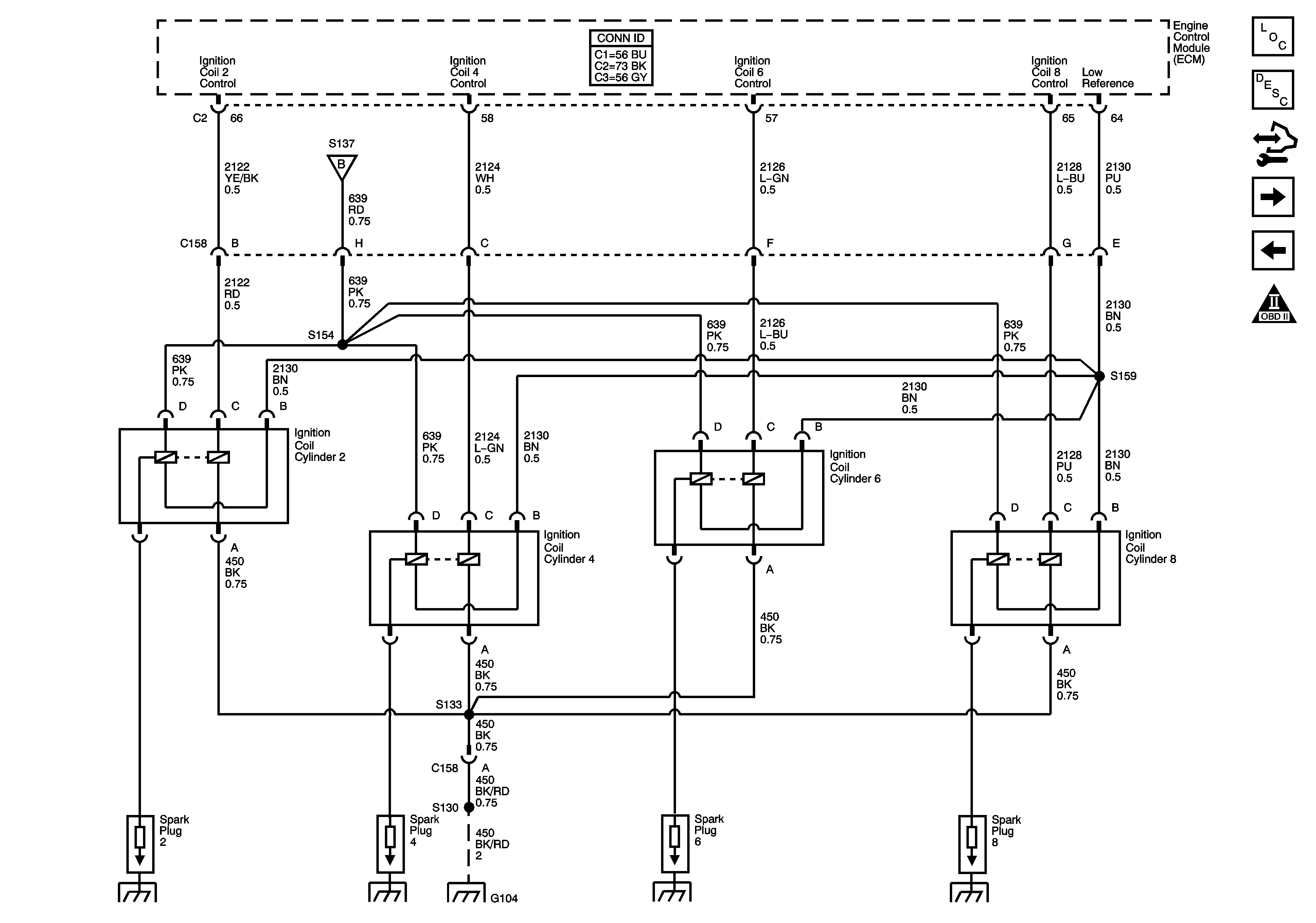
Figure 6:

Ignition Coils - 2 of 2


Object Number: 1519315  Size: FS
Master Electrical Component List
Control Module References
Fuel Pump and Sender Assembly
Ignition Coils - 1 of 2
OBD II Symbol Description Notice
G104 and G105
Figure 7:

Fuel Pump and Sender Assembly


Object Number: 1519352  Size: FS
Master Electrical Component List
Control Module References
Throttle Position (TP) Sensor, Throttle Actuator Control (TAC) Motor, Accelerator Pedal Position (APP) Sensor
Ignition Coils - 2 of 2
OBD II Symbol Description Notice
ENGINE, FUEL PUMP, and BCM/ENGINE CONTROL Fuses
ENGINE, FUEL PUMP, and BCM/ENGINE CONTROL Fuses
SP100 and G102 3 of 5
G900 and G901
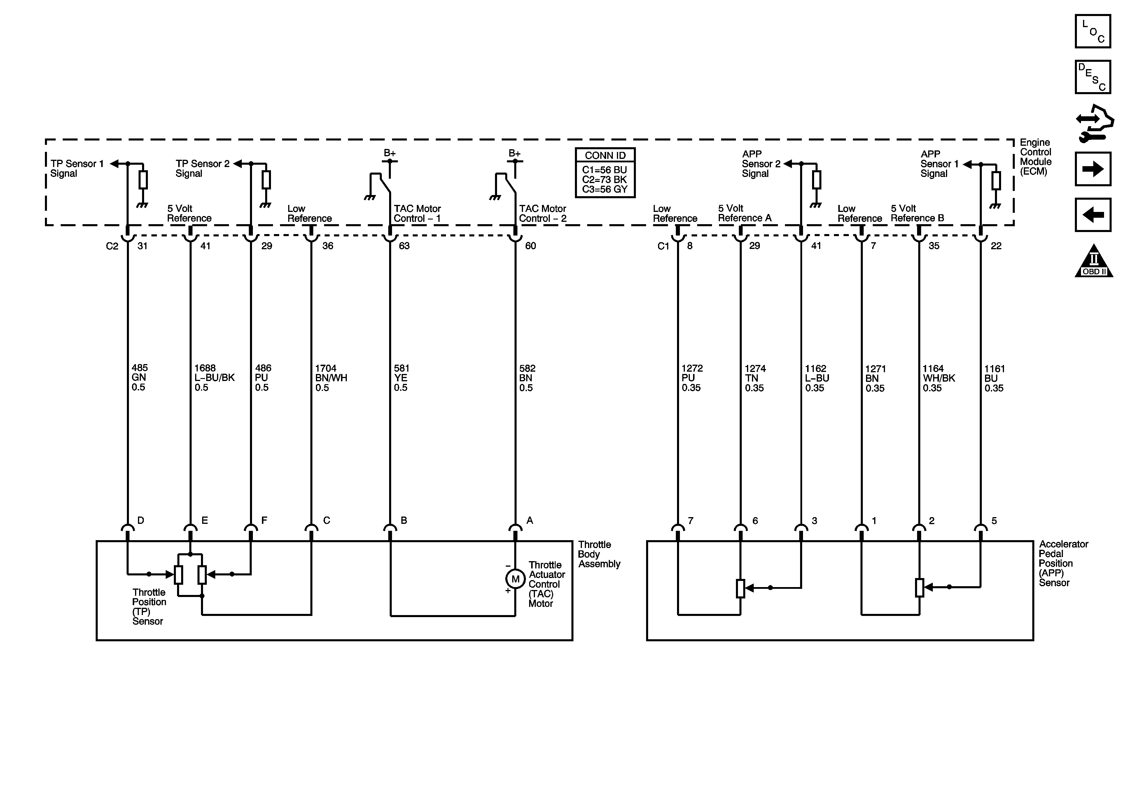
Figure 8:

Throttle Position (TP) Sensor, Throttle Actuator Control (TAC) Motor, Accelerator Pedal Position (APP) Sensor


Object Number: 1519353  Size: FS
Master Electrical Component List
Control Module References
Knock Sensors (KS), Manifold Absolute Pressure (MAP), Engine Oil Pressure (EOP), and A/C Refrigerant Pressure Sensors
Fuel Pump and Sender Assembly
OBD II Symbol Description Notice
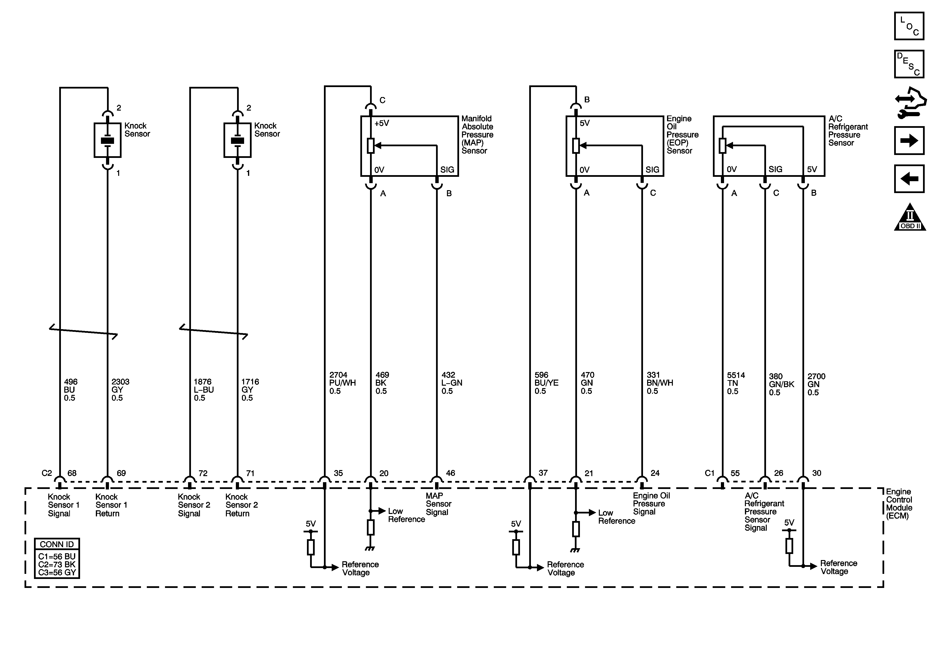
Figure 9:

Knock Sensors (KS), Manifold Absolute Pressure (MAP), Engine Oil Pressure (EOP), A/C Refrigerant Pressure Sensors


Object Number: 1519354  Size: FS
Master Electrical Component List
Control Module References
Engine Coolant Temperature (ECT), Camshaft Position (CMP) and Crankshaft Position (CKP) Sensors
Throttle Position (TP) Sensor, Throttle Actuator Control (TAC) Motor, Accelerator Pedal Position (APP) Sensor
OBD II Symbol Description Notice
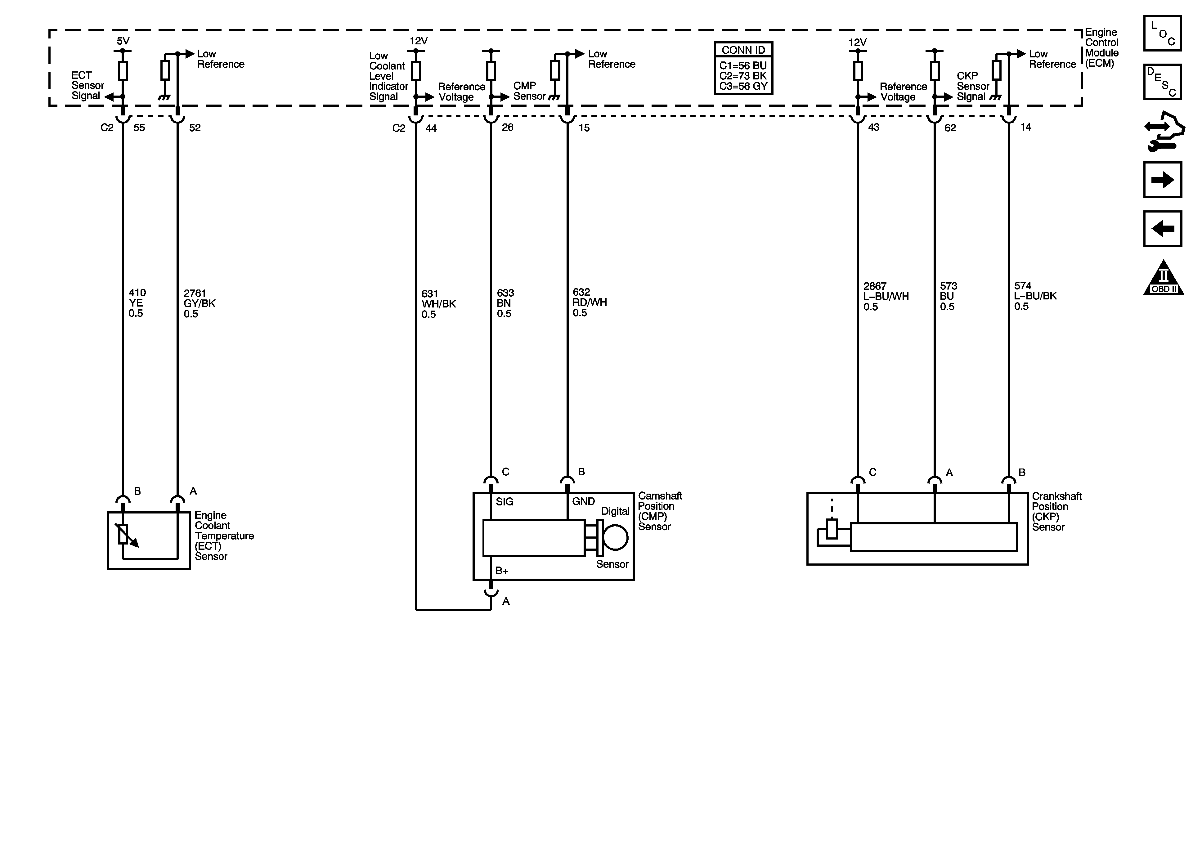
Figure 10:

Engine Coolant Temperature (ECT), Camshaft Position (CMP) and Crankshaft Position (CKP) Sensors


Object Number: 1519355  Size: FS
Master Electrical Component List
Control Module References
Heated Oxygen Sensors (HO2S)
Knock Sensors (KS), Manifold Absolute Pressure (MAP), Engine Oil Pressure (EOP), and A/C Refrigerant Pressure Sensors
OBD II Symbol Description Notice
Figure 11:

Heated Oxygen Sensors (HO2S)


Object Number: 1519356  Size: FS
Master Electrical Component List
Control Module References
Controled/Monitored Subsystem References
Engine Coolant Temperature (ECT), Camshaft Position (CMP) and Crankshaft Position (CKP) Sensors
OBD II Symbol Description Notice
EFI Relay, AUTO TRANS and ENGINE SENSORS Fuses
EFI Relay, AUTO TRANS and ENGINE SENSORS Fuses
Figure 12:

Controlled/Monitored Subsystem References


Object Number: 1519359  Size: FS
Master Electrical Component List
Control Module References
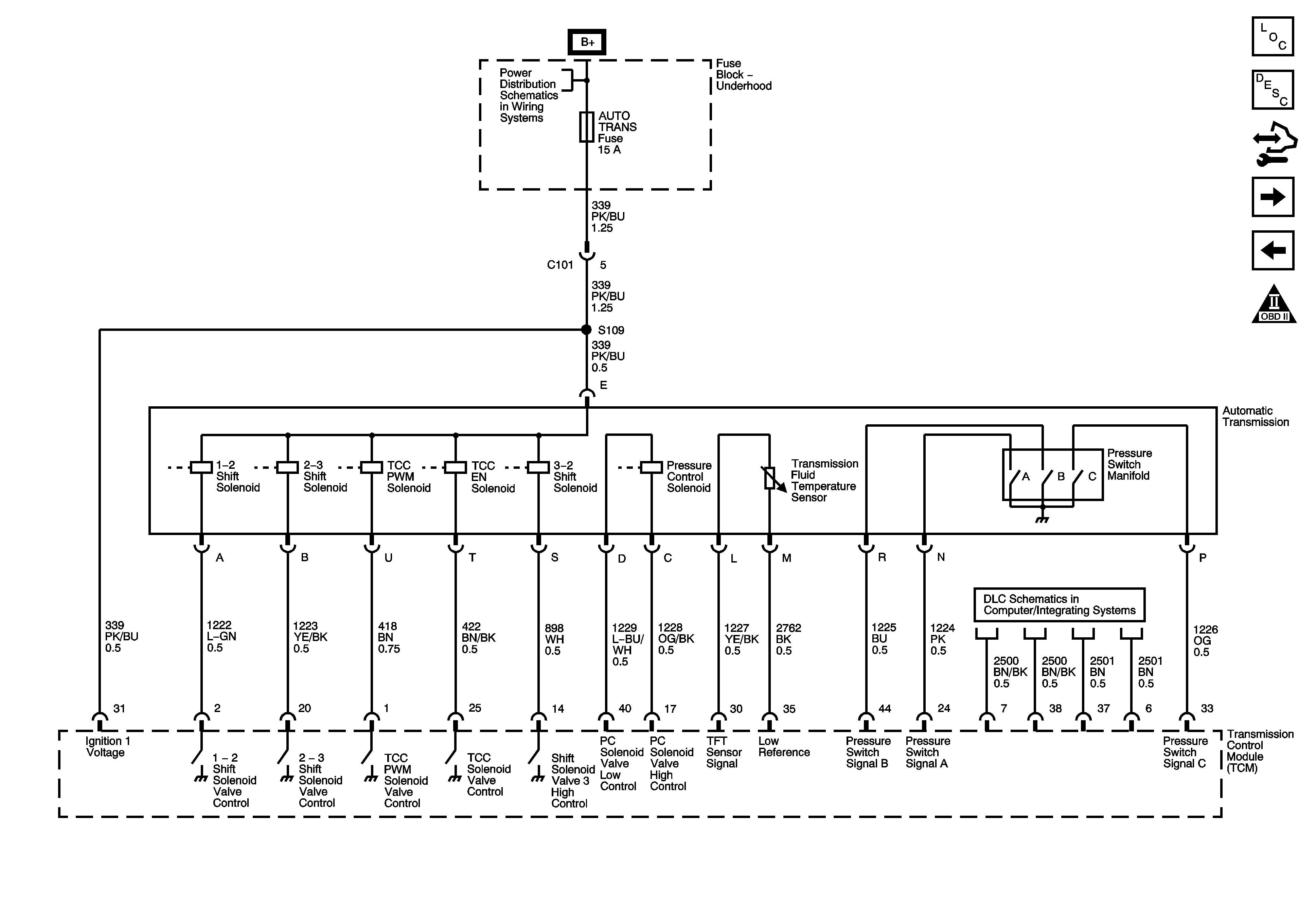
Automatic Transmission Controls
Heated Oxygen Sensors (HO2S)
OBD II Symbol Description Notice
MIL, Brake, Security, Door Ajar, and Seat Belt Indicators
EFI Relay, AUTO TRANS and ENGINE SENSORS Fuses
Starting System
Data Link Connector - 2 of 2
A/C Compressor Control
Engine Cooling Schematics
Cruise Control
Stop Lamps
Figure 13:

Automatic Transmission Controls


Object Number: 1519361  Size: FS
Master Electrical Component List
Control Module References
Park/Neutral Position (PNP) Switch, Vehicle Speed Sensor (VSS)
Controled/Monitored Subsystem References
OBD II Symbol Description Notice
EFI Relay, AUTO TRANS and ENGINE SENSORS Fuses
Figure 14:

Park/Neutral Position (PNP) Switch, Vehicle Speed Sensor (VSS)


Object Number: 1519362  Size: FS
Master Electrical Component List
Control Module References
Automatic Transmission Controls
OBD II Symbol Description Notice
TURN SIGNALS and BACKUP LAMPS, HEATED REAR WINDOW, HVAC, and INSTRUMENT Fuses
TURN SIGNALS and BACKUP LAMPS, HEATED REAR WINDOW, HVAC, and INSTRUMENT Fuses
Backup Lamps
Stop Lamps