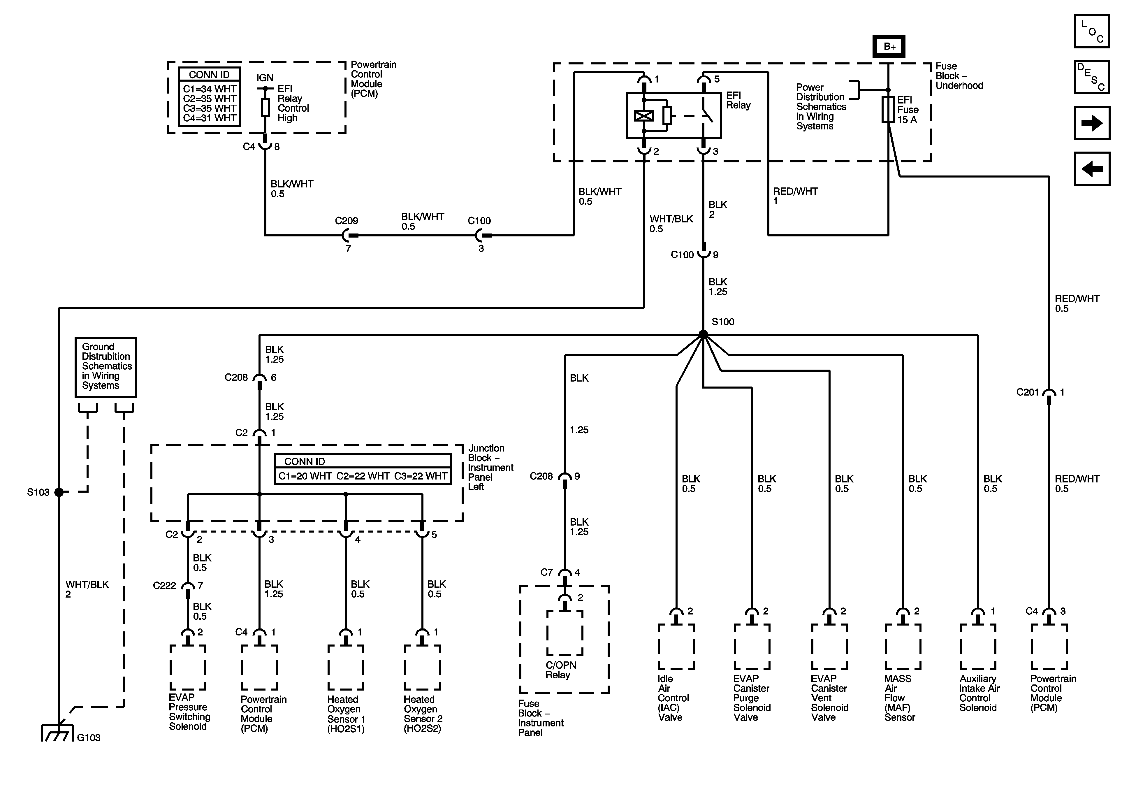
| Figure 1: |
Powertrain Control Module (PCM) Power
and Ground
|
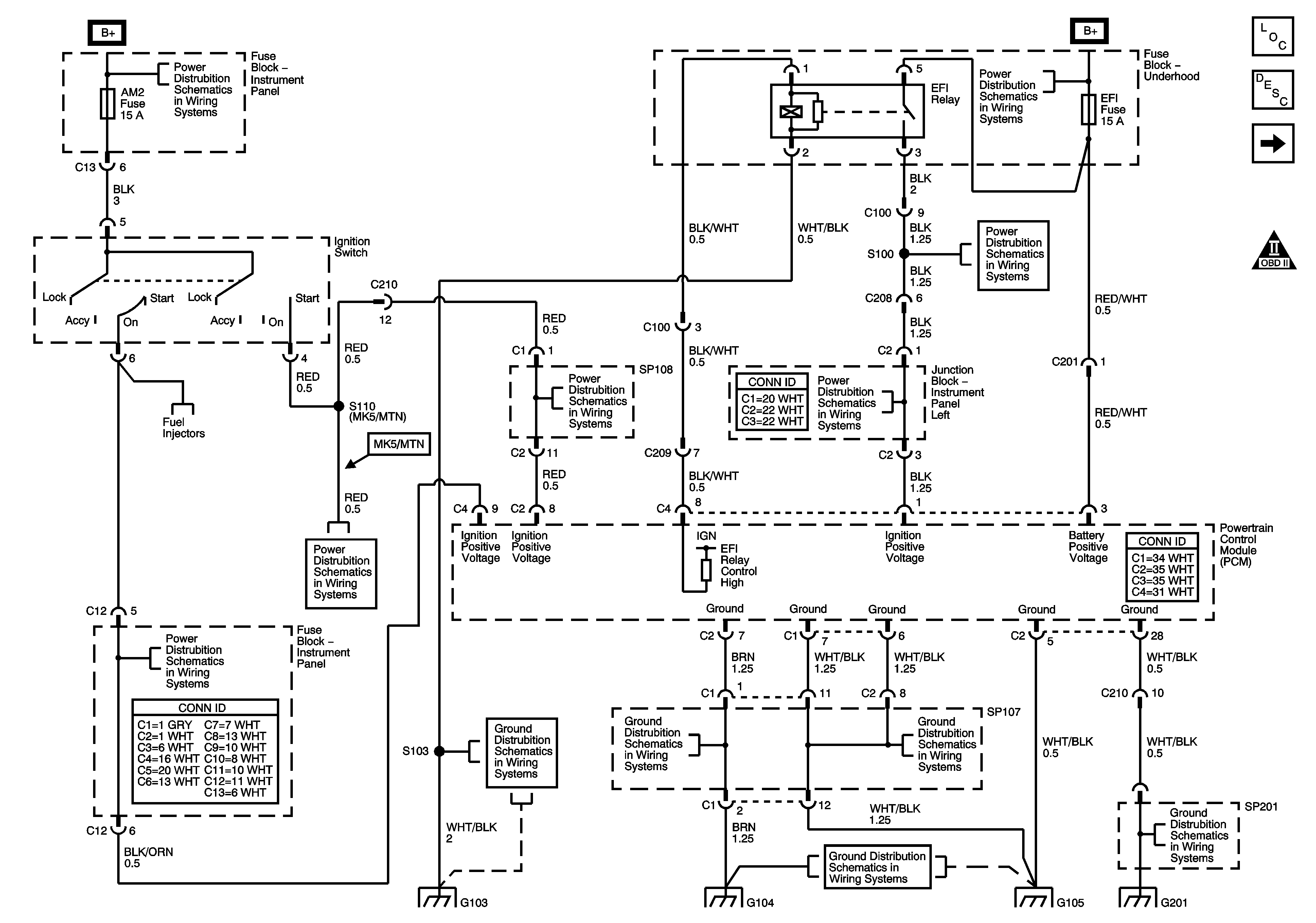
| Figure 2: |
Main Power Feed
|
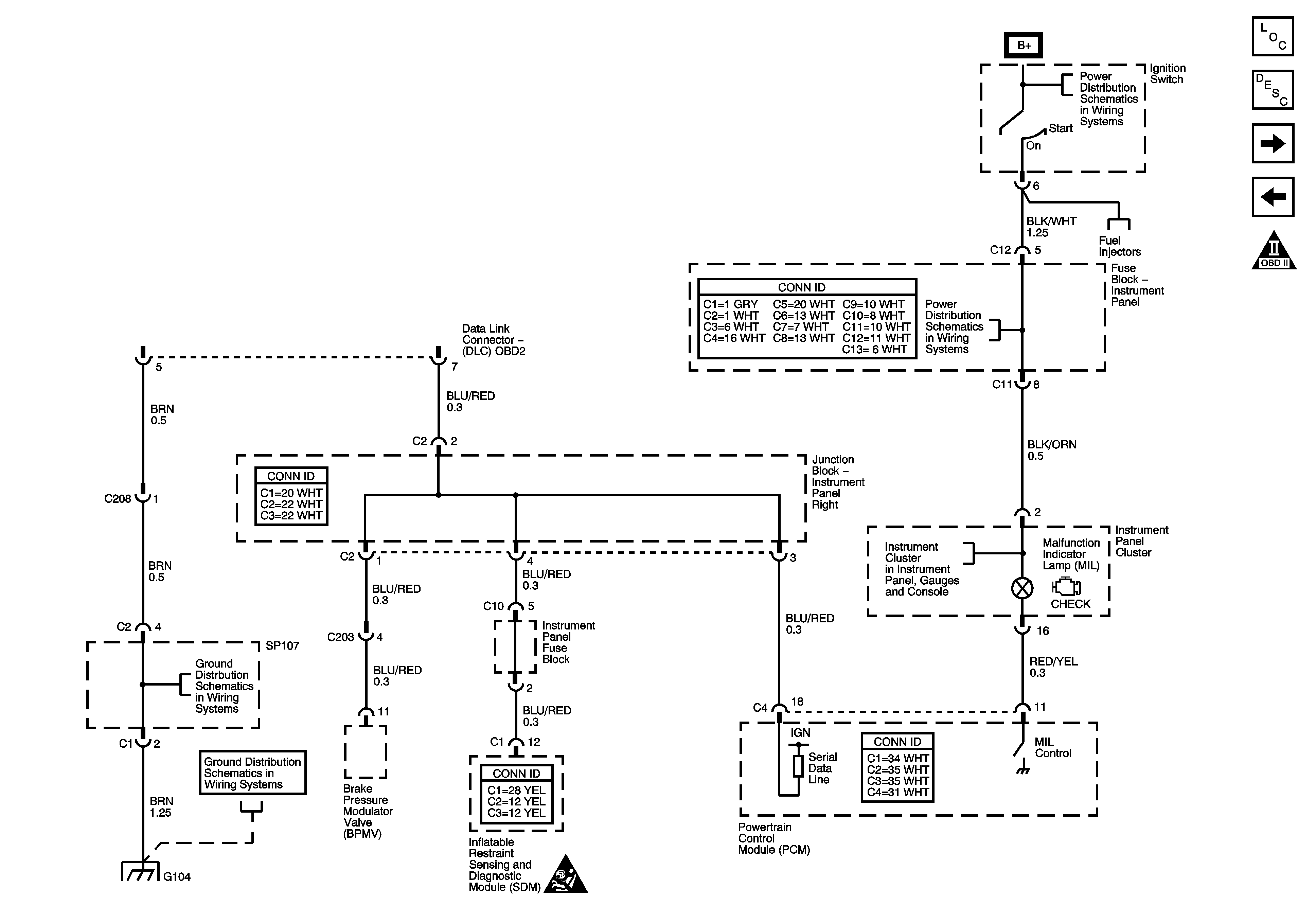
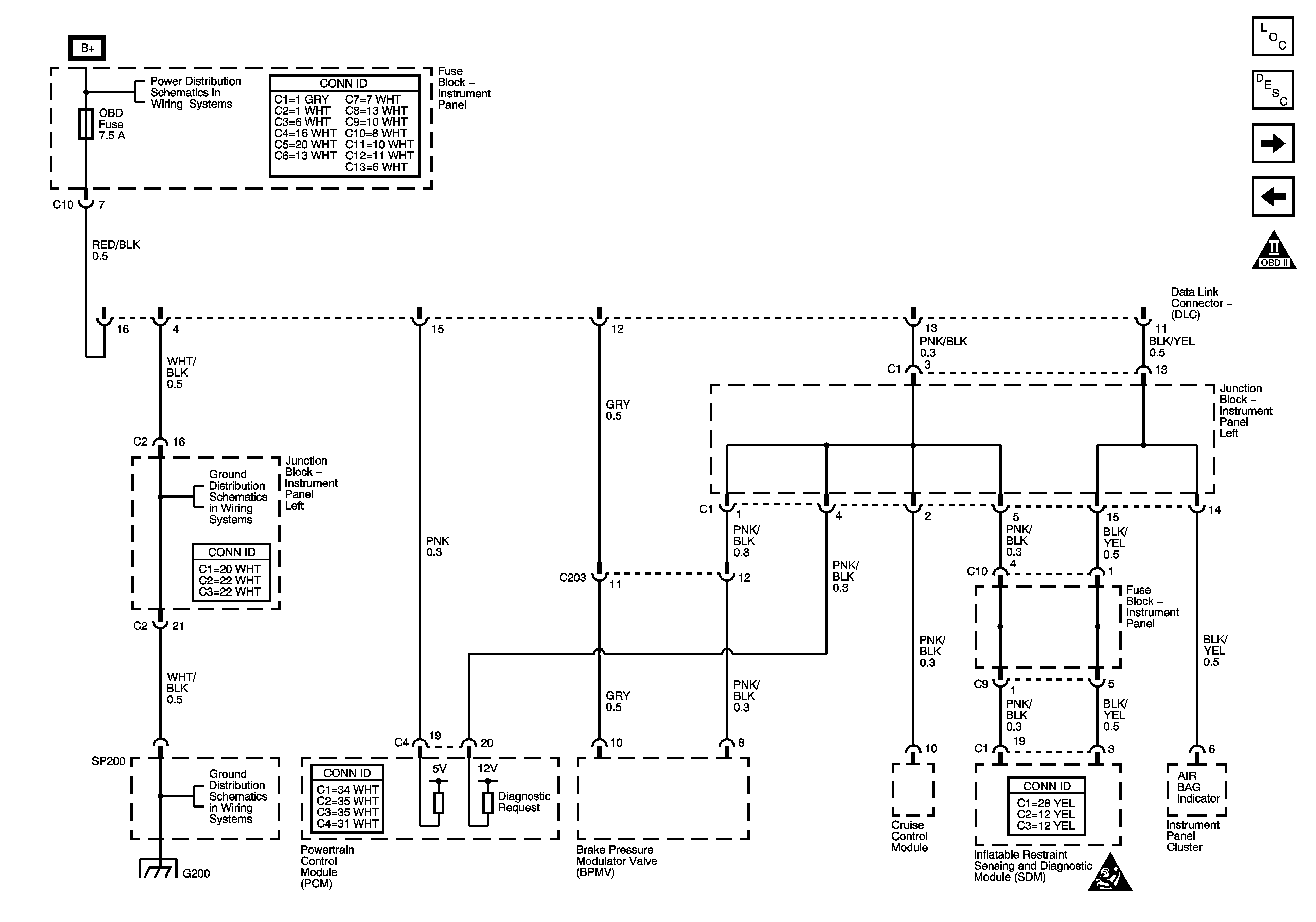
| Figure 3: |
Data Link Connector (1 of 2 (DLC))
|
| Figure 4: |
Data Link Connector (2 of 2 (DLC))
|
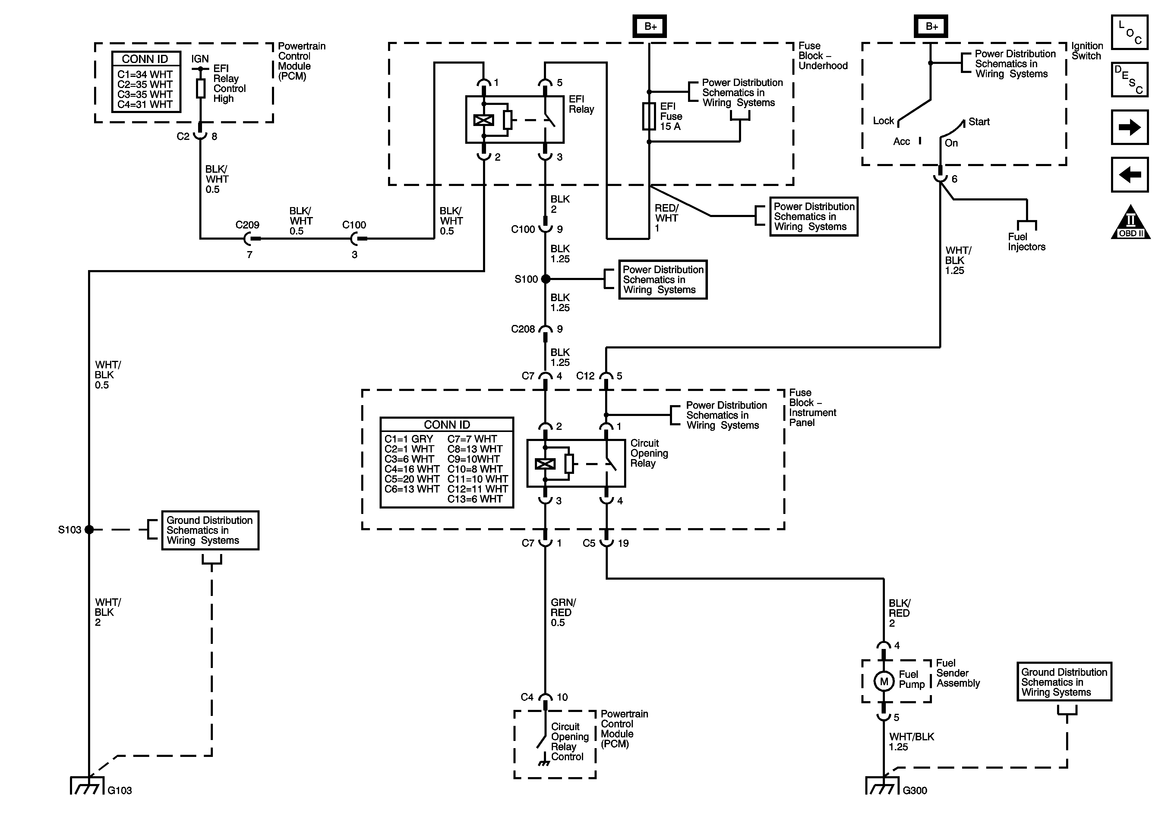
| Figure 5: |
Fuel Supply System
|
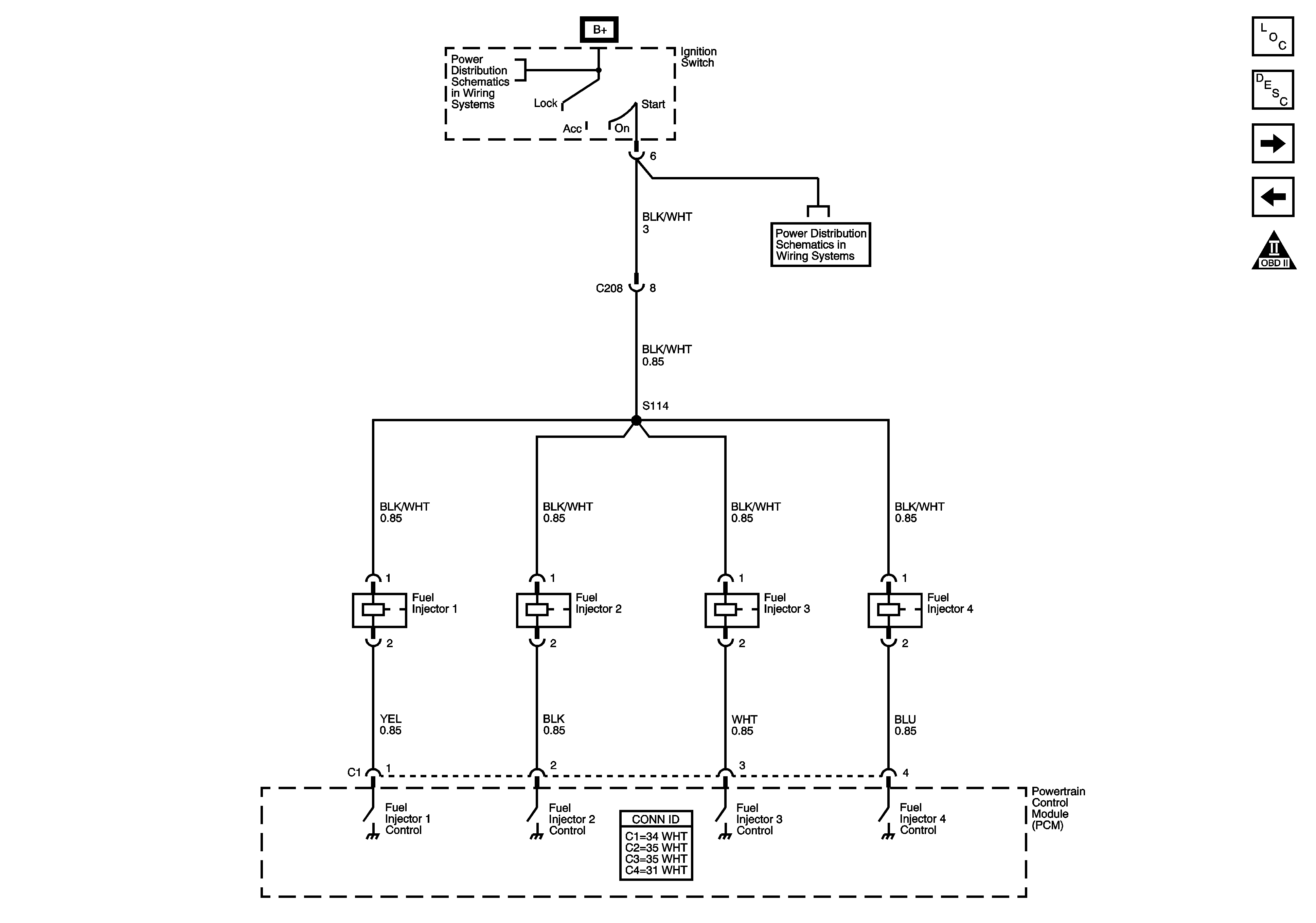
| Figure 6: |
Fuel Injectors
|
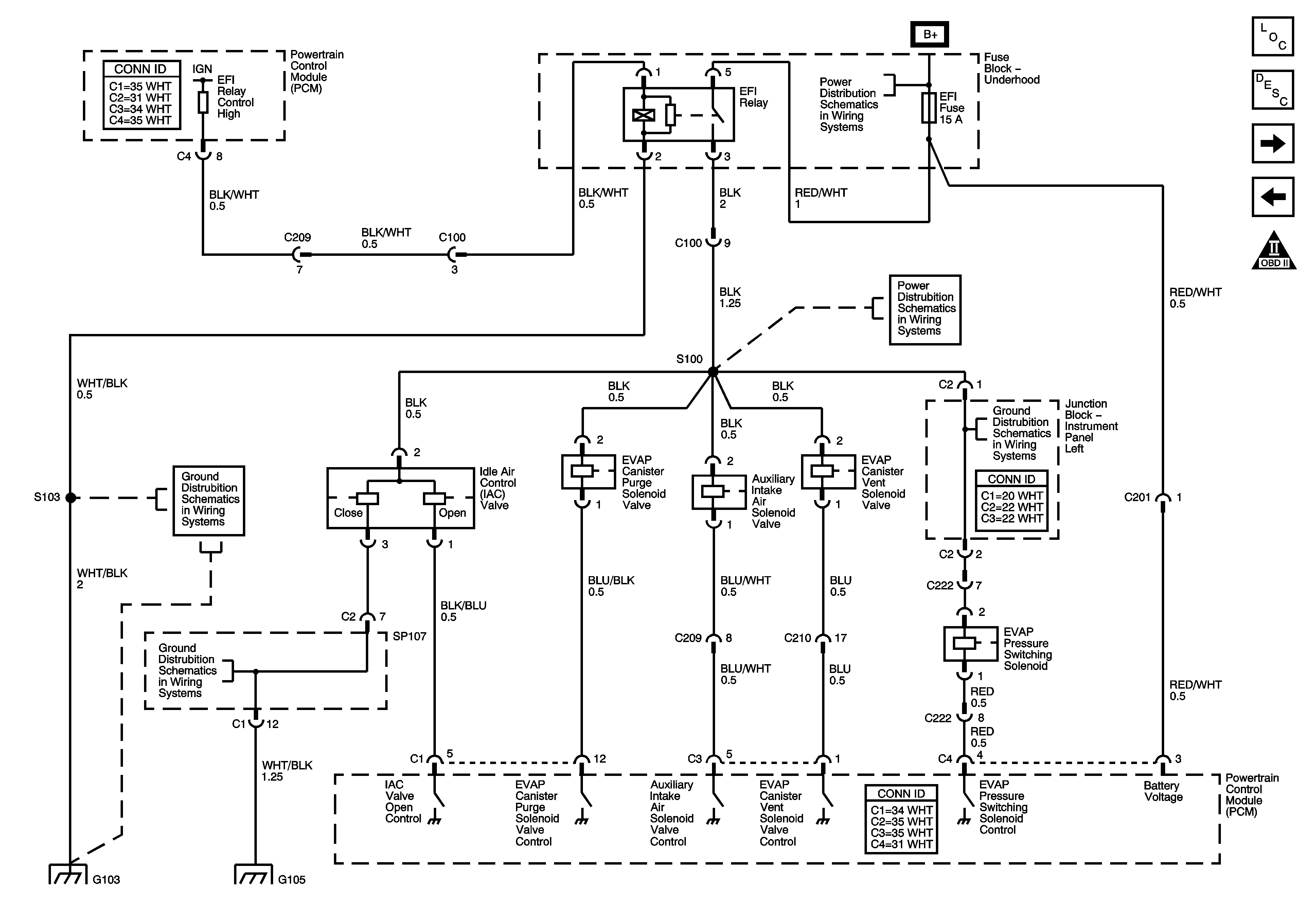
| Figure 7: |
IAC Valve and EVAP Control
|
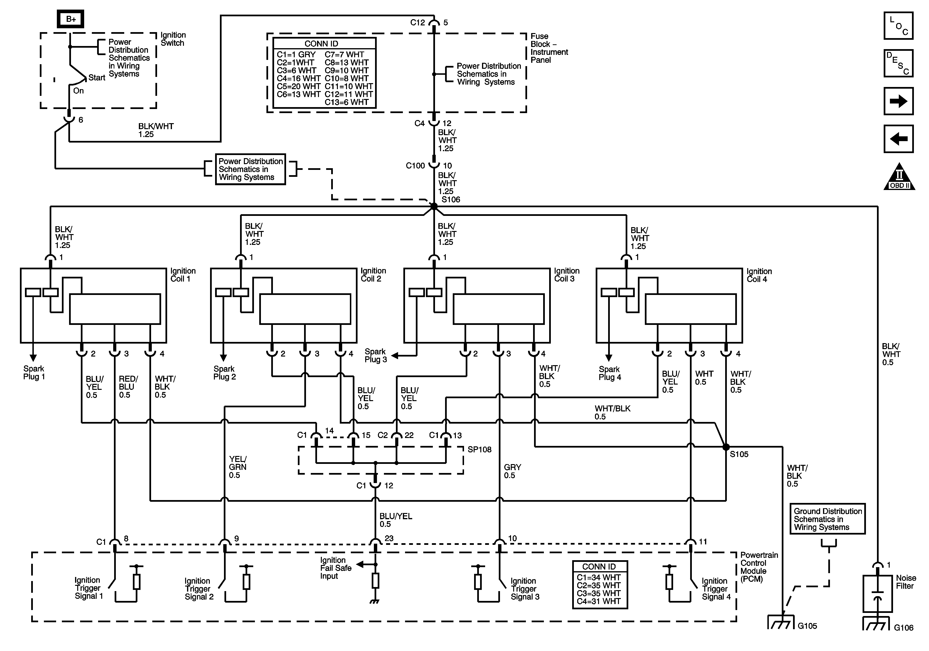
| Figure 8: |
Ignition System
|
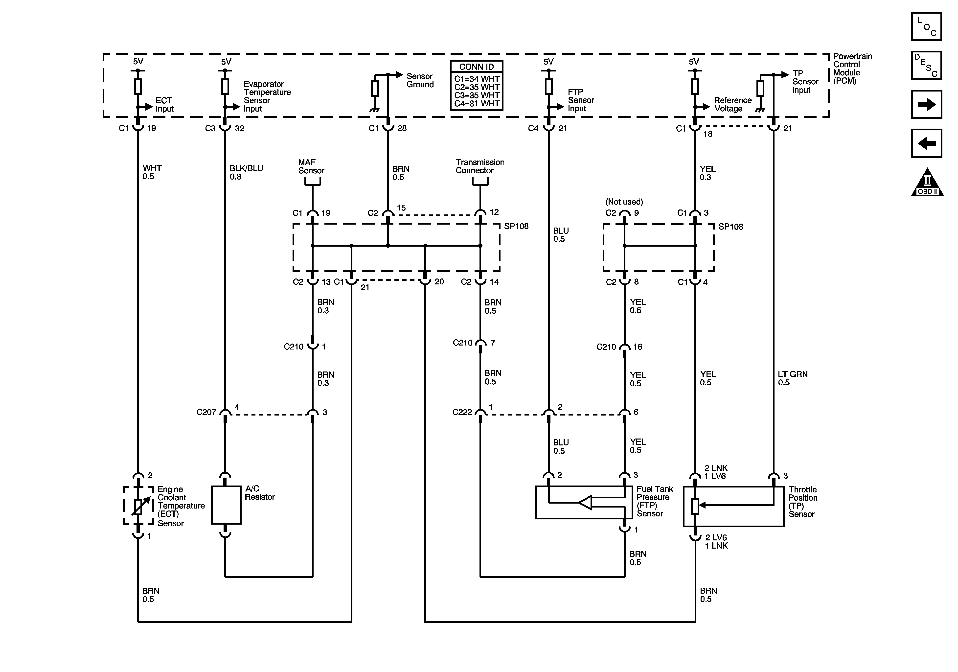
| Figure 9: |
Engine Coolant Temperature (ECT), Evaporator Temperature,
Fuel Tank Pressure (FTP) and Throttle Position Sensors
|
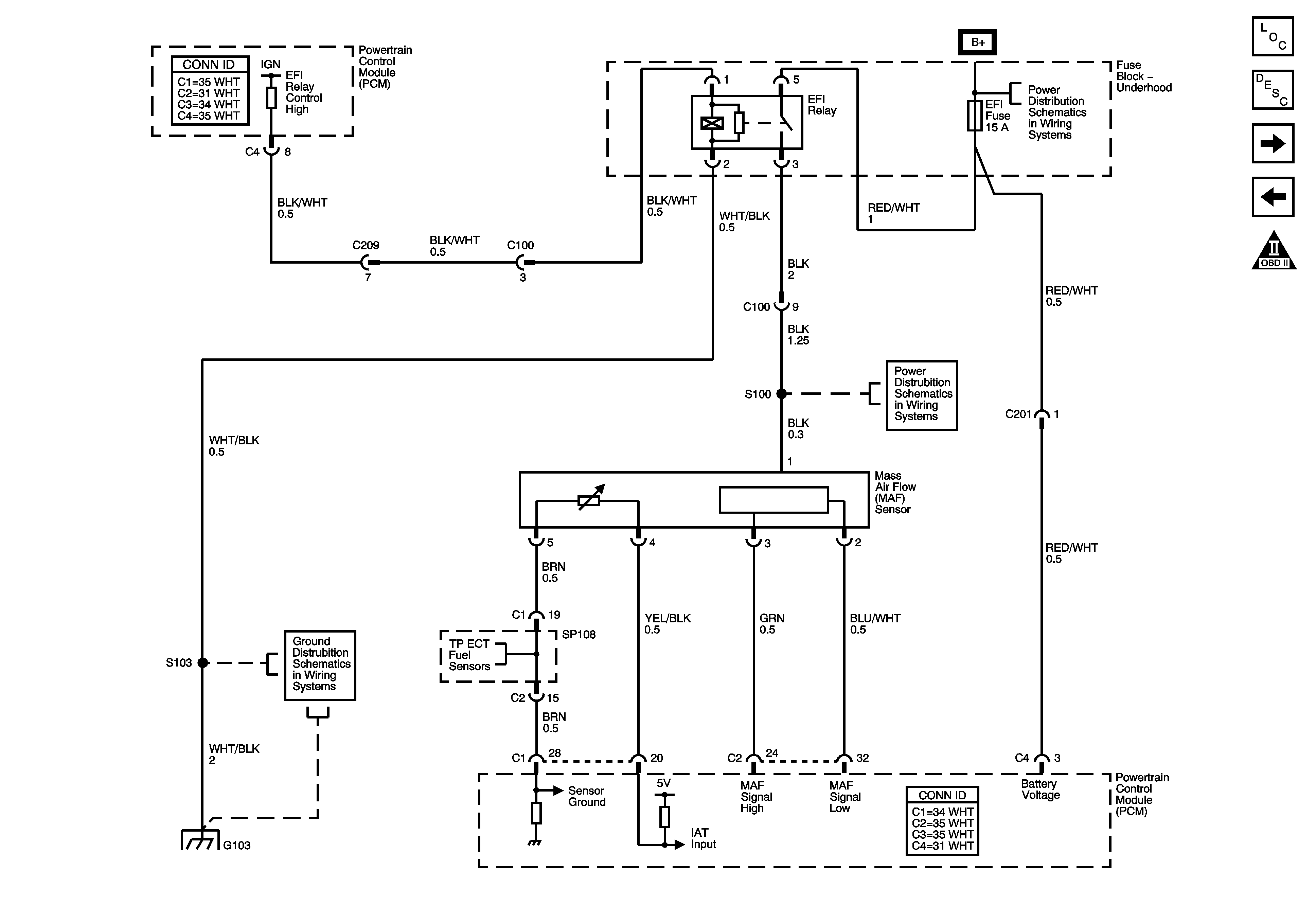
| Figure 10: |
MAF Sensor
|
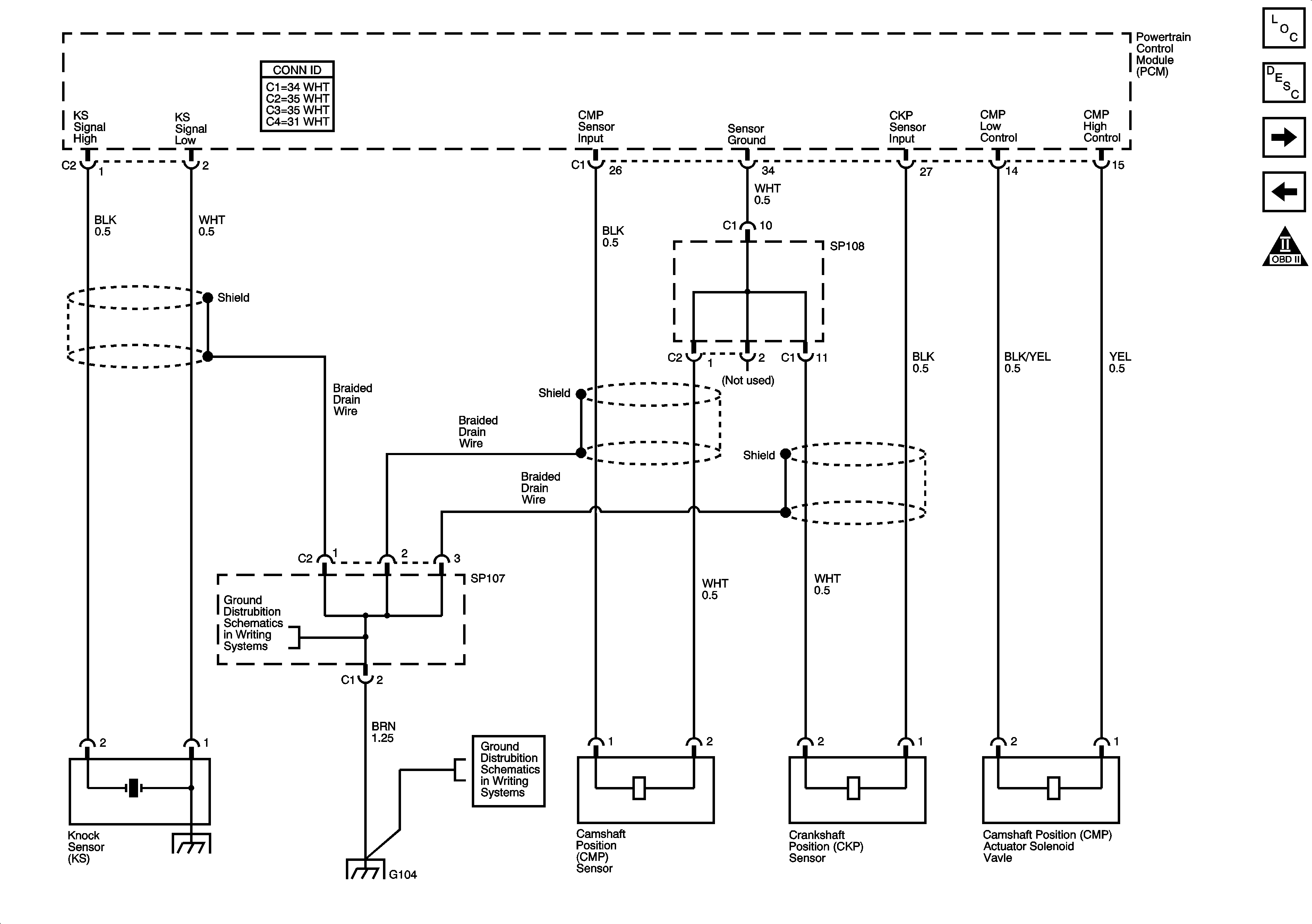
| Figure 11: |
Knock Sensor (KS), Camshaft Position (CMP) Sensor,
Crankshaft Position (CKP) Sensor and Camshaft Position (CMP) Actuator Solenoid Valve
|
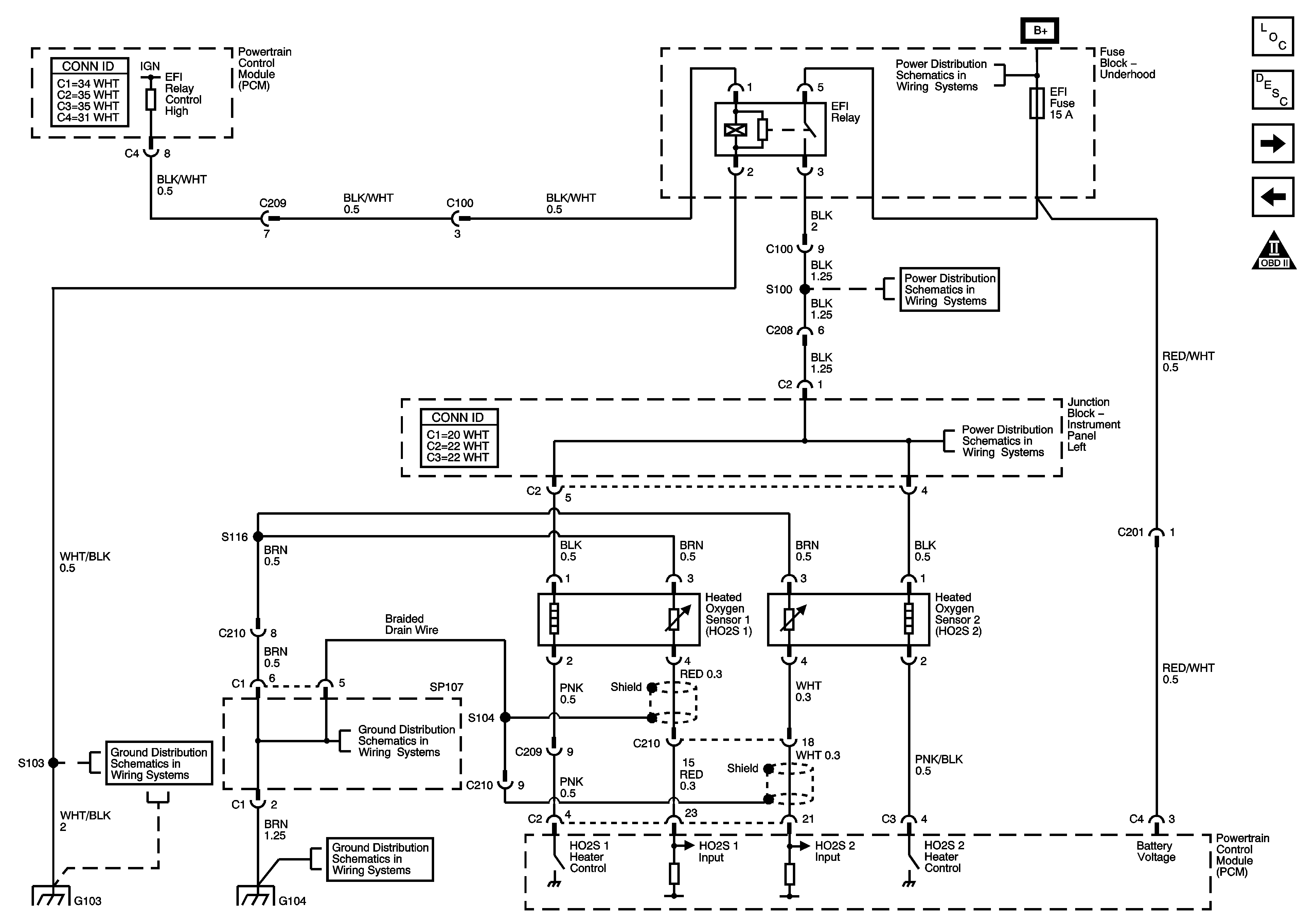
| Figure 12: |
Heated Oxygen Sensors (HO2S)
|
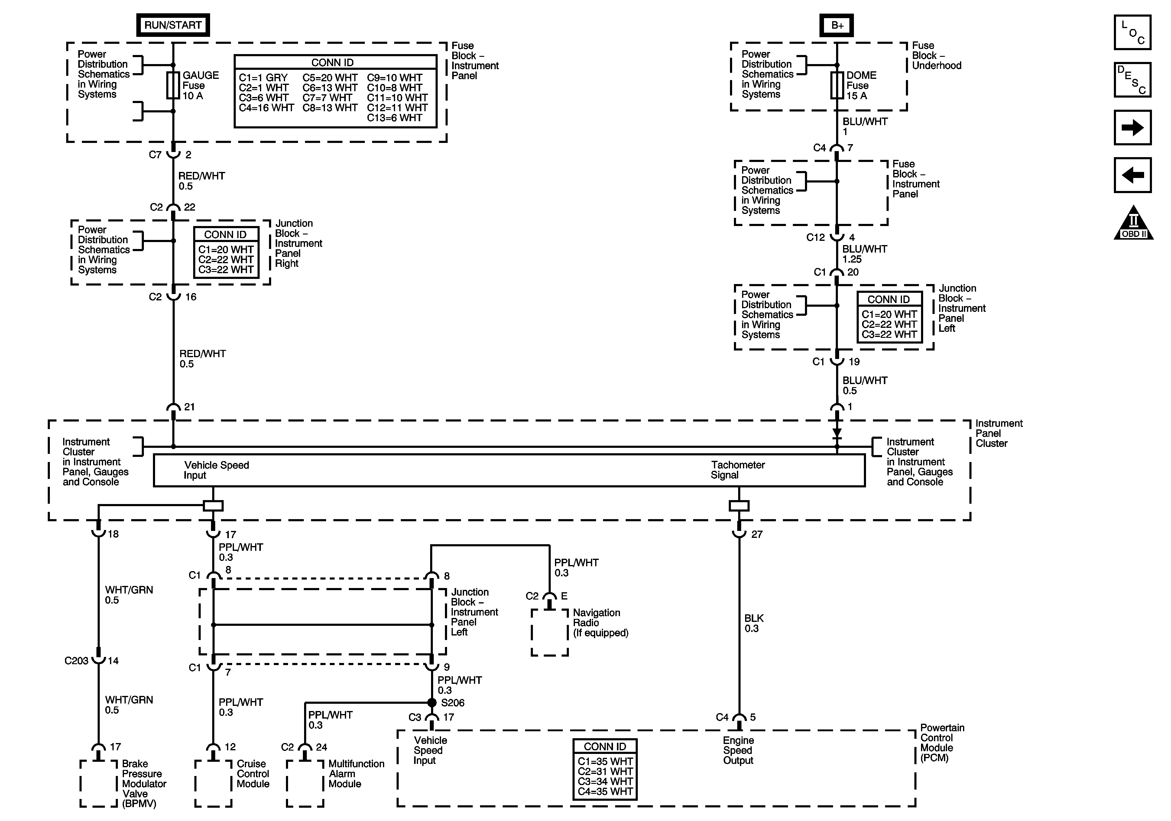
| Figure 13: |
Vehicle Speed Sensor (VSS)
|
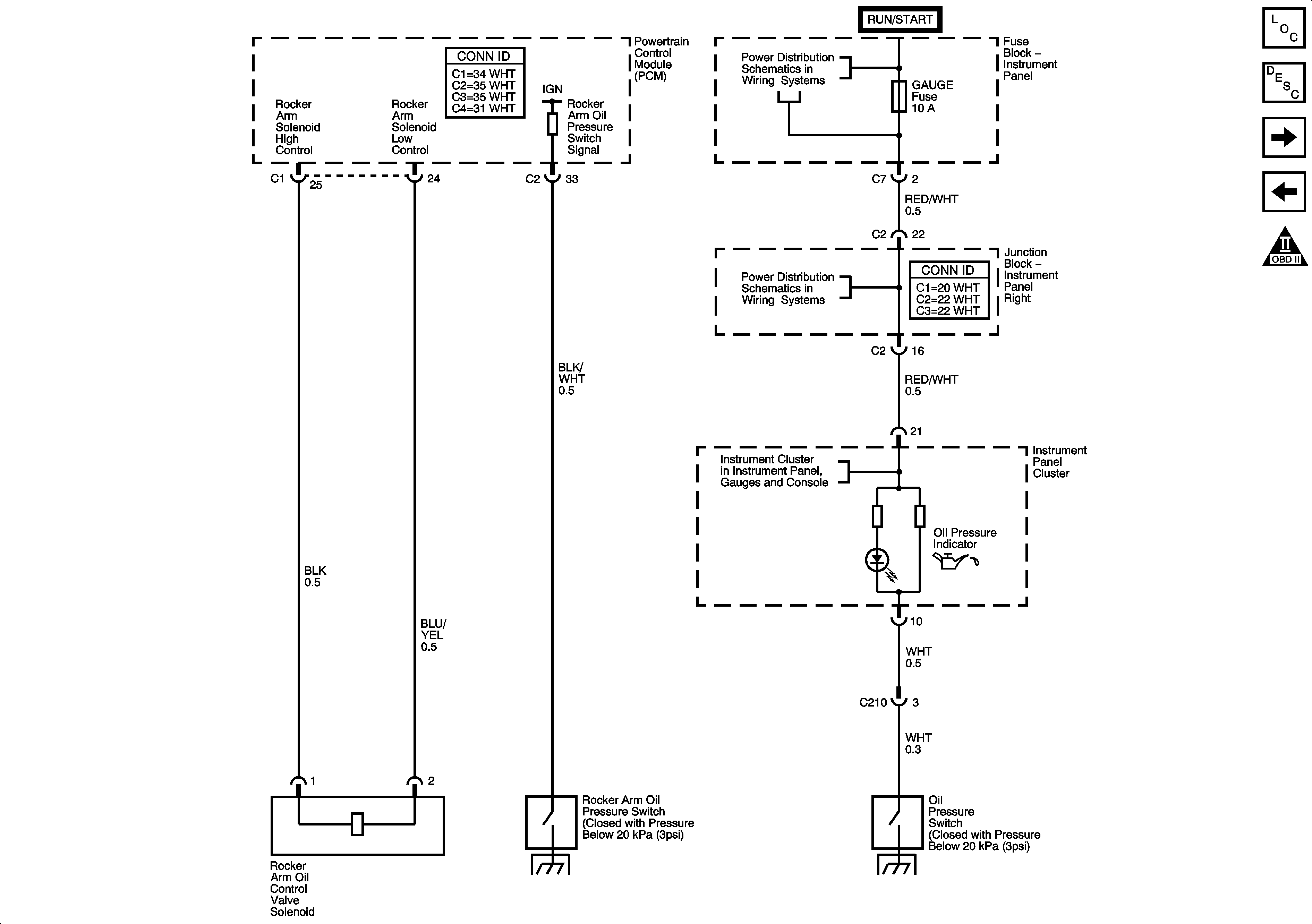
| Figure 14: |
Rocker Arm Oil Control Valve Solenoid, Oil Pressure
Switches
|
| Figure 15: |
Powertrain Control Module (PCM) Idle Up Inputs
|