GM Service Manual Online
For 1990-2009 cars only

HVAC Schematics Notchback

Figure 1:

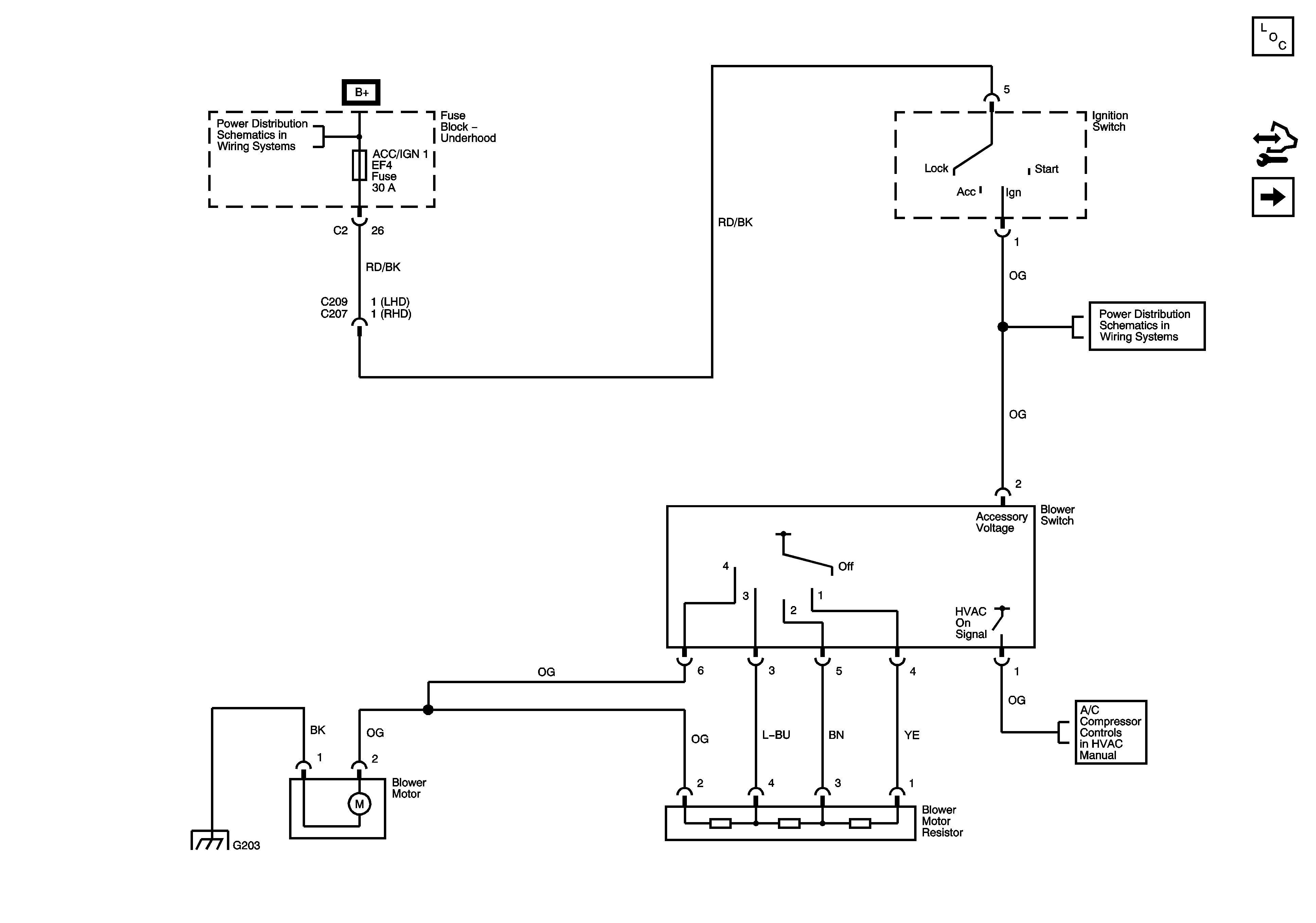
Blower Controls


Object Number: 1736669  Size: FS
Master Electrical Component List (Notchback)
Control Module References
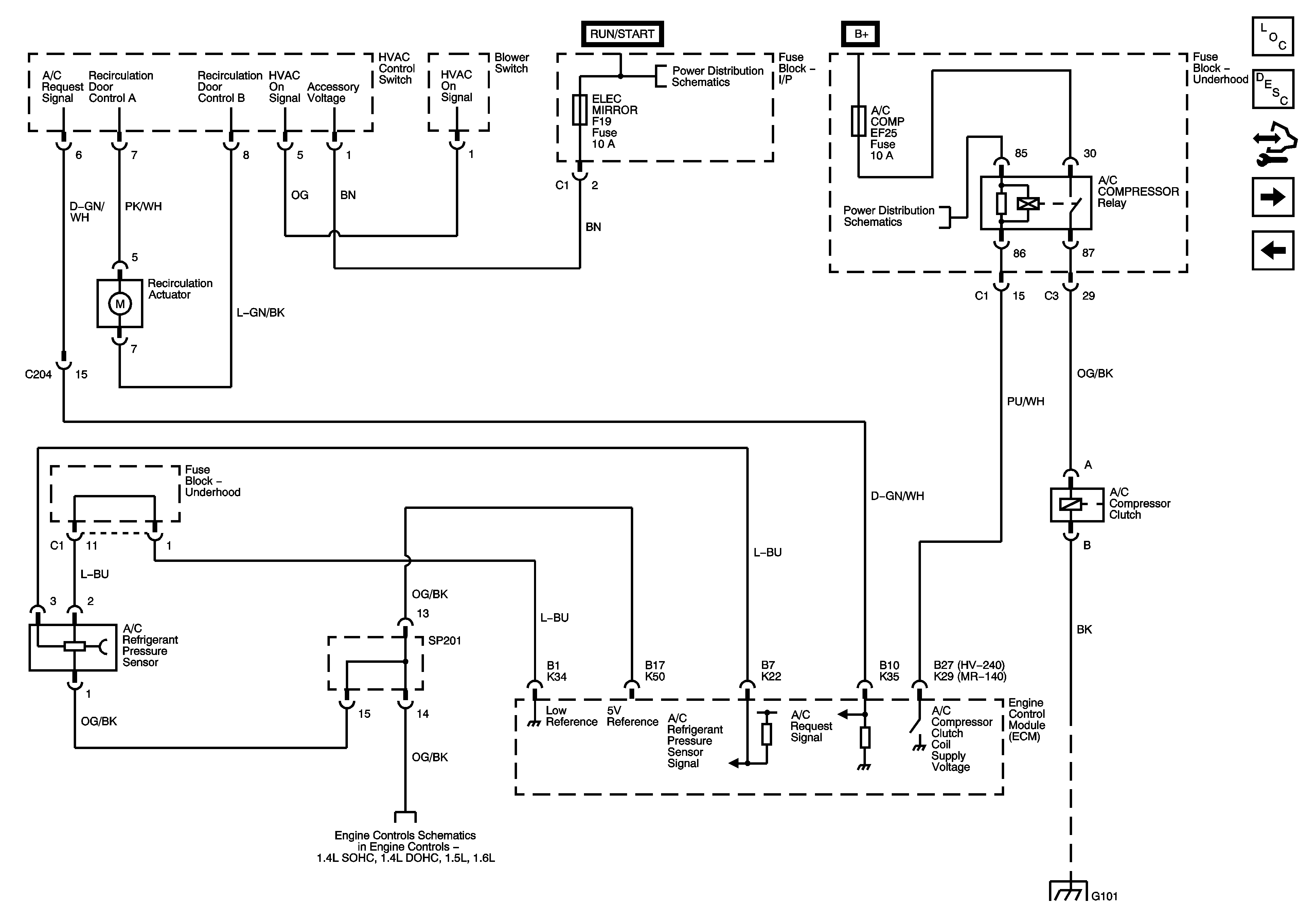
Compressor Controls
ACC/IG 1 Fuse, Ignition Switch, B/UP LAMP, ELEC MIRROR Fuses
ACC/IG 1 Fuse, Ignition Switch, B/UP LAMP, ELEC MIRROR Fuses
G203
Compressor Controls Sirius D42
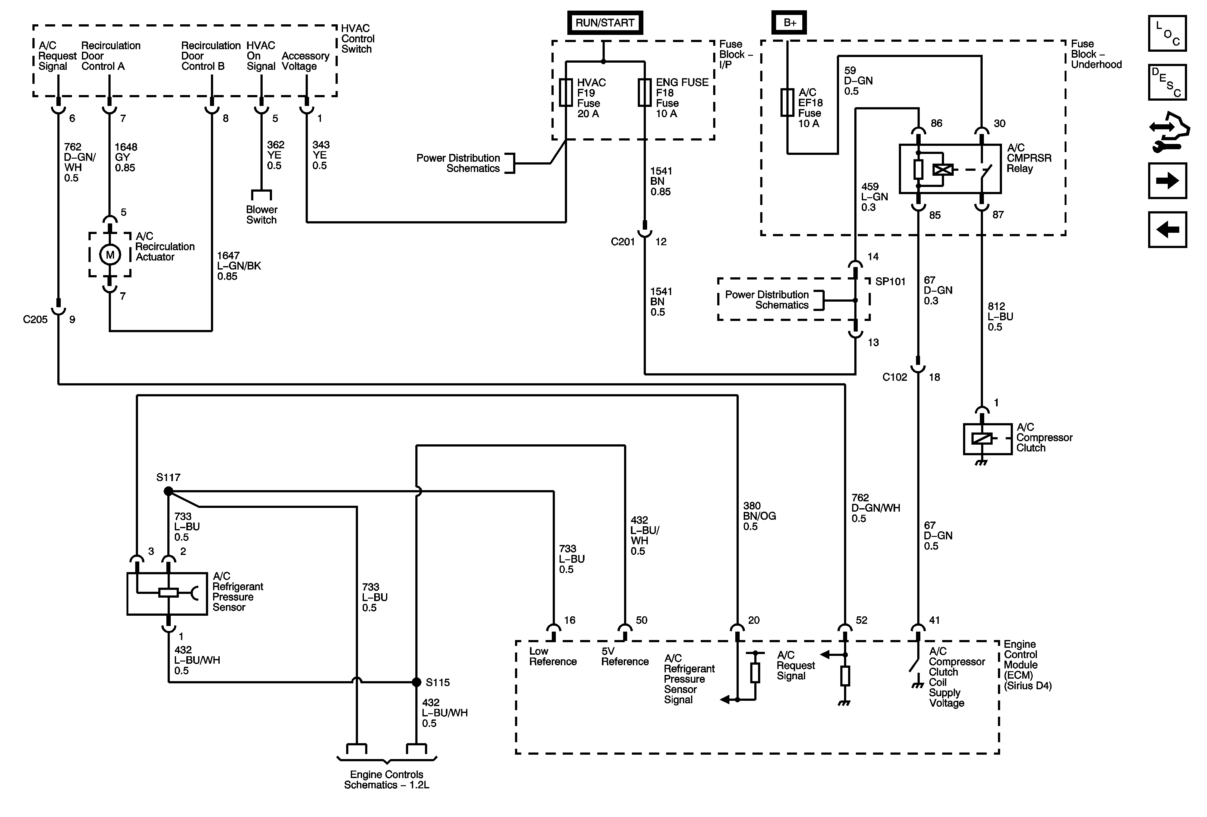
Figure 2:

Compressor Controls


Object Number: 1736670  Size: FS
Master Electrical Component List Notchback
Control Module References
Compressor Controls Sirius D42
Blower Controls
ACC/IG 1 Fuse, Ignition Switch, B/UP LAMP, ELEC MIRROR Fuses
ABS, HAZARD, ECU, FUEL PUMP Fuses
TP, ECT, IAT, Knock Sensors
G101, G103, G104
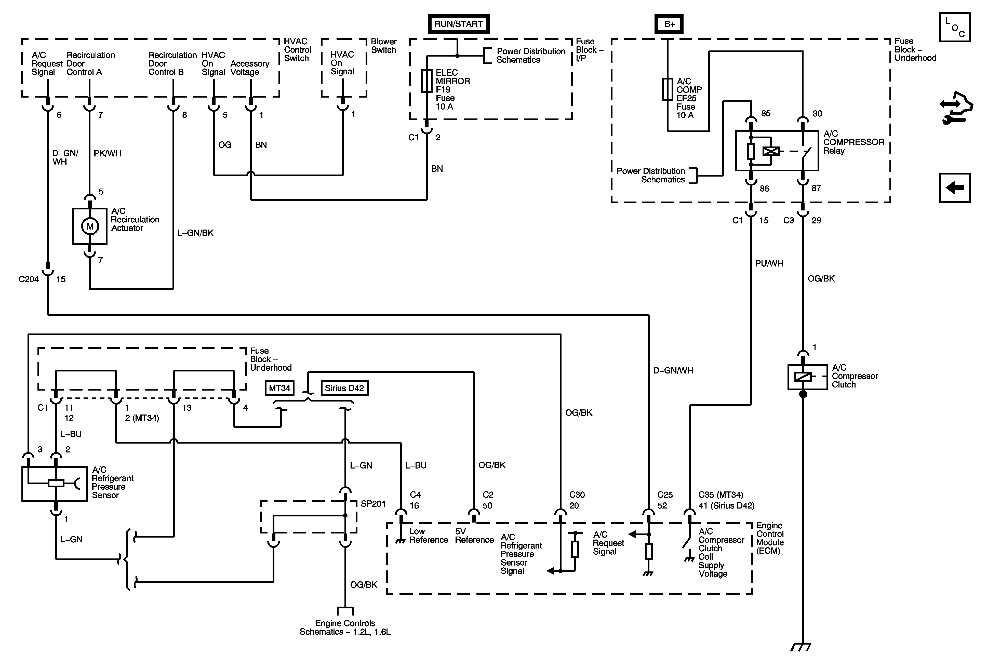
Figure 3:

Compressor Controls Sirius D42


Object Number: 1756813  Size: FS
Master Electrical Component List (Notchback)
Control Module References
Compressor Controls
ACC/IG 1 Fuse, Ignition Switch, B/UP LAMP, ELEC MIRROR Fuses
ABS, HAZARD, ECU, FUEL PUMP Fuses
IAT, MAP, A/C Refrigerant Pressure, Evaporator Temperature Sensors, Octane Selection Switch

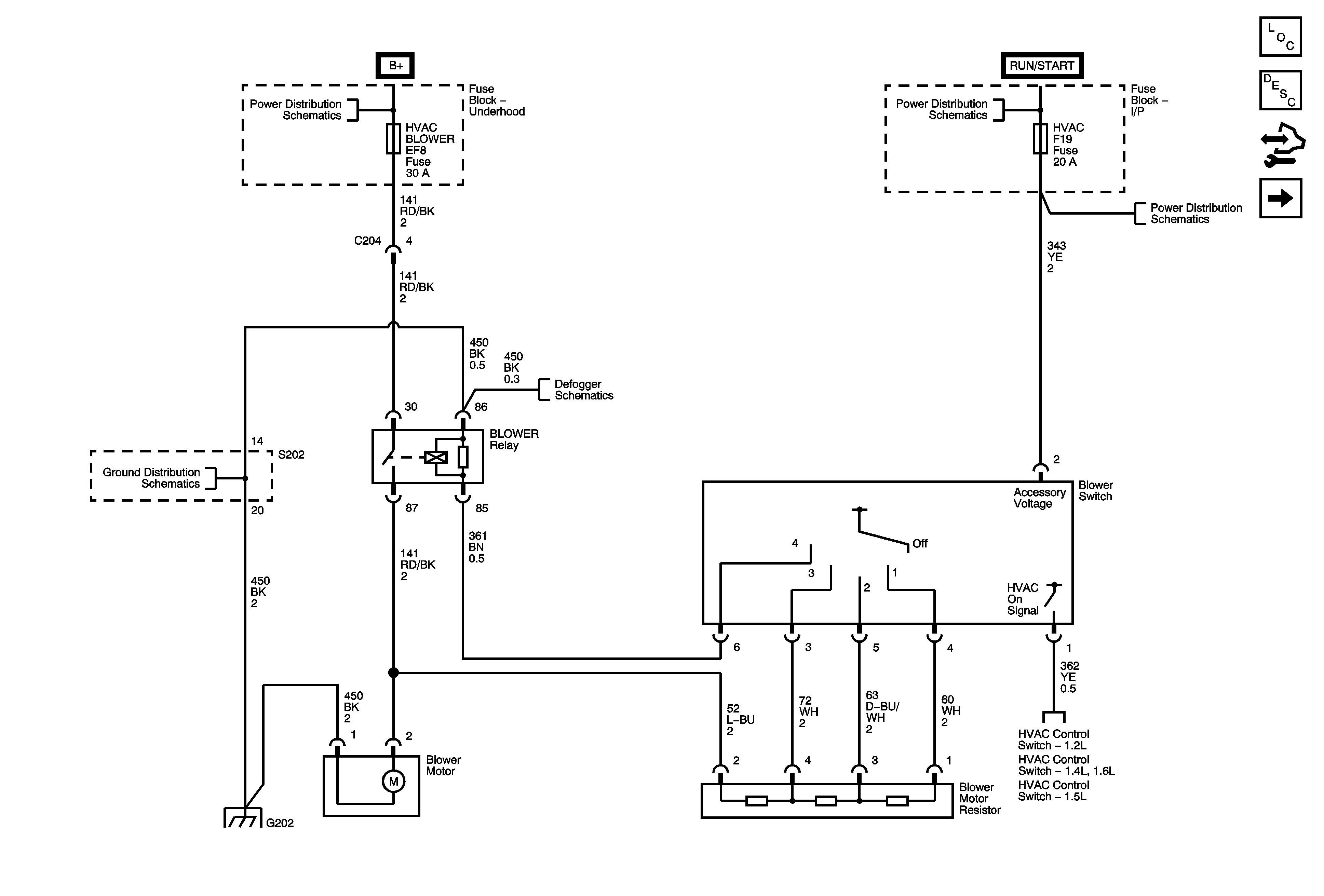
HVAC Schematics Hatchback

Figure 1:

Manual - Blower Controls


Object Number: 1899392  Size: FS
Master Electrical Component List Hatchback
Air Delivery Description and Operation
Control Module References
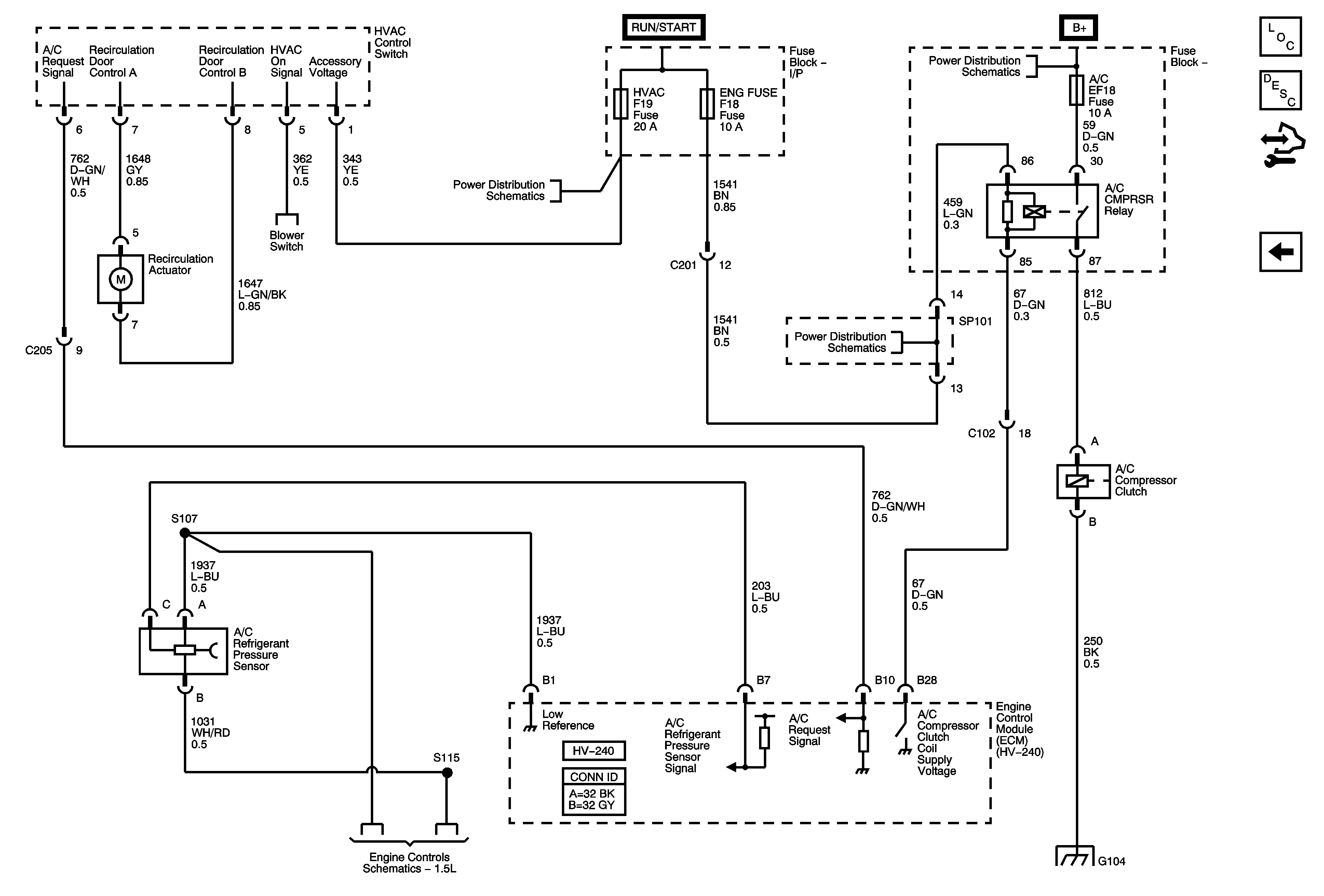
Manual - Compressor Controls - 1.2L
Battery Feed
Battery Feed
Battery Feed
Defogger
Ground Distribution G101, G102 - 1 of 2 and G105
Ground Distribution G202 - 1 of 3
Manual - Compressor Controls - 1.2L
Manual - Compressor Controls - 1.4L, 1.6L
Manual - Compressor Controls - 1.5L
Figure 2:

Compressor Controls - 1.2L


Object Number: 1899416  Size: FS
Master Electrical Component List Hatchback
Air Delivery Description and Operation
Control Module References
Manual - Compressor Controls - 1.4L, 1.6L
Manual - Blower Controls
Power Distribution Ignition Switch and Fuses F6, 7 - 1 of 2, 17 and 18
Manual - Blower Controls
Power Distribution Fuse F18
Power, Ground and MIL
Figure 3:

Compressor Controls - 1.4L, 1.6L


Object Number: 1899419  Size: FS
Master Electrical Component List Hatchback
Air Delivery Description and Operation
Control Module References
Manual - Compressor Controls - 1.5L
Manual - Compressor Controls - 1.2L
Battery Feed
Power Distribution Ignition Switch and Fuses F6, 7 - 1 of 2, 17 and 18
Manual - Blower Controls
Power Distribution Fuse F18
Power, Ground and MIL 1.4L SOHC
Power, Ground and MIL 1.4L DOHC
Power, Ground and MIL 1.6L
G104
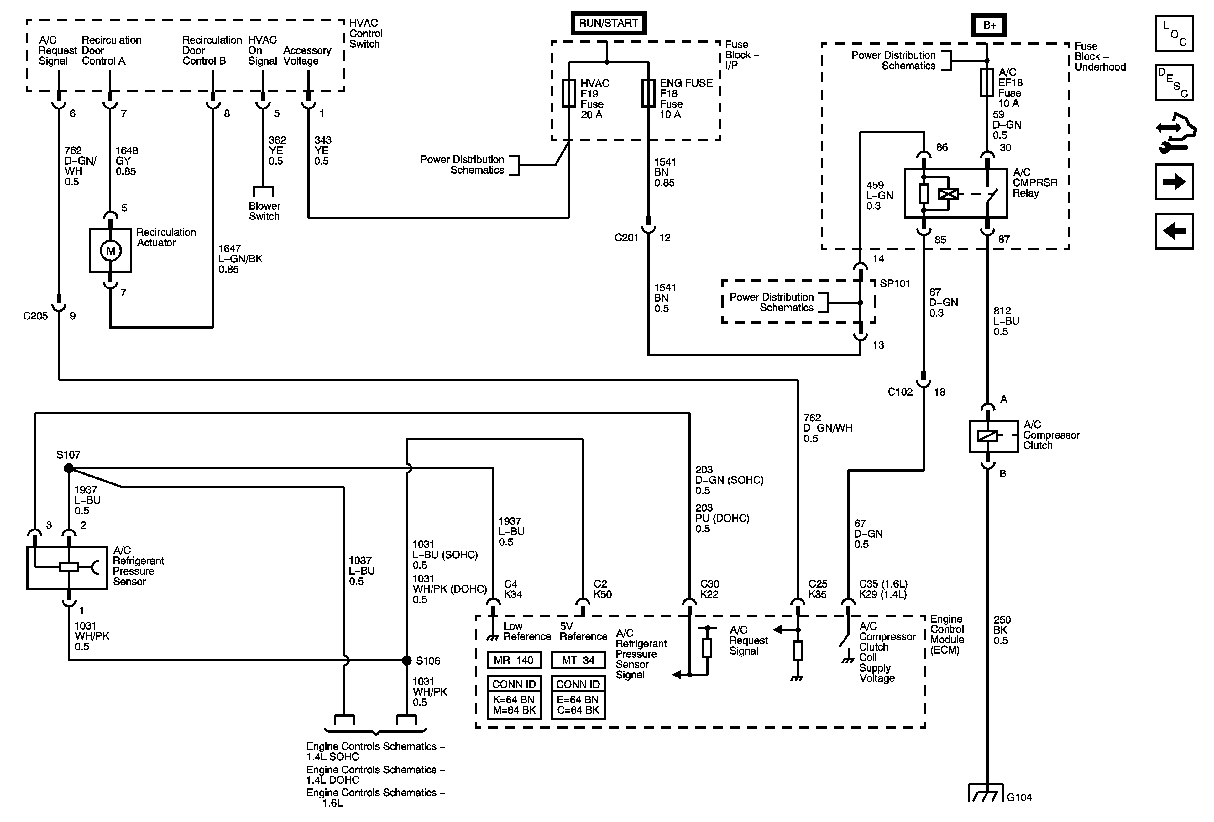
Figure 4:

Compressor Controls - 1.5L


Object Number: 1899423  Size: FS
Master Electrical Component List Hatchback
Air Delivery Description and Operation
Control Module References
Manual - Compressor Controls - 1.4L, 1.6L
Battery Feed
Power Distribution Ignition Switch and Fuses F6, 7 - 1 of 2, 17 and 18
Manual - Blower Controls
Power Distribution Fuse F18
Power, Ground and MIL 1.5L
G104