GM Service Manual Online
For 1990-2009 cars only
Figure 1:

Module Power, Ground, Serial Data, and MIL


Object Number: 1532675  Size: FS
Master Electrical Component List
Powertrain Control Module Description
Control Module References
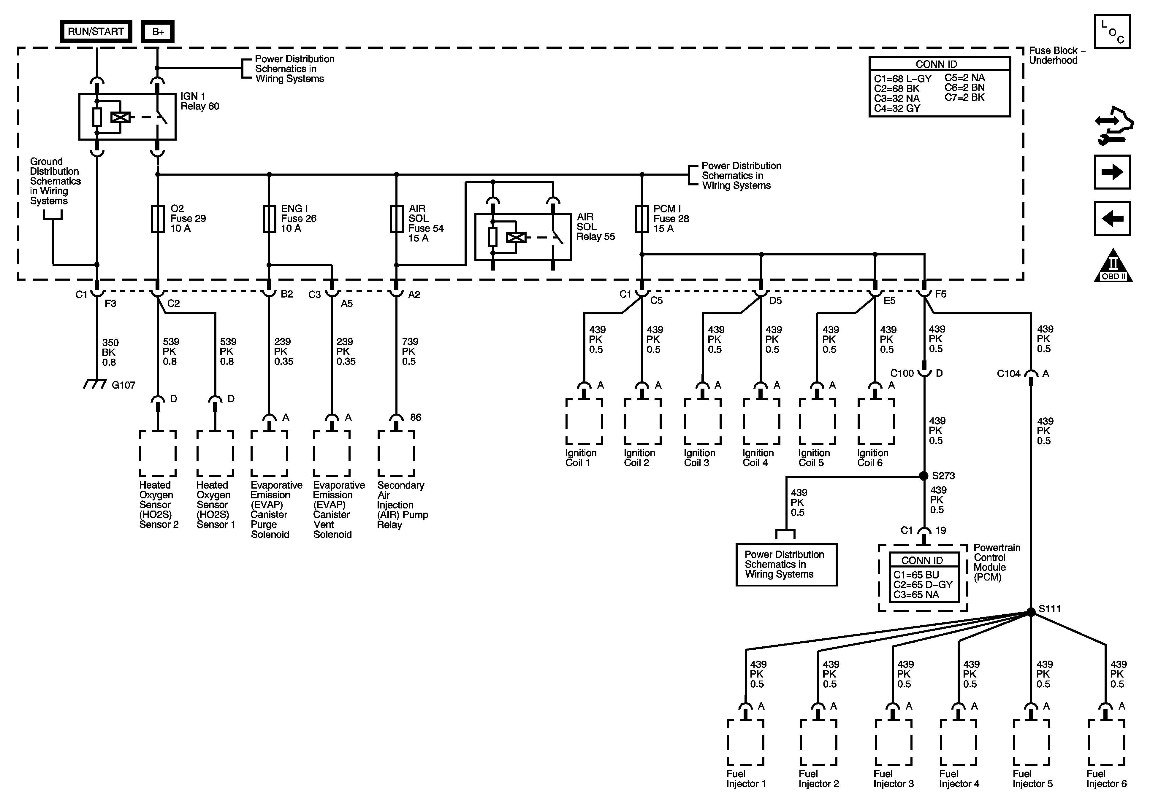
Fuse Block Underhood - IGN 1 Relay
OBD II Symbol Description Notice
B+ Bus - Rear Fuse Block
4WD, BRK, FRT WPR, HVACI, IGN0, and TCM Fuses
Ignition Switch - ACCY/RUN/START, RUN, START Bus Bars and IGNA1 Fuse
G201 - 1 of 2
BACK UP, BTSI, IGN E, and TRLR B/U Fuses
BACK UP, BTSI, IGN E, and TRLR B/U Fuses
BACK UP, BTSI, IGN E, and TRLR B/U Fuses
Instrument Cluster Schematics
B+ Bus - Underhood Fuse Block - 1 of 2
AIR SOL and PCMI Fuses
AIR SOL and PCMI Fuses
G104, G105 and G107
AIR, EAP, ECM, PCMB, TBC 1, and TCM/CANISTER Fuses
G104, G105 and G107
G108
Power, Ground, Data Link Connector
SP 205
Figure 2:

Fuse Block - Underhood IGN 1 Relay


Object Number: 1532679  Size: FS
Master Electrical Component List
Control Module References
5-Volt and Low Reference
Module Power, Ground, Serial Data and MIL
OBD II Symbol Description Notice
B+ Bus - Underhood Fuse Block - 2 of 2
B+ Bus - Underhood Fuse Block - 2 of 2
AIR SOL and PCMI Fuses
G104, G105 and G107
Figure 3:

5-Volt and Low Reference


Object Number: 1532682  Size: FS
Master Electrical Component List
location of aim dot on lens of headlamp
Control Module References
Engine Data Sensors - Pressure and Temperature
Fuse Block Underhood - IGN 1 Relay
OBD II Symbol Description Notice
Figure 4:

Engine Data Sensors - Pressure and Temperature


Object Number: 1532685  Size: FS
Master Electrical Component List
Air Intake System Description
Control Module References
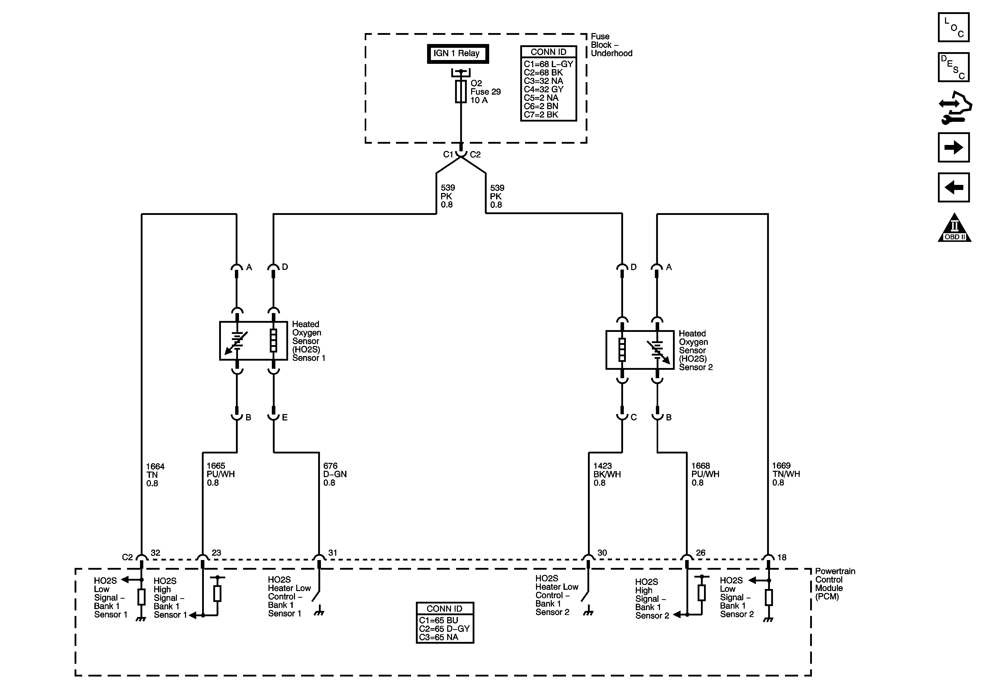
Engine Data Sensors - Oxygen Sensors
5-Volt and Low Reference
OBD II Symbol Description Notice
Figure 5:

Engine Data Sensors - Oxygen Sensors


Object Number: 1532690  Size: FS
Master Electrical Component List
Powertrain Control Module Description
Control Module References
Engine Data Sensors - Throttle Actuator Controls and VSS
Engine Data Sensors - Pressure and Temperature
OBD II Symbol Description Notice
Fuse Block Underhood - IGN 1 Relay
Figure 6:

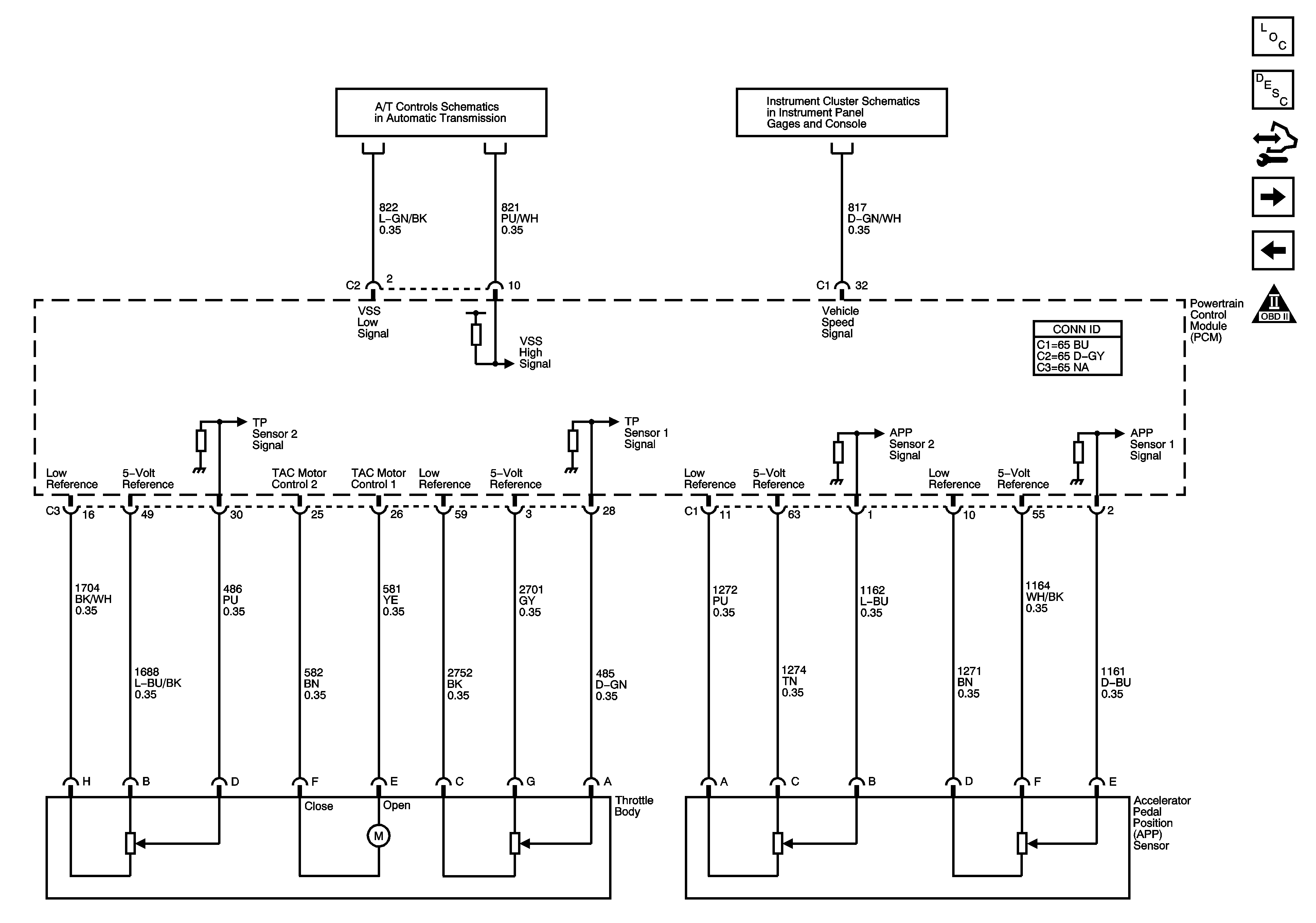
Engine Data Sensors - Throttle Actuator Controls and VSS


Object Number: 1532693  Size: FS
Master Electrical Component List
Throttle Actuator Control (TAC) System Description
Control Module References
Ignition Controls - Ignition System
Engine Data Sensors - Oxygen Sensors
OBD II Symbol Description Notice
Pressure Controls, Temperature, and VSS
Gages
Figure 7:

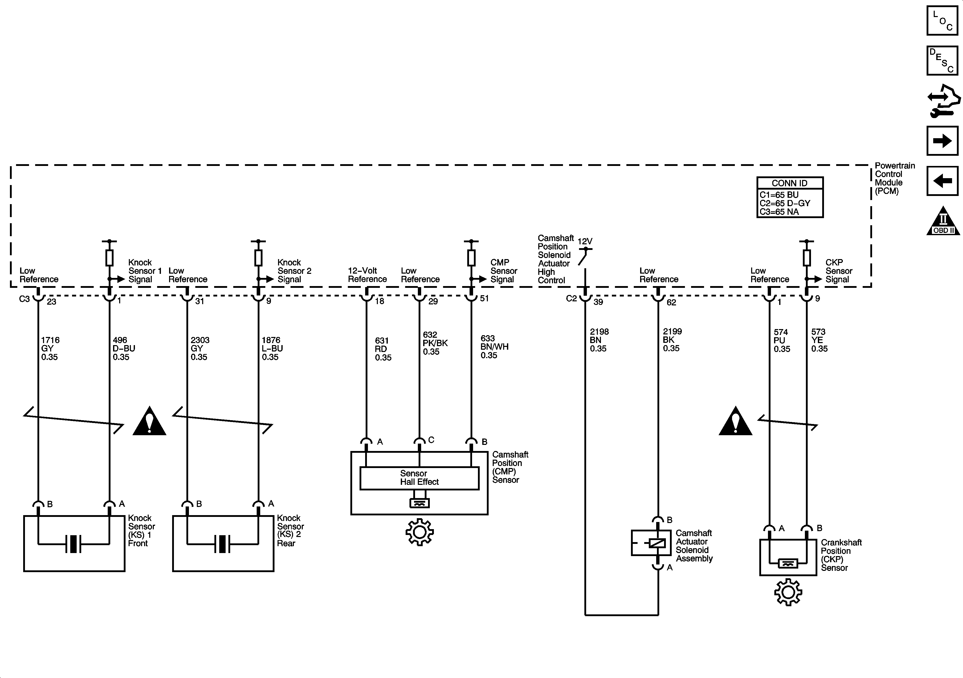
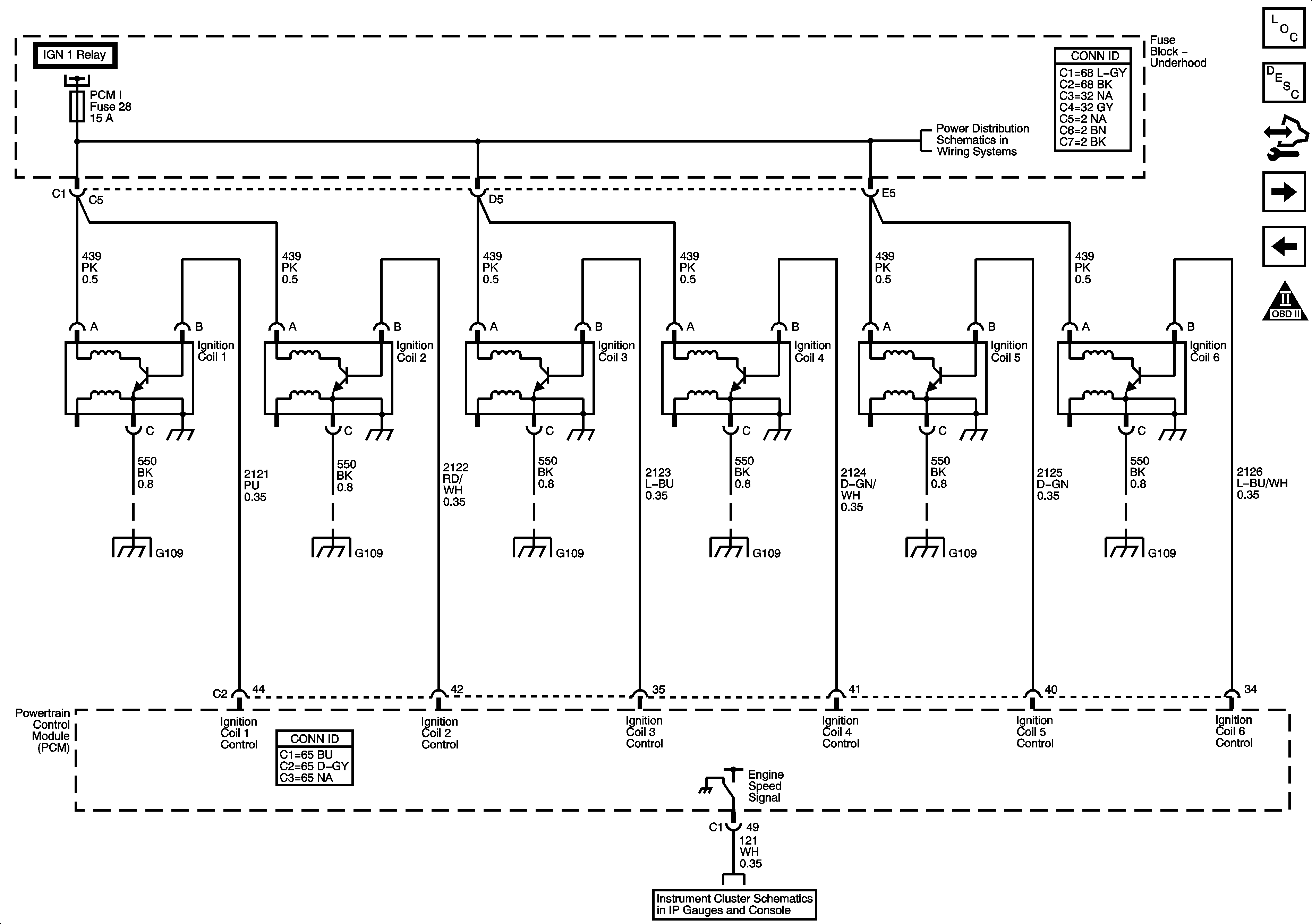
Ignition Controls - Ignition System


Object Number: 1532695  Size: FS
Master Electrical Component List
Knock Sensor (KS) System Description
Control Module References
Ignition Controls - Sensors
Engine Data Sensors - Throttle Actuator Controls and VSS
OBD II Symbol Description Notice
B+ Bus - Underhood Fuse Block - 2 of 2
Fuse Block Underhood - IGN 1 Relay
G109
G109
G109
G109
G109
G109
Gages
Figure 8:

Ignition Controls - Sensors


Object Number: 1532700  Size: FS
Master Electrical Component List
Knock Sensor (KS) System Description
Control Module References
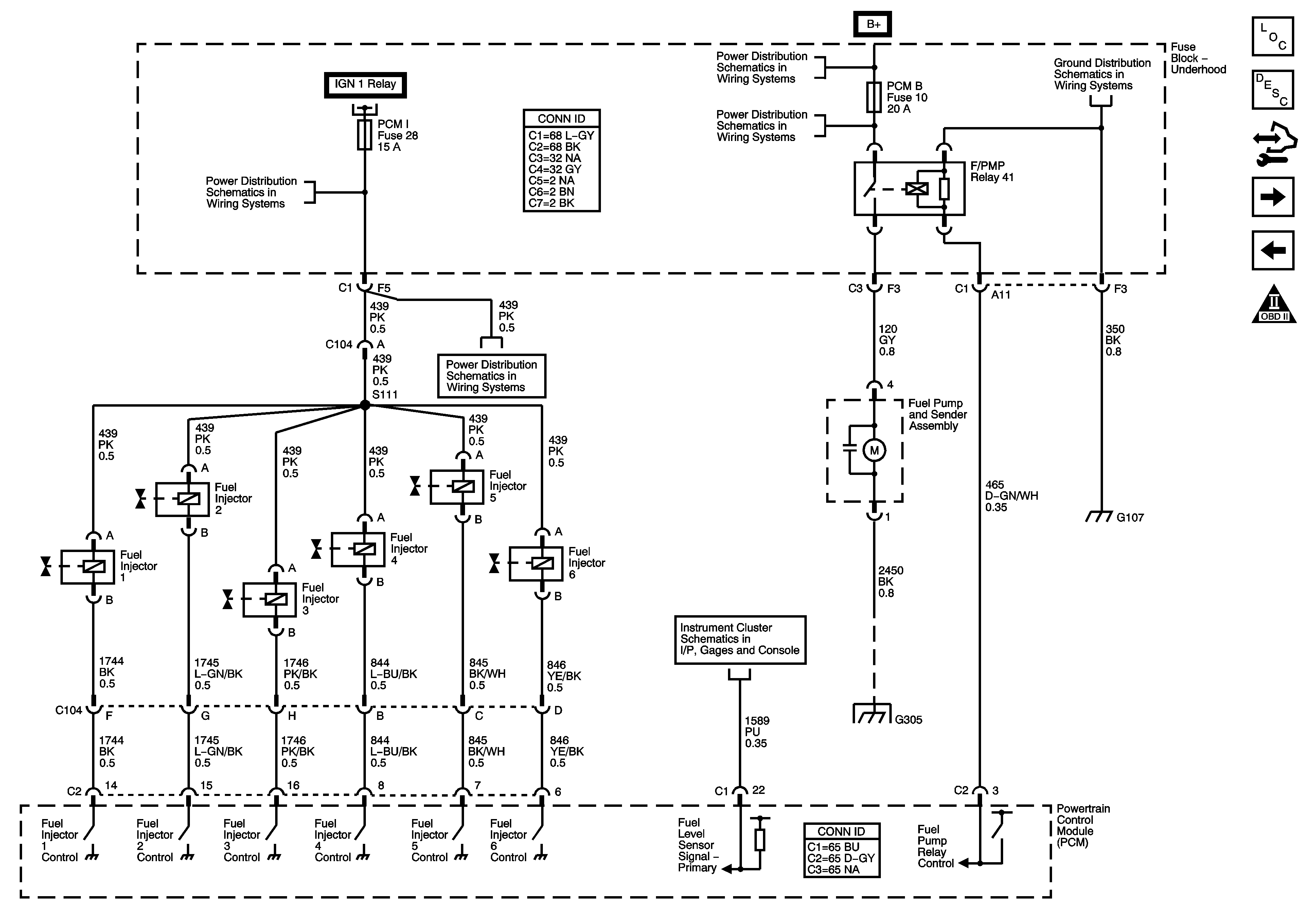
Fuel Controls - Fuel Pump Controls and Fuel Injectors
Ignition Controls - Ignition System
OBD II Symbol Description Notice
Engine Controls Schematic Icons
Engine Controls Schematic Icons
Figure 9:

Fuel Controls - Fuel Pump Controls and Fuel Indicators


Object Number: 1532703  Size: FS
Master Electrical Component List
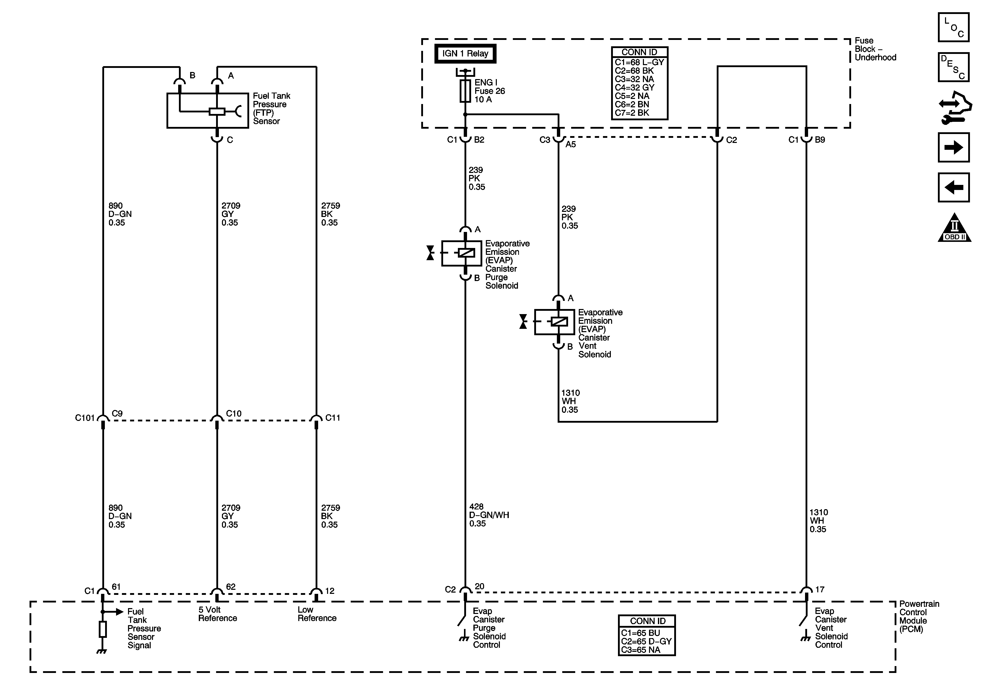
Fuel System Description
Control Module References
Fuel Controls - EVAP Controls
Ignition Controls - Sensors
OBD II Symbol Description Notice
G104, G105 and G107
B+ Bus - Underhood Fuse Block - 2 of 2
AIR, EAP, ECM, PCMB, TBC 1, and TCM/CANISTER Fuses
Fuel Gage
G201 - 2 of 2 and G305
Fuse Block Underhood - IGN 1 Relay
B+ Bus - Underhood Fuse Block - 2 of 2
Figure 10:

Fuel Controls - EVAP Controls


Object Number: 1532704  Size: FS
Master Electrical Component List
Evaporative Emission Control System Description
Control Module References
Device Controls
Fuel Controls - Fuel Pump Controls and Fuel Injectors
OBD II Symbol Description Notice
Fuse Block Underhood - IGN 1 Relay
Figure 11:

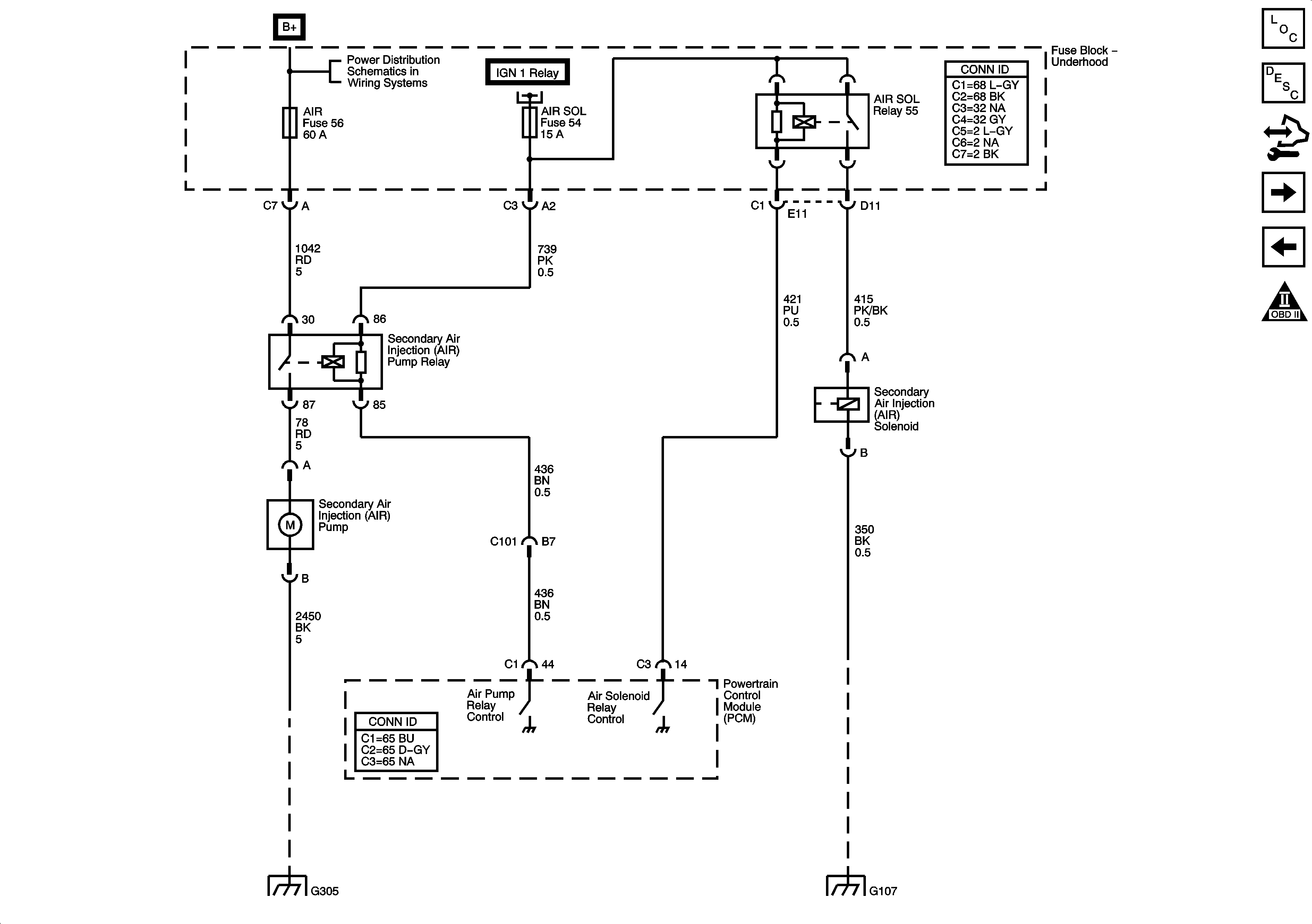
Device Controls


Object Number: 1532706  Size: FS
Master Electrical Component List
Secondary Air Injection System Description
Control Module References
Controlled/Monitored Subsystem References
Fuel Controls - EVAP Controls
OBD II Symbol Description Notice
B+ Bus - Underhood Fuse Block - 1 of 2
Fuse Block Underhood - IGN 1 Relay
G201 - 2 of 2 and G305
G104, G105 and G107
Figure 12:

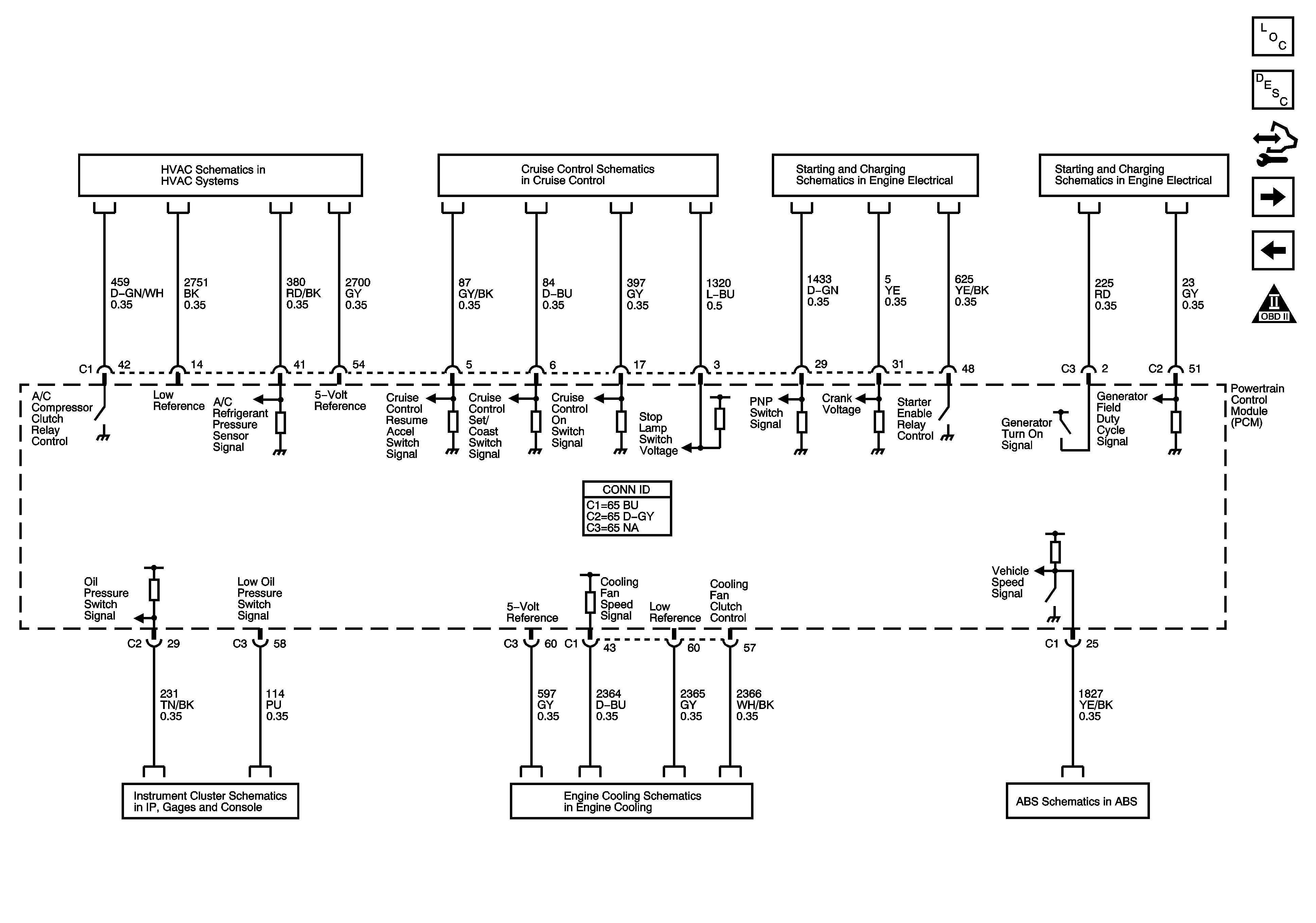
Controlled/Monitored Subsystem References


Object Number: 1532707  Size: FS
Master Electrical Component List
Powertrain Control Module Description
Control Module References
Transmission Control References - A/T
Device Controls
OBD II Symbol Description Notice
Compressor Controls
Cruise Control - 4.2L
Starting System
Charging System
Gages
Engine Cooling
Figure 13:

Transmission Control References - A/T


Object Number: 1532710  Size: FS
Master Electrical Component List
Powertrain Control Module Description
Control Module References
Controlled/Monitored Subsystem References
OBD II Symbol Description Notice
Shift Control and Stop Lamp Switch
Pressure Controls, Temperature, and VSS
PNP Switch, Serial Data, and Indicators