GM Service Manual Online
For 1990-2009 cars only
Figure 1:

Power, Ground, Serial Data and MIL


Object Number: 1427283  Size: FS
Master Electrical Component List
Engine Control Module Description
Control Module References
Data Sensors - 5-Volt and Low Reference
Engine Controls Schematic Icons
Fuse Block - Underhood B+ Bus Schematic
Fuse Block - Underhood B+ Bus Schematic
Fuse Block - Underhood B+ Bus Schematic
RIM and THEFT Fuses and Ignition Switch - 2 of 2
Cooling Fans
CCP (B+), DIM/ALDL, EBCM (B+), ECM/TCM, Flasher, and VOLT CHECK Fuses
RIM and THEFT Fuses and Ignition Switch - 2 of 2
RIM and THEFT Fuses and Ignition Switch - 2 of 2
ABS, STARTER RLY, STRG CTLS, TCM/IPC, and WASH NOZ Fuses
G104
IGN SW Fuse and Ignition Switch - 1 of 2
CCP (B+), DIM/ALDL, EBCM (B+), ECM/TCM, Flasher, and VOLT CHECK Fuses
Engine Controls Schematic Icons
G100 - LH2
Power, Ground, GMLAN and Key Word 2000 Serial Data
Class 2 Serial Data - 1 of 2
G104
Figure 2:

Engine Data Sensors - 5-Volt and Low Reference


Object Number: 1427285  Size: FS
Master Electrical Component List
Engine Control Module Description
Control Module References
Engine Data Sensors - Pressure, Temperature, MAF, VSS, and Extended Travel Brake Switch
Power, Ground, Serial Data and MIL
Engine Controls Schematic Icons
Figure 3:

Engine Data Sensors - Pressure, Temperature, MAF, VSS and Extended Travel Brake Switch


Object Number: 1427286  Size: FS
Master Electrical Component List
Air Intake System Description
Control Module References
Engine Data Sensors - Oxygen Sensors
Data Sensors - 5-Volt and Low Reference
Engine Controls Schematic Icons
Gages
Indicator,Traction Control, and Brake Pedal Position
Figure 4:

Engine Data Sensors - Oxygen Sensors


Object Number: 1427288  Size: FS
Master Electrical Component List
Fuel System Description
Control Module References
Engine Data Sensors - Electronic Throttle Controls
Engine Data Sensors - Pressure, Temperature, MAF, VSS, and Extended Travel Brake Switch
Engine Controls Schematic Icons
Cooling Fans
HFVG, PRE 02/CAM, and V8 ECM Fuses
Figure 5:

Engine Data Sensors - Electronic Throttle Controls


Object Number: 1427290  Size: FS
Master Electrical Component List
Throttle Actuator Control (TAC) System Description
Control Module References
Ignition Controls - Bank 1 Ignition Coils
Engine Data Sensors - Oxygen Sensors
Engine Controls Schematic Icons
Engine Controls Schematic Icons
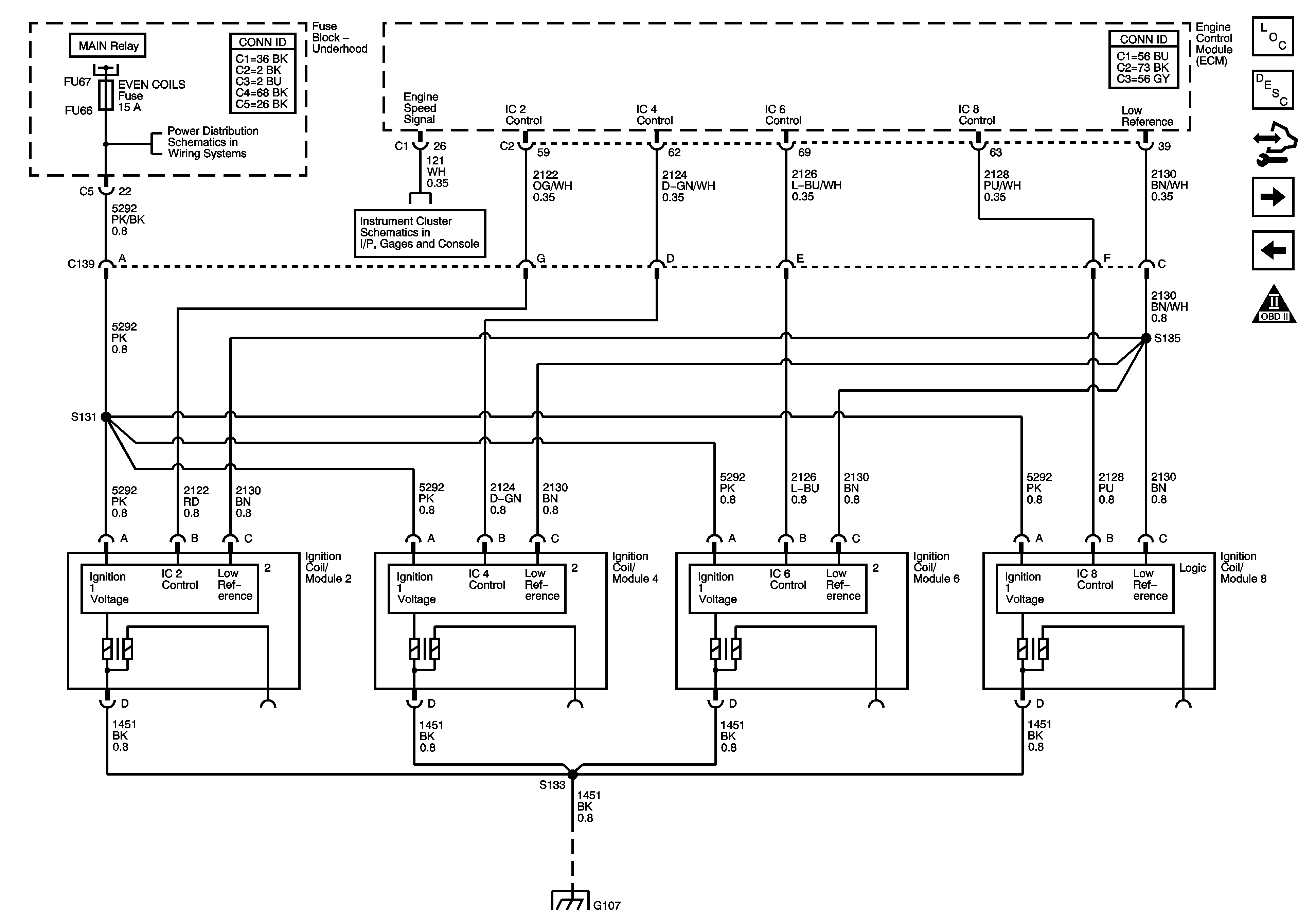
Figure 6:

Ignition Controls - Bank 1 Ignition Coils


Object Number: 1427293  Size: FS
Master Electrical Component List
Electronic Ignition (EI) System Description
Control Module References
Ignition Controls - Bank 2 Ignition Coils
Engine Data Sensors - Electronic Throttle Controls
Engine Controls Schematic Icons
Cooling Fans
EVEN COILS, ODD COILS, and POST 02 FUSES
G102, G105, G107, G108, G109, and G110
Figure 7:

Ignition Controls - Bank 2 Ignition Coils


Object Number: 1427294  Size: FS
Master Electrical Component List
Electronic Ignition (EI) System Description
Control Module References
Ignition Controls - CMP Sensors and Solenoids
Ignition Controls - Bank 1 Ignition Coils
Engine Controls Schematic Icons
Cooling Fans
EVEN COILS, ODD COILS, and POST 02 FUSES
Gages
G102, G105, G107, G108, G109, and G110
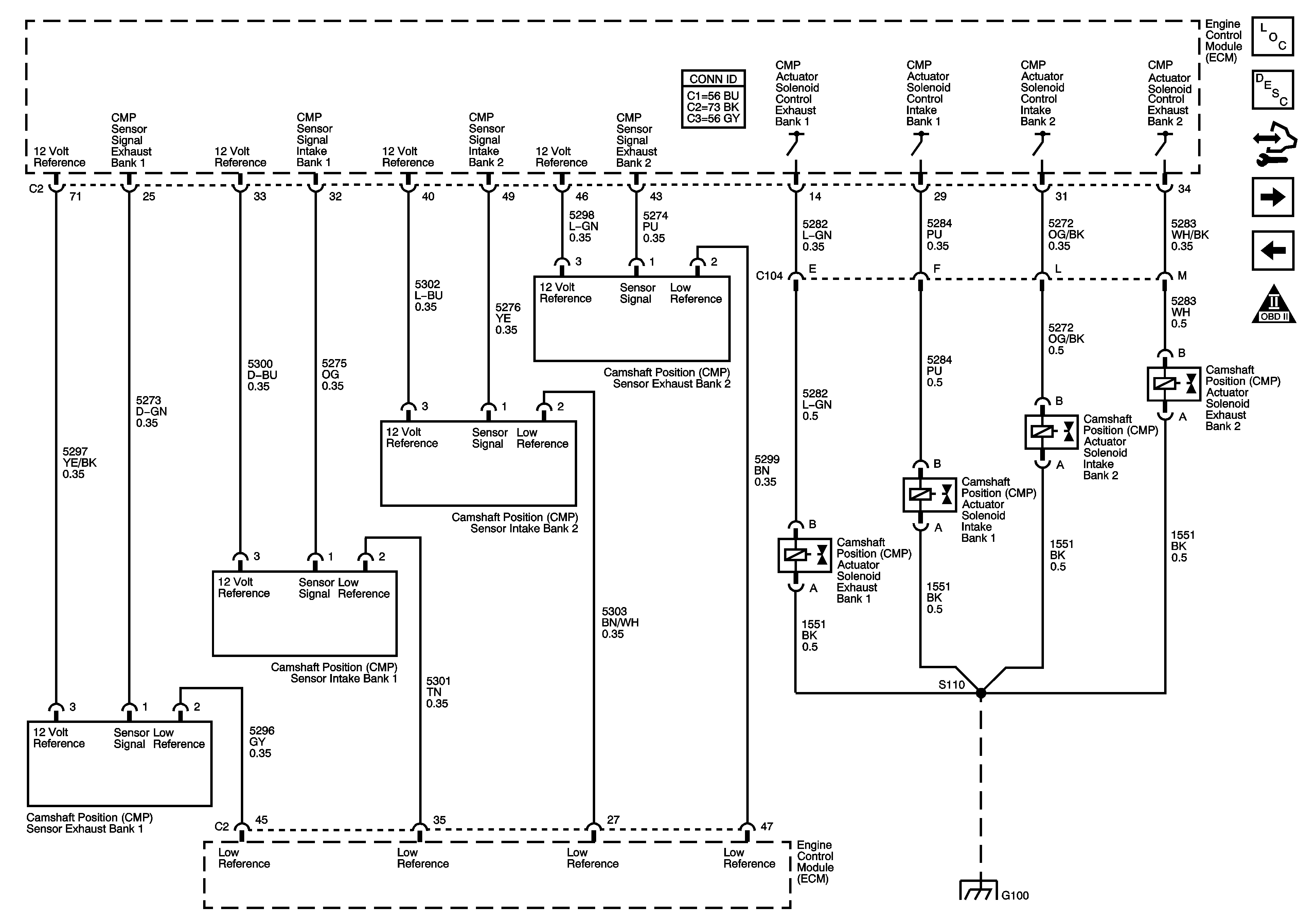
Figure 8:

Ignition Controls - CMP Sensors and Solenoids


Object Number: 1427295  Size: FS
Master Electrical Component List
Electronic Ignition (EI) System Description
Control Module References
Ignition Controls - CKP and Knock Sensors
Ignition Controls - Bank 2 Ignition Coils
Engine Controls Schematic Icons
G100 - LH2
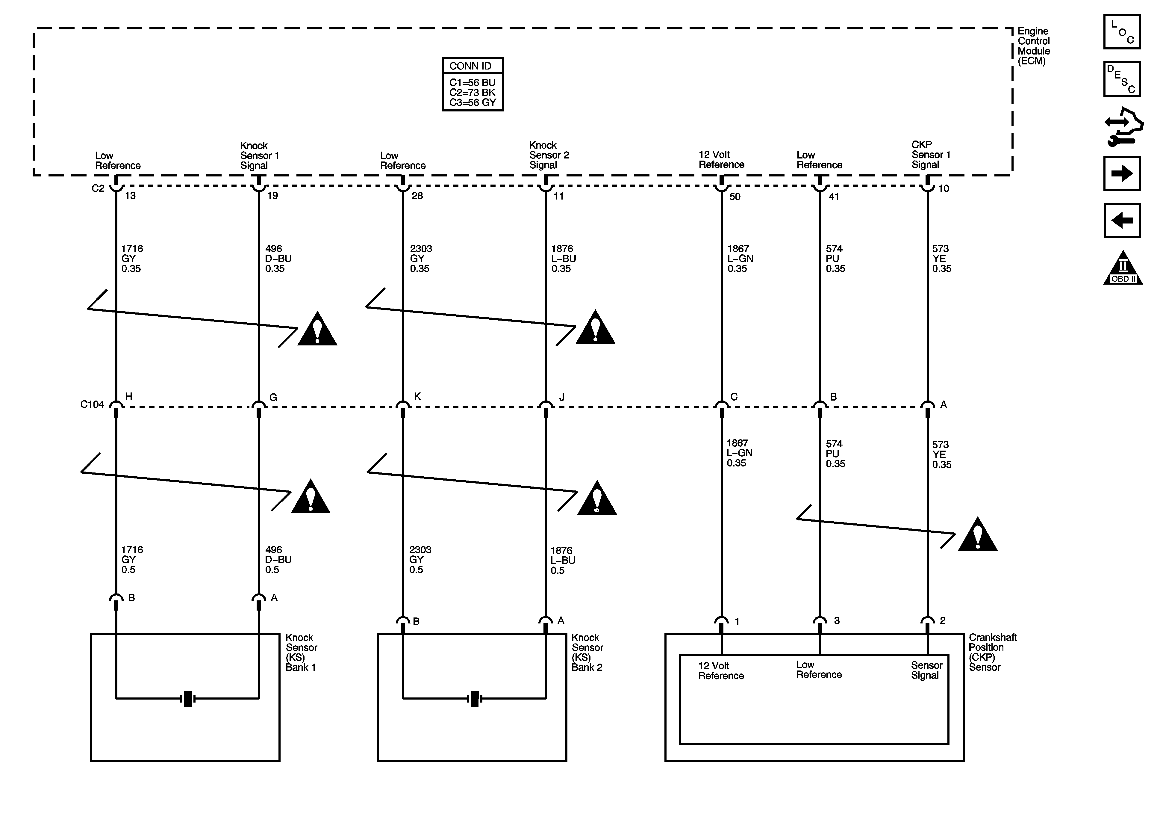
Figure 9:

Ignition Controls - CKP andf Knock Sensors


Object Number: 1427298  Size: FS
Master Electrical Component List
Knock Sensor (KS) System Description
Control Module References
Fuel Controls - Fuel Pump and Injectors
Ignition Controls - CMP Sensors and Solenoids
Engine Controls Schematic Icons
Engine Controls Schematic Icons
Engine Controls Schematic Icons
Engine Controls Schematic Icons
Engine Controls Schematic Icons
Engine Controls Schematic Icons
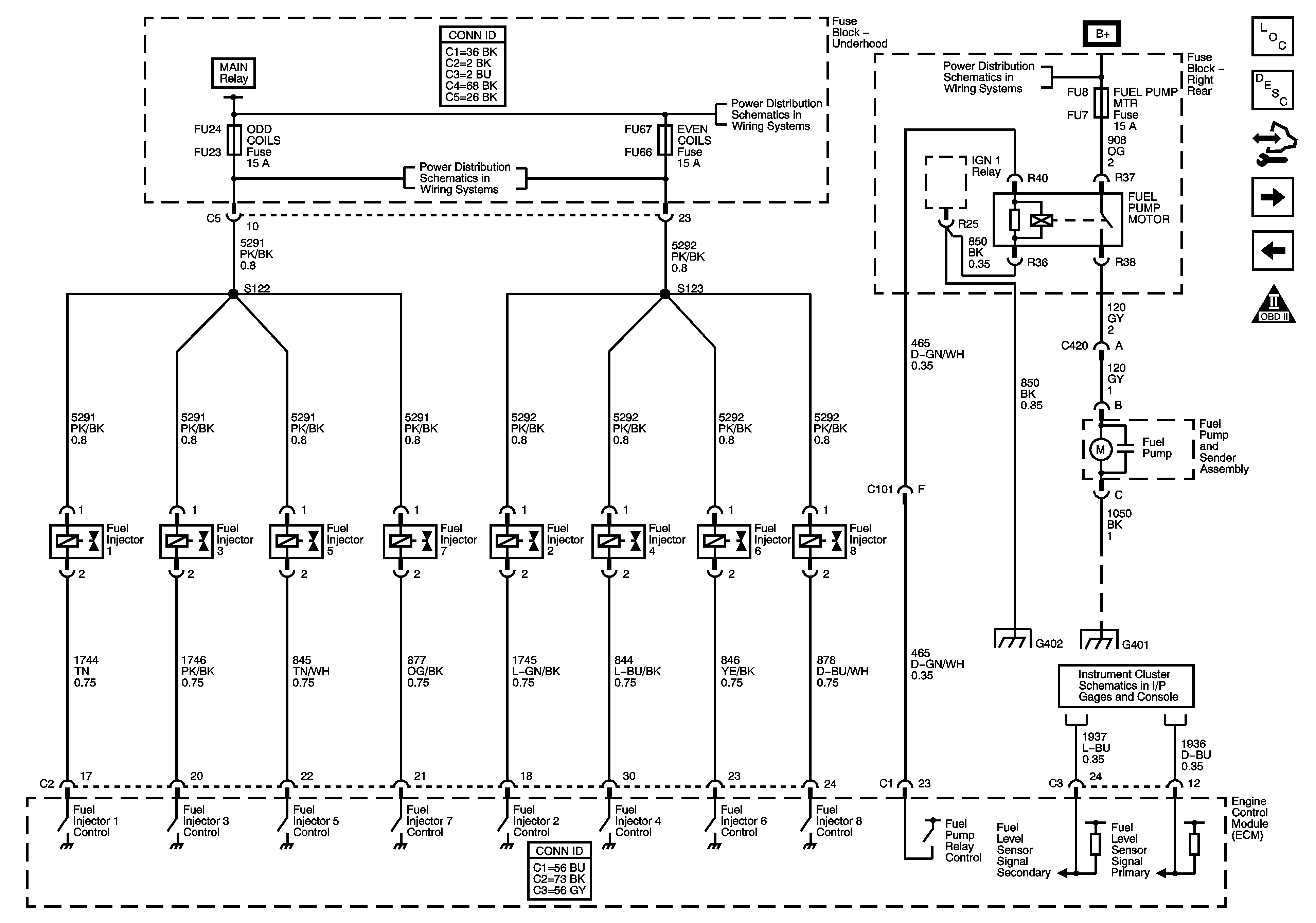
Figure 10:

Fuel Controls - Fuel Pump and Injectors


Object Number: 1427300  Size: FS
Master Electrical Component List
Fuel System Description
Control Module References
Fuel Control - EVAP Controls
Ignition Controls - CKP and Knock Sensors
Engine Controls Schematic Icons
Cooling Fans
EVEN COILS, ODD COILS, and POST 02 FUSES
EVEN COILS, ODD COILS, and POST 02 FUSES
Fuse Block - Right Rear B+ Bus
G402 - 1 of 2
G401 - 1 of 2
Gages
Figure 11:

Fuel Controls - EVAP Controls


Object Number: 1427305  Size: FS
Master Electrical Component List
Evaporative Emission Control System Description
Control Module References
Controlled/Monitored Subsystem References
Fuel Controls - Fuel Pump and Injectors
Engine Controls Schematic Icons
Cooling Fans
HFVG, PRE 02/CAM, and V8 ECM Fuses
Fuse Block - Right Rear B+ Bus
Data Sensors - 5-Volt and Low Reference
Figure 12:

Controlled/Monitored Subsystem References


Object Number: 1427307  Size: FS
Master Electrical Component List
Engine Control Module Description
Control Module References
Fuel Control - EVAP Controls
Engine Controls Schematic Icons
Power, Ground, Serial Data and Switches
Starting System
Charging System
Indicator,Traction Control, and Brake Pedal Position
Indicator,Traction Control, and Brake Pedal Position
Cooling Fans
Indicators
Serial Data and A/C Compressor Controls
Tail Lamps and Stop Lamps - Domestic
Cruise Control Schematic