GM Service Manual Online
For 1990-2009 cars only
Figure 1:

Module Power, Ground, Serial Data and MIL


Object Number: 857620  Size: FS
Master Electrical Component List
Powertrain Control Module Description
Engine Data Sensors - Pressure, Temperature, and VSS
OBD II Symbol Description Notice
Ignition, Run, Start, Accy Bus Bar
IGN 1 Relay Bus, SEO 2, RR DEFOG, SEO IGN, B/U LP
SBA, ETC, PCM 1, BTSI, TRL B/U
B+ Bus Bar (Gas) - 1 of 3
ECM, ECMRPV, EDU, EDU Relay - Diesel Only
IGN 0 , TBC IGN 0, TBC ACCY, SEO ACCY, W/S WIPER, RR WIPER
IGN 0 , TBC IGN 0, TBC ACCY, SEO ACCY, W/S WIPER, RR WIPER
SBA, ETC, PCM 1, BTSI, TRL B/U
Power, Ground, Serial Data
RTD/ECAS, RR WPR, EAP, SUNROOF, IPC/DIC, SEO 1
G102, G103-Gas
SP205 - 2 of 2
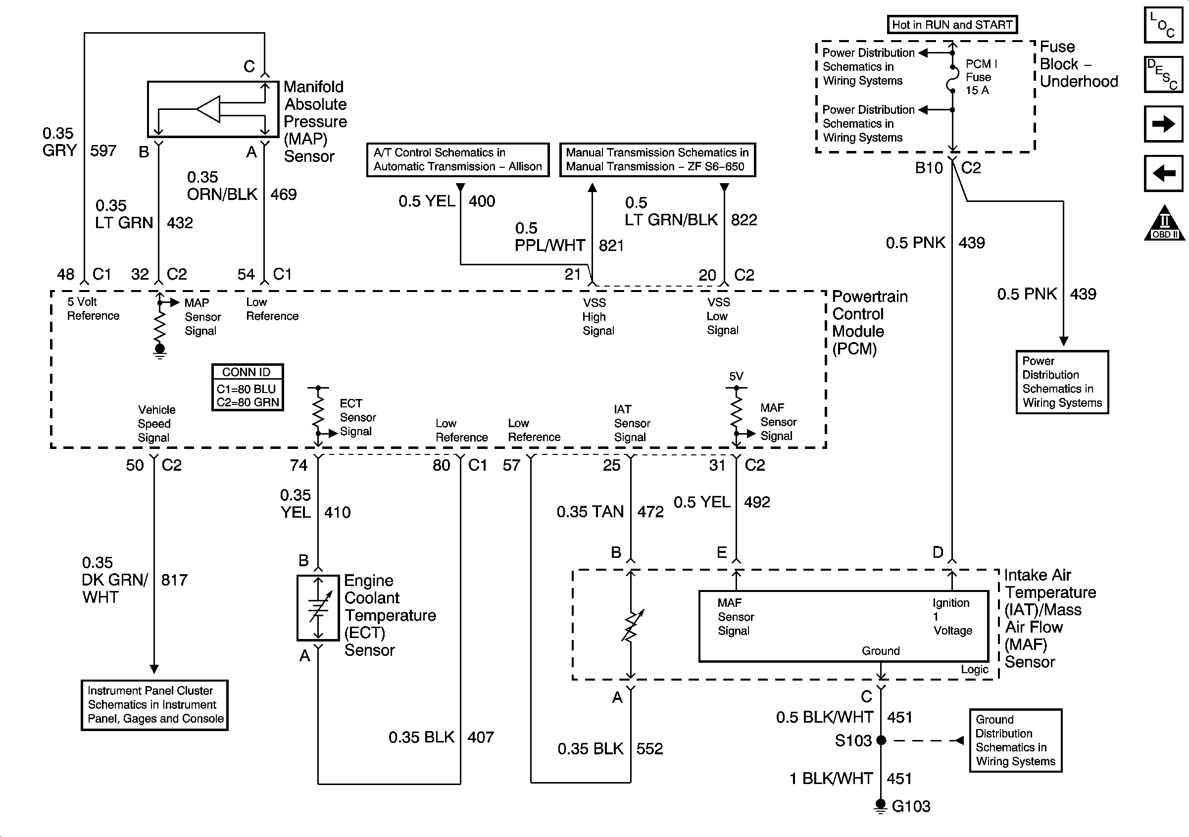
Figure 2:

Engine Data Sensors - Pressure, Temperature, and VSS


Object Number: 857622  Size: FS
Master Electrical Component List
Powertrain Control Module Description
Engine Data Sensors - HO2S
Module Power, Ground, Serial Data and MIL
OBD II Symbol Description Notice
CAN Serial Data, VSS, and PNP Switch
Manual Transmission Schematics
IGN 1 Relay Bus, SEO 2, RR DEFOG, SEO IGN, B/U LP
SBA, ETC, PCM 1, BTSI, TRL B/U
SBA, ETC, PCM 1, BTSI, TRL B/U
Vehicle Speed Signal
G102, G103-Gas
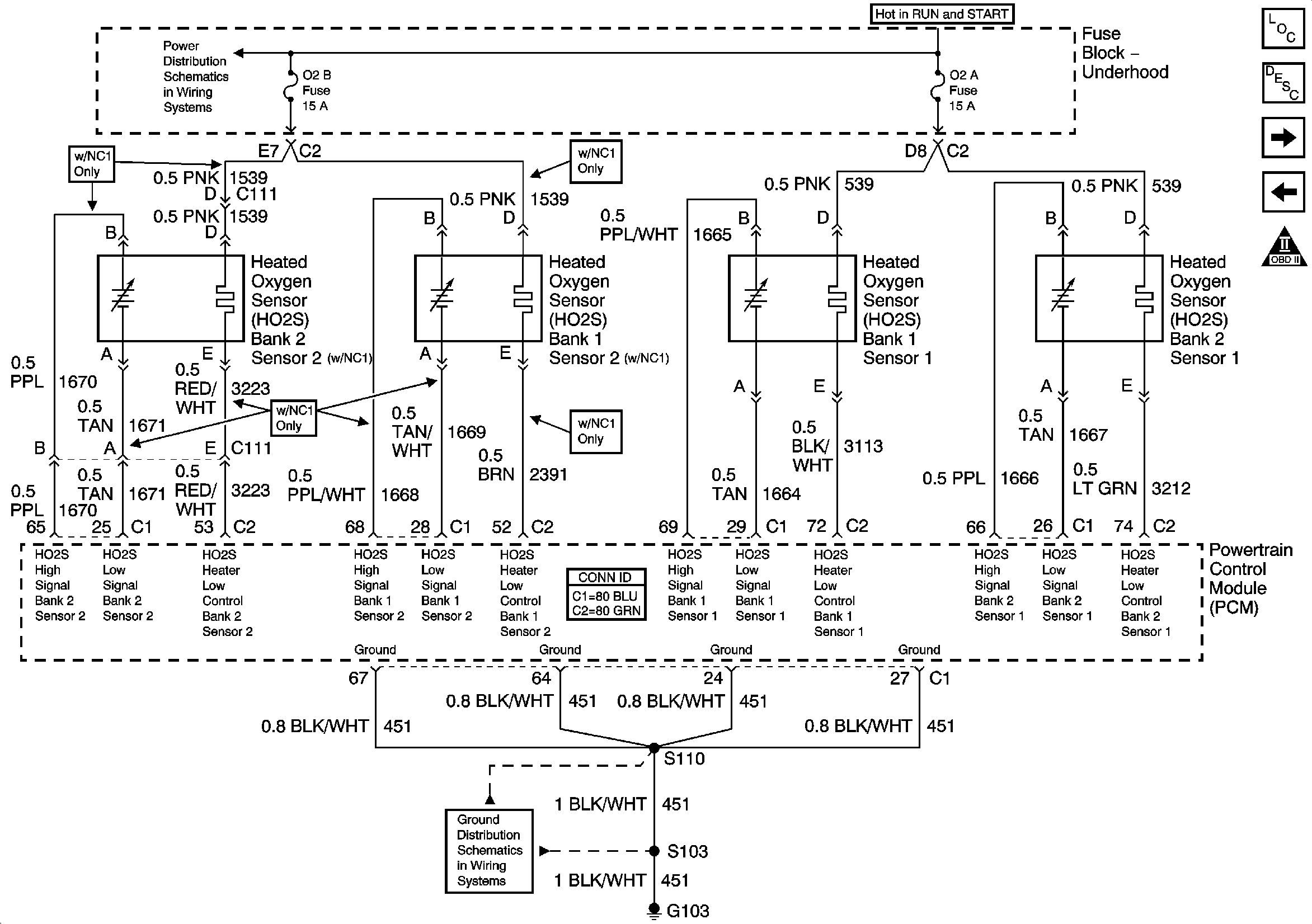
Figure 3:

Engine Data Sensors - HO2S


Object Number: 857624  Size: FS
Master Electrical Component List
Powertrain Control Module Description
Engine Data Sensors - Electronic Throttle Controls - 1 of 2
Engine Data Sensors - Pressure, Temperature, and VSS
OBD II Symbol Description Notice
Ignition, Run, Start, Accy Bus Bar
G102, G103-Gas
Figure 4:

Engine Data Sensors - Electronic Throttle Controls - 1 of 2


Object Number: 834725  Size: FS
Master Electrical Component List
Powertrain Control Module Description
Engine Data Sensors - Electronic Throttle Controls - 2 of 2
Engine Data Sensors - HO2S
OBD II Symbol Description Notice
IGN 1 Relay Bus, SEO 2, RR DEFOG, SEO IGN, B/U LP
G104, G106, G107
Figure 5:

Engine Data Sensors - Electronic Throttle Controls - 2 of 2


Object Number: 834728  Size: FS
Master Electrical Component List
Powertrain Control Module Description
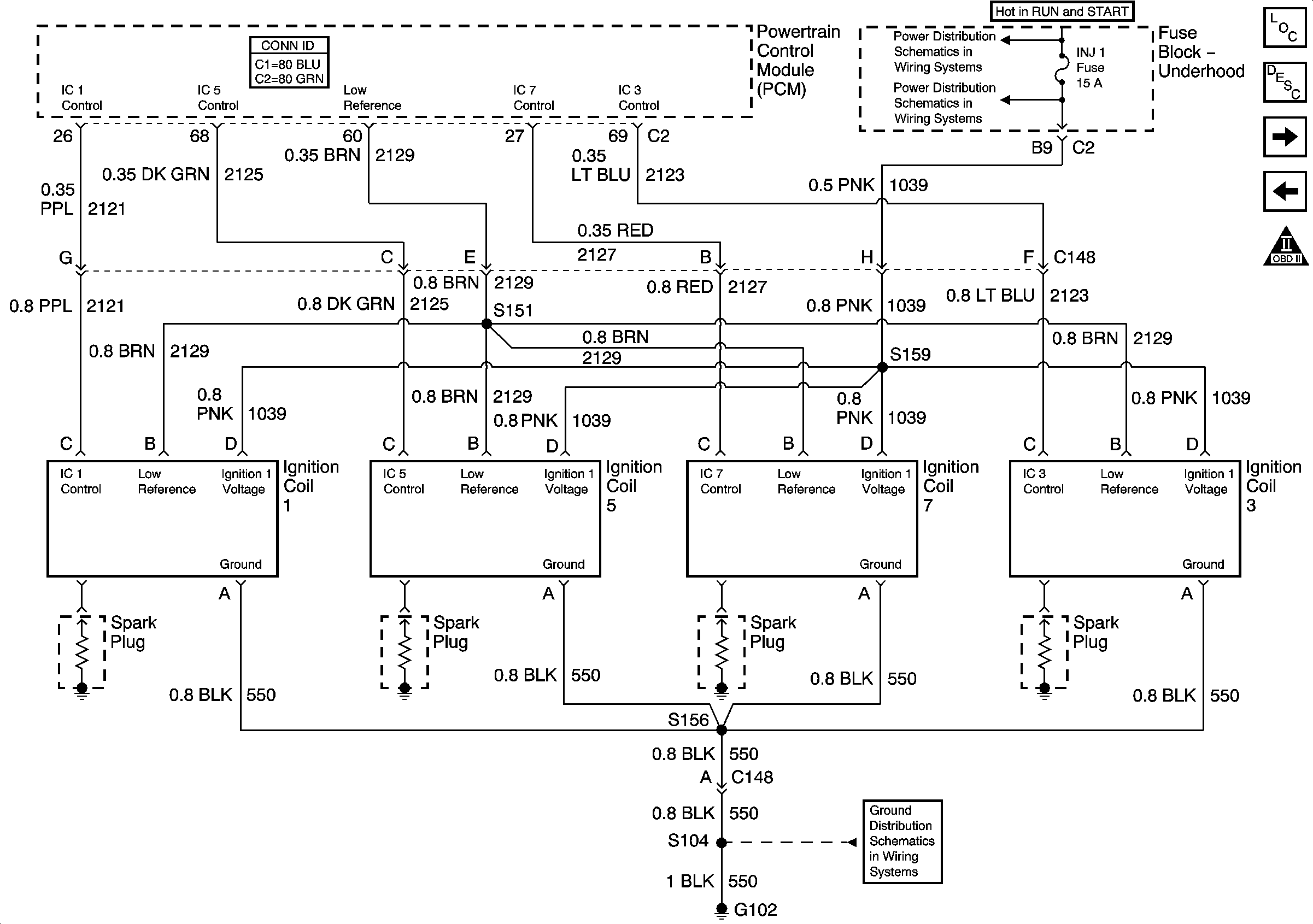
Ignition Controls - Ignition System Coils 1, 3, 5, and 7
Engine Data Sensors - Electronic Throttle Controls - 1 of 2
OBD II Symbol Description Notice
4.8, 5.3, 6.0, and 8.1L Cruise Control Schematics - 1 of 2
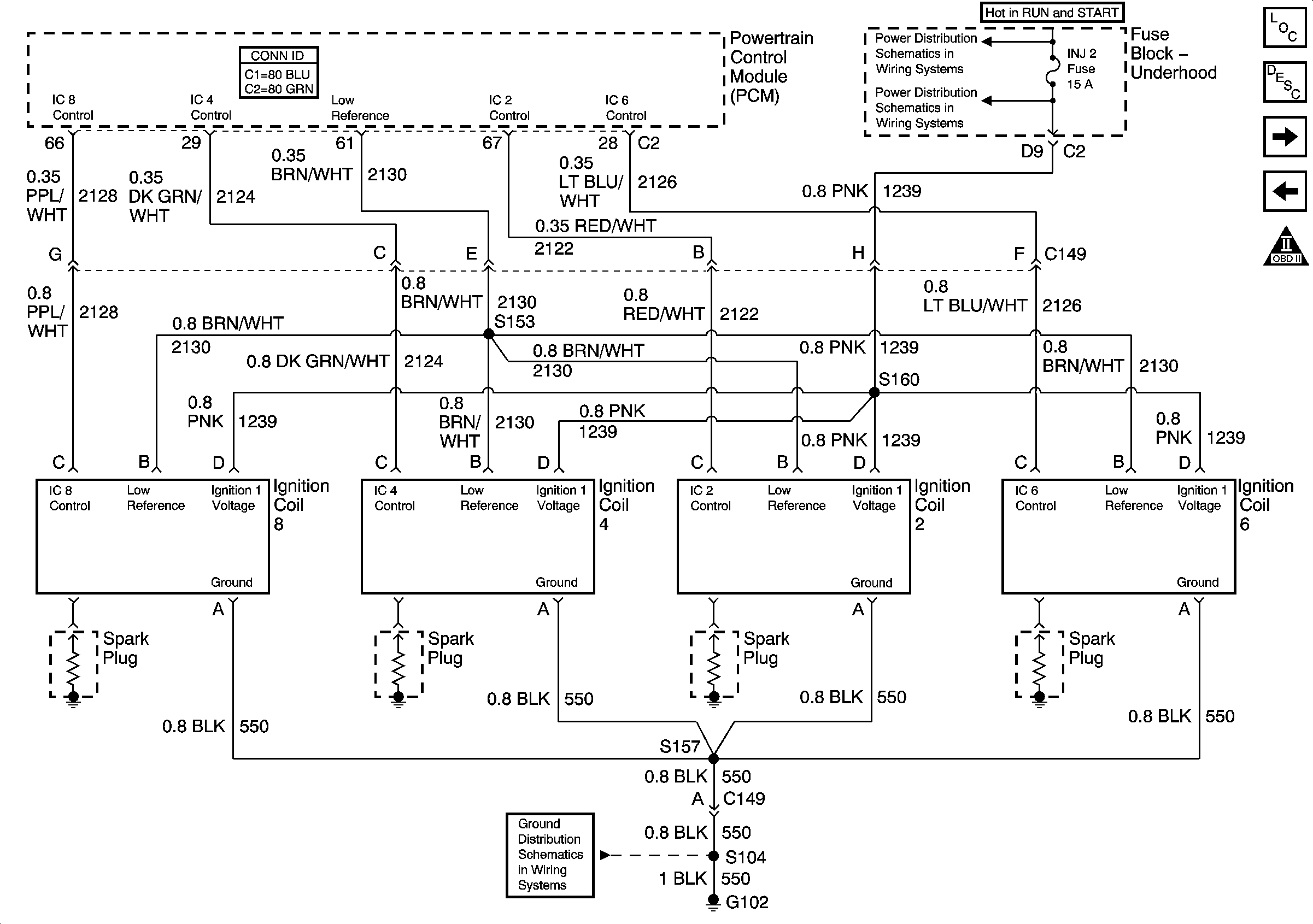
Figure 6:

Ignition Controls - Ignition System Coils 1, 3, 5, and 7


Object Number: 857625  Size: FS
Master Electrical Component List
Powertrain Control Module Description
Ignition Controls - Ignition System Coils 2, 4, 6, and 8
Engine Data Sensors - Electronic Throttle Controls - 2 of 2
OBD II Symbol Description Notice
IGN 1 Relay Bus, SEO 2, RR DEFOG, SEO IGN, B/U LP
IGN 1 Relay Bus, SEO 2, RR DEFOG, SEO IGN, B/U LP
G102, G103-Gas
Figure 7:

Ignition Controls - Ignition System Coils 2, 4, 6, and 8


Object Number: 857627  Size: FS
Master Electrical Component List
Powertrain Control Module Description
Ignition Controls - Sensors
Ignition Controls - Ignition System Coils 1, 3, 5, and 7
OBD II Symbol Description Notice
IGN 1 Relay Bus, SEO 2, RR DEFOG, SEO IGN, B/U LP
IGN 1 Relay Bus, SEO 2, RR DEFOG, SEO IGN, B/U LP
G104, G106, G107
Figure 8:

Ignition Controls - Sensors


Object Number: 857629  Size: FS
Master Electrical Component List
Powertrain Control Module Description
Fuel Controls - Fuel Pump Controls
Ignition Controls - Ignition System Coils 2, 4, 6, and 8
OBD II Symbol Description Notice
Gauges, VSS, Engine Oil Signals-Gas Only
Figure 9:

Fuel Controls - Fuel Pump Controls


Object Number: 855329  Size: FS
Master Electrical Component List
Powertrain Control Module Description
Fuel Controls - Fuel Injectors
Ignition Controls - Sensors
OBD II Symbol Description Notice
B+ Bus Bar (Gas) - 1 of 3
ECM, ECMRPV, EDU, EDU Relay - Diesel Only
IGN 1 Relay Bus, SEO 2, RR DEFOG, SEO IGN, B/U LP
SBA, ETC, PCM 1, BTSI, TRL B/U
G104, G106, G107
G104, G106, G107
Fuel Gauge-Gas Only
Figure 10:

Fuel Controls - Fuel Injectors


Object Number: 841459  Size: FS
Master Electrical Component List
Powertrain Control Module Description
Fuel Controls - EVAP Controls, Fuel Tank Pressure, and EGR
Fuel Controls - Fuel Pump Controls
OBD II Symbol Description Notice
IGN 1 Relay Bus, SEO 2, RR DEFOG, SEO IGN, B/U LP
IGN 1 Relay Bus, SEO 2, RR DEFOG, SEO IGN, B/U LP
Figure 11:

Fuel Controls - EVAP Controls, Fuel Tank Pressure, and EGR


Object Number: 841463  Size: FS
Master Electrical Component List
Powertrain Control Module Description
Controlled/Monitored Subsystem References
Fuel Controls - Fuel Injectors
OBD II Symbol Description Notice
IGN 1 Relay Bus, SEO 2, RR DEFOG, SEO IGN, B/U LP
IGN 1 Relay Bus, SEO 2, RR DEFOG, SEO IGN, B/U LP
B+ Bus Bar (Gas) - 1 of 3
QS4, RADIO, RDO AMP
Fuel Gauge-Gas Only
Figure 12:

Controlled/Monitored Subsystem References


Object Number: 857632  Size: FS
Master Electrical Component List
Powertrain Control Module Description
Transmission Controls - A/T
Fuel Controls - EVAP Controls, Fuel Tank Pressure, and EGR
OBD II Symbol Description Notice
A/C Compressor Controls
A/C Compressor Controls
Gauges, VSS, Engine Oil Signals-Gas Only
8600 GVW or Less - 1 of 2
Starting System-Gas
Transfer Case Schematics - NP1
Power, Ground, and Transfer Case Encoder Motor
Transfer Case Schematics - NP1
8600 GVW or Less - 2 of 2
Gauges, VSS, Engine Oil Signals-Gas Only
Engine Cooling
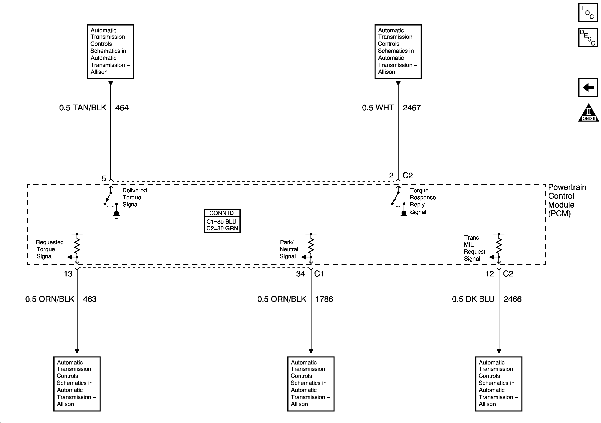
Figure 13:

Transmission Controls - A/T


Object Number: 857633  Size: FS
Master Electrical Component List
Powertrain Control Module Description
Controlled/Monitored Subsystem References
OBD II Symbol Description Notice
Serial Data, Tow/Haul Switch, and Torque Signals
Serial Data, Tow/Haul Switch, and Torque Signals
Serial Data, Tow/Haul Switch, and Torque Signals
CAN Serial Data, VSS, and PNP Switch
Serial Data, Tow/Haul Switch, and Torque Signals