GM Service Manual Online
For 1990-2009 cars only
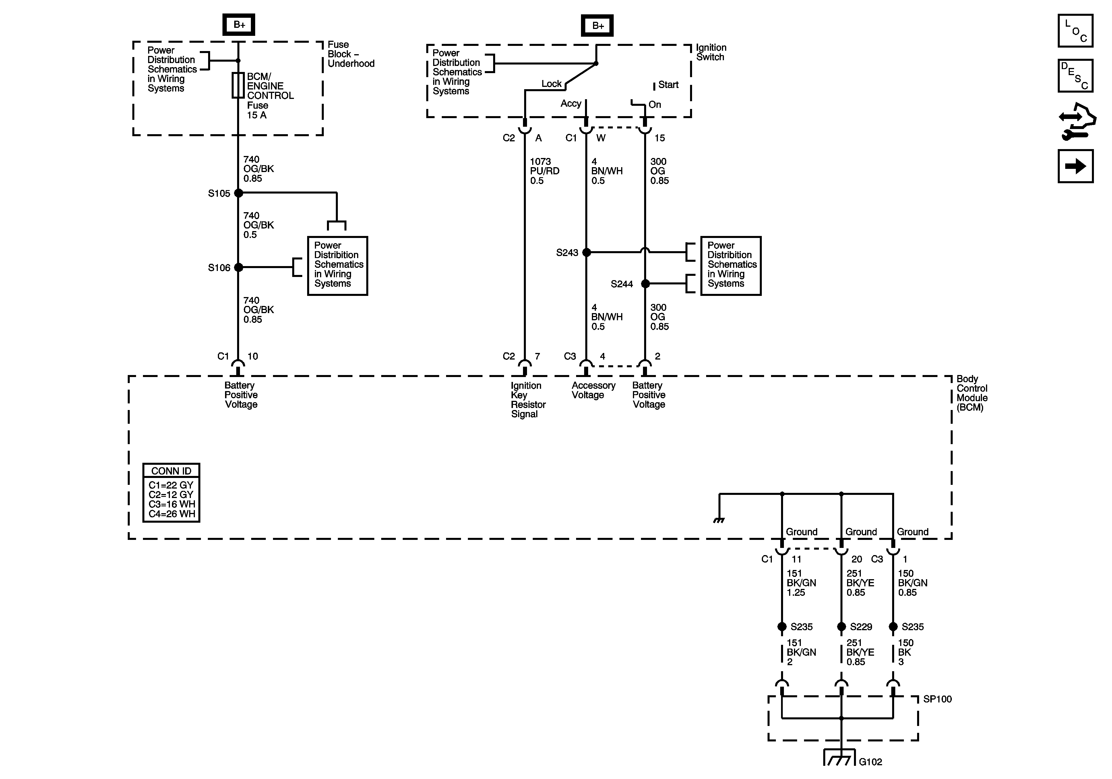
Figure 1:

Body Control Module (BCM) Power and Ground


Object Number: 1519704  Size: FS
Master Electrical Component List
Body Control System Description and Operation
Control Module References
Controlled/Monitored Subsystem References (1 of 3)
ENGINE, FUEL PUMP, and BCM/ENGINE CONTROL Fuses
ENGINE, FUEL PUMP, and BCM/ENGINE CONTROL Fuses
Ignition Switch
Ignition Switch
SP100 and G102 2 of 5
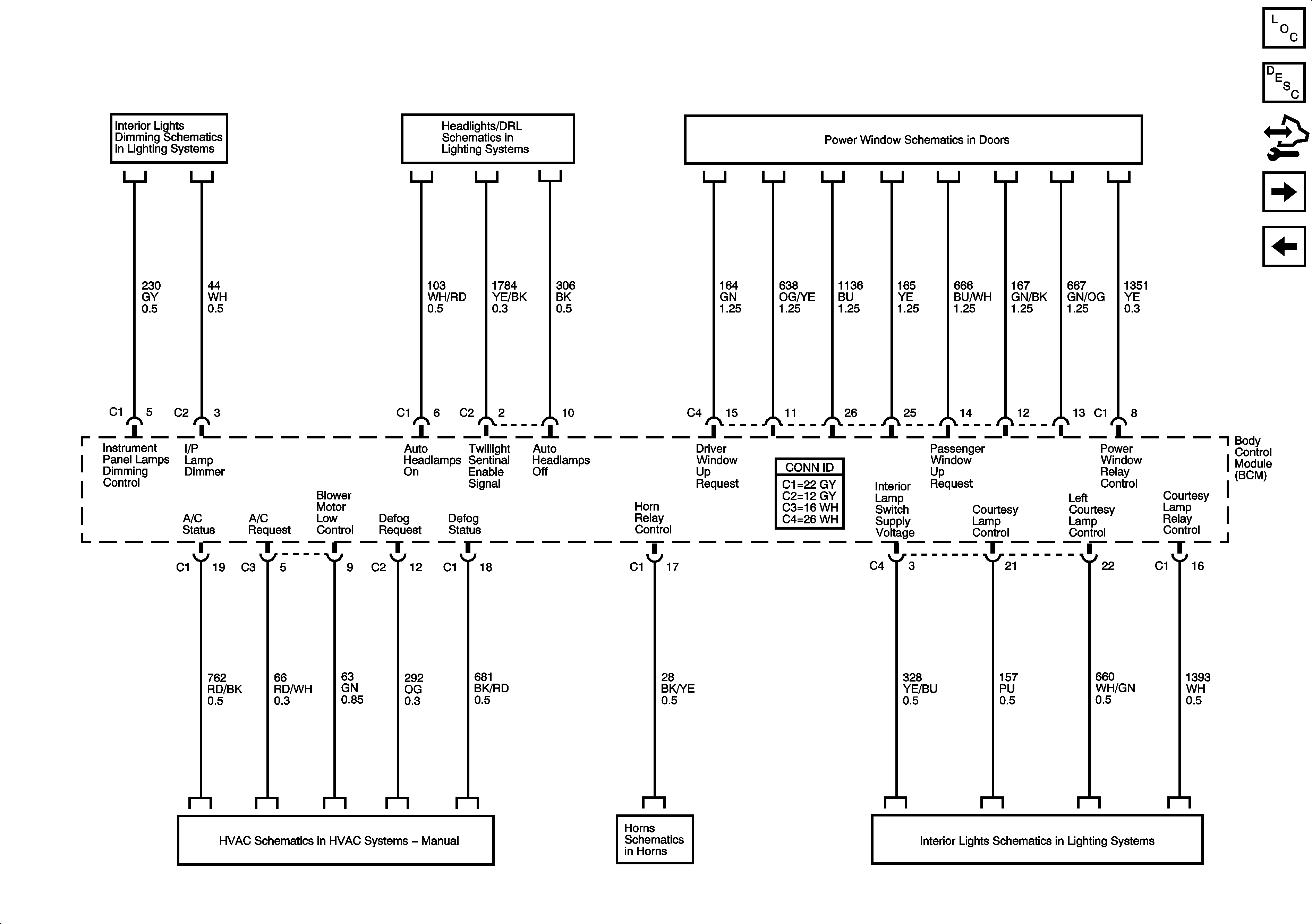
Figure 2:

Controlled/Monitored Subsystem References (1 of 3)


Object Number: 1519706  Size: FS
Master Electrical Component List
Body Control System Description and Operation
Control Module References
Controlled/Monitored Subsystem References (2 of 3)
Body Control Module (BCM) Power and Ground
Interior Dimming Lights
Headlights/DRL
Power Windows
Blower Control
Horns
Dome Lamp
Figure 3:

Controlled/Monitored Subsystem References (2 of 3)


Object Number: 1520000  Size: FS
Master Electrical Component List
Body Control System Description and Operation
Control Module References
Controlled/Monitored Subsystem References (3 of 3)
Controlled/Monitored Subsystem References (1 of 3)
Headlamp Switch, Hazard Switch and Flasher
Body Rear End
Door Lock Switch, Body Control Module (BCM) and Door Lock Actuators
Radio and Antenna
Accessory Control Relay, RADIO CELLULAR PHONE, ACC SOCKET, ECM SIGNAL Fuses
MIL, Brake, Security, Door Ajar, and Seat Belt Indicators
Data Link Connector - 2 of 2
Figure 4:

Controlled/Monitored Subsystem References (3 of 3)


Object Number: 1520033  Size: FS
Master Electrical Component List
Body Control System Description and Operation
Control Module References
Controlled/Monitored Subsystem References (2 of 3)
Wiper/Washer System
Turn Signal Switch and Lamps
PARK LAMPS, STOP LAMPS, INTERIOR ILLUMINATION, HAZARD LAMPS Fuses
MAIN, BLOWER FAN, RAD FAN SMALL, INSTRUMENTS, POWER DOOR LOCKS, THEFT, HORN and POWER WINDOW Fuses
MAIN, BLOWER FAN, RAD FAN SMALL, INSTRUMENTS, POWER DOOR LOCKS, THEFT, HORN and POWER WINDOW Fuses
Door Lock Switch, Body Control Module (BCM) and Door Lock Actuators