GM Service Manual Online
For 1990-2009 cars only
Figure 1:

Module Power, Ground, Serial Data and MIL


Object Number: 669102  Size: FS
Master Electrical Component List
OBD II Symbol Description Notice
Ignition Controls
OBD II Symbol Description Notice
G110
Power, Ground, and Serial Data
IP Fuse Block TURN - B/U, IGN MDL, PCM, BCM /CLU Fuses
IP Fuse Block TURN - B/U, IGN MDL, PCM, BCM /CLU Fuses
G110
Figure 2:

Ignition Controls


Object Number: 862961  Size: FS
Master Electrical Component List
Electronic Ignition (EI) System Description
OBD II Symbol Description Notice
Fuel Delivery
Module Power, Ground, Serial Data and MIL
OBD II Symbol Description Notice
G110
IP Fuse Block TURN - B/U, IGN MDL, PCM, BCM /CLU Fuses
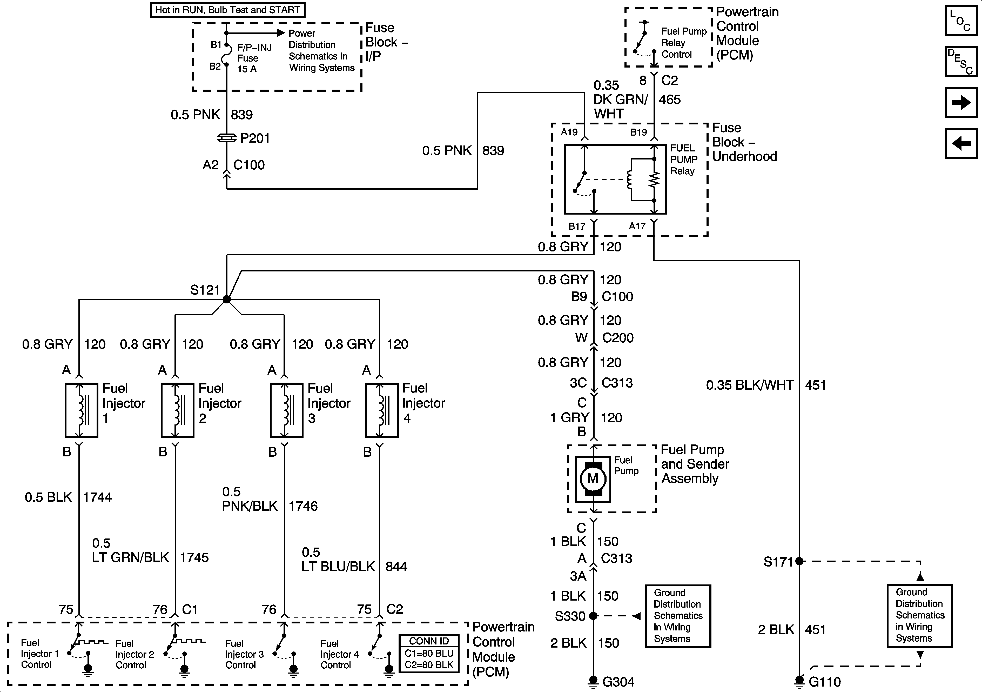
Figure 3:

Fuel Delivery


Object Number: 669116  Size: FS
Figure 4:

Engine Data Sensors-Pressure and Temperature


Object Number: 669119  Size: FS
Engine Controls Components
Powertrain Control Module Description
Power, Ground, and EVAP
Power, Ground, Fuel Tank Module, and Injectors
OBD II Symbol Description Notice
Handling ESD Sensitive Parts Notice
Power, Ground, Fuel Tank Module, and Injectors
Figure 5:

EVAP Controls and IAC


Object Number: 862971  Size: FS
Master Electrical Component List
OBD II Symbol Description Notice
Engine Data Sensors - O2S and HO2S
Engine Data Sensors - Pressure and Temperature
OBD II Symbol Description Notice
IP Fuse Block ERLS Fuse
IP Fuse Block ERLS Fuse
IP Fuse Block ERLS Fuse
Figure 6:

Engine Data Sensors -- O2S and HO2S


Object Number: 862973  Size: FS
Master Electrical Component List
OBD II Symbol Description Notice
EOP Sensor, IAC, PNP and Generator
EVAP Controls and IAC
OBD II Symbol Description Notice
I/P Fuse Block BCM, WIPER, HVAC, 02 HTR Fuses and PWR WDO Circuit Breaker
I/P Fuse Block ERLS Fuse
I/P Fuse Block ERLS Fuse
I/P Fuse Block ERLS Fuse
G112
Figure 7:

Controlled/Monitored Subsystem References 1 of 2


Object Number: 669161  Size: FS
Master Electrical Component List
OBD II Symbol Description Notice
Controlled/Monitored Subsystem References 2 of 2
Cruise Control Brake Switch and TCC Solenoid
OBD II Symbol Description Notice
TFP Switch (MXO) and Speed Sensors
TFP Switch (MXO) and Speed Sensors
PNP Switch and TCC Release Signal
Figure 8:

Controlled/Monitored Subsystem References 2 of 2


Object Number: 669182  Size: FS
Master Electrical Component List
OBD II Symbol Description Notice
Controled/Monitored Subsystem References 1 of 2
OBD II Symbol Description Notice
Power and Ground
Indicators and Switches
Compressor Controls
Indicators