GM Service Manual Online
For 1990-2009 cars only
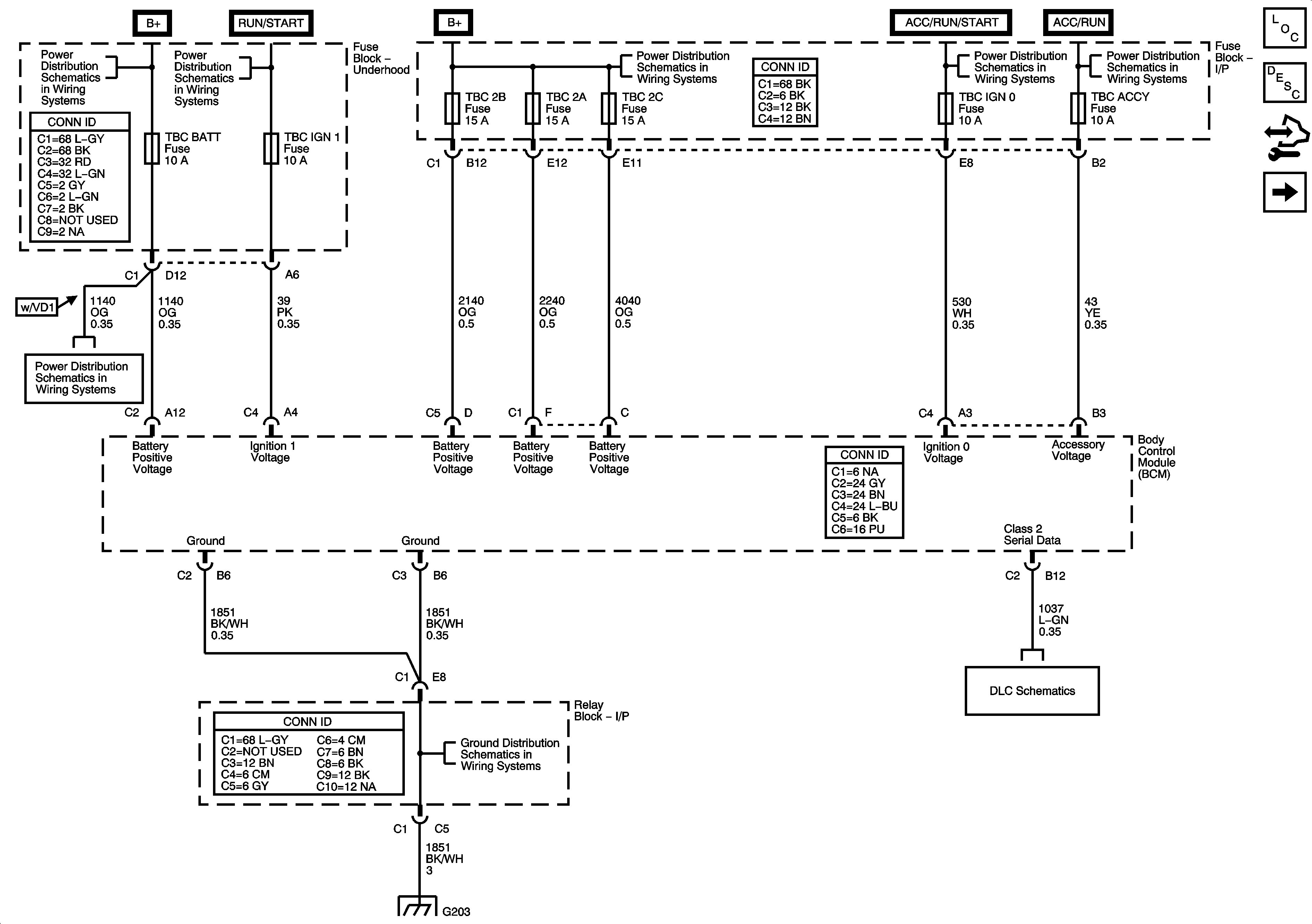
Figure 1:

Power, Ground, and Serial Data


Object Number: 1468640  Size: FS
Master Electrical Component List
Body Control System Description and Operation
Control Module References
Interior Lights System References
IPC/DIC, LH HID, RH HID, SEO B1, SEO B2, and TBC BATT Fuses
IPC/DIC, LH HID, RH HID, SEO B1, SEO B2, and TBC BATT Fuses
BTSI, B/U LP, O2A, O2B, SEO IGN, TBC IGN 1, and TRL B/U Fuses
BLOWER, FLASH, HVAC/ECAS, LBEC 1, RR DEFOG, RR HVAC, TBC 2A, TBC 2B, and TBC 2C Fuses, and LT DOOR Breaker
IGN 0, RR WPR, SEO ACCY, TBC ACCY, TBC IGN 0, and WS WPR Fuses
IGN 0, RR WPR, SEO ACCY, TBC ACCY, TBC IGN 0, and WS WPR Fuses
Power, Ground, DLC, and Splice Pack SP205
G203 - 1 of 3
G203 - 1 of 3
Figure 2:

Interior Lights System References


Object Number: 1468646  Size: FS
Master Electrical Component List
Body Control System Description and Operation
Control Module References
Exterior Lights System References
Power, Ground, Serial Data
Dimming Control and LED DImming Supply Voltage - 1 of 2
Door Switch Inputs and Door Courtesy Lamps
Dimming Control and LED DImming Supply Voltage - 1 of 2
Interior Lamps - Avelanche and Escalade EXT
Headlamp Switches, Courtesy Lamp, and Inadvertent Voltage Supplies
Dimming Control and LED DImming Supply Voltage - 1 of 2
Figure 3:

Exterior Lights System References


Object Number: 1468647  Size: FS
Master Electrical Component List
Body Control System Description and Operation
Control Module References
Controlled/Monitored Subsystem References - 1 of 2
Interior Lights System References
Headlights w/Z75
Headlights - w/o Z75
Daytime Running Lamps (DRL) - w/VD1
Daytime Running Lamps (DRL) - w/o VD1
Front
Park Lamp Relay - w/VD1
Park Lamp Relay - w/o VD1
Backup Lamps
Rear - VD1
Headlights/DRL Controls
Figure 4:

Controlled/Monitored Subsystem References 1 of 2


Object Number: 1468648  Size: FS
Master Electrical Component List
Body Control System Description and Operation
Control Module References
Controlled/Monitored Subsystem References - 2 of 2
Exterior Lights System References
Horns Schematics
Rear Window Defogger Controls
Left Doors
Right Doors
Power Sunroof Schematics
Brake Warning System Schematics
Rear Object Sensor Control Module, RPA Display, and RPA Disable Switch
Steering Wheel Speed/Position Sensor Inputs - w/JL4
Steering Wheel Speed/Position Sensor
Figure 5:

Controlled/Monitored Subsystem References 2 of 2


Object Number: 1468650  Size: FS
Master Electrical Component List
Body Control System Description and Operation
Control Module References
Controlled/Monitored Subsystem References - 1 of 2
Rear Door and Liftgate Locks
Rear Door and Liftgate Locks
Audible Warnings
Steering Wheel Controls
PNP Switch, 4WD Signal, Tow/Haul, Serial Data, and Indicator
PNP Switch, 4WD Signal, Tow/Haul, Serial Data, and Indicator
Vehicle Theft Deterrent