GM Service Manual Online
For 1990-2009 cars only
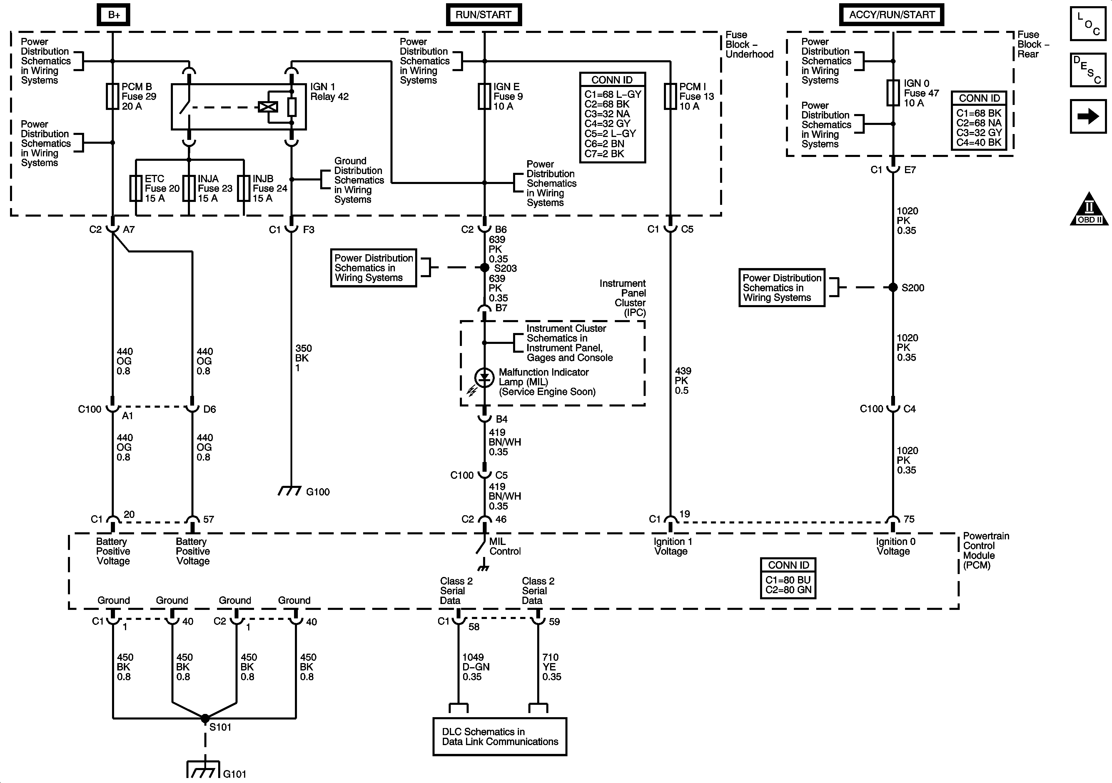
Figure 1:

Power, Ground, Serial Data and MIL


Object Number: 1198128  Size: FS
Master Electrical Component List
Powertrain Control Module Description
Engine Data Sensors-5 Volt and Low References
OBD II Symbol Description Notice
B+ BUS - Fuse Block Underhood
COILS, CANISTER, IPC/DIC, FLASH, TBC 1 and PCM B Fuses
G100, G102
ACCY/RUN and RUN/START BUS BAR
IGN E, TBC IGN 1, BACK UP and BTSI Fuses
ACCY/RUN and RUN/START BUS BAR
IGN 0, TBC IG, TBC 4CC and FT WPR Fuses
IGN E, TBC IGN 1, BACK UP and BTSI Fuses
Power, Ground, Serial Data and MIL
IGN 0, TBC IG, TBC 4CC and FT WPR Fuses
G101
Data Link Connector (DLC) Schematics
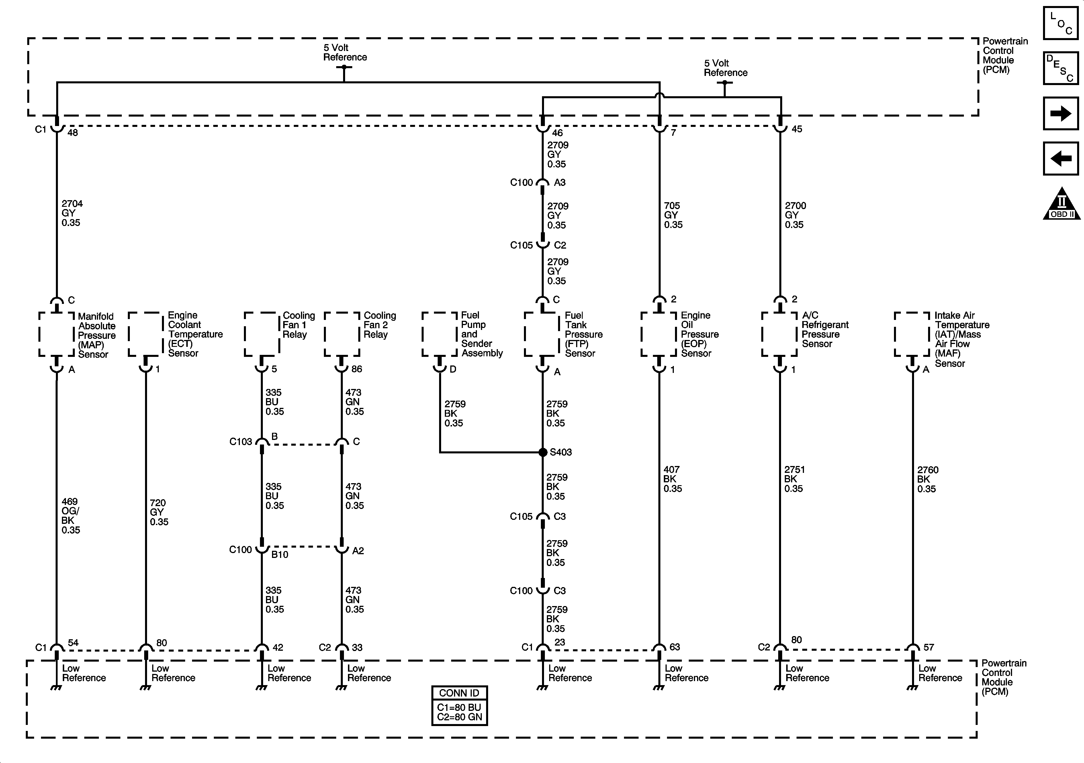
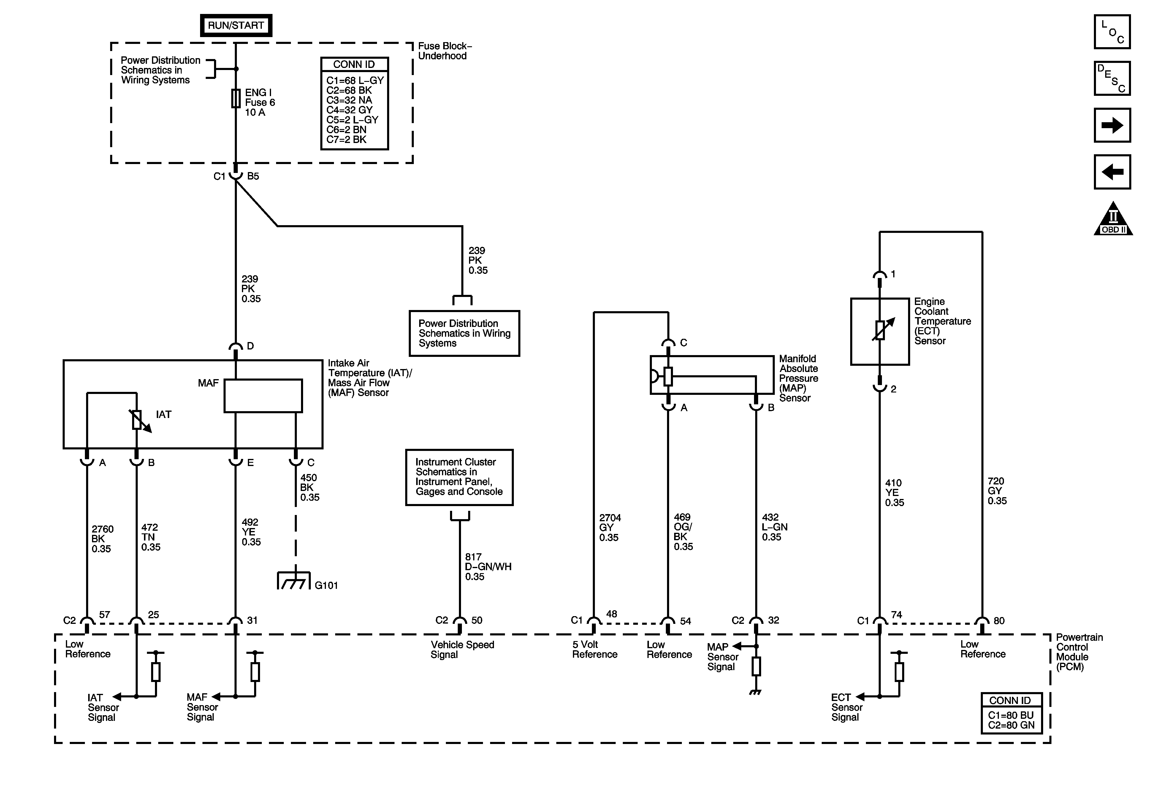
Figure 2:

Engine Data Sensors - 5 Volt and Low Reference


Object Number: 1198130  Size: FS
Master Electrical Component List
Powertrain Control Module Description
Engine Data Sensors-Pressure, Temperature and VSS
Power, Ground, Serial Data and MIL
OBD II Symbol Description Notice
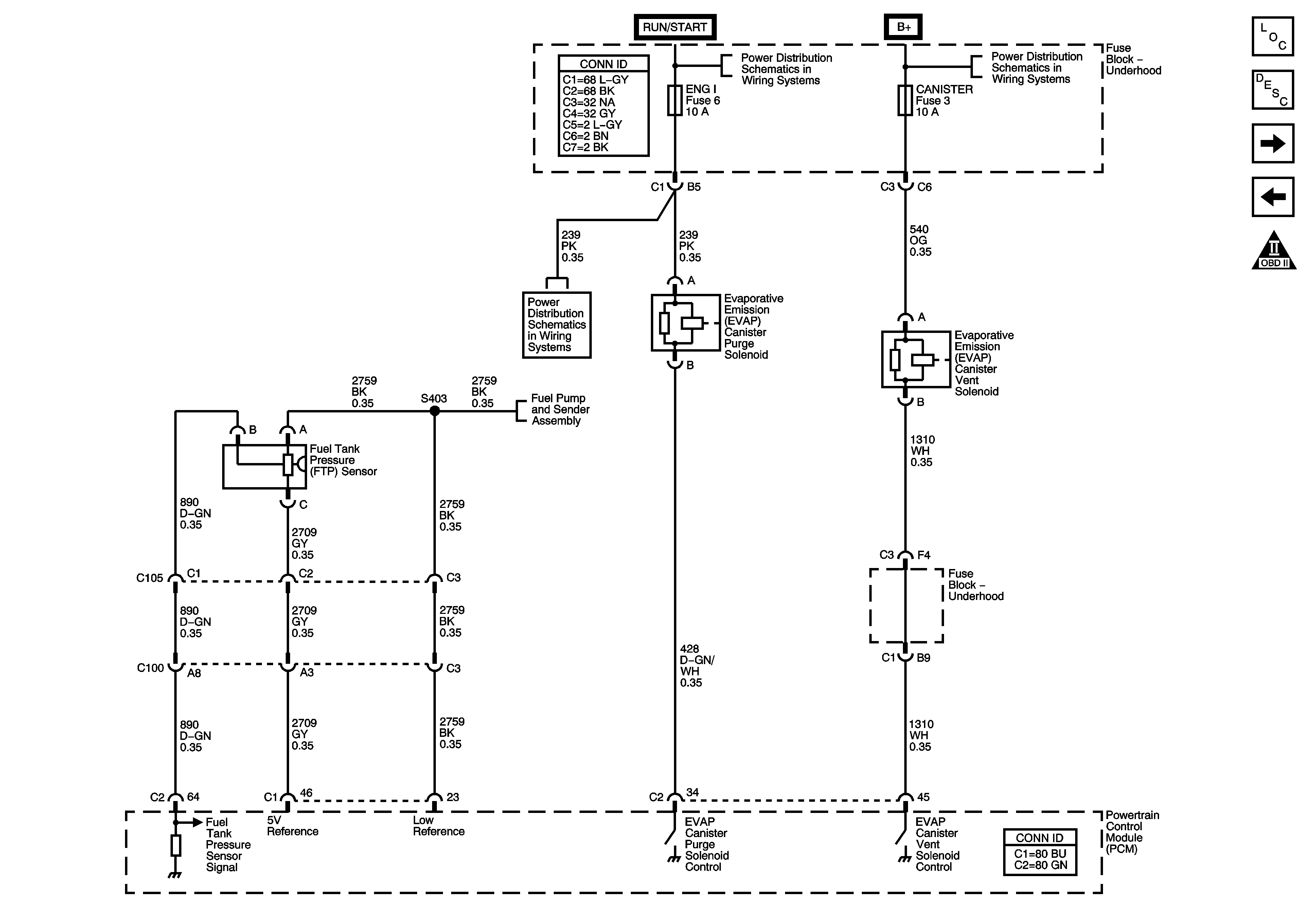
Figure 3:

Engine Data Sensors - Pressure, Temperature and VSS


Object Number: 1198131  Size: FS
Master Electrical Component List
Powertrain Control Module Description
Engine Data Sensors-Oxygen Sensors
Engine Data Sensors-5 Volt and Low References
OBD II Symbol Description Notice
ACCY/RUN and RUN/START BUS BAR
PCM I, SIR, O2 A, O2 B AND ENG I Fuses
Gages and Engine Oil Pressure (EOP) Sensor
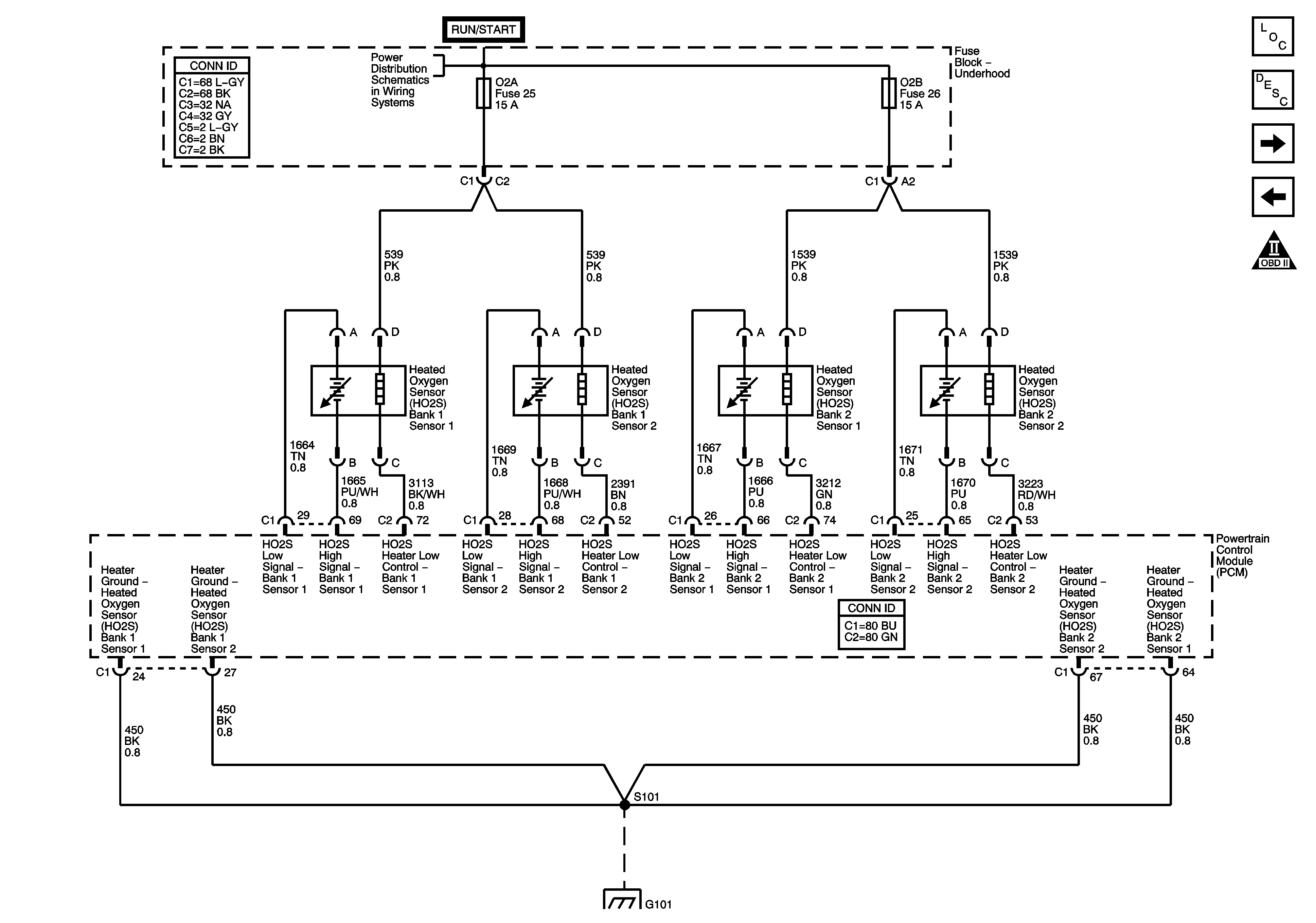
Figure 4:

Engine Data Sensors - Oxygen Sensors


Object Number: 1198132  Size: FS
Master Electrical Component List
Powertrain Control Module Description
Engine Data Sensors-Electrionic Throttle Controls
Engine Data Sensors-Pressure, Temperature and VSS
OBD II Symbol Description Notice
ACCY/RUN and RUN/START BUS BAR
G101
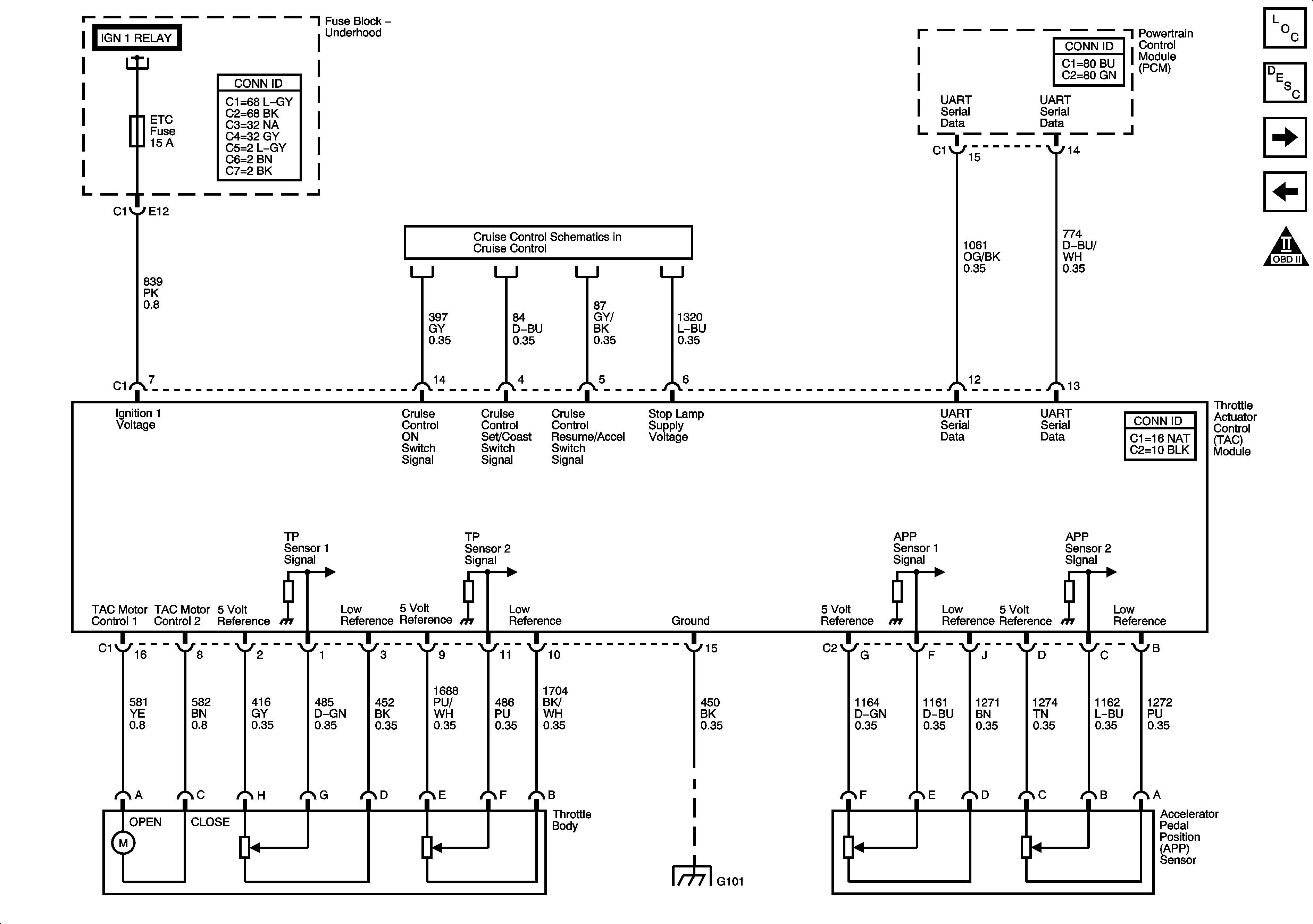
Figure 5:

Engine Data Sensors - Throttle Actuator Controls


Object Number: 1198133  Size: FS
Master Electrical Component List
Powertrain Control Module Description
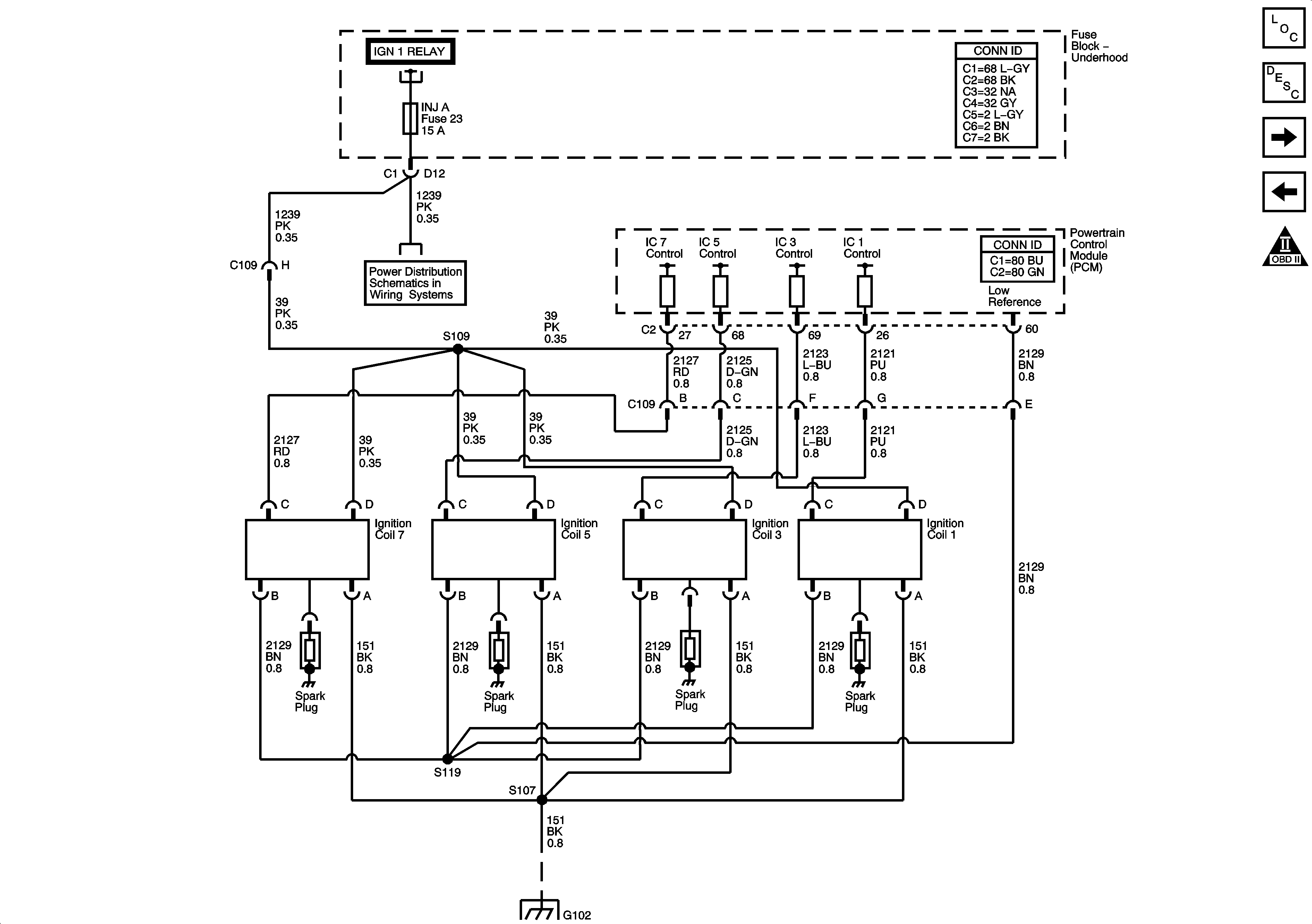
Ignition Controls- Ignition System Coils 1, 3, 5, 7
Engine Data Sensors-Oxygen Sensors
OBD II Symbol Description Notice
Power, Ground, Serial Data and MIL
Power, Ground, TAC Module, APP Sensor and Throttle Body
G101
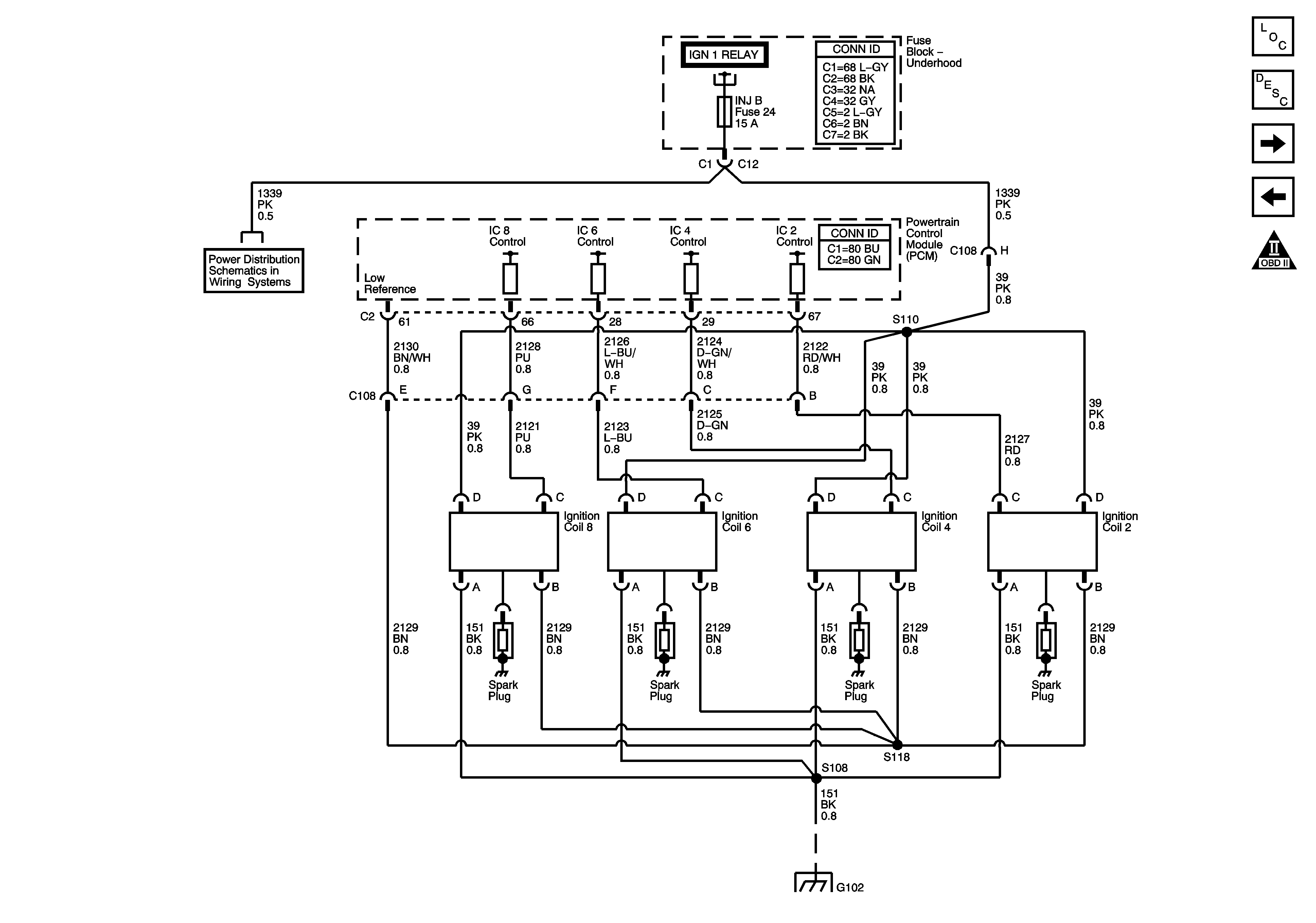
Figure 6:

Engine Data Sensors - Ignition Controls - Ignition System Coils 1, 3, 5, 7


Object Number: 1198134  Size: FS
Master Electrical Component List
Powertrain Control Module Description
Ignition Controls - Ignition System Coils 2, 4, 6, 8
Engine Data Sensors-Electrionic Throttle Controls
OBD II Symbol Description Notice
Power, Ground, Serial Data and MIL
TAC, INJ A and INJ B Fuses
G100, G102
Figure 7:

Engine Data Sensors - Ignition Controls - Ignition System Coils 2, 4, 6, 8


Object Number: 1198135  Size: FS
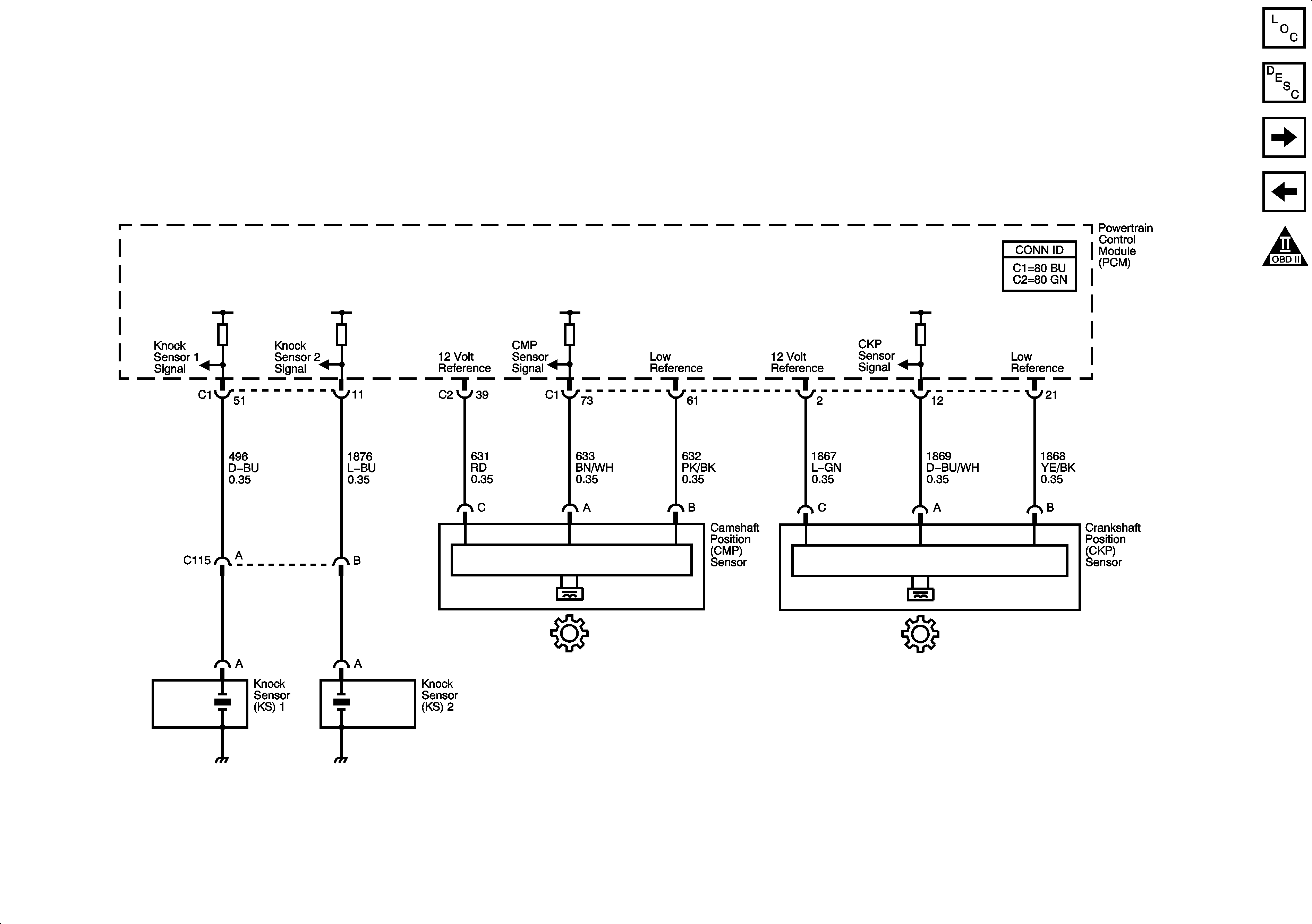
Master Electrical Component List
Powertrain Control Module Description
Ignition Controls - Sensors
Ignition Controls- Ignition System Coils 1, 3, 5, 7
OBD II Symbol Description Notice
Power, Ground, Serial Data and MIL
TAC, INJ A and INJ B Fuses
G100, G102
Figure 8:

Engine Data Sensors - Ignition Controls - Sensors


Object Number: 1198139  Size: FS
Master Electrical Component List
Powertrain Control Module Description
Fuel Controls-Fuel Pump Controls and Fuel Injectors
Ignition Controls - Ignition System Coils 2, 4, 6, 8
OBD II Symbol Description Notice
Figure 9:

Fuel Controls - Fuel Pump Controls and Fuel Injectors


Object Number: 1198140  Size: FS
Master Electrical Component List
Powertrain Control Module Description
Fuel Controls- EVAP Controls
Ignition Controls - Sensors
OBD II Symbol Description Notice
Power, Ground, Serial Data and MIL
B+ BUS - Fuse Block Underhood
COILS, CANISTER, IPC/DIC, FLASH, TBC 1 and PCM B Fuses
G100, G102
TAC, INJ A and INJ B Fuses
Fuel Controls- EVAP Controls
Figure 10:

Fuel Controls - EVAP Controls


Object Number: 1198143  Size: FS
Master Electrical Component List
Powertrain Control Module Description
Controlled/Monitored Subsystem References
Fuel Controls-Fuel Pump Controls and Fuel Injectors
OBD II Symbol Description Notice
ACCY/RUN and RUN/START BUS BAR
B+ BUS - Fuse Block Underhood
PCM I, SIR, O2 A, O2 B AND ENG I Fuses
Fuel Controls-Fuel Pump Controls and Fuel Injectors
Figure 11:

Controlled/Monitored Subsystem References


Object Number: 1198145  Size: FS
Master Electrical Component List
Powertrain Control Module Description
Transmission Control References - A/T
Fuel Controls- EVAP Controls
OBD II Symbol Description Notice
Gages and Engine Oil Pressure (EOP) Sensor
A/C Compressor Controls
Charging System
Starting System
Power, Ground and Electronic Brake Control Module
Engine Cooling Schematics
Figure 12:

Transmission Control Reference - A/T


Object Number: 1198147  Size: FS
Master Electrical Component List
Powertrain Control Module Description
Controlled/Monitored Subsystem References
OBD II Symbol Description Notice
Power and Internal Transmission Valve Switches
Park/Neutral Position (PNP) Switch and VSS Sensor