GM Service Manual Online
For 1990-2009 cars only
Figure 1:

Data Link, Ground, and Power


Object Number: 1830061  Size: FS
Master Electrical Component List
Body Control System Description and Operation
Control Module References
Lighting System References
BCM 2 and BCM 3 Fuses (Underhood Fuse Block), AMP, CLSTR, HVAC/PK3+, and IGN SW/PK3+ Fuses, HVAC Relay (Body Control Module (BCM))
BCM 2 and BCM 3 Fuses (Underhood Fuse Block), AMP, CLSTR, HVAC/PK3+, and IGN SW/PK3+ Fuses, HVAC Relay (Body Control Module (BCM))
BCM Fuse (Underhood Fuse Block), DR LCK, ECM/TCM, INT LIGHT, PWR WNDW, RDO, and SDM Fuses, DOOR LOCK PCB , DOOR UNLOCK PCB, DR DOOR UNLOCK PCB, INADVERTENT LOAD CONTROL PCB, and RAP Relays (BCM)
High Speed LAN
Low Speed LAN
Cruise Control Schematics
Ignition Switch
Indicators and Switches
Data Link, Ground, Indicator, Power, and Sensors
G300 - 2 of 2
G300 - 2 of 2
G300 - 2 of 2
Figure 2:

Lighting System References


Object Number: 1830066  Size: FS
Master Electrical Component List
Body Control System Description and Operation
Control Module References
Brakes, Cooling System, Cruise, and Door Lock References
Data Link, Ground, and Power
Fog Lights Schematics
Hazards and Park Lamps
Hazards and Park Lamps
I/P Dimmer Switch
Interior Lights Schematics
I/P Dimmer Switch
Headlights/DRL Schematics
Stop and Turn Signal Lamps
Stop and Turn Signal Lamps
Figure 3:

Brakes, Cooling System, Cruise, and Door Lock References


Object Number: 1830071  Size: FS
Master Electrical Component List
Body Control System Description and Operation
Control Module References
Defogger, Horn, Release Systems, and Wiper/Washer References
Lighting System References
G300 - 2 of 2
Indicators and Switches
Headlights/DRL Schematics
Hydraulic Brakes System Schematics
Brake Pedal Sensor, Indicator, and Traction Control Switch
Ground, Power, and Blower Controls
Cruise Control Schematics
Remote Function Schematics
Interior Lights Schematics
Figure 4:

Defogger, Horn, Release Systems, and and Wiper/Washer References


Object Number: 1830079  Size: FS
Master Electrical Component List
Body Control System Description and Operation
Control Module References
Brakes, Cooling System, Cruise, and Door Lock References
Indicators and Switches
Defogger Schematics
Horn Schematics
Wiper/Washer Schematics
Release System Schematics
Interior Lights Schematics
Headlights/DRL Schematics
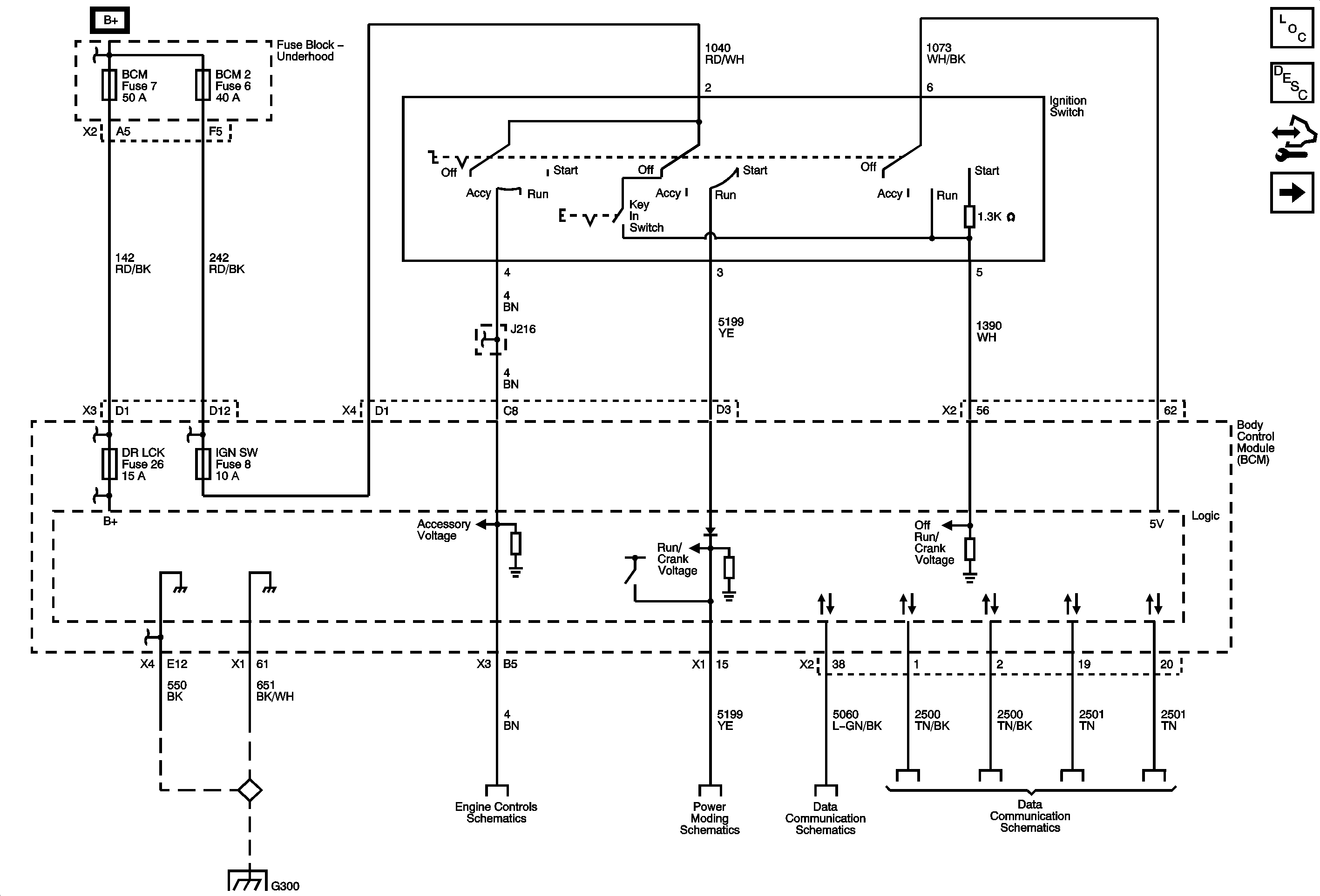
Figure 1:

Data Link, Ground, and Power


Object Number: 1871439  Size: FS
Master Electrical Component List
Body Control System Description and Operation
Control Module References
Lighting System References
B+ Bus Bar - 2 of 2
Data Communication Schematics
Cruise Control Schematics
HVAC/PK3, AUDIO AMPLIFIER, WIPERS, HVAC/IP IGN, RESRAINTS, and EPS/SWC Fuses
Interior Lights Schematics
Door Lock Schematics
Ignition Switch Modes
Instrument Cluster
Data Link, Ground, Indicator, Power, and Sensors
G300 - 2 of 2
Figure 2:

Brakes, Cooling System, Cruise, and Door Lock References


Object Number: 1871447  Size: FS
Master Electrical Component List
Body Control System Description and Operation
Control Module References
Defogger, Horn, Release Systems, and Wiper/Washer References
Lighting System References
G300 - 2 of 2
Instrument Cluster
Headlights/DRL Schematics
Hydraulic Brakes Schematics
Brake Pedal Sensor, Indicator, and Traction Control Switch
Ground, Power, and Blower Controls
Cruise Control Schematics
Remote Function Schematics
Interior Lights Schematics
Figure 3:

Defogger, Horn, Release Systems, and Wiper/Washer References


Object Number: 1871453  Size: FS
Master Electrical Component List
Body Control System Description and Operation
Control Module References
Brakes, Cooling System, Cruise, and Door Lock References
Instrument Cluster
Defogger Schematics
Fog Lights Schematics
Horn Schematics
Wiper/Washer Schematics
Release System Schematics
Interior Lights Schematics
Headlights/DRL Schematics