GM Service Manual Online
For 1990-2009 cars only
Figure 1:

Primary Blower Controls


Object Number: 775619  Size: FS
Master Electrical Component List
Air Delivery Description and Operation
A/C Compressor Controls
4WD and HVAC I Fuses
B+ Bus Bar
AIR, RADIO, ECM B, FRT HVAC, and CIGAR Fuses
AIR, RADIO, ECM B, FRT HVAC, and CIGAR Fuses
Splice Pack SP205
G200 - 1 of 2
Auxiliary Blower Controls (w/o Sunroof) - Tahoe/Yukon
Auxiliary Blower Controls (w/o Sunroof) - Tahoe/Yukon
Figure 2:

A/C Compressor Controls


Object Number: 775660  Size: FS
Master Electrical Component List
Air Temperature Description and Operation
Primary Air Delivery Controls, HVAC Control Module Power, Ground and Serial Data
Primary Blower Controls
B+ Bus Bar
IGNITION, RUN, and START Bus Bar
G103, G105, and G106
G100 and G110
Figure 3:

Primary Air Delivery Controls, HVAC Control Module Power, Ground and Serial Data


Object Number: 775661  Size: FS
Master Electrical Component List
Air Delivery Description and Operation
Primary Air Delivery Controls - Actuators
A/C Compressor Controls
4WD and HVAC I Fuses
B+ Bus Bar
AIR, RADIO, ECM B, FRT HVAC, and CIGAR Fuses
Splice Pack SP205
Primary Air Delivery Controls - Actuators
Primary Air Delivery Controls - Actuators
A/C Compressor Controls
G200 - 1 of 2
G200 - 1 of 2
Figure 4:

Primary Air Delivery Controls - Actuators


Object Number: 775668  Size: FS
Master Electrical Component List
Air Temperature Description and Operation
Primary Air Delivery Controls - Sensors
Primary Air Delivery Controls, HVAC Control Module Power, Ground and Serial Data
4WD and HVAC I Fuses
Primary Air Delivery Controls, HVAC Control Module Power, Ground and Serial Data
Primary Air Delivery Controls, HVAC Control Module Power, Ground and Serial Data
Figure 5:

Primary Air Delivery Controls - Sensors


Object Number: 775673  Size: FS
Master Electrical Component List
Air Temperature Description and Operation
Auxiliary Blower Controls (w/o Sunroof) - Tahoe/Yukon
Primary Air Delivery Controls - Actuators
IGN 1, SEO IGN, and AIR BAG Fuses
IGN 1, SEO IGN, and AIR BAG Fuses
IGN 1, SEO IGN, and AIR BAG Fuses
G203 - 3 of 4
G203 - 1 of 4
Figure 6:

Auxiliary Blower Controls (w/o Sunroof) - Tahoe/Yukon


Object Number: 775652  Size: FS
Master Electrical Component List
Air Delivery Description and Operation
Auxiliary Blower Controls (w/o Sunroof) - Suburban/Yukon XL
Primary Air Delivery Controls - Sensors
IGN 3 Fuse
Rear HVAC
Auxiliary Blower Controls (w/o Sunroof) - Suburban/Yukon XL
Auxiliary Blower Controls (w/o Sunroof) - Suburban/Yukon XL
RR HVAC, EXP LPS, ATC, and RR WPR B Fuses
G410 - 1 of 2
Figure 7:

Auxiliary Blower Controls (w/o Sunroof) - Suburban/Yukon XL


Object Number: 775647  Size: FS
Master Electrical Component List
Air Delivery Description and Operation
Auxiliary Blower Controls (w/Sunroof) - (w/Heat or A/C Only)
Auxiliary Blower Controls (w/o Sunroof) - Tahoe/Yukon
IGN 3 Fuse
Auxiliary Blower Controls (w/o Sunroof) - Tahoe/Yukon
Auxiliary Blower Controls (w/o Sunroof) - Tahoe/Yukon
RR HVAC, EXP LPS, ATC, and RR WPR B Fuses
Rear HVAC
IGN 3 Fuse
Figure 8:

Auxiliary Blower Controls (w/Sunroof) - (w/Heat or A/C Only)


Object Number: 775654  Size: FS
Master Electrical Component List
Air Delivery Description and Operation
Auxiliary Blower Controls (w/Sunroof) - (w/Heat and A/C)
Auxiliary Blower Controls (w/o Sunroof) - Suburban/Yukon XL
RR HVAC, EXP LPS, ATC, and RR WPR B Fuses
RR HVAC, EXP LPS, ATC, and RR WPR B Fuses
IGN 3 Fuse
HVAC Auxiliary Control
G410 - 1 of 2
Figure 9:

Auxiliary Blower Controls (w/Sunroof) - (w/Heat and A/C)


Object Number: 775656  Size: FS
Master Electrical Component List
Air Delivery Description and Operation
Auxiliary Air Delivery Controls - Device Controls (w/o Sunroof) - Tahoe/Yukon
Auxiliary Blower Controls (w/Sunroof) - (w/Heat or A/C Only)
RR HVAC, EXP LPS, ATC, and RR WPR B Fuses
RR HVAC, EXP LPS, ATC, and RR WPR B Fuses
IGN 3 Fuse
HVAC Auxiliary Control
G410 - 1 of 2
G410 - 1 of 2
Figure 10:

Auxiliary Air Delivery Controls - Device Controls (w/o Sunroof) - Tahoe/Yukon


Object Number: 775675  Size: FS
Master Electrical Component List
Air Delivery Description and Operation
Auxiliary Air Delivery Controls - Sensors and Actuators (w/o Sunroof)- Tahoe/Yukon
Auxiliary Blower Controls (w/Sunroof) - (w/Heat and A/C)
HVAC Auxiliary Control
G410 - 1 of 2
IGN 3 Fuse
IGN 3 Fuse
Auxiliary Air Delivery Controls - Sensors and Actuators (w/o Sunroof)- Tahoe/Yukon
Figure 11:

Auxiliary Air Delivery Controls - Sensors and Actuators (w/o Sunroof) - Tahoe/Yukon


Object Number: 775677  Size: FS
Master Electrical Component List
Air Temperature Description and Operation
Auxiliary Air Delivery Controls - Device Controls (w/o Sunroof) - Suburban/Yukon XL
Auxiliary Air Delivery Controls - Device Controls (w/o Sunroof) - Tahoe/Yukon
Auxiliary Blower Controls (w/o Sunroof) - Tahoe/Yukon
Auxiliary Air Delivery Controls - Device Controls (w/o Sunroof) - Tahoe/Yukon
Figure 12:

Auxiliary Air Delivery Controls - Device Controls (w/o Sunroof) - Suburban/Yukon XL


Object Number: 775681  Size: FS
Master Electrical Component List
Air Delivery Description and Operation
Auxiliary Air Delivery Controls - Sensors and Actuators (w/o Sunroof)- Suburban/Yukon XL
Auxiliary Air Delivery Controls - Sensors and Actuators (w/o Sunroof)- Tahoe/Yukon
HVAC Auxiliary Control
G410 - 1 of 2
IGN 3 Fuse
IGN 3 Fuse
Auxiliary Air Delivery Controls - Sensors and Actuators (w/o Sunroof)- Suburban/Yukon XL
Figure 13:

Auxiliary Air Delivery Controls - Sensors and Actuators (w/o Sunroof) - Suburban/Yukon XL


Object Number: 775686  Size: FS
Master Electrical Component List
Air Temperature Description and Operation
Auxiliary Air Delivery Controls - Air Delivery and Temperature Controls(w/o Sunroof)
Auxiliary Air Delivery Controls - Device Controls (w/o Sunroof) - Suburban/Yukon XL
Auxiliary Blower Controls (w/o Sunroof) - Suburban/Yukon XL
Auxiliary Air Delivery Controls - Device Controls (w/o Sunroof) - Suburban/Yukon XL
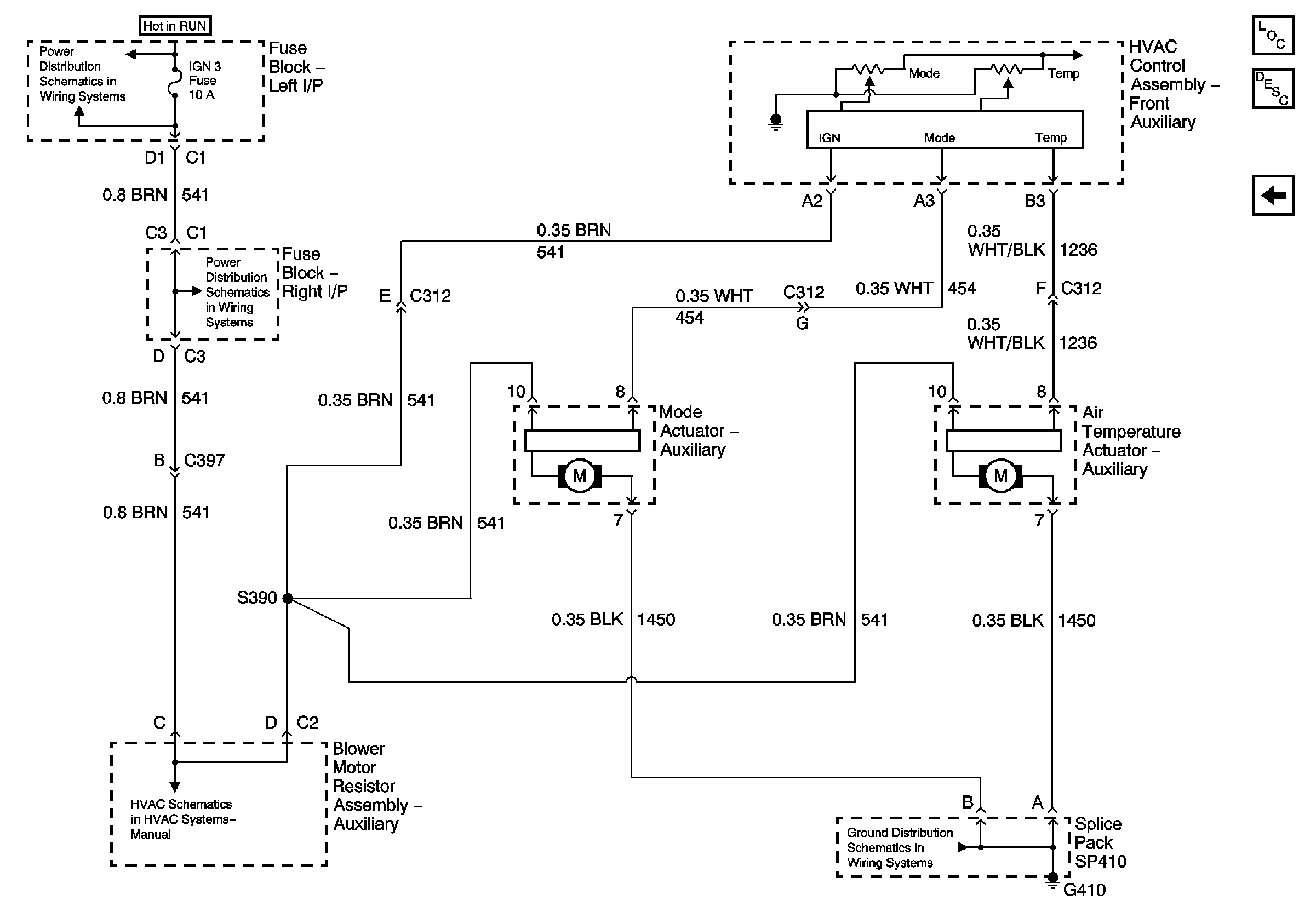
Figure 14:

Auxiliary Air Delivery Controls - Air Delivery and Temperature Controls (w/o Sunroof)


Object Number: 775689  Size: FS
Master Electrical Component List
Air Temperature Description and Operation
Manual Auxiliary Air Delivery Controls (w/Sunroof) and Automatic PrimarY Controls
Auxiliary Air Delivery Controls - Sensors and Actuators (w/o Sunroof)- Suburban/Yukon XL
IGN 3 Fuse
IGN 3 Fuse
G410 - 1 of 2
Auxiliary Blower Controls (w/o Sunroof) - Relays and Blower Motor (w/Heat and A/C)
Figure 15:

Manual Auxiliary Air Delivery Controls (w/Sunroof) and Automatic Primary Controls


Object Number: 775694  Size: FS
Master Electrical Component List
Air Temperature Description and Operation
Auxiliary Air Delivery Controls - Air Delivery and Temperature Controls(w/o Sunroof)
IGN 3 Fuse
IGN 3 Fuse
Auxiliary Blower Controls (w/o Sunroof) - Relays and Blower Motor (w/Heat and A/C)
G410 - 1 of 2