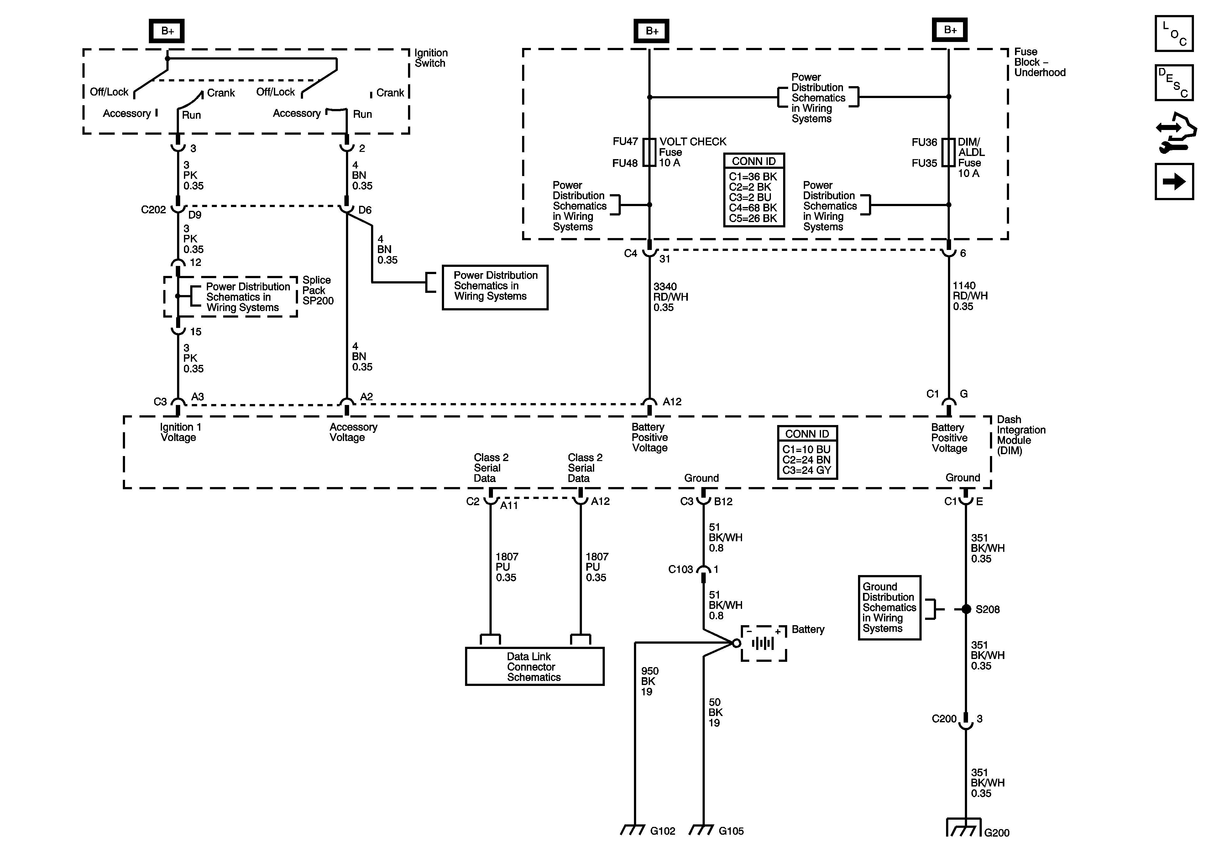
| Figure 1: |
DIM Power, Ground, and Serial Data
|
| Figure 2: |
DIM Inputs and Outputs - 1 of 2
|
| Figure 3: |
DIM Inputs and Outputs - 2 of 2
|
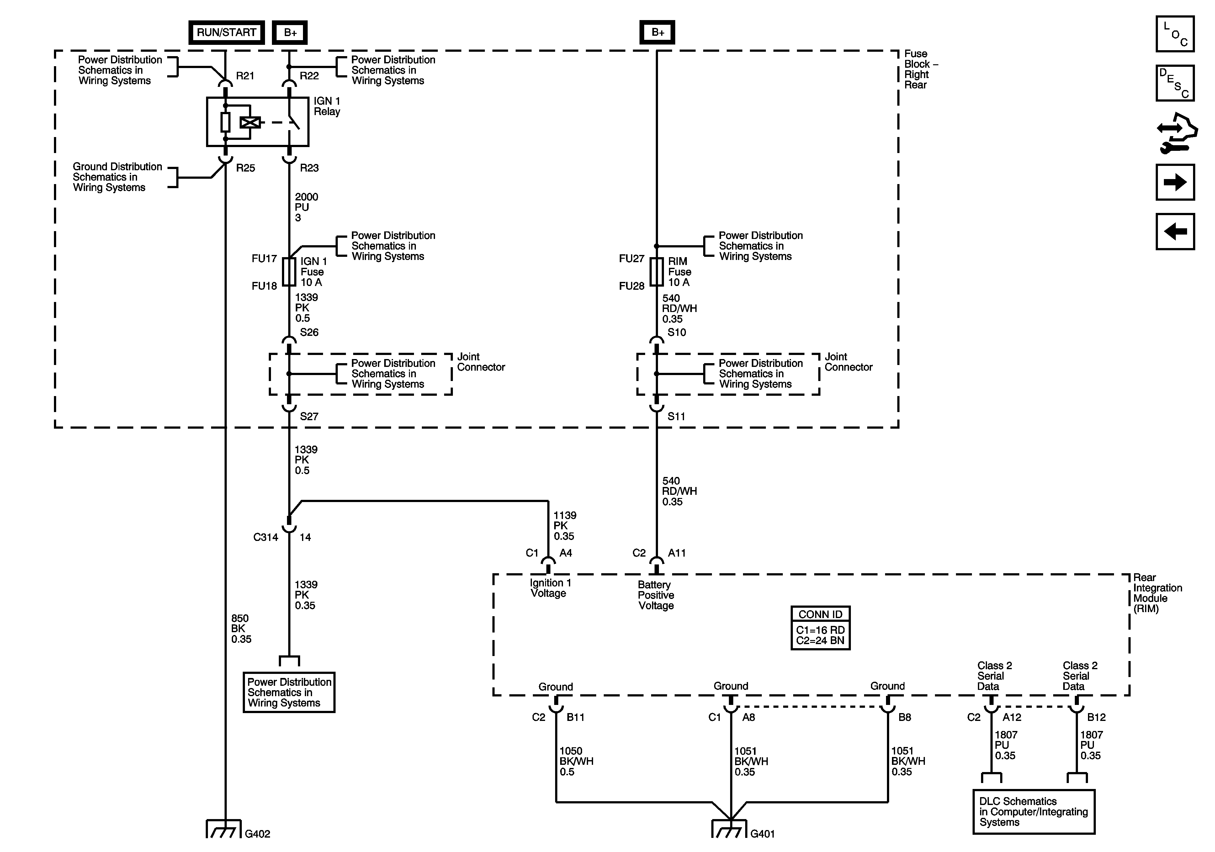
| Figure 4: |
RIM Power, Ground, and Serial Data
|
| Figure 5: |
RIM Inputs and Outputs
|