GM Service Manual Online
For 1990-2009 cars only
Figure 1:

Power, Ground, Serial Data, and MIL


Object Number: 858664  Size: FS
Master Electrical Component List
Electronic Ignition (EI) System Description
IGN 1 Relay, Fuse Block-Underhood
OBDII Symbol Description Notice
G108
Data Link Connector
I/P BATT, TRAILER ABS, HORN IGN A, IGN B, ATC Fuses
PCM I Fuse (4.2L Engine)
I/P BATT, TRAILER ABS, HORN IGN A, IGN B, ATC Fuses
Gages, Six Cylinder Engine (LL8)
AUX PWR 2, RRHVAC, AUX PWR 1, TBC 2, TBC 3, TBC 4 Fuses
TBC 5, LT DOORS, DDM;, PDM, RT DOORS Fuses
Figure 2:

Fuse Block - Underhood IGN 1 Relay


Object Number: 902636  Size: FS
Master Electrical Component List
Electronic Ignition (EI) System Description
Engine Data Sensors - Low Reference
Power, Ground, Serial Data, and MIL
OBDII Symbol Description Notice
I/P BATT, TRAILER ABS, HORN IGN A, IGN B, ATC Fuses
AUX PWR 2, RRHVAC, AUX PWR 1, TBC 2, TBC 3, TBC 4 Fuses
B/U, SIR, TBC IGN 1, ETC CRANK Fuses
Figure 3:

Engine Data Sensors - Low Reference


Object Number: 858665  Size: FS
Master Electrical Component List
Electronic Ignition (EI) System Description
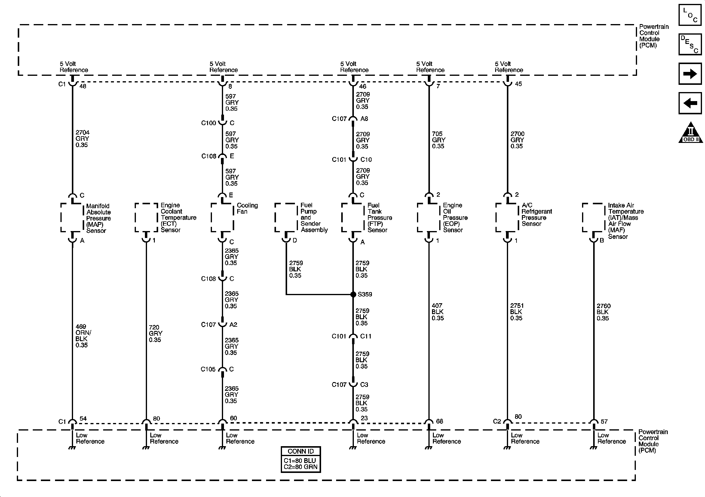
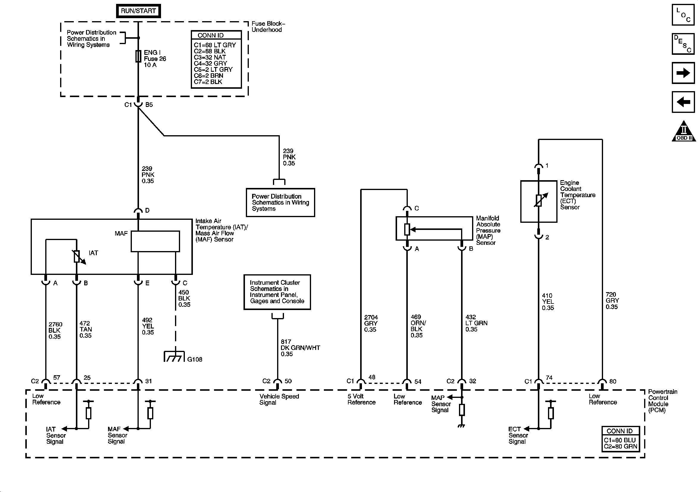
Engine Data Sensors - Pressure, Temperature, and VSS
IGN 1 Relay, Fuse Block-Underhood
OBDII Symbol Description Notice
Figure 4:

Engine Data Sensors - Pressure, Temperature, and VSS


Object Number: 858668  Size: FS
Master Electrical Component List
Electronic Ignition (EI) System Description
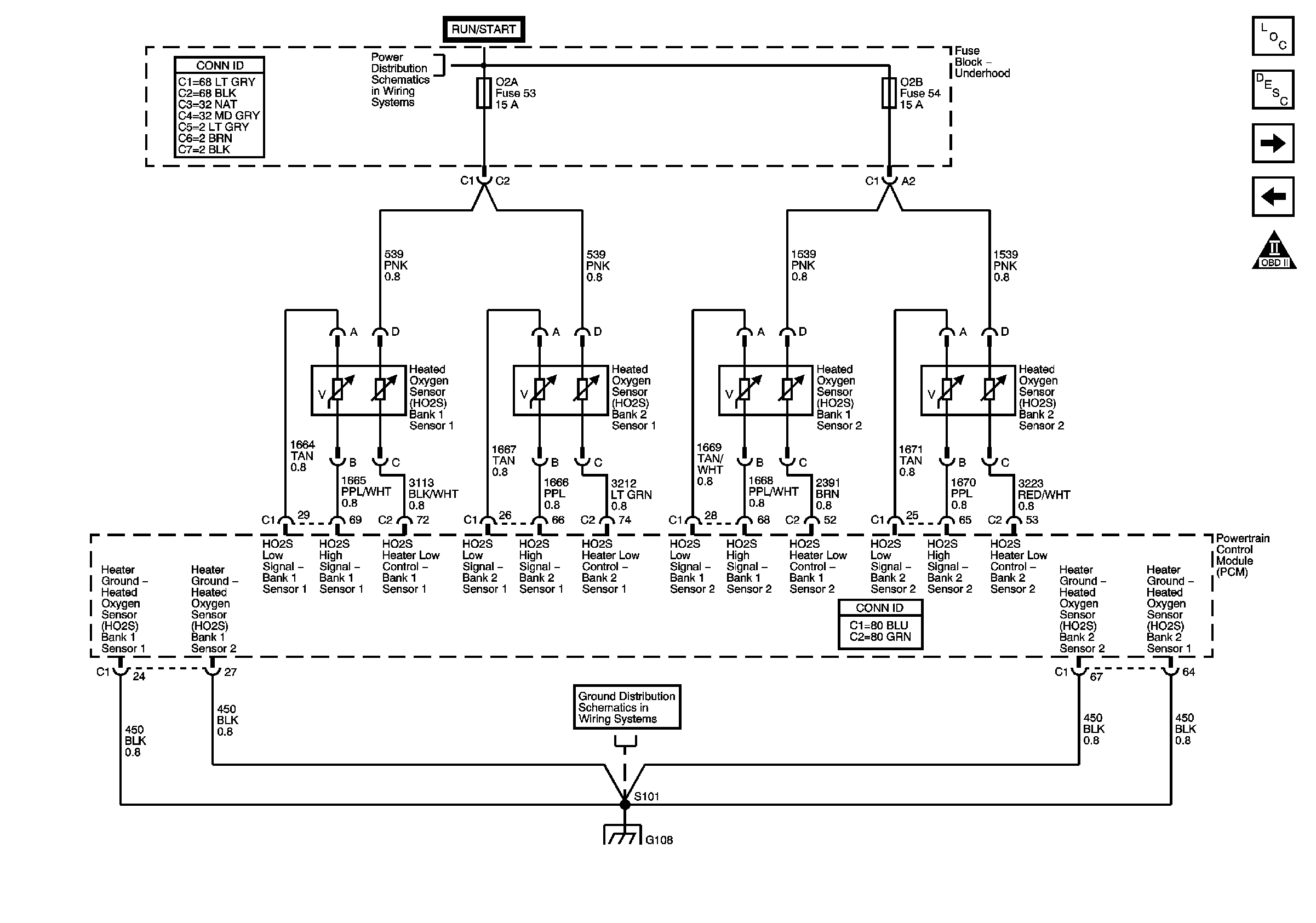
Engine Data Sensors - Oxygen Sensors
Engine Data Sensors - Low Reference
OBDII Symbol Description Notice
PCM I, O2A, O2B and ENG I Fuses (5.3L Engine)
G108
Gages, Eight Cylinder Engine (LM4)
Figure 5:

Engine Data Sensors - Oxygen Sensors


Object Number: 858674  Size: FS
Master Electrical Component List
Electronic Ignition (EI) System Description
Engine Data Sensors - Electronic Throttle Controls
Engine Data Sensors - Pressure, Temperature, and VSS
OBDII Symbol Description Notice
G108
PCM I, O2A, O2B and ENG I Fuses (5.3L Engine)
Figure 6:

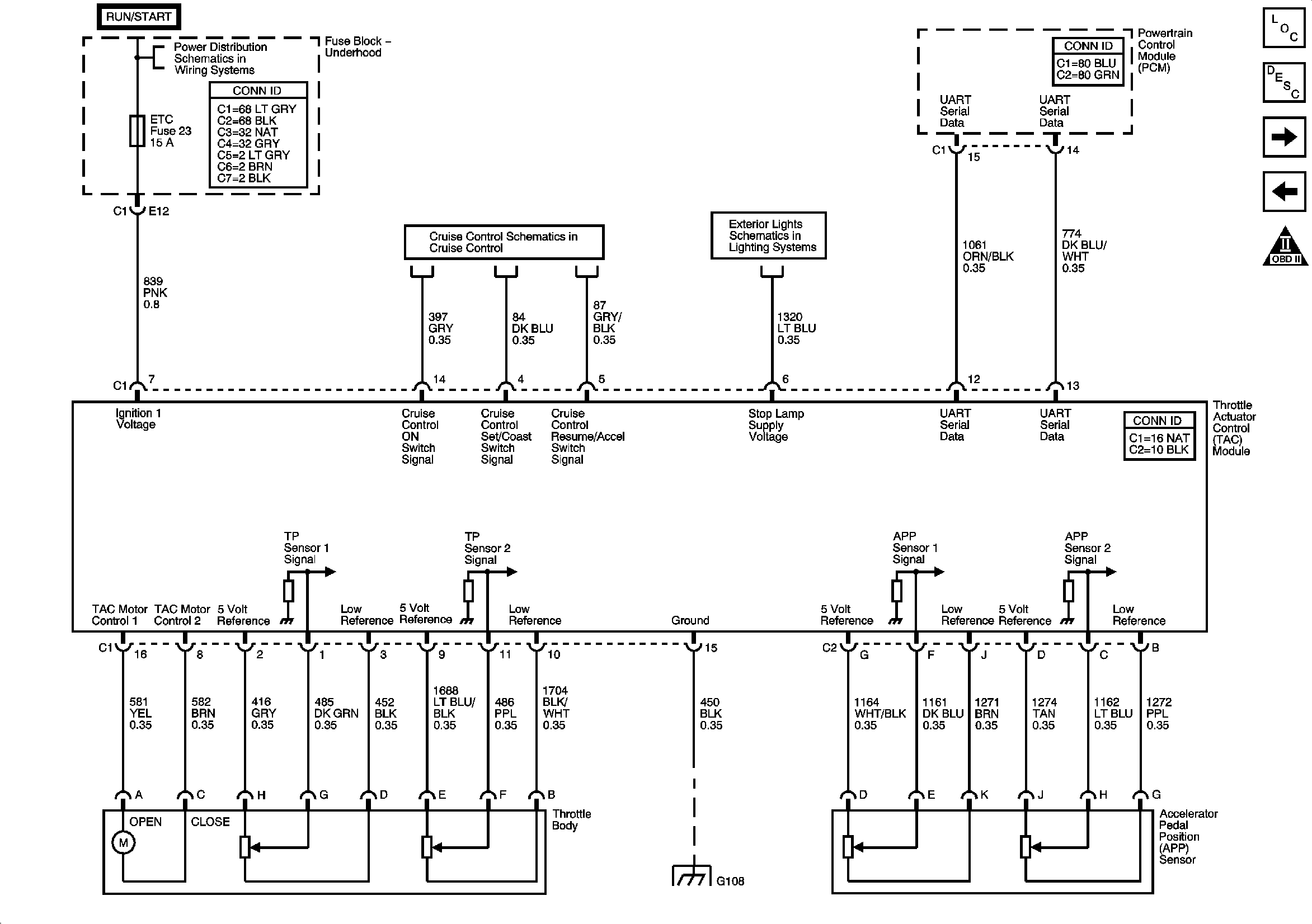
Engine Data Sensors - Electronic Throttle Controls


Object Number: 858676  Size: FS
Master Electrical Component List
Throttle Actuator Control (TAC) System Description
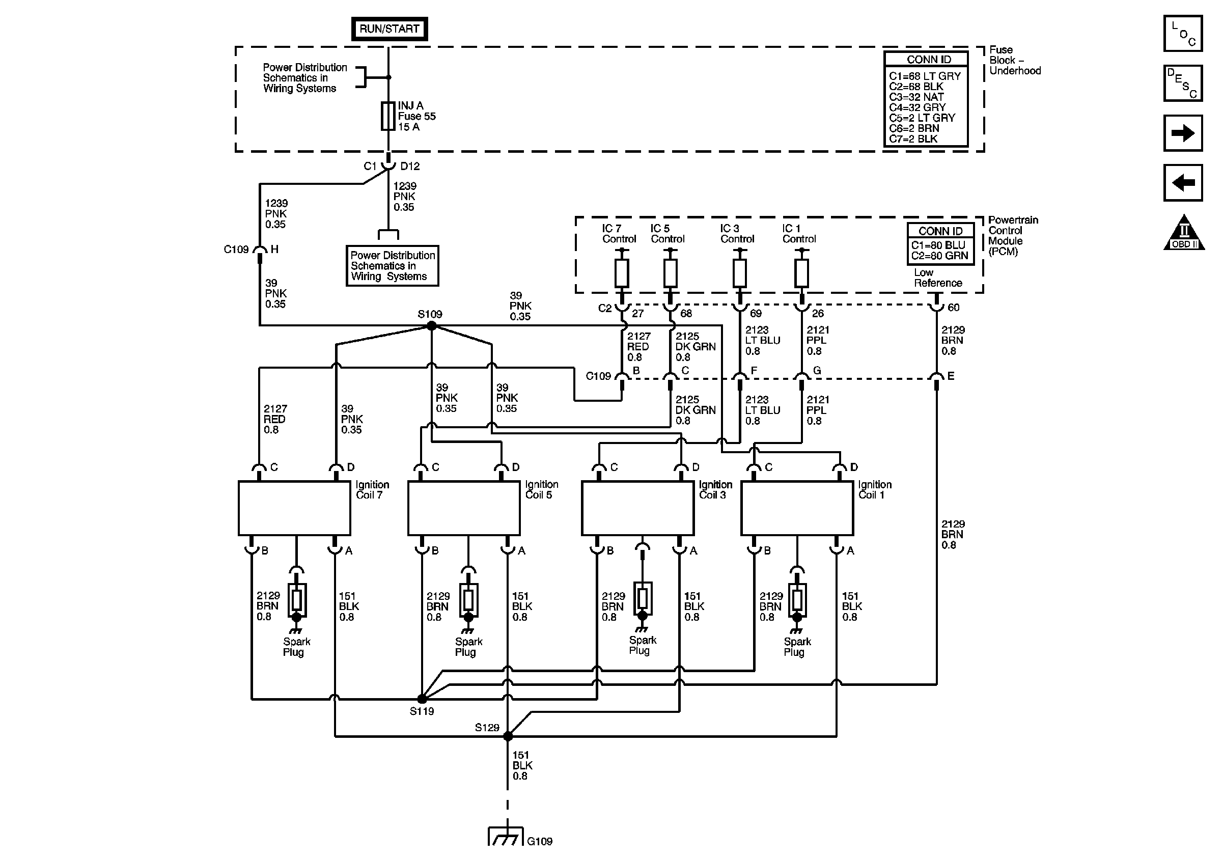
Ignition Controls - Ignition System Coils 1, 3, 5, 7
Engine Data Sensors - Oxygen Sensors
OBDII Symbol Description Notice
G108
AMP, SUNROOF, VENT WDO, REAR WIPER, LGM 2, SEATS, LR/RR LOCKS Fuses Fuses
TAC Motor, APP Sensoor, On/Off Switch and Stop Lamp Switch (4.2L only)
Stop Lamps
Figure 7:

Ignition Controls - Ignition System Coils 1, 3, 5, 7


Object Number: 858678  Size: FS
Master Electrical Component List
Electronic Ignition (EI) System Description
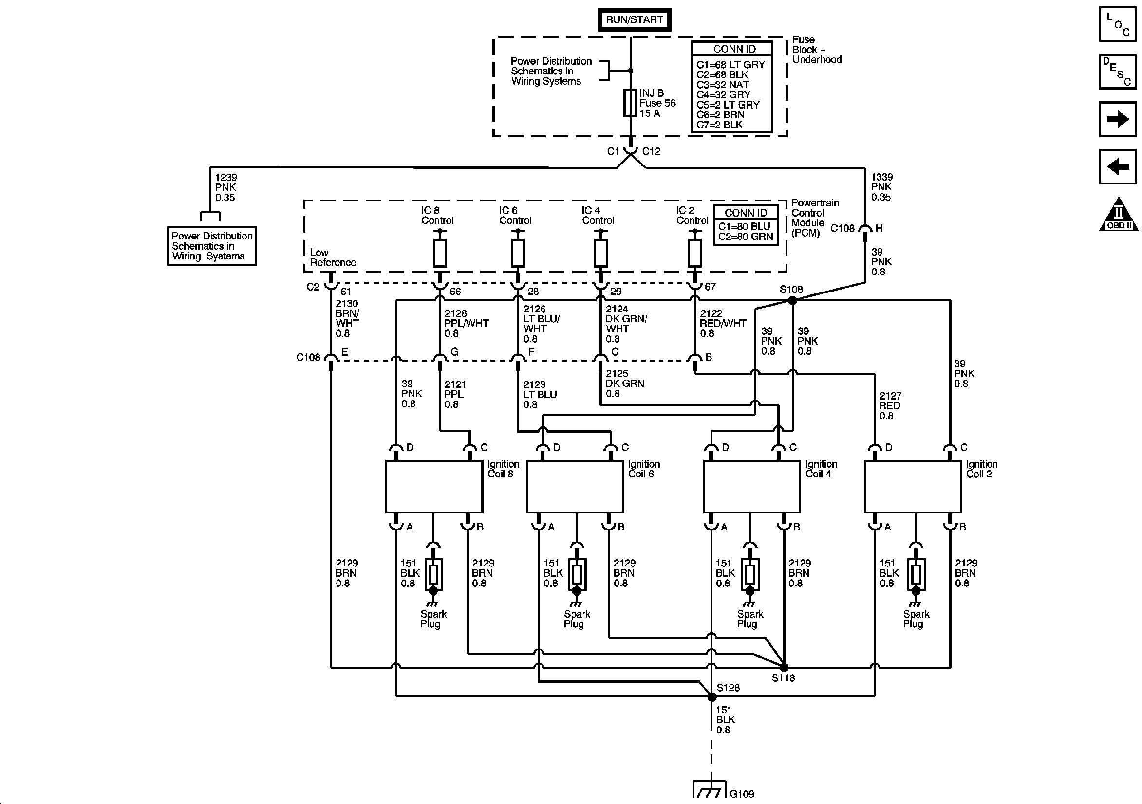
Ignition Controls - Ignition System Coils 2, 4, 6, 8
Engine Data Sensors - Electronic Throttle Controls
OBDII Symbol Description Notice
G108
B/U, SIR, TBC IGN 1, ETC CRANK Fuses
Figure 8:

Ignition Controls - Ignition System Coils 2, 4, 6, 8


Object Number: 858702  Size: FS
Master Electrical Component List
Electronic Ignition (EI) System Description
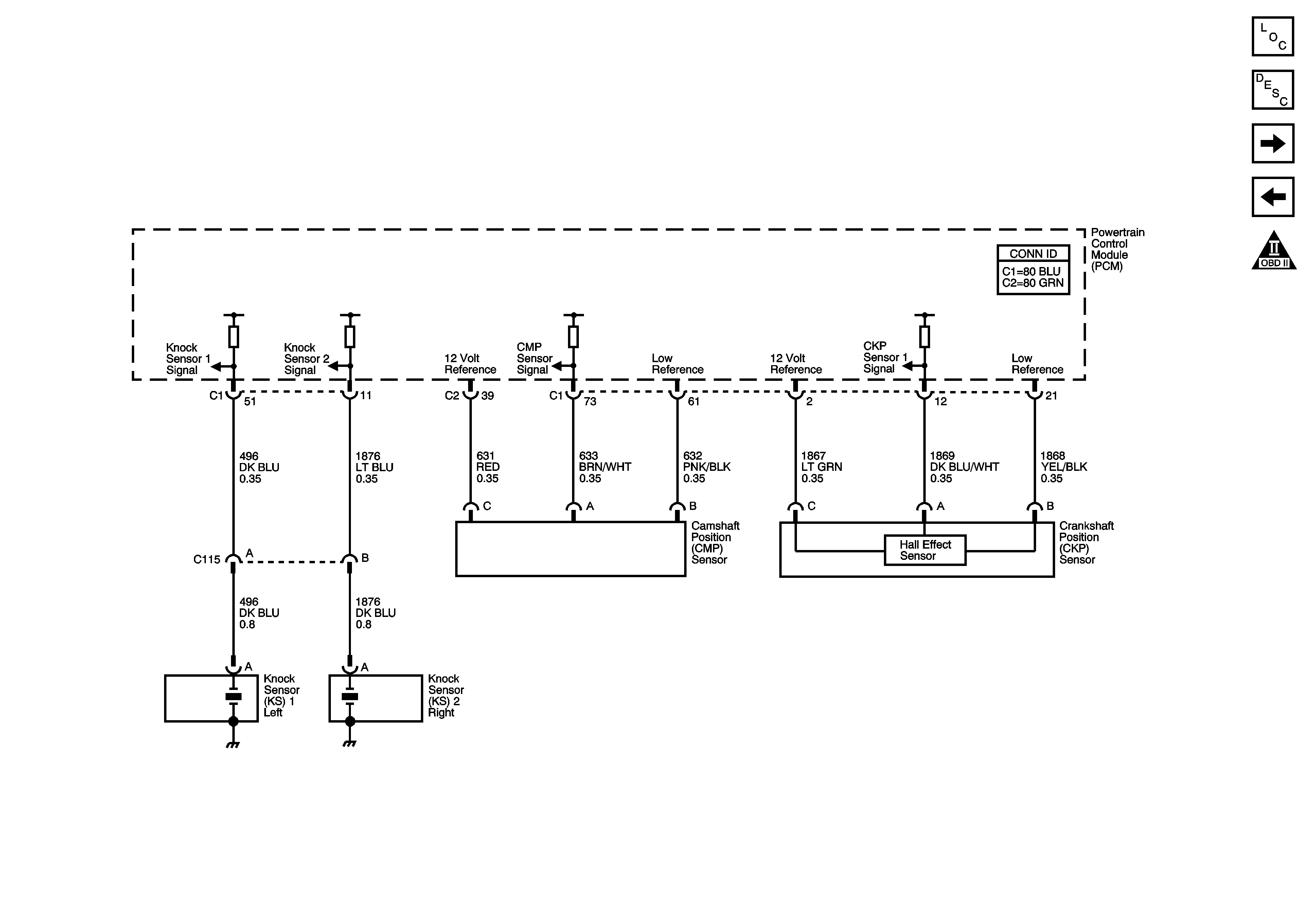
Ignition Controls - Sensors
Ignition Controls - Ignition System Coils 1, 3, 5, 7
OBDII Symbol Description Notice
G109
B/U, SIR, TBC IGN 1, ETC CRANK Fuses
Figure 9:

Ignition Controls - Sensors


Object Number: 858680  Size: FS
Master Electrical Component List
Electronic Ignition (EI) System Description
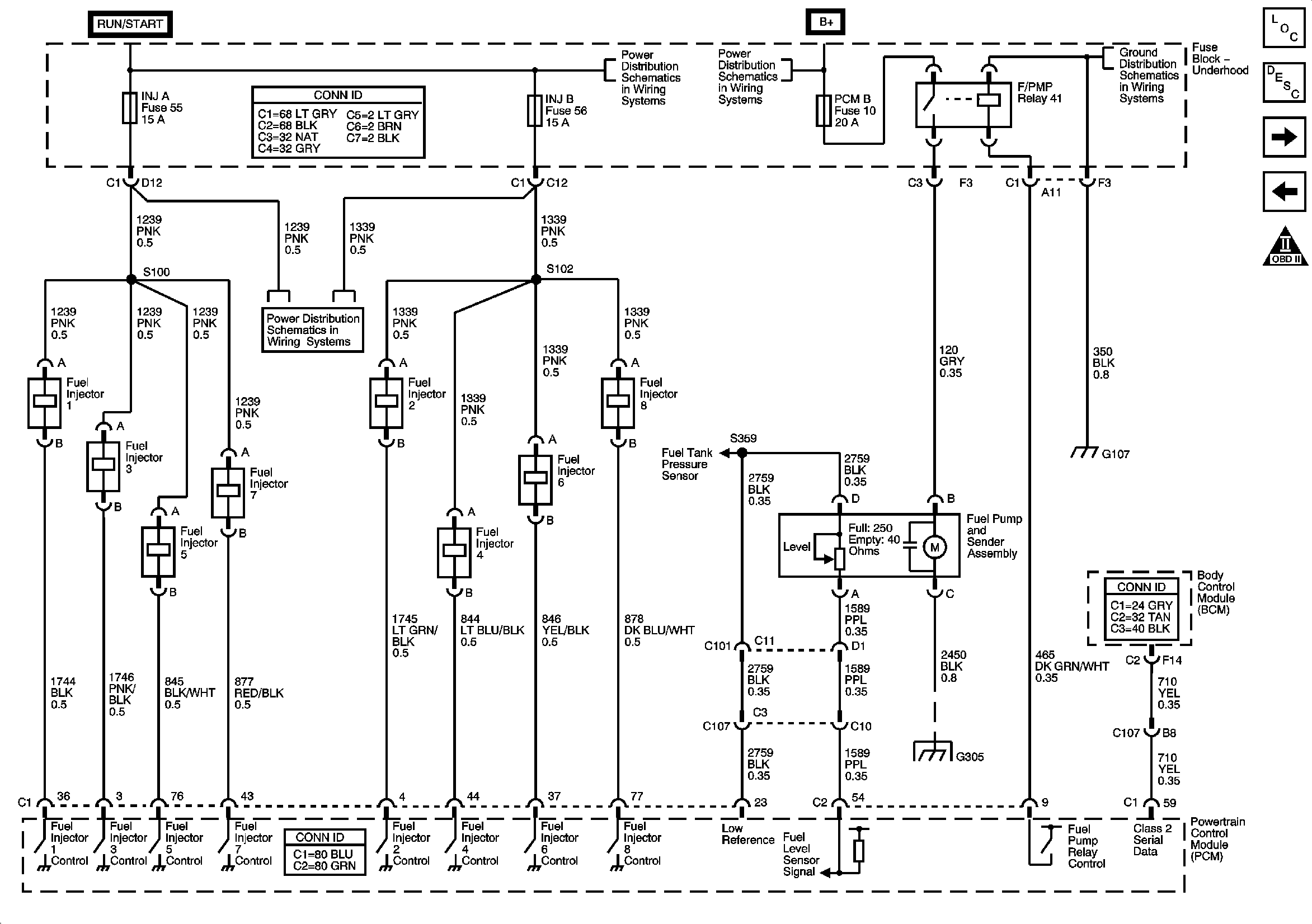
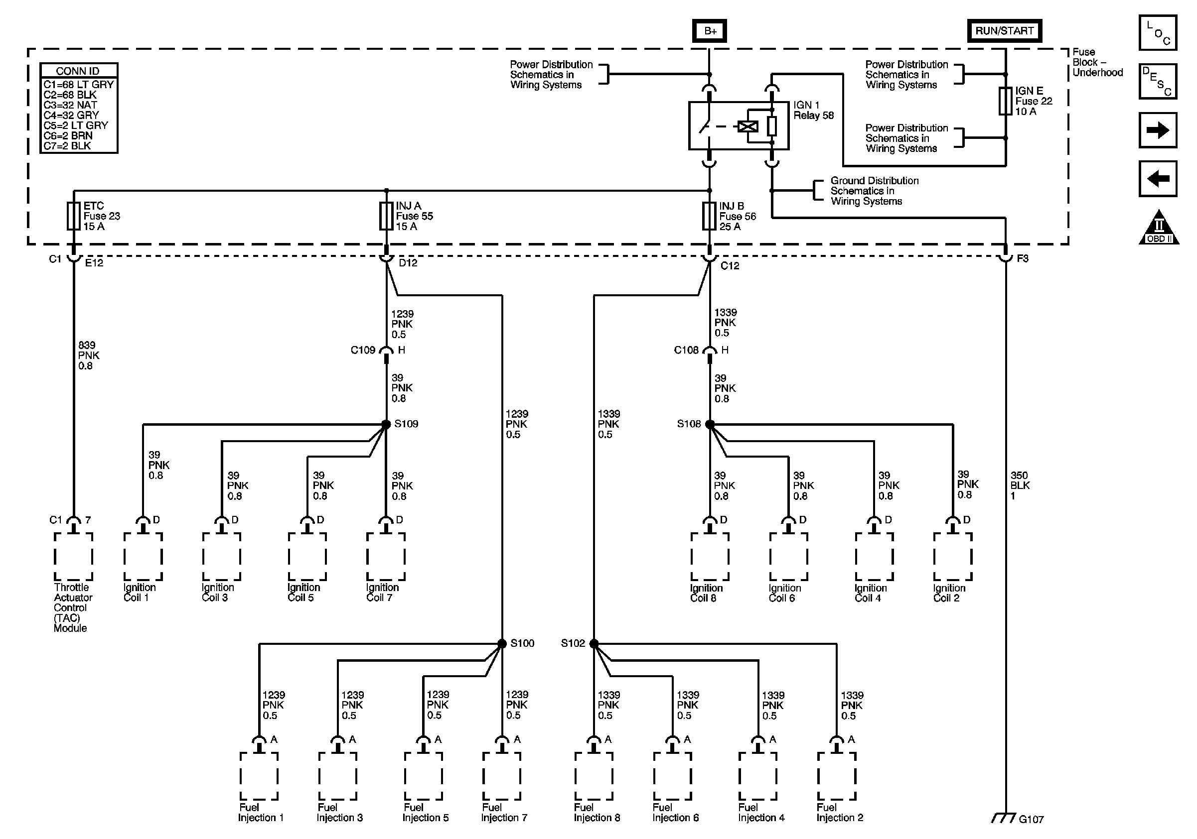
Fuel Controls - Fuel Pump Controls and Fuel Injectors
Ignition Controls - Ignition System Coils 2, 4, 6, 8
OBDII Symbol Description Notice
Figure 10:

Fuel Controls - Fuel Pump Controls and Fuel Injectors


Object Number: 858687  Size: FS
Master Electrical Component List
Fuel System Description Without Returnless Fuel System
Fuel Controls - EVAP Controls
Ignition Controls - Sensors
OBDII Symbol Description Notice
G201-2 of 2, G305, G306
Fuel Controls - EVAP Controls
B/U, SIR, TBC IGN 1, ETC CRANK Fuses
B/U, SIR, TBC IGN 1, ETC CRANK Fuses
I/P BATT, TRAILER ABS, HORN IGN A, IGN B, ATC Fuses
G102, G104, G105, and G107
Figure 11:

Fuel Control - EVAP Controls


Object Number: 858698  Size: FS
Master Electrical Component List
Evaporative Emission Control System Description
Controlled/Monitored Subsystem References
Fuel Controls - Fuel Pump Controls and Fuel Injectors
OBDII Symbol Description Notice
Fuel Controls - Fuel Pump Controls and Fuel Injectors
PCM I, O2A, O2B and ENG I Fuses (5.3L Engine)
O2 and ENG 1 Fuses
Figure 12:

Controlled/Monitored Subsystem References


Object Number: 858700  Size: FS
Master Electrical Component List
Electronic Ignition (EI) System Description
Transmission Control References - A/T
Fuel Controls - EVAP Controls
OBDII Symbol Description Notice
Engine Cooling
Module Power, Ground, Serial Data, Indicator, Torque and Vehicle Speed Signals
Starting System
Charging System
Gages, Eight Cylinder Engine (LM4)
Transfer Case Shift Control Module, Encoder Motor
Gages, Eight Cylinder Engine (LM4)
Compressor Controls and A/C Sensors
Compressor Controls and A/C Sensors
Engine Cooling
Figure 13:

Transmission Control References - A/T


Object Number: 858719  Size: FS
Master Electrical Component List
Electronic Ignition (EI) System Description
Controlled/Monitored Subsystem References
OBDII Symbol Description Notice
PNP Switch and Indicator
Vehicle Speed Sensor