GM Service Manual Online
For 1990-2009 cars only

Engine Controls Schematics Base Engine

Figure 1:

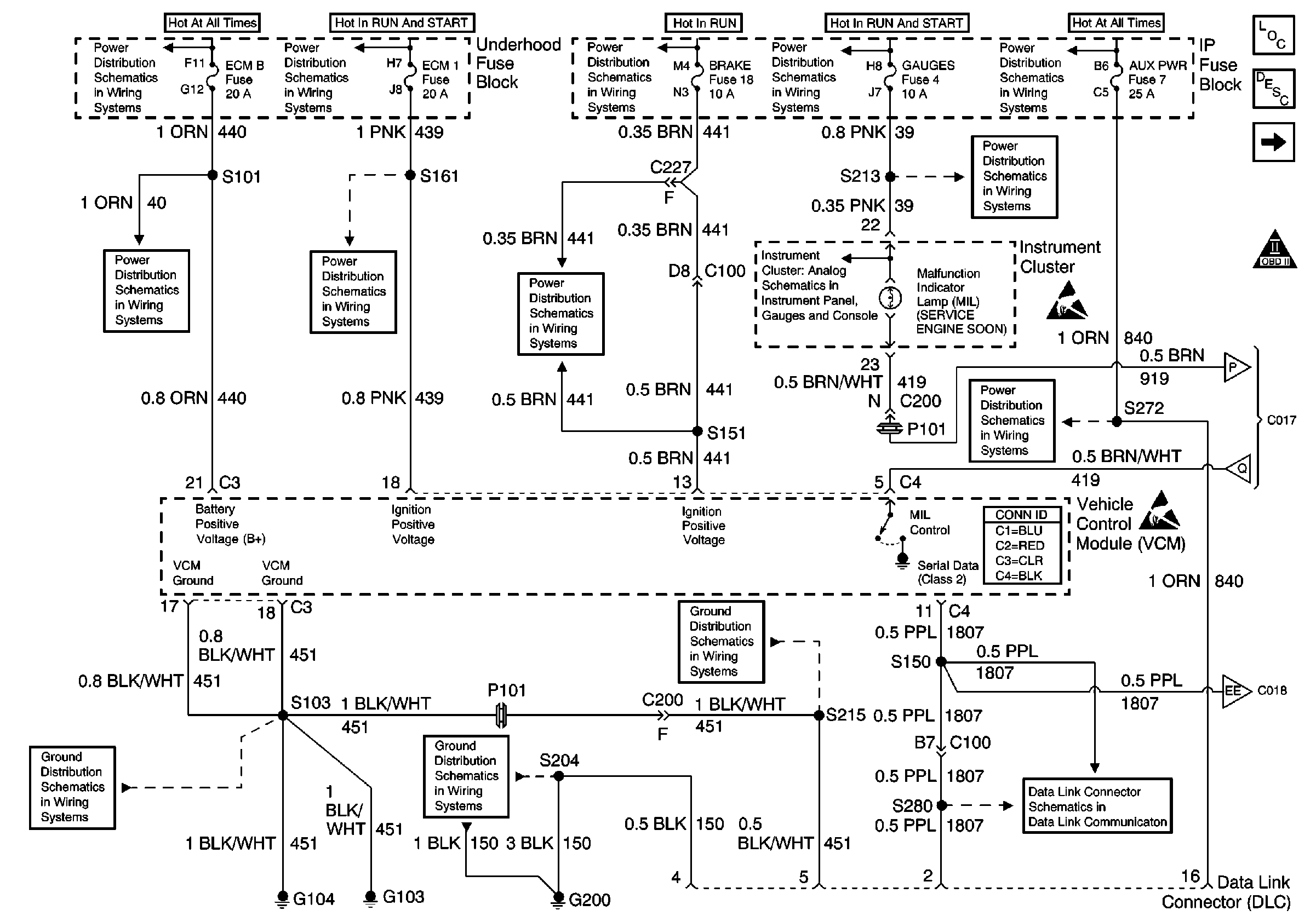
VCM Power, Ground, MIL, and DLC


Object Number: 551803  Size: FS
Engine Controls Components
Vehicle Control Module Description
Ignition Controls
OBD II Symbol Description Notice
LIGHTING and BATTERY Fuses
GAUGES Fuse
Handling ESD Sensitive Parts Notice
STOP/HAZ, RADIO BATT, and AUX PWR Fuses
Cell 50 (2000 C/K)
Handling ESD Sensitive Parts Notice
IGN B Fuse and Ignition Switch
BRAKE and HTR-A/C Fuses
Cell 10: ECM 1 Fuse (5.0L/5.7L)
ECM-B, HORN and A/C COMP Fuses
G103 and G104
G103 and G104
G200 (1 of 4)
Battery, and Underhood Fuse Block
IGN A Fuse and Ignition Switch
IGN A Fuse and Ignition Switch
Gauges
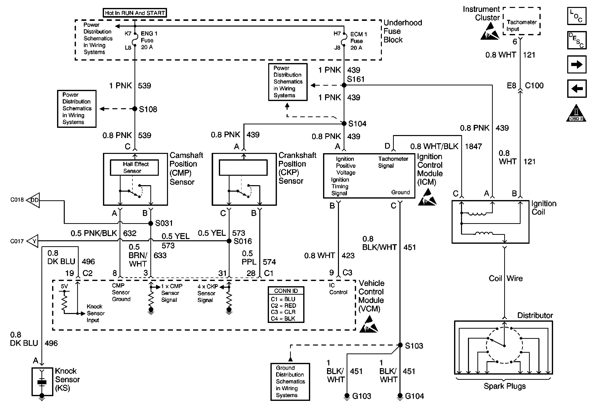
Figure 2:

Ignition Controls


Object Number: 551808  Size: FS
Engine Controls Components
Enhanced Ignition System Description
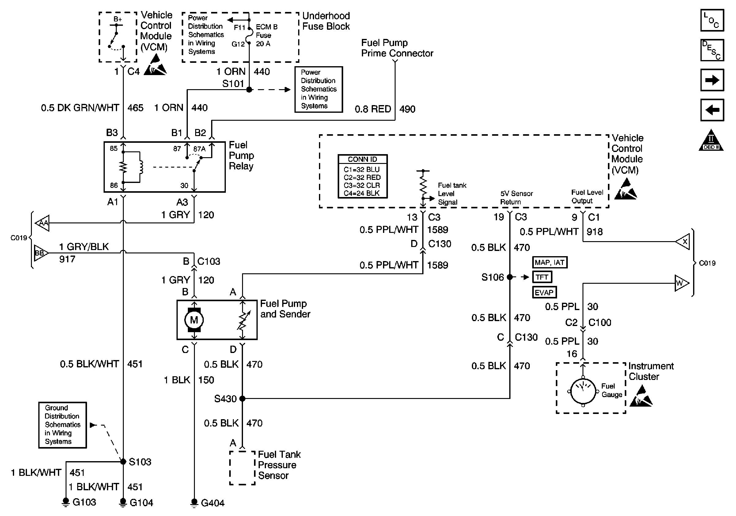
Fuel Pump Control-Single Tank
VCM Power, Ground, MIL, and DLC
OBD II Symbol Description Notice
IGN A Fuse and Ignition Switch
Cell 10: ENG-1 Fuse
ECM 1 Fuse (5.7L)
Handling ESD Sensitive Parts Notice
Handling ESD Sensitive Parts Notice
G103 and G104
Handling ESD Sensitive Parts Notice
Figure 3:

Fuel Pump Control--Single Tank


Object Number: 551810  Size: FS
Engine Controls Components
Fuel Supply Component Description
Fuel Pump Control - Dual Tanks
Ignition Controls
OBD II Symbol Description Notice
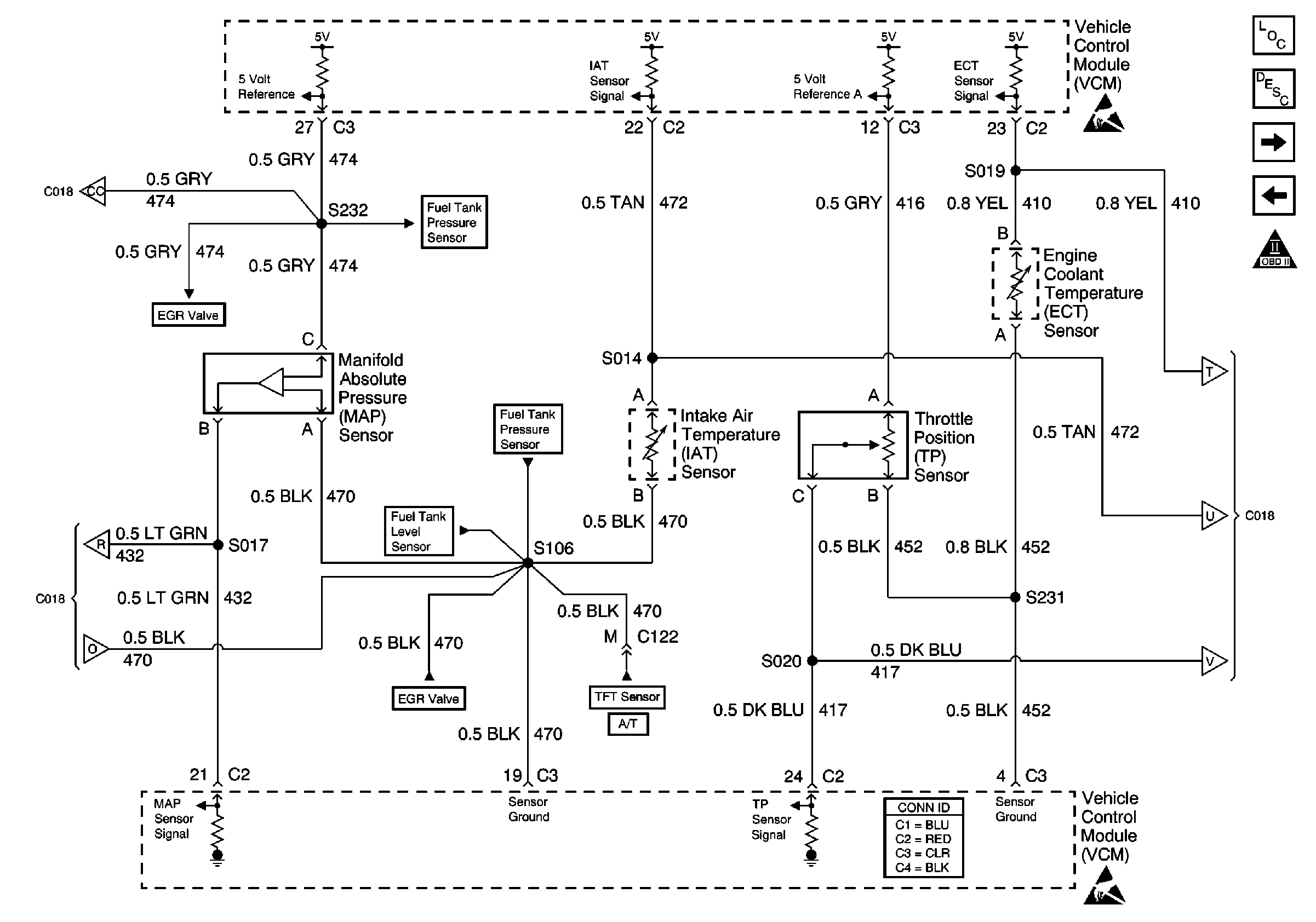
Engine Data Sensors-MAP, IAT, ECT, and TP
ECM-B, HORN and A/C COMP Fuses
A/T Internal Switches, TFT, PC Solenoid (Both Transmissions)
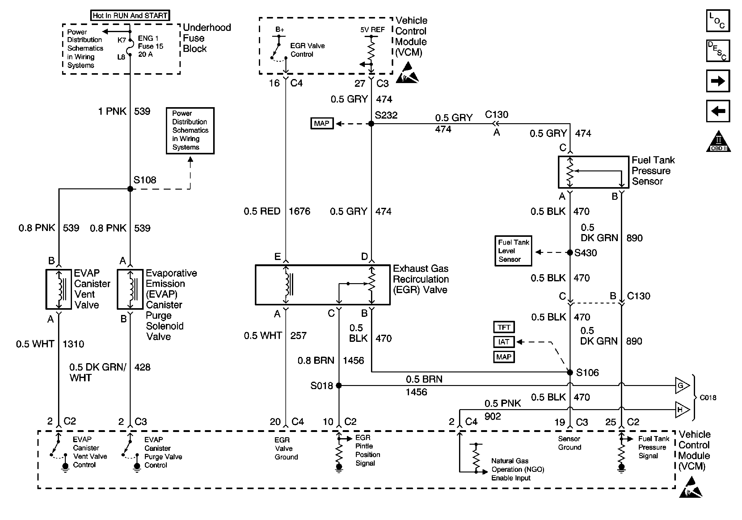
EVAP and EGR Controls, Fuel Tank Pressure Sensor
G103 and G104
Handling ESD Sensitive Parts Notice
Handling ESD Sensitive Parts Notice
Gauges
Battery, and Underhood Fuse Block
Figure 4:

Fuel Pump Control -- Dual Tanks


Object Number: 552176  Size: FS
Engine Controls Components
Fuel Supply Component Description
EXPORT-Fuel Pump Control, Single Tank
Fuel Pump Control-Single Tank
OBD II Symbol Description Notice
Handling ESD Sensitive Parts Notice
Handling ESD Sensitive Parts Notice
Handling ESD Sensitive Parts Notice
Handling ESD Sensitive Parts Notice
Handling ESD Sensitive Parts Notice
Handling ESD Sensitive Parts Notice
G103 and G104
Battery, and Underhood Fuse Block
ECM-B, HORN and A/C COMP Fuses
IGN A Fuse and Ignition Switch
IGN E Fuse
Engine Data Sensors
EVAP and EGR Controls, Fuel Tank Pressure Sensor
EVAP and EGR Controls, Fuel Tank Pressure Sensor
Gauges
Figure 5:

EXPORT--Fuel Pump Control, Single Tank


Object Number: 592966  Size: FS
Engine Controls Components
Fuel Supply Component Description
EXPORT-Fuel Pump Control, Dual Tanks
Fuel Pump Control - Dual Tanks
OBD II Symbol Description Notice
G103 and G104
Handling ESD Sensitive Parts Notice
Battery, and Underhood Fuse Block
ECM-B, HORN and A/C COMP Fuses
Handling ESD Sensitive Parts Notice
Figure 6:

EXPORT--Fuel Pump Control, Dual Tanks


Object Number: 592970  Size: FS
Engine Controls Components
Fuel Supply Component Description
Fuel Injector Controls
EXPORT-Fuel Pump Control, Single Tank
OBD II Symbol Description Notice
G103 and G104
Handling ESD Sensitive Parts Notice
Battery, and Underhood Fuse Block
ECM-B, HORN and A/C COMP Fuses
IGN A Fuse and Ignition Switch
IGN E Fuse
Handling ESD Sensitive Parts Notice
Handling ESD Sensitive Parts Notice
Figure 7:

Fuel Injector Controls


Object Number: 551811  Size: FS
Engine Controls Components
Central Sequential Duel Injection Fuel System Description
Engine Data Sensors-MAP, IAT, ECT, and TP
EXPORT-Fuel Pump Control, Dual Tanks
OBD II Symbol Description Notice
IGN A Fuse and Ignition Switch
ECM 1 Fuse (5.7L)
ECM 1 Fuse (5.7L)
Handling ESD Sensitive Parts Notice
Figure 8:

Engine Data Sensors--MAP, IAT, ECT, and TP


Object Number: 551813  Size: FS
Engine Controls Components
Information Sensors/Switches Description
Heated Oxygen Sensors
Fuel Injector Controls
OBD II Symbol Description Notice
Handling ESD Sensitive Parts Notice
A/T Internal Switches, TFT, PC Solenoid (Both Transmissions)
EVAP and EGR Controls, Fuel Tank Pressure Sensor
EVAP and EGR Controls, Fuel Tank Pressure Sensor
Handling ESD Sensitive Parts Notice
EVAP and EGR Controls, Fuel Tank Pressure Sensor
EVAP and EGR Controls, Fuel Tank Pressure Sensor
Fuel Pump Control-Single Tank
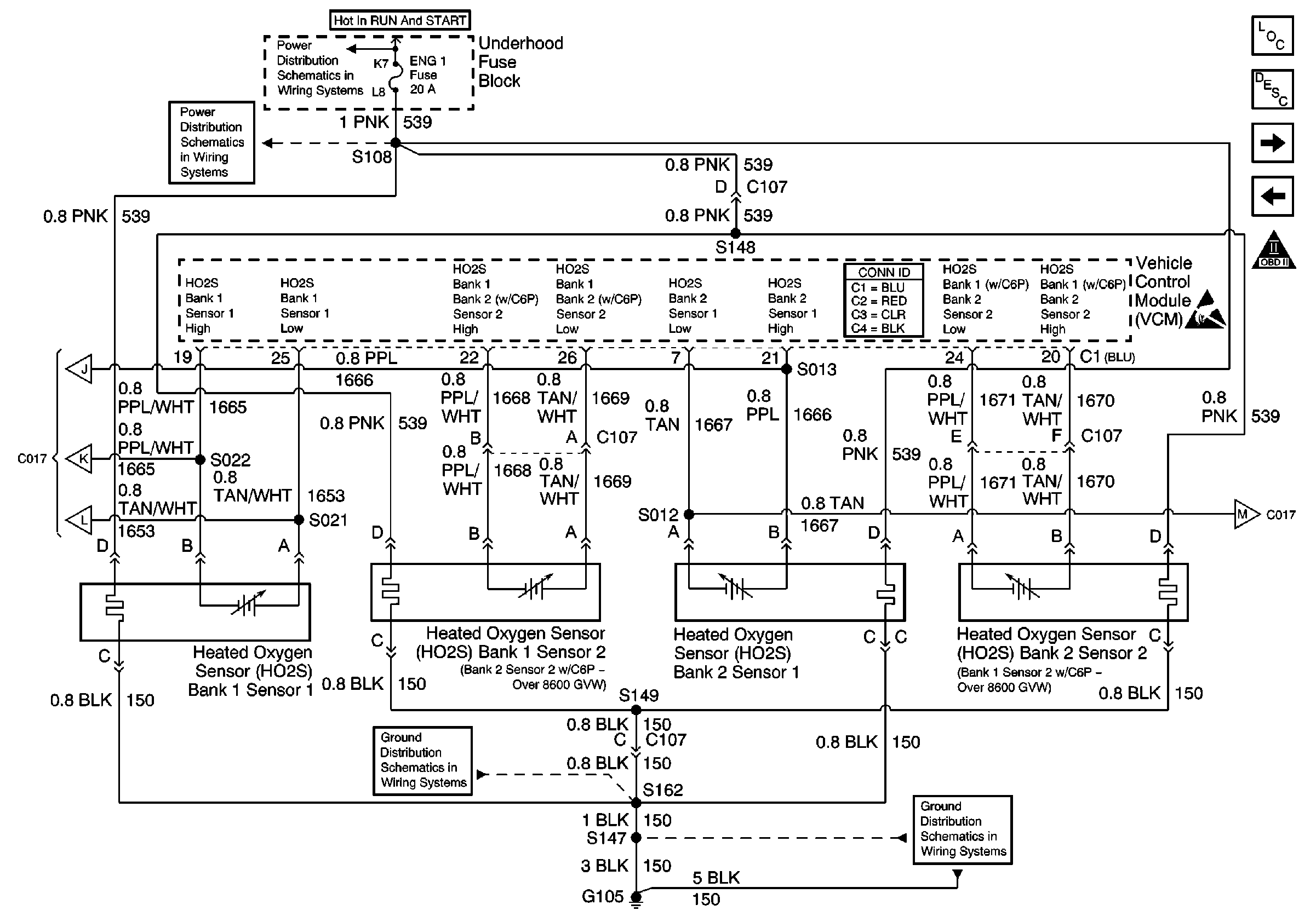
Figure 9:

Heated Oxygen Sensors


Object Number: 551897  Size: FS
Engine Controls Components
Information Sensors/Switches Description
A.I.R., IAC, and MAF
Engine Data Sensors-MAP, IAT, ECT, and TP
OBD II Symbol Description Notice
IGN A Fuse and Ignition Switch
Cell 10: ENG-1 Fuse
G105 (2 of 2)
G105 (1 of 2)
Handling ESD Sensitive Parts Notice
Figure 10:

A.I.R., IAC, and MAF


Object Number: 551899  Size: FS
Engine Controls Components
Fuel Metering System Component Description
VSS and Cruise Controls
Heated Oxygen Sensors
OBD II Symbol Description Notice
Battery, and Underhood Fuse Block
IGN A Fuse and Ignition Switch
G101, G102, G108, G110, G111 and G115
Handling ESD Sensitive Parts Notice
Cell 10: ENG-1 Fuse
G103 and G104
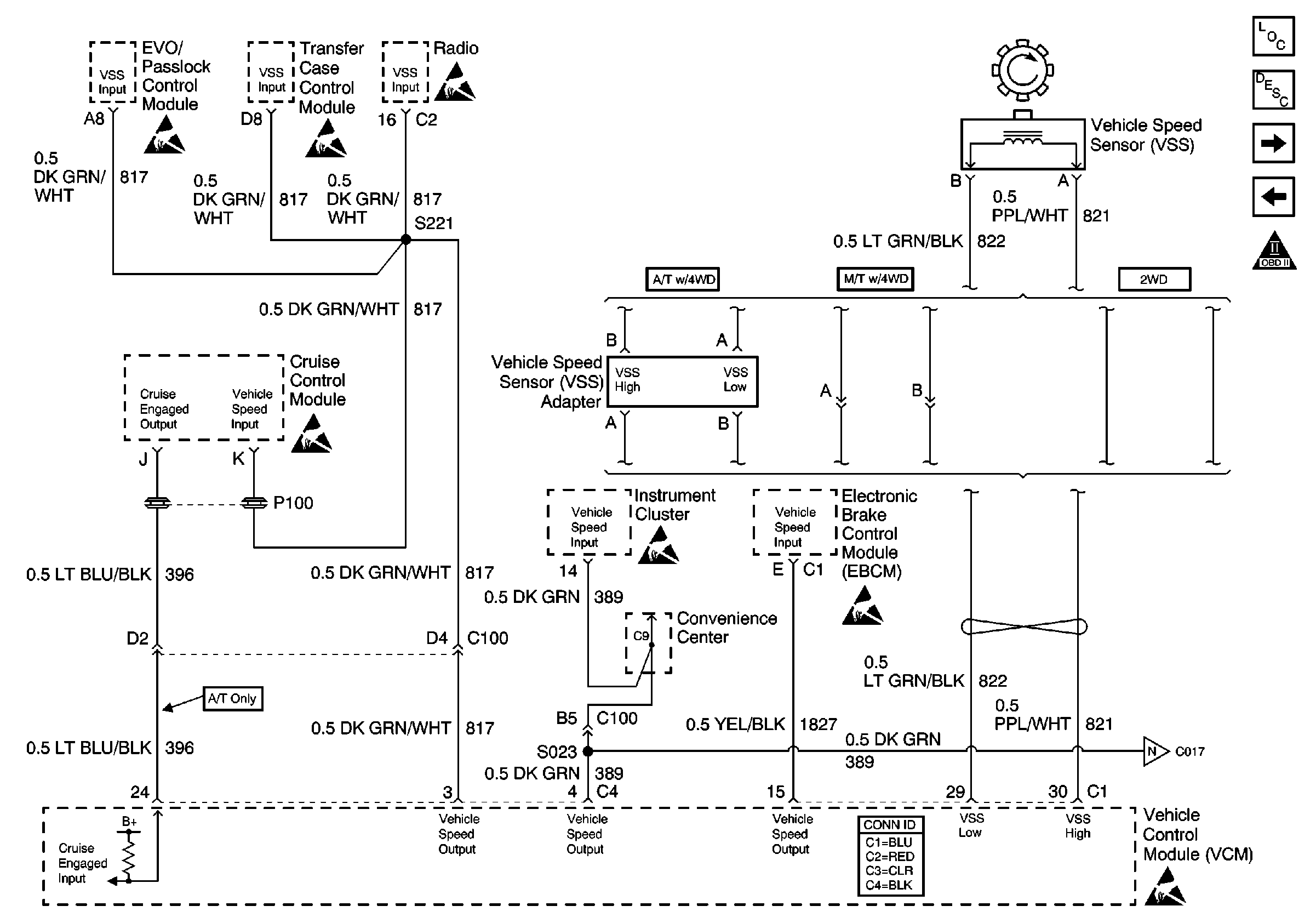
Figure 11:

VSS and Cruise Controls


Object Number: 551905  Size: FS
Engine Controls Components
Information Sensors/Switches Description
EVAP and EGR Controls, Fuel Tank Pressure Sensor
A.I.R., IAC, and MAF
OBD II Symbol Description Notice
Handling ESD Sensitive Parts Notice
Handling ESD Sensitive Parts Notice
Handling ESD Sensitive Parts Notice
Handling ESD Sensitive Parts Notice
Handling ESD Sensitive Parts Notice
Handling ESD Sensitive Parts Notice
Handling ESD Sensitive Parts Notice
Figure 12:

EVAP and EGR Controls, Fuel Tank Pressure Sensor


Object Number: 551908  Size: FS
Engine Controls Components
Evaporative Emission Control System Operation Description Enhanced
Transfer Case Interface and Upshift Indicator
VSS and Cruise Controls
OBD II Symbol Description Notice
IGN A Fuse and Ignition Switch
Cell 10: ENG-1 Fuse
Engine Data Sensors-MAP, IAT, ECT, and TP
Engine Data Sensors-MAP, IAT, ECT, and TP
Engine Data Sensors-MAP, IAT, ECT, and TP
Fuel Pump Control-Single Tank
A/T Internal Switches, TFT, PC Solenoid (Both Transmissions)
Handling ESD Sensitive Parts Notice
Handling ESD Sensitive Parts Notice
Figure 13:

Transfer Case Interface and Upshift Indicator


Object Number: 560366  Size: FS
Engine Controls Components
4L60-E Shift Solenoids, TCC/Stoplamps Switch
EVAP and EGR Controls, Fuel Tank Pressure Sensor
OBD II Symbol Description Notice
GAUGES Fuse
IGN A Fuse and Ignition Switch
Gauges
Indicator Control and Wheel Speed Sensors
Front Axle Actuator Circuits
Handling ESD Sensitive Parts Notice
Handling ESD Sensitive Parts Notice
Figure 14:

4L60-E Shift Solenoids, TCC/Stoplamps Switch


Object Number: 551914  Size: FS
Engine Controls Components
Electronic Component Description
4L80-E Shift Solenoids, TCC/Stoplamps Switch and TISS
Transfer Case Interface and Upshift Indicator
OBD II Symbol Description Notice
Handling ESD Sensitive Parts Notice
IGN B Fuse and Ignition Switch
BRAKE and HTR-A/C Fuses
AIR BAG, TURN B/U, CRANK, and TRANS Fuses
IGN A Fuse and Ignition Switch
Cruise Control and Stoplamp Switches (Gas Engine)
VSS, TCC Signal and Brake Indicator (Gas)
Figure 15:

4L80-E Shift Solenoids, TCC/Stoplamps Switch and TISS


Object Number: 551918  Size: FS
Engine Controls Components
Electronic Component Description
A/T Internal Switches, TFT, PC Solenoid (Both Transmissions)
4L60-E Shift Solenoids, TCC/Stoplamps Switch
OBD II Symbol Description Notice
Cruise Control and Stoplamp Switches (Gas Engine)
VSS, TCC Signal and Brake Indicator (Gas)
Handling ESD Sensitive Parts Notice
IGN B Fuse and Ignition Switch
BRAKE and HTR-A/C Fuses
AIR BAG, TURN B/U, CRANK, and TRANS Fuses
IGN A Fuse and Ignition Switch
Figure 16:

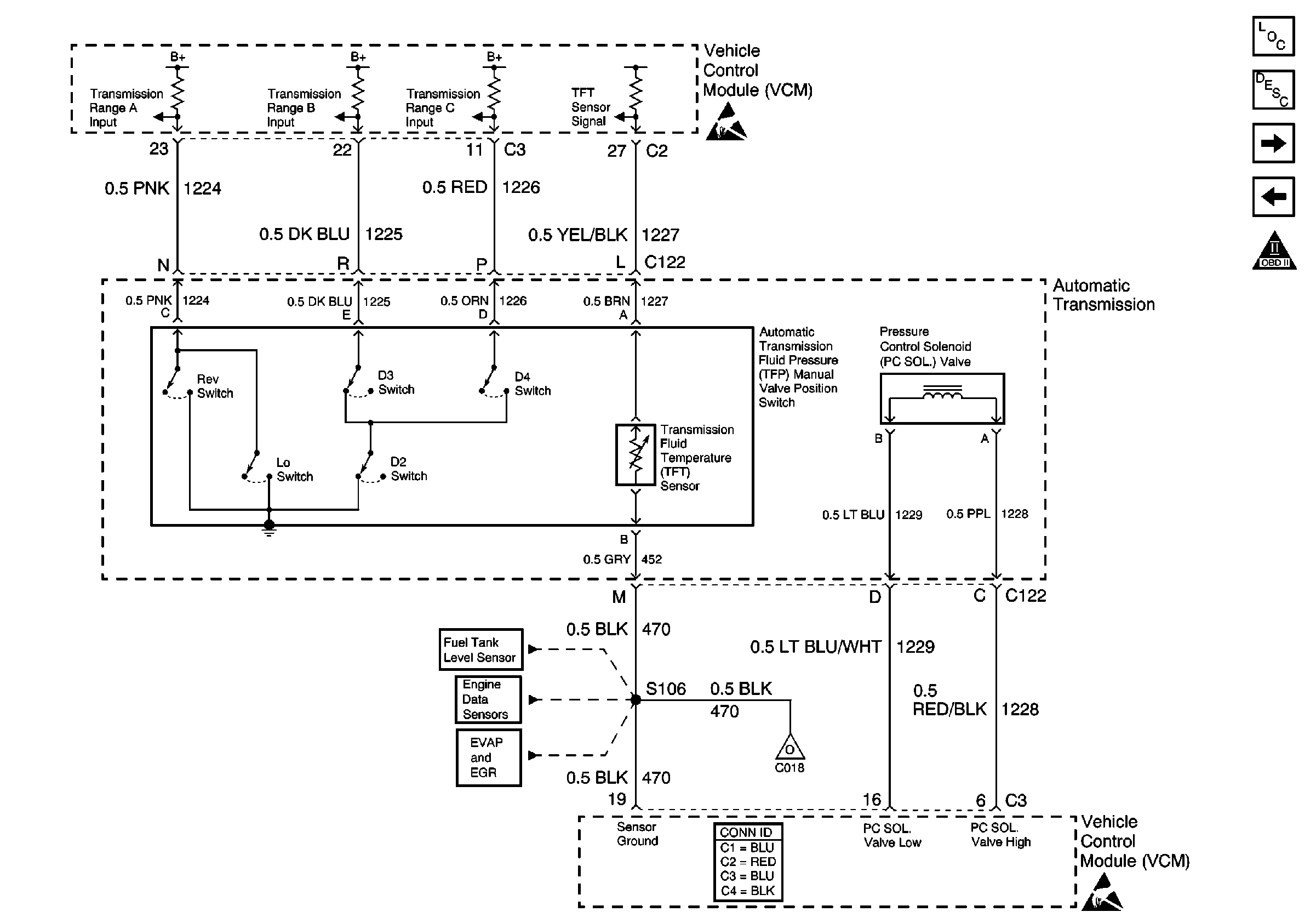
A/T Internal Switches, TFT, PC Solenoid (Both Transmissions)


Object Number: 551910  Size: FS
Engine Controls Components
Electronic Component Description
A/C Compressor Controls
4L80-E Shift Solenoids, TCC/Stoplamps Switch and TISS
OBD II Symbol Description Notice
Handling ESD Sensitive Parts Notice
Handling ESD Sensitive Parts Notice
Fuel Pump Control-Single Tank
Engine Data Sensors-MAP, IAT, ECT, and TP
EVAP and EGR Controls, Fuel Tank Pressure Sensor
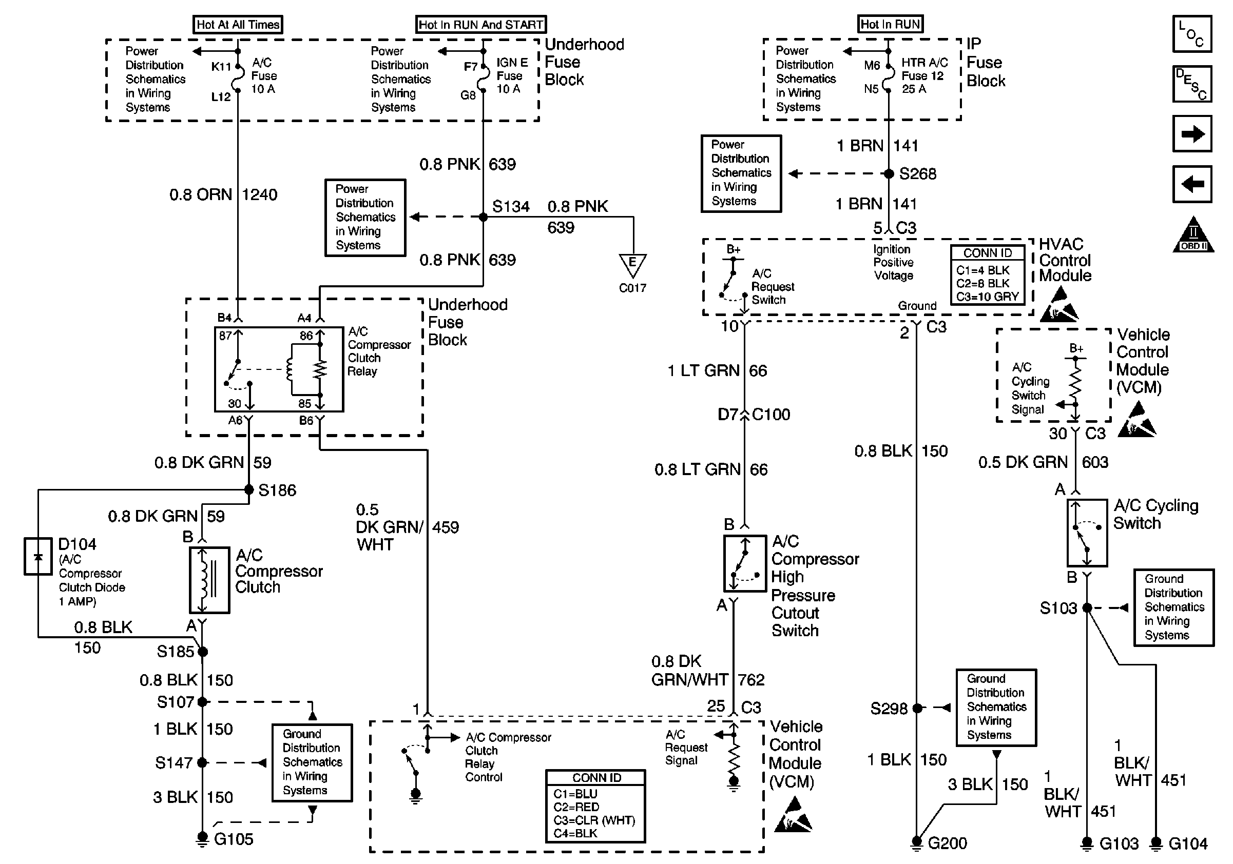
Figure 17:

A/C Compressor Controls


Object Number: 551923  Size: FS
Engine Controls Components
HVAC Compressor Controls Circuit Description
Auxiliary Engine Cooling Fan Control (Export), A/C Recirc Door Control
A/T Internal Switches, TFT, PC Solenoid (Both Transmissions)
OBD II Symbol Description Notice
Handling ESD Sensitive Parts Notice
Handling ESD Sensitive Parts Notice
Handling ESD Sensitive Parts Notice
G103 and G104
G105 (1 of 2)
Battery, and Underhood Fuse Block
IGN A Fuse and Ignition Switch
IGN E Fuse
BRAKE and HTR-A/C Fuses
IGN B Fuse and Ignition Switch
Cell 14: G200 (4 of 4)
Figure 18:

Auxiliary Engine Cooling Fan Control (Export), A/C Recirc Door Control


Object Number: 561387  Size: FS
Engine Controls Components
Engine Cooling Fan Description - Electric
A/C Compressor Controls
OBD II Symbol Description Notice
Battery, and Underhood Fuse Block
Battery, and Underhood Fuse Block
G103 and G104
Handling ESD Sensitive Parts Notice
G112

Engine Controls Schematics CNG Interface

Figure 1:

VCM Power, Ground, MIL, and DLC


Object Number: 600025  Size: FS
Engine Controls Components
Vehicle Control Module Description
Ignition Controls
OBD II Symbol Description Notice
C017
C018 and C019
LIGHTING and BATTERY Fuses
GAUGES Fuse
Handling ESD Sensitive Parts Notice
STOP/HAZ, RADIO BATT, and AUX PWR Fuses
Cell 50 (2000 C/K)
Handling ESD Sensitive Parts Notice
IGN B Fuse and Ignition Switch
BRAKE and HTR-A/C Fuses
Cell 10: ECM 1 Fuse (5.0L/5.7L)
ECM-B, HORN and A/C COMP Fuses
G103 and G104
G103 and G104
G200 (1 of 4)
Battery, and Underhood Fuse Block
IGN A Fuse and Ignition Switch
IGN A Fuse and Ignition Switch
Gauges
Figure 2:

Ignition Controls


Object Number: 600026  Size: FS
Engine Controls Components
Enhanced Ignition System Description
Fuel Pump Control
VCM Power, Ground, MIL, and DLC
OBD II Symbol Description Notice
IGN A Fuse and Ignition Switch
Cell 10: ENG-1 Fuse
ECM 1 Fuse (5.7L)
Handling ESD Sensitive Parts Notice
Handling ESD Sensitive Parts Notice
G103 and G104
Handling ESD Sensitive Parts Notice
C017
C018 and C019
Figure 3:

Fuel Pump Control


Object Number: 600027  Size: FS
Engine Controls Components
Fuel Supply Component Description
Engine Data Sensors-MAP, IAT, ECT, and TP
Ignition Controls
OBD II Symbol Description Notice
C018 and C019
Engine Data Sensors-MAP, IAT, ECT, and TP
A/T Internal Switches, TFT, PC Solenoid (Both Transmissions)
EVAP and EGR Controls, Fuel Tank Pressure Sensor
ECM-B, HORN and A/C COMP Fuses
G103 and G104
C018 and C019
Handling ESD Sensitive Parts Notice
Handling ESD Sensitive Parts Notice
Handling ESD Sensitive Parts Notice
Gauges
Battery, and Underhood Fuse Block
Figure 4:

Engine Data Sensors--MAP, IAT, ECT, and TP


Object Number: 600030  Size: FS
Engine Controls Components
Information Sensors/Switches Description
Heated Oxygen Sensors
Fuel Pump Control
OBD II Symbol Description Notice
C018 and C019
C018 and C019
C018 and C019
Handling ESD Sensitive Parts Notice
A/T Internal Switches, TFT, PC Solenoid (Both Transmissions)
EVAP and EGR Controls, Fuel Tank Pressure Sensor
EVAP and EGR Controls, Fuel Tank Pressure Sensor
Handling ESD Sensitive Parts Notice
EVAP and EGR Controls, Fuel Tank Pressure Sensor
EVAP and EGR Controls, Fuel Tank Pressure Sensor
Fuel Pump Control
Figure 5:

Heated Oxygen Sensors


Object Number: 600033  Size: FS
Engine Controls Components
Information Sensors/Switches Description
A.I.R., IAC, and MAF
Engine Data Sensors-MAP, IAT, ECT, and TP
OBD II Symbol Description Notice
C017
C017
IGN A Fuse and Ignition Switch
Cell 10: ENG-1 Fuse
G105 (2 of 2)
G105 (1 of 2)
Handling ESD Sensitive Parts Notice
Figure 6:

A.I.R., IAC, and MAF


Object Number: 601644  Size: FS
Engine Controls Components
Fuel Metering System Component Description
VSS and Cruise Controls
Heated Oxygen Sensors
OBD II Symbol Description Notice
C017
Battery, and Underhood Fuse Block
IGN A Fuse and Ignition Switch
G101, G102, G108, G110, G111 and G115
Handling ESD Sensitive Parts Notice
Cell 10: ENG-1 Fuse
G103 and G104
Figure 7:

VSS and Cruise Controls


Object Number: 600034  Size: FS
Engine Controls Components
Information Sensors/Switches Description
EVAP and EGR Controls, Fuel Tank Pressure Sensor
A.I.R., IAC, and MAF
OBD II Symbol Description Notice
C017
Handling ESD Sensitive Parts Notice
Handling ESD Sensitive Parts Notice
Handling ESD Sensitive Parts Notice
Handling ESD Sensitive Parts Notice
Handling ESD Sensitive Parts Notice
Handling ESD Sensitive Parts Notice
Handling ESD Sensitive Parts Notice
Figure 8:

EVAP and EGR Controls, Fuel Tank Pressure Sensor


Object Number: 600036  Size: FS
Engine Controls Components
Evaporative Emission Control System Operation Description Enhanced
A/T Internal Switches, TFT, PC Solenoid (Both Transmissions)
VSS and Cruise Controls
OBD II Symbol Description Notice
C018 and C019
IGN A Fuse and Ignition Switch
Cell 10: ENG-1 Fuse
Engine Data Sensors-MAP, IAT, ECT, and TP
Engine Data Sensors-MAP, IAT, ECT, and TP
Fuel Pump Control
A/T Internal Switches, TFT, PC Solenoid (Both Transmissions)
Handling ESD Sensitive Parts Notice
Handling ESD Sensitive Parts Notice
Figure 9:

A/T Internal Switches, TFT, PC Solenoid (Both Transmissions)


Object Number: 600039  Size: FS
Engine Controls Components
Electronic Component Description
A/C Compressor Controls
EVAP and EGR Controls, Fuel Tank Pressure Sensor
OBD II Symbol Description Notice
Handling ESD Sensitive Parts Notice
Handling ESD Sensitive Parts Notice
C018 and C019
Fuel Pump Control
Engine Data Sensors-MAP, IAT, ECT, and TP
EVAP and EGR Controls, Fuel Tank Pressure Sensor
Figure 10:

A/C Compressor Controls


Object Number: 600041  Size: FS
Engine Controls Components
HVAC Compressor Controls Circuit Description
C018 and C019
A/T Internal Switches, TFT, PC Solenoid (Both Transmissions)
OBD II Symbol Description Notice
Handling ESD Sensitive Parts Notice
Handling ESD Sensitive Parts Notice
Handling ESD Sensitive Parts Notice
C017
G103 and G104
G105 (1 of 2)
Battery, and Underhood Fuse Block
IGN A Fuse and Ignition Switch
IGN E Fuse
BRAKE and HTR-A/C Fuses
IGN B Fuse and Ignition Switch
Cell 14: G200 (4 of 4)
Figure 11:

C018 and C019


Object Number: 392274  Size: FS
Engine Controls Components
C017
VCM Power, Ground, MIL, and DLC
Ignition Controls
A/C Compressor Controls
Engine Data Sensors-MAP, IAT, ECT, and TP
EVAP and EGR Controls, Fuel Tank Pressure Sensor
Fuel Pump Control
Figure 12:

C017


Object Number: 392275  Size: FS
Engine Controls Components
C018 and C019
A.I.R., IAC, and MAF
VSS and Cruise Controls
A/C Compressor Controls
Ignition Controls
Heated Oxygen Sensors
VCM Power, Ground, MIL, and DLC