GM Service Manual Online
For 1990-2009 cars only
Figure 1:

B+ Bus - 1 of 2


Object Number: 1219318  Size: FS
Master Electrical Component List
B+ Bus - 2 of 2
Mega Fuse - 60A, Driver, Front Passenger, Left Rear, Right Rear Fuses (ULT), and Mega Fuse - 40A, Fuse B, and Fuse D (9L4)
B+ Bus - 2 of 2
Figure 2:

B+ Bus - 2 of 2


Object Number: 1219360  Size: FS
Master Electrical Component List
Mega Fuse - 60A, Driver, Front Passenger, Left Rear, Right Rear Fuses (ULT), and Mega Fuse - 40A, Fuse B, and Fuse D (9L4)
B+ Bus - 1 of 2
B+ Bus - 1 of 2
Figure 3:

Mega Fuse - 60A, Driver, Front Passenger, Left Rear, Right Rear Fuses (ULT), and Mega Fuse - 40A, Fuse B, and Fuse D (9L4)


Object Number: 1331327  Size: FS
Master Electrical Component List
Ignition Switch - START, and RUN Bus Bars
B+ Bus - 2 of 2
B+ Bus - 1 of 2
Figure 4:

Ignition Switch - START, and RUN Bus Bars


Object Number: 1219362  Size: FS
Master Electrical Component List
Ignition Switch - ACC/RUN/START, ACC/RUN, and RUN/START Bus Bars
Mega Fuse - 60A, Driver, Front Passenger, Left Rear, Right Rear Fuses (ULT), and Mega Fuse - 40A, Fuse B, and Fuse D (9L4)
B+ Bus - 1 of 2
Ignition Switch - ACC/RUN/START, ACC/RUN, and RUN/START Bus Bars
Figure 5:

Ignition Switch - ACC/RUN/START, ACC/RUN, and RUN/START Bus Bars


Object Number: 1219364  Size: FS
Master Electrical Component List
LBEC 1, LBEC 2, MBEC 1 Fuses
Ignition Switch - START, and RUN Bus Bars
B+ Bus - 1 of 2
Ignition Switch - START, and RUN Bus Bars
Figure 6:

LBEC 1, LBEC 2, MBEC 1 Fuses


Object Number: 1219366  Size: FS
Master Electrical Component List
IGN 1 Relay Bus Bar, SEO B2, B/U LP, BTSI, TRL B/U Fuses
Ignition Switch - ACC/RUN/START, ACC/RUN, and RUN/START Bus Bars
B+ Bus - 1 of 2
Figure 7:

IGN 1 Relay Bus Bar, SEO B2, B/U LP, BTSI, TRL B/U Fuses


Object Number: 1219370  Size: FS
Master Electrical Component List
FLASH, and LOCKS Fuses
LBEC 1, LBEC 2, MBEC 1 Fuses
B+ Bus - 1 of 2
Ignition Switch - ACC/RUN/START, ACC/RUN, and RUN/START Bus Bars
Figure 8:

FLASH and LOCKS Fuses


Object Number: 1219372  Size: FS
Master Electrical Component List
ABS, VSES/ECAS, STUD #1, STUD #2, TBC BATT Fuses
IGN 1 Relay Bus Bar, SEO B2, B/U LP, BTSI, TRL B/U Fuses
LBEC 1, LBEC 2, MBEC 1 Fuses
IGN SW-BATT2, AIR BAG, TURN LPS, IGN MOD, B/U LP/BTSI, PCM IGN, F/P INJR, A/C BFC, AUTO TRANS, ABS/EVO/IGN Fuses
Figure 9:

ABS, VSES/ECAS, STUD # 1, STUD # 2, TBC BATT Fuses


Object Number: 1219373  Size: FS
Master Electrical Component List
4WS, RADIO, RADIO AMP Fuses
FLASH, and LOCKS Fuses
B+ Bus - 1 of 2
Figure 10:

4WS, RADIO, RADIO AMP Fuses


Object Number: 1219374  Size: FS
Master Electrical Component List
INFO, CIG LTR Fuses
ABS, VSES/ECAS, STUD #1, STUD #2, TBC BATT Fuses
B+ Bus - 1 of 2
Figure 11:

INFO, CIG LTR Fuses


Object Number: 1219375  Size: FS
Master Electrical Component List
RTD, RR WPR, EAP, SUNROOF Fuses
4WS, RADIO, RADIO AMP Fuses
B+ Bus - 1 of 2
Figure 12:

RTD, RR WPR, EAP, SUNROOF Fuses


Object Number: 1219376  Size: FS
Master Electrical Component List
IPC/DIC, SEO B1 Fuses
INFO, CIG LTR Fuses
B+ Bus - 1 of 2
Figure 13:

IPC/DIC, SEO B1 Fuses


Object Number: 1392969  Size: FS
Master Electrical Component List
HVAC/ECAS, RR HVAC, BLOWER, RR DEFOG, STOP LP, TREC Fuses
RTD, RR WPR, EAP, SUNROOF Fuses
B+ Bus - 1 of 2
Figure 14:

HVAC/ECAS, RR HVAC, BLOWER, RR DEFOG, STOP LP, TREC Fuses


Object Number: 1219377  Size: FS
Master Electrical Component List
LH HID, RH HID, PCM B, CRANK, HORN, SIR Fuses
IPC/DIC, SEO B1 Fuses
B+ Bus - 1 of 2
VEH CHMSL, VEH STOP, LT TRLR ST/TRN, RT TRLR ST/TRN Fuses
Figure 15:

LH HID, RH HID, PCM B, CRANK, HORN, SIR Fuses


Object Number: 1219380  Size: FS
Master Electrical Component List
IGN 0, TBC IGN 0, TBC ACCY, SEO ACCY, W/S WPR, RR WPR Fuses
HVAC/ECAS, RR HVAC, BLOWER, RR DEFOG, STOP LP, TREC Fuses
B+ Bus - 1 of 2
Ignition Switch - ACC/RUN/START, ACC/RUN, and RUN/START Bus Bars
Figure 16:

IGN 0, TBC IGN 0, TBC ACCY, SEO ACCY, W/S WPR, RR WPR Fuses


Object Number: 1219381  Size: FS
Master Electrical Component List
O2A, O2B, TBC IGN 1, SEO IGN Fuses
LH HID, RH HID, PCM B, CRANK, HORN, SIR Fuses
Figure 17:

O2A, O2B, TBC IGN 1, SEO IGN Fuses


Object Number: 1219383  Size: FS
Master Electrical Component List
IGN E Fuse
IGN 0, TBC IGN 0, TBC ACCY, SEO ACCY, W/S WPR, RR WPR Fuses
Ignition Switch - ACC/RUN/START, ACC/RUN, and RUN/START Bus Bars
Figure 18:

IGN E Fuse


Object Number: 1219391  Size: FS
Master Electrical Component List
SBA, ETC/ECM, PCM 1 Fuses
O2A, O2B, TBC IGN 1, SEO IGN Fuses
Ignition Switch - ACC/RUN/START, ACC/RUN, and RUN/START Bus Bars
Figure 19:

SBA, ETC/ECM, PCM 1 Fuses


Object Number: 1219394  Size: FS
Master Electrical Component List
INJ 1, INJ 2 Fuses - All Except 8.1L
IGN E Fuse
IGN 1 Relay Bus Bar, SEO B2, B/U LP, BTSI, TRL B/U Fuses
Figure 20:

INJ 1, INJ 2 Fuses - All Except 8.1L


Object Number: 1219400  Size: FS
Master Electrical Component List
INJ 1, INJ 2 Fuses - 8.1L Only
SBA, ETC/ECM, PCM 1 Fuses
IGN 1 Relay Bus Bar, SEO B2, B/U LP, BTSI, TRL B/U Fuses
Figure 21:

INJ 1, INJ 2 Fuses - 8.1L Only


Object Number: 1219404  Size: FS
Master Electrical Component List
TBC 2A, TBC 2B, TBC 2C, LT DOORS, RT DOOR, SEAT Fuses
INJ 1, INJ 2 Fuses - All Except 8.1L
IGN 1 Relay Bus Bar, SEO B2, B/U LP, BTSI, TRL B/U Fuses
Figure 22:

TBC 2A, TBC 2B, TBC 2C, LT DOORS, RT DOOR, SEAT Fuses


Object Number: 1219406  Size: FS
Master Electrical Component List
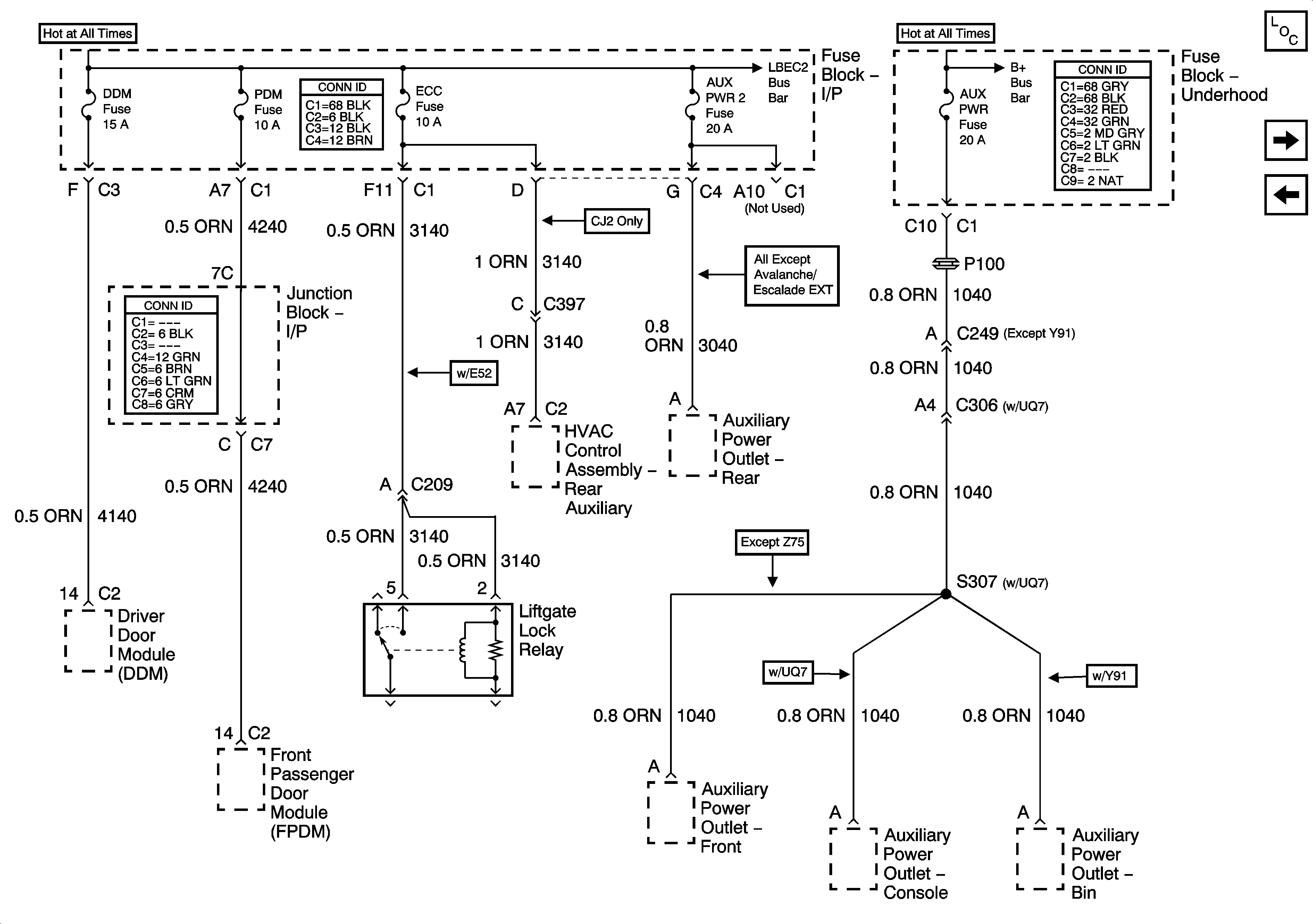
DDM, PDM, ECC, AUX PWR 2, AUX PWR Fuses
INJ 1, INJ 2 Fuses - 8.1L Only
LBEC 1, LBEC 2, MBEC 1 Fuses
Figure 23:

DDM, PDM, ECC, AUX PWR 2, AUX PWR Fuses


Object Number: 1219413  Size: FS
Master Electrical Component List
BRAKE, HTR/AC, HVAC I, CRUISE, 4WD Fuses
TBC 2A, TBC 2B, TBC 2C, LT DOORS, RT DOOR, SEAT Fuses
LBEC 1, LBEC 2, MBEC 1 Fuses
B+ Bus - 1 of 2
Figure 24:

BRAKE, HTR/AC, HHAC I, CRUISE, 4WD Fuses


Object Number: 1219418  Size: FS
Master Electrical Component List
IGN 3 Fuse - 1 of 2
DDM, PDM, ECC, AUX PWR 2, AUX PWR Fuses
Ignition Switch - START, and RUN Bus Bars
Figure 25:

IGN 3 Fuse - 1 of 2


Object Number: 1219423  Size: FS
Master Electrical Component List
IGN 3 Fuse - 2 of 2
BRAKE, HTR/AC, HVAC I, CRUISE, 4WD Fuses
Ignition Switch - START, and RUN Bus Bars
IGN 3 Fuse - 2 of 2
IGN 3 Fuse - 2 of 2
Figure 26:

IGN 3 Fuse - 2 of 2


Object Number: 1331329  Size: FS
Master Electrical Component List
LO HDLP - LT, LO HDLP - RT, HI HDLP - LT, HI HDLP - RT Fuses
IGN 3 Fuse - 1 of 2
IGN 3 Fuse - 1 of 2
IGN 3 Fuse - 1 of 2
Figure 27:

LO HDLP - LT, LO HDLP - RT, HI HDLP - LT, HI HDLP - RT Fuses


Object Number: 1219426  Size: FS
Master Electrical Component List
LR PARK, RR PARK Fuses
IGN 3 Fuse - 2 of 2
B+ Bus - 2 of 2
Figure 28:

LR PARK and RR PARK Fuses


Object Number: 1219428  Size: FS
Master Electrical Component List
FRT PARK, INT PARK, TRL PARK Fuses - Domestic
LO HDLP - LT, LO HDLP - RT, HI HDLP - LT, HI HDLP - RT Fuses
B+ Bus - 2 of 2
Figure 29:

FRT PARK, INT PARK, TRL PARK Fuses - Domestic


Object Number: 1219430  Size: FS
Master Electrical Component List
FRT PARK, DRL, TRL PARK, INT PARK Fuses - Export
LR PARK, RR PARK Fuses
B+ Bus - 2 of 2
Figure 30:

FRT PARK, DRL, TRL PARK, INT PARK Fuses - Export


Object Number: 1219431  Size: FS
Master Electrical Component List
VEH CHMSL, VEH STOP, LT TRLR ST/TRN, RT TRLR ST/TRN Fuses
FRT PARK, INT PARK, TRL PARK Fuses - Domestic
B+ Bus - 2 of 2
Figure 31:

VEH CHMSL, VEH STOP, LT TRLR ST/TRN, RT TRLR ST/TRN Fuses


Object Number: 1219433  Size: FS
Master Electrical Component List
LT TRN, RT TRN Fuses - 1 of 2
FRT PARK, DRL, TRL PARK, INT PARK Fuses - Export
LT TRN, RT TRN Fuses - 1 of 2
LT TRN, RT TRN Fuses - 1 of 2
HVAC/ECAS, RR HVAC, BLOWER, RR DEFOG, STOP LP, TREC Fuses
Figure 32:

LT TRN and RT TRN Fuses - 1 of 2


Object Number: 1219434  Size: FS
Master Electrical Component List
LT TRN, RT TRN Fuses - 2 of 2
VEH CHMSL, VEH STOP, LT TRLR ST/TRN, RT TRLR ST/TRN Fuses
VEH CHMSL, VEH STOP, LT TRLR ST/TRN, RT TRLR ST/TRN Fuses
VEH CHMSL, VEH STOP, LT TRLR ST/TRN, RT TRLR ST/TRN Fuses
LT TRN, RT TRN Fuses - 2 of 2
LT TRN, RT TRN Fuses - 2 of 2
LT TRN, RT TRN Fuses - 2 of 2
LT TRN, RT TRN Fuses - 2 of 2
Figure 33:

LT TRN and RT TRN Fuses - 2 of 2


Object Number: 1219435  Size: FS
Master Electrical Component List
LT TRN, RT TRN Fuses - 1 of 2
LT TRN, RT TRN Fuses - 1 of 2
LT TRN, RT TRN Fuses - 1 of 2
LT TRN, RT TRN Fuses - 1 of 2
LT TRN, RT TRN Fuses - 1 of 2