GM Service Manual Online
For 1990-2009 cars only
Figure 1:

Main Relay, Powertrain Control Module (PCM) Power and Ground


Object Number: 715272  Size: FS
Master Electrical Component List
Data Link Connector (DLC) and Malfunction Indicator Lamp (MIL)
G100, G101 and G102
IG Fuse
HAZ, D/L, TAIL, Stop and Dome Fuses
CKP Sensor, CMP Sensor
BATT, ABS, FI and ACC Fuses
Figure 2:

Data Link Connector (DLC) and Malfunction Indicator Lamp (MIL)


Object Number: 715280  Size: FS
Master Electrical Component List
EGR Valve, EVAP Valve, EVAP Solenoid
Main Relay, Powertrain Control Module (PCM) Power and Ground
OBD II Symbol Description Notice
IG, Turn and WIP Fuses
Instrument Cluster Indicators
HAZ, D/L, TAIL, Stop and Dome Fuses
HAZ, D/L, TAIL, Stop and Dome Fuses
NO TITLE SIR
G200 (1 of 2)
G200 (2 of 2)
Figure 3:

EGR Valve, EVAP Valve, EVAP Solenoid


Object Number: 715286  Size: FS
Master Electrical Component List
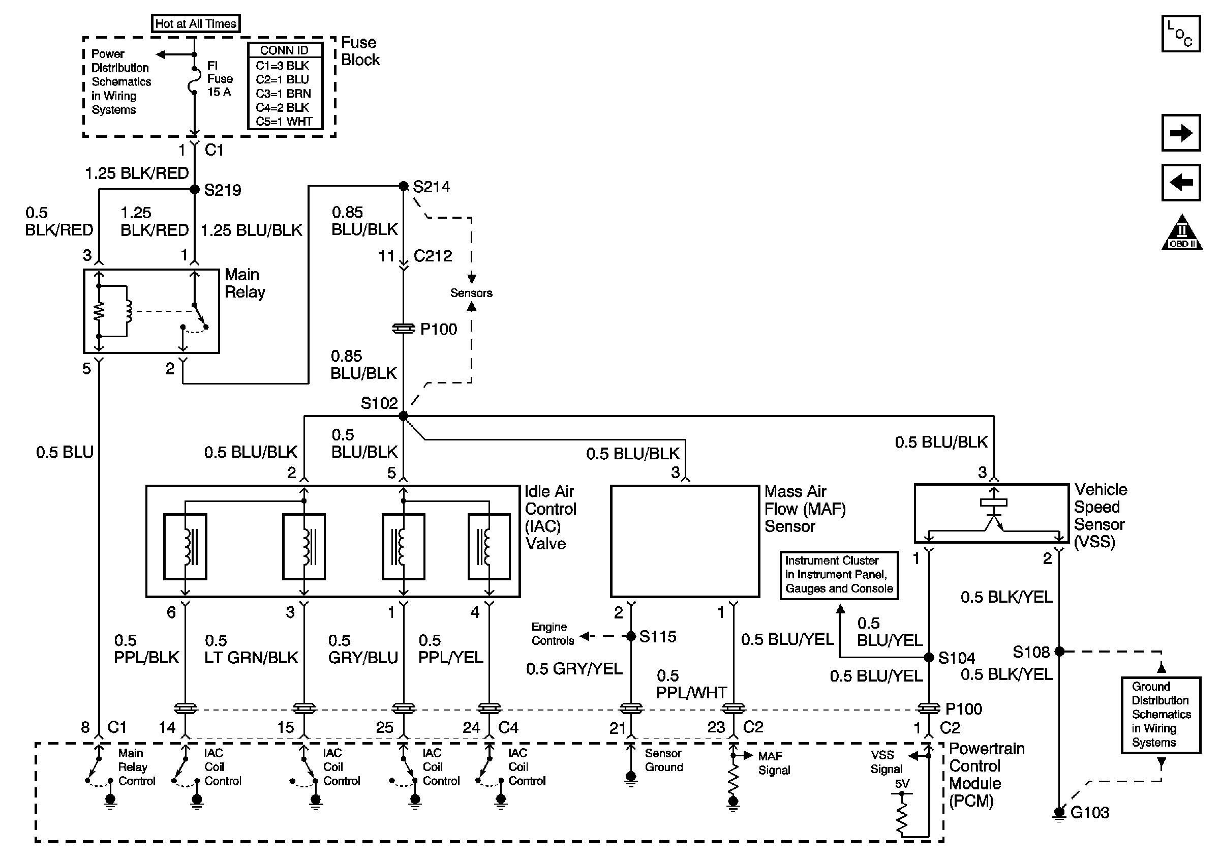
IAC Valve, VSS, MAF Sensor
Data Link Connector (DLC) and Malfunction Indicator Lamp (MIL)
OBD II Symbol Description Notice
BATT, ABS, FI and ACC Fuses
Figure 4:

IAC Valve, VSS, MAF Sensor


Object Number: 715284  Size: FS
Master Electrical Component List
Ignition Coils
EGR Valve, EVAP Valve, EVAP Solenoid
OBD II Symbol Description Notice
G103
Cruise Control Servo, VSS
BATT, ABS, FI and ACC Fuses
Figure 5:

Ignition Coils


Object Number: 715321  Size: FS
Master Electrical Component List
Fuel Injectors
IAC Valve, VSS, MAF Sensor
OBD II Symbol Description Notice
H/L, HTR, IG, and Lamp Fuses
IG Fuse
NO TITLE ENTERTAINMENT
G103
Figure 6:

Fuel Injectors


Object Number: 715319  Size: FS
Master Electrical Component List
HVAC Module Connections
Ignition Coils
OBD II Symbol Description Notice
BATT, ABS, FI and ACC Fuses
Figure 7:

ECT Sensor, MAP Sensor, TP Sensor, IAT Sensor


Object Number: 715290  Size: FS
Master Electrical Component List
Fuel Pump Relay, Fuel Sender Assembly
Fuel Injectors
OBD II Symbol Description Notice
Oil Pressure Switch, (ECT) Sensor
Figure 8:

Fuel Pump Relay, Fuel Sender Assembly


Object Number: 715294  Size: FS
Master Electrical Component List
CKP Sensor, CMP Sensor
ECT Sensor, MAP Sensor, TP Sensor, IAT Sensor
OBD II Symbol Description Notice
G400 and G401
IG Fuse
H/L, HTR, IG, and Lamp Fuses
Oil Pressure Switch, (ECT) Sensor
G103
Main Relay, Powertrain Control Module (PCM) Power and Ground
BATT, ABS, FI and ACC Fuses
Figure 9:

CKP Sensor, CMP Sensor


Object Number: 715297  Size: FS
Master Electrical Component List
Heated Oxygen Sensor Fuse and Relay
Fuel Pump Relay, Fuel Sender Assembly
OBD II Symbol Description Notice
G103
IG, Turn and WIP Fuses
Oil Pressure Switch, (ECT) Sensor
H/L, HTR, IG, and Lamp Fuses
BATT, ABS, FI and ACC Fuses
Figure 10:

Heated Oxygen Sensor Fuse and Relay


Object Number: 737461  Size: FS
Master Electrical Component List
Heated Oxygen Sensors
CKP Sensor, CMP Sensor
OBD II Symbol Description Notice
H/L, HTR, IG, and Lamp Fuses
H/L, HTR, IG, and Lamp Fuses
G104
IG Fuse
IG Fuse
Figure 11:

Heated Oxygen Sensors


Object Number: 715295  Size: FS
Master Electrical Component List
Transmission Range Switch
Heated Oxygen Sensor Fuse and Relay
OBD II Symbol Description Notice
G100, G101 and G102
Figure 12:

Transmission Range Switch


Object Number: 715303  Size: FS
Master Electrical Component List
Four Wheel Drive Switches, Front Drive Axle Actuator Pump
Heated Oxygen Sensors
OBD II Symbol Description Notice
Starting System
Cruise Control Release Switch and Transmission Range Switch
Figure 13:

Four Wheel Drive Switches, Front Drive Axle Actuator Pump


Object Number: 715299  Size: FS
Master Electrical Component List
Stoplamp Switch, Transmission Range Switch
Transmission Range Switch
OBD II Symbol Description Notice
IG, Turn and WIP Fuses
H/L, HTR, IG, and Lamp Fuses
Instrument Cluster Indicators
G105
G201
G201
Figure 14:

Stoplamp Switch, Transmission Range Switch


Object Number: 715310  Size: FS
Master Electrical Component List
Output Shaft Speed Sensor, Input Shaft Speed Sensor
Four Wheel Drive Switches, Front Drive Axle Actuator Pump
OBD II Symbol Description Notice
IG, Turn and WIP Fuses
Transmission Range Switch, Backup Lamp Switch
Center High Mount Stoplamp (CHMSL)
Shiftlock Control With Cruise Control
G104, Stop Fuse, Stop Lamp Switch, and F1 Fuse
Brake Fluid Level Indicator, Brake Indicator and Stoplamp Switch
HAZ, D/L, TAIL, Stop and Dome Fuses
HAZ, D/L, TAIL, Stop and Dome Fuses
Figure 15:

Output Shaft Speed Sensor, Input Shaft Speed Sensor


Object Number: 715307  Size: FS
Master Electrical Component List
Shift Program Switch, Overdrive Switch
Stoplamp Switch, Transmission Range Switch
OBD II Symbol Description Notice
Figure 16:

Shift Program Switch, Overdrive Switch


Object Number: 715313  Size: FS
Master Electrical Component List
PCM Idle Up Inputs
Output Shaft Speed Sensor, Input Shaft Speed Sensor
OBD II Symbol Description Notice
Instrument Cluster Indicators
IG, Turn and WIP Fuses
H/L, HTR, IG, and Lamp Fuses
G201
G201
Figure 17:

PCM Idle Up Inputs


Object Number: 715315  Size: FS
Master Electrical Component List
Shift Program Switch, Overdrive Switch
OBD II Symbol Description Notice
Side Marker Lamps, Light Switch
Blower Control w/ A/C
NO TITLE DEFOGGER